( सूची के लिए क्लिक करें प्रदर्शन।) |
लागू श्रृंखला प्रकार |
लागू श्रृंखला आवाज़ का उतार-चढ़ाव मिमी |
प्रभावी दांतों की संख्या /दांतों की संख्या |
 |
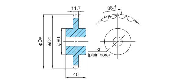
TTP
|
TTP, TTPH, TTPH-P, TTP-P, TTPT |
38.1 |
9½, 10½, 11½, 12½ |



|
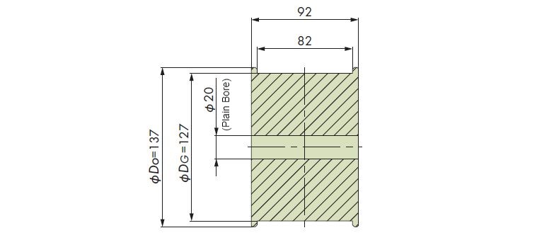
स्टील स्प्रोकेट (पायलट बोर प्रकार)शाफ्ट छेद प्रसंस्करण सेवा उपलब्ध है
| मॉडल संख्या |
दांतों की संख्या |
प्रभावी दांतों की संख्या |
पिच सर्कल व्यास मिमी |
पायलट बोर मिमी |
अधिकतम शाफ्ट छेद व्यास मिमी |
प्रकार |
| TTP912T |
19 |
9½ |
117.34 |
Φ18 |
Φ40 |
एकीकृत प्रकार |
| TTP1012T |
21 |
10½ |
129.26 |
| TTP1112T |
23 |
11½ |
141.22 |
| TTP1212T |
25 |
12½ |
153.20 |
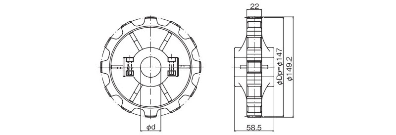
स्टील स्प्रोकेट (लॉक श्रृंखला)
| मॉडल संख्या |
दांतों की संख्या |
प्रभावी दांतों की संख्या |
पिच सर्कल व्यास मिमी |
शाफ्ट छेद आयाम मिमी |
प्रकार |
| TTP912T-S□□□□ |
19 |
9½ |
117.34 |
Φ15~Φ45 |
एकीकृत प्रकार |
| TTP1012T-S□□□□ |
21 |
10½ |
129.26 |
| TTP1112T-S□□□□ |
23 |
11½ |
141.22 |
| TTP1212T-S□□□□ |
25 |
12½ |
153.20 |
इंजीनियरिंग प्लास्टिक स्प्रोकेट
| मॉडल संख्या |
वास्तविक दांतों की संख्या |
प्रभावी दांतों की संख्या |
पिच सर्कल व्यास मिमी |
शाफ्ट छेद आयाम डी मिमी |
प्रकार |
| TTP-21T■ |
21 |
10½ |
129.26 |
Φ25, Φ30, Φ35, Φ40, Φ45 |
स्प्लिट टाइप |
| TTP-23T■ |
23 |
11½ |
141.22 |
Φ25, Φ30, Φ35, Φ40, Φ45 |
| TTP-25T■ |
25 |
12½ |
153.20 |
Φ25, Φ30, Φ35, Φ40, Φ45, Φ50 |
× (आप इसे खींचकर स्थानांतरित कर सकते हैं) ■ इंजीनियरिंग प्लास्टिक स्प्रोकेट | मॉडल संख्या | दांतों की संख्या | प्रभावी दांतों की संख्या | पिच सर्कल व्यास मिमी | शाफ्ट छेद आयाम मिमी | प्रकार |
| TTP-21T25 |
21 |
10½ |
129.26 |
Φ25 |
स्प्लिट टाइप |
| TTP-21T30 |
Φ30 |
| TTP-21T35 |
Φ35 |
| TTP-21T40 |
Φ40 |
| TTP-21T45 |
Φ45 |
× (आप इसे खींचकर स्थानांतरित कर सकते हैं) ■ इंजीनियरिंग प्लास्टिक स्प्रोकेट | मॉडल संख्या | दांतों की संख्या | प्रभावी दांतों की संख्या | पिच सर्कल व्यास मिमी | शाफ्ट छेद आयाम मिमी | प्रकार |
| TTP-23T25 |
23 |
11½ |
141.22 |
Φ25 |
स्प्लिट टाइप |
| TTP-23T30 |
Φ30 |
| TTP-23T35 |
Φ35 |
| TTP-23T40 |
Φ40 |
| TTP-23T45 |
Φ45 |
× (आप इसे खींचकर स्थानांतरित कर सकते हैं) ■ इंजीनियरिंग प्लास्टिक स्प्रोकेट | मॉडल संख्या | दांतों की संख्या | प्रभावी दांतों की संख्या | पिच सर्कल व्यास मिमी | शाफ्ट छेद आयाम मिमी | प्रकार |
| TTP-25T25 |
25 |
12½ |
153.20 |
Φ25 |
स्प्लिट टाइप |
| TTP-25T30 |
Φ30 |
| TTP-25T35 |
Φ35 |
| TTP-25T40 |
Φ40 |
| TTP-25T45 |
Φ45 |
| TTP-25T50 |
Φ50 |
|
 |
TTPDH
|
TTPDH, TTPDH-LBP |
38.1 |
12½ |

|
| मॉडल संख्या |
दांतों की संख्या |
प्रभावी दांतों की संख्या |
पिच सर्कल व्यास मिमी |
शाफ्ट छेद आयाम मिमी |
प्रकार |
| TP-C12295T-SPR |
25 |
12½ |
153.21 |
Φ40 |
स्प्लिट टाइप |
|
 |
TTPM
|
TTPM |
19.05 |
12, 14, 15, 19, 21, 23 |

|
| मॉडल संख्या |
दांतों की संख्या |
पिच सर्कल व्यास मिमी |
पायलट बोर मिमी |
अधिकतम शाफ्ट छेद व्यास मिमी |
प्रकार |
| TTPM1200T |
12 |
73.6 |
Φ15 |
Φ35 |
एकीकृत प्रकार |
| TTPM1400T |
14 |
85.6 |
Φ40 |
| TTPM1500T |
15 |
91.6 |
| TTPM1900T |
19 |
115.7 |
Φ50 |
| TTPM2100T |
21 |
127.8 |
| TTPM2300T |
23 |
139.9 |
|
 |
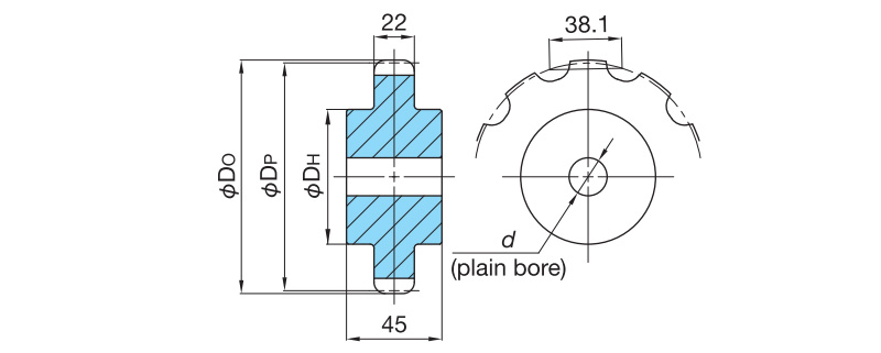
TPF
|
TPF |
38.1 |
9½, 10½, 11½, 12½ |


|
स्टील स्प्रोकेट (पायलट बोर प्रकार)शाफ्ट छेद प्रसंस्करण सेवा उपलब्ध है
| मॉडल संख्या |
दांतों की संख्या |
प्रभावी दांतों की संख्या |
पिच सर्कल व्यास मिमी |
पायलट बोर मिमी |
अधिकतम शाफ्ट छेद व्यास मिमी |
प्रकार |
| TPF912T |
19 |
9½ |
117.34 |
Φ18 |
Φ42 |
एकीकृत प्रकार |
| TPF1012T |
21 |
10½ |
129.26 |
| TPF1112T |
23 |
11½ |
141.22 |
| TPF1212T |
25 |
12½ |
153.20 |
स्टील स्प्रोकेट (लॉक श्रृंखला)
| मॉडल संख्या |
दांतों की संख्या |
प्रभावी दांतों की संख्या |
पिच सर्कल व्यास मिमी |
शाफ्ट छेद आयाम मिमी |
प्रकार |
| TPF912T-S□□□□ |
19 |
9½ |
117.34 |
Φ15~Φ35 |
एकीकृत प्रकार |
| TPF1012T-S□□□□ |
21 |
10½ |
129.26 |
| TPF1112T-S□□□□ |
23 |
11½ |
141.22 |
| TPF1212T-S□□□□ |
25 |
12½ |
153.20 |
|
 |
TP-OTD
|
TP-OTD |
38.1 |
10½, 11½ |

|
| मॉडल संख्या |
दांतों की संख्या |
प्रभावी दांतों की संख्या |
पिच सर्कल व्यास मिमी |
पायलट बोर मिमी |
अधिकतम शाफ्ट छेद व्यास मिमी |
प्रकार |
| TP-OTD1012T |
21 |
10½ |
129.2 |
Φ20 |
Φ40 |
एकीकृत प्रकार |
| TP-OTD1112T |
23 |
11½ |
141.2 |
|
 |
TPS
|
TP-880TAB, TPH, TPH-P, TPS, TPS-P, TPU, TPUH-BO, TPU-LH, TPU-P, TPUT-LH, TPU-USR, TTUP, TTUPH, TTUP-LLPC, TTUP-M, TTUP-P, TTUPT-M |
38.1 |
9, 9½, 10, 10½, 11, 11½, 12, 12½, 13 |



|
स्टील स्प्रोकेट (पायलट बोर प्रकार)शाफ्ट छेद प्रसंस्करण सेवा उपलब्ध है
| मॉडल संख्या |
दांतों की संख्या |
प्रभावी दांतों की संख्या |
पिच सर्कल व्यास मिमी |
पायलट बोर मिमी |
अधिकतम शाफ्ट छेद व्यास मिमी |
प्रकार |
| TTUP900T |
- |
9 |
111.40 |
Φ18 |
Φ47 |
एकीकृत प्रकार |
| TTUP912T |
19 |
9½ |
117.34 |
| TTUP1000T |
- |
10 |
123.29 |
| TTUP1012T |
21 |
10½ |
129.26 |
| TTUP1100T |
- |
11 |
135.23 |
| TTUP1112T |
23 |
11½ |
141.22 |
| TTUP1200T |
- |
12 |
147.21 |
| TTUP1212T |
25 |
12½ |
153.20 |
| TTUP1300T |
- |
13 |
159.20 |
स्टील स्प्रोकेट (लॉक श्रृंखला)
| मॉडल संख्या |
दांतों की संख्या |
प्रभावी दांतों की संख्या |
पिच सर्कल व्यास मिमी |
शाफ्ट छेद आयाम मिमी |
प्रकार |
| TTUP900T-S□□□□ |
- |
9 |
111.40 |
Φ15~Φ45 |
एकीकृत प्रकार |
| TTUP912T-S□□□□ |
19 |
9½ |
117.34 |
| TTUP1000T-S□□□□ |
- |
10 |
123.29 |
| TTUP1012T-S□□□□ |
21 |
10½ |
129.26 |
| TTUP1100T-S□□□□ |
- |
11 |
135.23 |
| TTUP1112T-S□□□□ |
23 |
11½ |
141.22 |
| TTUP1200T-S□□□□ |
- |
12 |
147.21 |
| TTUP1212T-S□□□□ |
25 |
12½ |
153.20 |
| TTUP1300T-S□□□□ |
- |
13 |
159.20 |
इंजीनियरिंग प्लास्टिक स्प्रोकेट
| मॉडल संख्या |
दांतों की संख्या |
पिच सर्कल व्यास मिमी |
शाफ्ट छेद आयाम मिमी |
प्रकार |
| TTUP-12T■ |
12 |
147.2 |
Φ25, Φ30, Φ35, Φ40, Φ45 |
स्प्लिट टाइप |
|
 |
TPSS
|
TPSS, TPUS, TPUS953Y-T-LAP, TPUS-LBP, TPUS-Y-T, TTUPS |
38.1 |
9, 10, 11, 12, 13, 14, 15 |

|
| मॉडल संख्या |
दांतों की संख्या |
पिच सर्कल व्यास मिमी |
पायलट बोर मिमी |
अधिकतम शाफ्ट छेद व्यास मिमी |
प्रकार |
| TPSS900T |
9 |
114.4 |
Φ20 |
Φ35 |
एकीकृत प्रकार |
| TPSS1000T |
10 |
123.3 |
Φ40 |
| TPSS1100T |
11 |
135.2 |
| TPSS1200T |
12 |
147.2 |
| TPSS1300T |
13 |
159.2 |
| TPSS1400T |
14 |
171.2 |
| TPSS1500T |
15 |
183.3 |
|
 |
TTUPM
|
TTUPM-P, TTUPM-PC |
12.7 |
11, 13, 15 |

|
| मॉडल संख्या |
दांतों की संख्या |
पिच सर्कल व्यास मिमी |
पायलट बोर मिमी |
अधिकतम शाफ्ट छेद व्यास मिमी |
प्रकार |
| TTUPM1100T |
11 |
45.1 |
Φ8 |
Φ20 |
एकीकृत प्रकार |
| TTUPM1300T |
13 |
53.1 |
Φ25 |
| TTUPM1500T |
15 |
61.1 |
Φ30 |
|
 |
TPUMF-T
|
TPUMF1200F-T, TPUMF1200-T, TPUMF1200-TB |
19.05 |
12 |

|
| मॉडल संख्या |
दांतों की संख्या |
पिच सर्कल व्यास मिमी |
शाफ्ट छेद आयाम मिमी |
प्रकार |
| TPUMF1200T-25 |
12 |
73.60 |
Φ25 |
एकीकृत प्रकार |
|
 |
TPUS
|
TPSS, TPUS, TPUS953Y-T-LAP, TPUS-LBP, TPUS-Y-T, TTUPS |
38.1 |
12 |

|
| मॉडल संख्या |
दांतों की संख्या |
पिच सर्कल व्यास मिमी |
शाफ्ट छेद आयाम मिमी |
प्रकार |
| TTP-C1211■T-SPR |
12 |
147.2 |
Φ30, Φ40 |
स्प्लिट टाइप |
× (आप इसे खींचकर स्थानांतरित कर सकते हैं) | मॉडल संख्या | दांतों की संख्या | पिच सर्कल व्यास मिमी | शाफ्ट छेद आयाम मिमी | प्रकार |
| TP-C12115T-SPR |
12 |
147.2 |
Φ30 |
स्प्लिट टाइप |
| TP-C12117T-SPR |
Φ40 |
|
 |
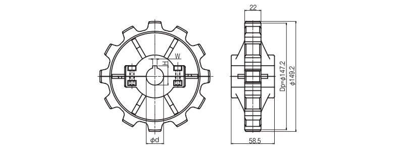
TTUPS-H
|
TTUPS-H |
25.4 |
12, 16, 18, 21 |









|
分割形スプロケット(SW2500)
| मॉडल संख्या |
दांतों की संख्या |
पिच सर्कल व्यास मिमी |
शाफ्ट छेद आयाम मिमी |
प्रकार |
| WT-SW2500-16T■ |
16 |
130.20 |
Φ25, Φ30, Φ35, Φ40 |
स्प्लिट टाइप |
| WT-SW2500-18T■ |
18 |
146.27 |
Φ25, Φ30, Φ35, Φ40 |
| WT-SW2500-21T■ |
21 |
170.40 |
Φ25, Φ30, Φ35, Φ40 |
एकीकृत स्प्रोकेट (S2500)
| मॉडल संख्या |
दांतों की संख्या |
पिच सर्कल व्यास मिमी |
शाफ्ट छेद आयाम मिमी |
प्रकार |
| WT-S2500-16T |
16 |
130.20 |
अनुरोध पर, हम उत्पादन पर विचार करेंगे। हम आपके अनुरोध का जवाब देंगे. |
एकीकृत प्रकार |
| WT-S2500-18T |
18 |
146.27 |
| WT-S2500-21T |
21 |
170.42 |
शाफ्ट छेद और कुंजी मार्ग प्रसंस्कृत उत्पाद
| मॉडल संख्या |
दांतों की संख्या |
पिच सर्कल व्यास मिमी |
शाफ्ट छेद आयाम मिमी |
प्रकार |
| BT8H-12T■-CS |
12 |
98.14 |
Φ25, Φ30 |
एकीकृत प्रकार |
| BT8H-16T30-CS |
16 |
130.20 |
Φ30 |
× (आप इसे खींचकर स्थानांतरित कर सकते हैं) ■ शाफ्ट होल और कीवे प्रसंस्कृत उत्पाद | मॉडल संख्या | दांतों की संख्या | पिच सर्कल व्यास मिमी | शाफ्ट छेद आयाम मिमी | प्रकार |
| BT8H-12T25-CS |
12 |
98.14 |
Φ25 |
एकीकृत प्रकार |
| BT8H-12T30-CS |
Φ30 |
पायलट बोर उत्पाद
| मॉडल संख्या |
दांतों की संख्या |
पिच सर्कल व्यास मिमी |
पायलट बोर मिमी |
प्रकार |
| BT8H-12T-CS |
12 |
98.14 |
Φ15 |
एकीकृत प्रकार |
| BT8H-16T-CS |
16 |
130.20 |
|
 |
TPUH-BO
|
TPUH-BO |
38.1 |
32 |

|
| मॉडल संख्या |
दांतों की संख्या |
बहरी घेरा |
शाफ्ट छेद आयाम मिमी |
प्रकार |
| TP-C12781LT-SPR |
32 |
352 |
Φ25 |
एकीकृत प्रकार |
|
 |
TPUSR
|
TPUSR550, TPUSR550P, TPUSR826, TPUSR826P |
31.75 |
15 |


|
स्टील स्प्रोकेट (पायलट बोर प्रकार)शाफ्ट छेद प्रसंस्करण सेवा उपलब्ध है
| मॉडल संख्या |
दांतों की संख्या |
पिच सर्कल व्यास मिमी |
शाफ्ट छेद आयाम मिमी |
पायलट बोर मिमी |
अधिकतम शाफ्ट छेद व्यास मिमी |
प्रकार |
| TPUSR1500T |
15 |
152.71 |
Φ20~Φ45 |
Φ15.9 |
Φ45 |
एकीकृत प्रकार |
| TPUSR1500T-SS |
स्टील स्प्रोकेट (लॉक श्रृंखला)
| मॉडल संख्या |
दांतों की संख्या |
पिच सर्कल व्यास मिमी |
शाफ्ट छेद आयाम मिमी |
प्रकार |
| TPUSR1500T-S□□□□ |
15 |
152.71 |
Φ15~Φ35 |
एकीकृत प्रकार |
|
 |
TP-UB36
|
TP-UB36, TP-UB36P |
36 |
11, 12, 13 |

|
| मॉडल संख्या |
दांतों की संख्या |
पिच सर्कल व्यास मिमी |
पायलट बोर मिमी |
अधिकतम शाफ्ट छेद व्यास मिमी |
प्रकार |
| TP-UB1100T |
11 |
127.8 |
Φ20 |
Φ40 |
एकीकृत प्रकार |
| TP-UB1200T |
12 |
139.1 |
| TP-UB1300T |
13 |
150.4 |
|
 |
TPUN
|
TP-50UNS, TP-50UNS-D76, TPUN, TPUN535-LH, TPUN550-LH |
50 |
8, 10, 12 |





|
इंजीनियरिंग प्लास्टिक स्प्रोकेट
| मॉडल संख्या |
दांतों की संख्या |
पिच सर्कल व्यास मिमी |
शाफ्ट छेद आयाम मिमी |
प्रकार |
| TP-C213959T-SPR |
8 |
130.66 |
Φ30 |
एकीकृत प्रकार |
| TP-C213961T-SPR |
10 |
161.8 |
Φ25 |
| TP-C12721T-SPR |
स्टील स्प्रोकेट (पायलट बोर प्रकार)शाफ्ट छेद प्रसंस्करण सेवा उपलब्ध है
| मॉडल संख्या |
दांतों की संख्या |
पिच सर्कल व्यास मिमी |
पायलट बोर मिमी |
प्रकार |
| TPUN555-800TQ |
8 |
130.6 |
Φ16 |
एकीकृत प्रकार |
| TPUN555-1000TQ |
10 |
161.8 |
| TPUN555-1200TQ |
12 |
193.2 |
स्टील स्प्रोकेट (लॉक श्रृंखला)
| मॉडल संख्या |
दांतों की संख्या |
पिच सर्कल व्यास मिमी |
शाफ्ट छेद आयाम मिमी |
प्रकार |
| TPUN555-800TQ-S□□□□■ |
8 |
130.6 |
Φ15~Φ45 |
एकीकृत प्रकार |
| TPUN555-1000TQ-S□□□□■ |
10 |
161.8 |
| TPUN555-1200TQ-S□□□□■ |
12 |
193.2 |
|
 |
TP-50UN-T95
|
TP-50UN-T95 |
50 |
8, 10, 12 |

|
| मॉडल संख्या |
दांतों की संख्या |
पिच सर्कल व्यास मिमी |
पायलट बोर मिमी |
अधिकतम शाफ्ट छेद व्यास मिमी |
प्रकार |
| TP-50UNT-8T |
8 |
130.6 |
Φ15 |
Φ40 |
एकीकृत प्रकार |
| TP-50UNT-10T |
10 |
161.8 |
Φ20 |
| TP-50UNT-12T |
12 |
193.2 |
|
 |
TPCC
|
TPCC420, TPCC420-T |
63.5 |
8, 10, 12 |

|
| मॉडल संख्या |
दांतों की संख्या |
पिच सर्कल व्यास मिमी |
पायलट बोर मिमी |
प्रकार |
| TP-C12326T-SPR |
8 |
165.9 |
Φ23 |
एकीकृत प्रकार |
| TP-C12327T-SPR |
10 |
205.5 |
| TP-C12328T-SPR |
12 |
245.3 |
जुलाई 2026 से शुरू होकर, कुछ मॉडल नंबरों के विनिर्देशों में बदलाव होंगे या उनकी बिक्री बंद कर दी जाएगी। कृपया सूचना के लिए यहां क्लिक करें।
|
 |
TP-36AK
|
TP-36AK |
36 |
11, 13, 15 |

|
| मॉडल संख्या |
दांतों की संख्या |
पिच सर्कल व्यास मिमी |
पायलट बोर मिमी |
अधिकतम शाफ्ट छेद व्यास मिमी |
प्रकार |
| TP-36AK1100T |
11 |
127.7 |
Φ20 |
Φ60 |
एकीकृत प्रकार |
| TP-36AK1300T |
13 |
150.4 |
| TP-36AK1500T |
15 |
173.1 |
|
 |
TP-30UTW-LAP
|
TP-30UTW-LAP |
30 |
15 |

|
| मॉडल संख्या |
दांतों की संख्या |
पिच सर्कल व्यास मिमी |
शाफ्ट छेद आयाम मिमी |
प्रकार |
| TP-SW30UT-15T30 |
15 |
144.3 |
Φ30 |
स्प्लिट टाइप |
|
 |
TP-36UTW-LAP
|
TP-36UTW-LAP |
36 |
13 |

|
| मॉडल संख्या |
दांतों की संख्या |
पिच सर्कल व्यास मिमी |
शाफ्ट छेद आयाम मिमी |
प्रकार |
| TP-36UT-13T |
13 |
150.42 |
अनुरोध पर, हम उत्पादन पर विचार करेंगे। हम आपके अनुरोध का जवाब देंगे. |
एकीकृत प्रकार |
|
 |
TPRF2040
|
TPRF2040 |
25.4 |
9½, 10½, 11½, 12, 12½ |


|
| प्रकार |
सामग्री |
मूल मॉडल संख्या |
प्रभावी दांतों की संख्या सीमा |
| पायलट बोर उत्पाद |
इस्पात |
RF2040S-1B□T■ |
9½~12½ |
| स्टेनलेस |
RF2040S-1B□T-SS |
9½~12½ |
| इंजीनियरिंग प्लास्टिक |
RF2040S-1B□T-P |
9½~12½ |
| फ़िट बोर्स |
इस्पात |
RF2040S-1B□T-H~ |
9½~12½ |
| स्टेनलेस |
RF2040S-1B□T-SS-H~ |
9½~12½ |
| लॉक स्प्रोकेट S प्रकार |
इस्पात |
RF2040S-1B□T-S○○○○● |
9½~12½ |
|
 |
TPRF2060
|
TPRF2060 |
38.1 |
9½, 10½, 11½, 12, 12½ |


|
| प्रकार |
सामग्री |
मूल मॉडल संख्या |
प्रभावी दांतों की संख्या सीमा |
| पायलट बोर उत्पाद |
इस्पात |
RF2060S-1B□T■ |
9½~12½ |
| स्टेनलेस |
RF2060S-1B□T-SS |
9½~12½ |
| इंजीनियरिंग प्लास्टिक |
RF2060S-1B□T-P |
9½~12½ |
| फ़िट बोर्स |
इस्पात |
RF2060S-1B□T-H~ |
9½~12½ |
| स्टेनलेस |
RF2060S-1B□T-SS-H~ |
9½~12½ |
| लॉक स्प्रोकेट S प्रकार |
इस्पात |
RF2060S-1B□T-S○○○○● |
9½~12½ |
|
 |
TORP/TOSP
|
TO, TORP/TOSP |
76.2 |
11, 31 |

|
TOR・TORP
| मॉडल संख्या |
दांतों की संख्या |
प्रभावी दांतों की संख्या |
पिच सर्कल व्यास मिमी |
पायलट बोर मिमी |
अधिकतम शाफ्ट छेद व्यास मिमी |
प्रकार |
| TOR1100T |
11 |
11 |
270.47 |
Φ23 |
Φ45 |
एकीकृत प्रकार |
TOS・TOSP
| मॉडल संख्या |
दांतों की संख्या |
प्रभावी दांतों की संख्या |
पिच सर्कल व्यास मिमी |
पायलट बोर मिमी |
अधिकतम शाफ्ट छेद व्यास मिमी |
प्रकार |
| TOS1013T |
31 |
10⅓ |
254.59 |
Φ23 |
Φ45 |
एकीकृत प्रकार |
|
 |
ST
|
ST-NP, ST-SS |
9.525, 12.70, 15.875 |
10~ |

|
| मॉडल संख्या |
दांतों की संख्या |
पिच सर्कल व्यास मिमी |
पायलट बोर मिमी |
अधिकतम शाफ्ट छेद व्यास मिमी |
प्रकार |
| RS35-1B■TQ-R |
13~21 |
39.80~63.91 |
Φ9.5, Φ12.7 |
Φ12~Φ30 |
एकीकृत प्रकार |
| RS40-1B■TQ-R |
10~22 |
41.10~89.24 |
Φ9.5, Φ12.7 |
Φ12~Φ47 |
| RS50-1B■TQ-R |
10~18 |
51.37~91.42 |
Φ9.5, Φ12.7 |
Φ16~Φ46 |
उपरोक्त तालिका में दर्शाए गए दांतों की संख्या से अधिक दांतों का उपयोग आरएस बी-प्रकार के स्प्रोकेट के साथ किया जा सकता है। यही बात स्टेनलेस स्टील के विनिर्देशों पर भी लागू होती है।
|
 |
RT
|
RT-SS, ST-NP, ST-SS |
9.525, 12.70, 15.875, 19.05 |
13~ |

|
| मॉडल संख्या |
दांतों की संख्या |
पिच सर्कल व्यास मिमी |
पायलट बोर मिमी |
अधिकतम शाफ्ट छेद व्यास मिमी |
प्रकार |
| RS35-1B□TQ-R |
14~21 |
42.81~63.91 |
Φ9.5, Φ12.7 |
Φ15~Φ30 |
एकीकृत प्रकार |
| RS40-1B□TQ-R |
13~22 |
53.07~89.24 |
Φ12.7 |
Φ20~Φ47 |
| RS50-1B□TQ-R |
14~18 |
71.34~91.42 |
Φ12.7 |
Φ31~Φ46 |
उपरोक्त तालिका में दर्शाए गए दांतों की संख्या से अधिक दांतों का उपयोग आरएस बी-प्रकार के स्प्रोकेट के साथ किया जा सकता है। RT600 मॉडल का उपयोग RS स्प्रोकेट B टाइप 12T या उससे बड़े के साथ किया जा सकता है। यही बात स्टेनलेस स्टील के विनिर्देशों पर भी लागू होती है।
|