जल स्क्रीन के लिए डब्ल्यूएसी प्रकार

- ताप विद्युत संयंत्रों आदि के जल अंतर्ग्रहण पर स्वचालित धूल हटाने वाली मशीनों के लिए चेन।
- पिन, बुशिंग और रोलर्स स्टेनलेस स्टील 400 श्रृंखला से बने हैं, और सभी टेम्पर्ड हैं।
- यह समुद्री जल और हवा के बीच पारस्परिक गति के लिए आवश्यक उत्कृष्ट संक्षारण प्रतिरोध और घर्षण प्रतिरोध प्रदान करता है।
- इसके अलावा, रोलर के आंतरिक व्यास के लिए असर सामग्री के रूप में एक विशेष राल का उपयोग किया जाता है, और समुद्री जल का उपयोग स्नेहक के रूप में किया जाता है (ग्रीस की आवश्यकता नहीं होती), जिससे रखरखाव आसान हो जाता है।
कैटलॉग और निर्देश पुस्तिका
उत्पादों की सूची
※विस्तृत जानकारी प्रदर्शित करने के लिए क्लिक करें
* अधिकतम अनुमेय भार हमारे डिज़ाइन मानकों के आधार पर परिकलित एक मान है, और यह परिकलित शक्ति है। जब तक अन्यथा निर्दिष्ट न किया गया हो, बड़े आकार की कन्वेयर चेन चुनते समय अधिकतम अनुमेय भार उपयोग किया जाता है।
यह मूल्य निर्माता के आधार पर भिन्न होता है और यह गारंटीकृत मूल्य नहीं है।
*औसत तन्य शक्ति के लिए कृपया हमसे संपर्क करें।
| आकार | रोलर प्रकार |
आवाज़ का उतार-चढ़ाव | लौरा बहरी घेरा |
आंतरिक लिंक आंतरिक चौड़ाई |
|---|---|---|---|---|
| 610mm | Φmm | mm | ||
| WAC25610 | R | WAC25610 | 100 | 50 |
| WAC32610 | R | WAC32610 | 100 | 50 |
| WAC45610 | R | WAC45610 | 100 | 50 |
| WAC55610 | R | WAC55610 | 100 | 50 |
| WAC65610 | R | WAC65610 | 110 | 50 |
| WAC75610 | R | WAC75610 | 110 | 66.7 |
| WAC100610 | R | WAC100610 | 130 | 66.7 |
| WAC120610 | R | WAC120610 | 150 | 70 |
स्क्रैपर के लिए परिधीय भाग
■एफ-प्रकार की उड़ान
- विशिष्ट गुरुत्व: 1.9
- द्रव्यमान: 2.4 किग्रा/मी
- सामग्री: एफआरपी
- उपस्थिति रंग: नीला
[मॉडल नंबर प्रदर्शन का उदाहरण]
| एसी-एफएल (ए आयाम)-(बी आयाम)-(सी आयाम)-(डी आयाम) |
- नोट: 1. फ्लाइट ऑर्डर करते समय, कृपया मॉडल नंबर (A, B, C, D आयाम मिमी में) सहित एक कोटेशन प्रदान करें। चेन के SF4 अटैचमेंट, डिस्टेंस ब्लॉक, फ्लाइट और प्रेशर प्लेट, साथ ही फ्लाइट और शूज़ को स्टेनलेस स्टील 300 सीरीज़ बोल्ट, नट, फ्लैट वॉशर, स्प्रिंग वॉशर आदि का उपयोग करके जोड़ें।
(उड़ान में जूते या दूरी ब्लॉक शामिल नहीं हैं) - 2. यदि न्यूनतम ऑर्डर मात्रा 100 मीटर से कम है, तो कृपया हमसे संपर्क करें।
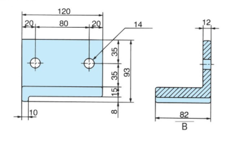
■जूता
डबल-ब्रिम्ड
- विशिष्ट गुरुत्व: 1.14
- द्रव्यमान: 260 ग्राम
(चौड़ाई 70 मिमी के लिए) - सामग्री: राल
- उपस्थिति रंग: काला
[मॉडल नंबर प्रदर्शन का उदाहरण]
| AC | - | FL-SH | D | 82 |
| | जूता |
| डबल-ब्रिम्ड |
| एक भाग के आयाम |
- *60 और 50 मिमी की उड़ान चौड़ाई के लिए भी उपलब्ध। अन्य आयाम ऊपर दिए गए आयामों के समान ही हैं।
एकल निकला हुआ किनारा प्रकार
- विशिष्ट गुरुत्व: 1.17
- द्रव्यमान: 290 ग्राम
- सामग्री: पॉलीयूरेथेन
- उपस्थिति रंग: काला
[मॉडल नंबर प्रदर्शन का उदाहरण]
| AC | - | FL-SH | S | 82 |
| | जूता |
| एकल निकला हुआ किनारा प्रकार |
| बी अनुभाग आयाम |
- नोट: हम अन्य आयामों के प्लास्टिक जूते भी बना सकते हैं, इसलिए कृपया विवरण के लिए हमसे संपर्क करें।
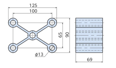
■दूरी ब्लॉक
- विशिष्ट गुरुत्व: 1.4
- द्रव्यमान: 240 ग्राम
- सामग्री: राल
- उपस्थिति रंग: काला
[मॉडल नंबर प्रदर्शन का उदाहरण]
| AC | - | FL-DIS |
| | दूरी ब्लॉक |
- नोट: सूचीबद्ध आयाम नाममात्र आयाम हैं और वास्तविक आयामों से भिन्न हो सकते हैं।
