बी बी सीरीज

- बेयरिंग (6200 श्रृंखला) और कैम क्लच एकीकृत हैं।
- बेयरिंग (6200 सीरीज़) में एक अंतर्निर्मित कैम क्लच है। वातावरण को बेहतर बनाने के लिए, हम ऑयल सील वाले बेयरिंग की एक श्रृंखला भी प्रदान करते हैं।
- इसका उपयोग निम्न से लेकर उच्च गति की एक विस्तृत श्रृंखला में किया जा सकता है, तथा यह छोटे, हल्के भार वाले अनुप्रयोगों के लिए उपयुक्त है।
- トルク範囲:29~260N・m
विशेषताएँ
- ·संक्षिप्त परिरूप
यह एक छोटी सी जगह में एक-तरफ़ा क्लच और बेयरिंग के कार्यों को संयोजित करता है, जिससे स्थान का प्रभावी उपयोग संभव हो पाता है। - ・स्थापित करने में आसान
शाफ्ट या आवास पर दो प्रकार की माउंटिंग उपलब्ध हैं: दबाकर फिट करना और कुंजी-फिक्स्ड। - ・बढ़ी हुई टॉर्क क्षमता
बाहरी रेस के बीच कई कैम की व्यवस्था करके, शेल-प्रकार के रोलर क्लच की तुलना में अधिक टॉर्क संचारित करना संभव है। - ・सभी उत्पाद स्टॉक में हैं और तत्काल डिलीवरी के लिए तैयार हैं
हम तेल सील के साथ उत्पादों की एक श्रृंखला भी पेश करते हैं, जिसमें उस वातावरण को ध्यान में रखा जाता है जिसमें उनका उपयोग किया जाएगा।
संरचना
・बीबी प्रकार
यह मूल प्रकार है। 6200 श्रृंखला बॉल बेयरिंग में एक कैम क्लच बनाया गया है। दबाकर फिट करना संचारित करने के लिए बाहरी रेस प्रेस-फिट हैं।
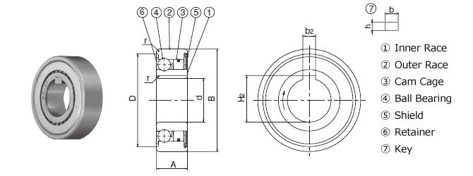
・BB श्रृंखला 1K-K प्रकार (आंतरिक रेस कीवे के साथ)
यह एक BB प्रकार का है जिसमें आंतरिक रेस पर एक कुंजी-मार्ग है। बाहरी रेस दबाकर फिट करना द्वारा टॉर्क संचारित करती है। इसमें एक कुंजी भी शामिल है।
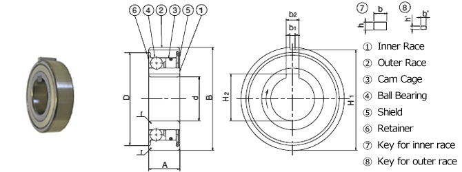
・BB श्रृंखला 2K-K प्रकार (आंतरिक और बाहरी रेस कुंजीवे के साथ)
यह एक बीबी प्रकार का है जिसमें आंतरिक और बाहरी रेस पर कीवे हैं। आवास और शाफ्ट पर इसे एक कुंजी से जोड़ा जाता है। कुंजी शामिल है।
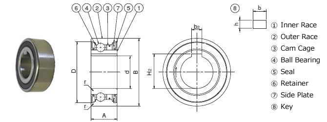
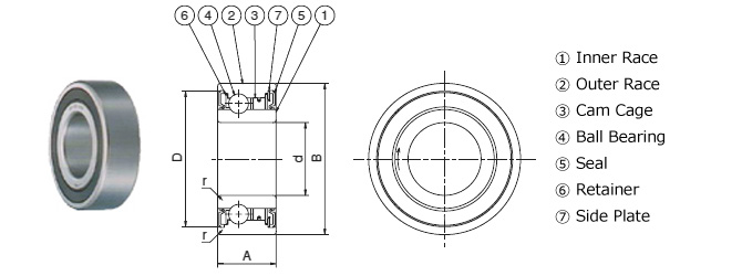
・बीबी श्रृंखला 2GD प्रकार (दोनों तरफ रबर संपर्क सील के साथ)
यह एक BB प्रकार का है जिसके दोनों ओर रबर सील लगी हैं। बाहरी रेस दबाकर फिट करना द्वारा टॉर्क संचारित करते हैं। इसकी चौड़ाई BB प्रकार से 5 मिमी अधिक है।
・बीबी श्रृंखला 2GD1K-K प्रकार (दोनों तरफ रबर संपर्क सील और आंतरिक रेस रिंग कीवे के साथ)
यह BB-2GD प्रकार का है जिसमें आंतरिक रेस पर एक कुंजी-मार्ग है। बाहरी रेस दबाकर फिट करना द्वारा टॉर्क संचारित करती है। इसमें एक कुंजी भी शामिल है।
मॉडल संख्या प्रदर्शन उदाहरण
| BB30 | - | 1K | - | K | |
| | आकार |
| 1K: आंतरिक रेस कुंजी खांचे के साथ 2K: कुंजी खांचे के साथ आंतरिक और बाहरी रेस |
| कुंजी शामिल |
|||
| (यदि कोई कुंजी-मार्ग नहीं है, तो "1K-K" और "2K-K" रिक्त हैं) | |||||
| BB30 | - | 2GD | 1K | - | K |
| | आकार |
| दोनों तरफ रबर संपर्क सील |
| आंतरिक रेस कुंजी नाली के साथ |
| कुंजी शामिल |
||
| (यदि कोई कुंजी मार्ग नहीं है, तो "1K-K" को रिक्त छोड़ दें) | |||||
कैटलॉग और निर्देश पुस्तिका
उत्पाद मॉडल संख्या सूची
*विस्तृत जानकारी प्रदर्शित करने के लिए मॉडल नंबर पर क्लिक करें।
| 2GD1K-K प्रकार |
|---|
| BB15-2GD1K-K |
| BB17-2GD1K-K |
| BB20-2GD1K-K |
| BB25-2GD1K-K |
| BB30-2GD1K-K |
| BB35-2GD1K-K |
| BB40-2GD1K-K |
