फिटबोआ ऑर्डर पर निर्मित

- शाफ्ट छेद, कुंजी मार्ग, टैप किए गए छेद और सतह उपचार के लिए मानकीकृत मशीनिंग विनिर्देश।
ग्राहक को कोई अतिरिक्त कार्य करने की आवश्यकता नहीं होती तथा इसका उपयोग तुरन्त किया जा सकता है। - *स्मार्ट: प्रसंस्करण विनिर्देश कोडित हैं।
- *सुचारू: ग्राहकों को ऑर्डर देते समय प्रसंस्करण चित्र बनाने की आवश्यकता नहीं होती है, और चित्रांकन डेटा भी उपलब्ध होता है।
- *शीघ्र: आते ही उपयोग के लिए तैयार।

विशेषताएँ
- * इन पुली में शाफ्ट होल, कीज़, टैप और सरफेस ट्रीटमेंट के लिए मानकीकृत मशीनिंग विनिर्देश होते हैं, जिससे इन्हें केवल पार्ट नंबर का उपयोग करके ऑर्डर किया जा सकता है।
- *यह P3M (केवल एल्युमीनियम सामग्री), P5M, P8M और P14M में उपलब्ध है।
- * आप फ़िट बोर्स ड्राइंग लाइब्रेरी से ड्राइंग में विनिर्देशों की जांच कर सकते हैं।
प्रसंस्करण सामग्री और आउटपुट चित्र चुनने के लिए यहां क्लिक करें
प्रसंस्करण विनिर्देश
शाफ्ट छेद प्रसंस्करण

| शाफ्ट छेद सहिष्णुता | शाफ्ट छेद व्यास | चम्फर राशि |
|---|---|---|
|
|
|
- प्रसंस्करण आयाम 1 मिमी वृद्धि में हैं (इंच आयाम शामिल नहीं हैं)
- त्सुबाकी का मानक चैम्फर 0.5 मिमी है
कीवे मशीनिंग

| कीवे सहिष्णुता | कीवे चौड़ाई |
|---|---|
|
|
- आयाम JIS अनुरूप हैं
- "W00" का अर्थ है कोई कुंजी मार्ग नहीं
दोहन

| टैप की संख्या और स्थान | नल का आकार |
|---|---|
|
|
- नल का आकार शाफ्ट छेद व्यास के अनुरूप होता है
- कोई टैप "D0M00" नहीं है
सतह का उपचार
- कोई चिह्न नहीं: कोई नहीं
- K: इलेक्ट्रोलेस निकल-फॉस्फोरस चढ़ाना
- *यदि कोई सतही उपचार नहीं है, तो शेष पाठ रिक्त होगा।
- [नोट] अतिरिक्त प्रसंस्करण भागों पर प्लेटिंग नहीं की जाएगी।
मॉडल संख्या प्रदर्शन उदाहरण
| PT30P5M15AF | -A | - | H | 020 | N | - | J | 06 | D3 | M06 | |
| | पुली बॉडी मॉडल नंबर |
| | | | | |
| | | |
| शाफ्ट छेद व्यास मिमी |
| | | | | |
| | | |
| कीवे चौड़ाई मिमी |
| | | |
| नल का आकार |
|||
| शाफ्ट छेद सहिष्णुता |
कीवे सहिष्णुता |
टैप होल प्रसंस्करण विनिर्देश |
|||||||||
| सामग्री -A: एल्यूमीनियम मिश्र धातु कोई नहीं: यांत्रिक संरचनाओं के लिए कार्बन स्टील |
शाफ्ट छेद चम्फर | ||||||||||
सावधानियां
- *कुंजी खांचे और नल JIS अनुरूप आकार के हैं। कृपया अपने खाते से जाँच करें कि क्या वे आपकी उपयोग की शर्तों के लिए उपयुक्त हैं। या अधिक जानकारी के लिए हमसे संपर्क करें।
प्रसंस्करण सामग्री और आउटपुट चित्र चुनने के लिए यहां क्लिक करें
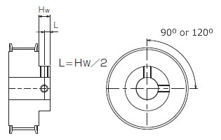
प्रसंस्करण विनिर्देश (नल प्रसंस्करण स्थिति)
AF प्रकार
बीएफ प्रकार
- *एएफ प्रकार के लिए, दूसरे स्थान पर टैपिंग कोण एक अनुमानित मान है (पुली दांत की जड़ पर मशीनिंग के कारण)।
- *यदि टैपिंग की लंबाई अधिक है, तो काउंटरबोर छेद मशीन द्वारा बनाया जा सकता है।
- *टैप किए गए विनिर्देशों के लिए, प्रत्येक टैप किए गए छेद में एक सेट स्क्रू लगाया जाता है।
स्क्रू विनिर्देश सेट करें
- हेक्सागोनल सॉकेट, धंसे हुए टिप प्रकार, स्टील से बना।
- यदि बॉडी प्लेटेड है, तो एक स्टेनलेस स्टील सेट स्क्रू स्थापित किया जाता है।
