हाइपॉइड गियर हेड HMTK

- सर्वो अनुप्रयोगों के लिए सामान्य प्रयोजन वाले गियर हेड जो उच्च आर्थिक दक्षता और कम लीड-टाइम प्राप्त करते हैं।
- हाइपॉइड गियरहेड एचएमटीके एक उच्च दक्षता वाला प्रकार है जिसमें समकोण शाफ़्ट है।
- आउटपुट शाफ्ट: खोखला/ठोस
- संगत सर्वो मोटर्स: 0.2 से 5.0kW
- कमी अनुपात: 1/5 से 1/200
चयन उपकरणों के साथ संगत सर्वो मोटर
| उत्पादक | मॉडल उदाहरण |
|---|---|
| ओमरोन | R88M-K और अन्य |
| ओरिएंटल मोटर | KXR |
| कीन्स | SV2, SV और अन्य |
| तमागावा सेकी | टीएस46 और अन्य |
| PANASONIC | एमएसएम एट अल. |
| मित्सुबिशी इलेक्ट्रिक | हांगकांग-केटी, एचजी-एसआर, आदि। |
| यास्कावा इलेक्ट्रिक | एसजीएम7 और अन्य |
विशेषताएँ
-
अर्थव्यवस्था
हमने सर्वो अनुप्रयोगों के लिए सामान्य प्रयोजन वाले गियरहेड को अनुकूलित किया है, जिससे हम उत्पादों को किफायती और कम वितरण में वितरित कर सकते हैं।
-
-उच्च दक्षता
वर्म गियर की तुलना में, इसमें फिसलन कम होती है और यह अधिक कुशल है। समान आउटपुट के लिए यह कम बिजली की खपत करता है।
-
・कॉम्पैक्ट और जगह बचाने वाला
कम ऊँचाई वाला कॉम्पैक्ट बॉडी, लचीले इंस्टॉलेशन और माउंटिंग की सुविधा देता है। इंस्टॉलेशन कोण पर कोई प्रतिबंध नहीं है, चाहे वह क्षैतिज, लंबवत या झुका हुआ हो।
-
・आउटपुट शाफ्ट बैकलैश (अनुमानित मान)
इकाई: मिनट कमी अनुपात 5~10 15~100 120~200 कोण 60 30 20 *यह कोई गारंटीकृत मूल्य नहीं है।
माउंटिंग प्रकार/अक्ष व्यवस्था
| H | US | UT |
|---|---|---|
|
|
|
- [माउन्टिंग का प्रकार]
- H: खोखले शाफ्ट प्रकार
- यूएस: फेस माउंट प्रकार, एकल आउटपुट शाफ्ट
- UT: फेस माउंट प्रकार, डबल आउटपुट शाफ्ट
- एल: पैर पर लगाने योग्य प्रकार *कृपया हमसे संपर्क करें।
- [आउटपुट शाफ्ट रोटेशन दिशा]
- इनपुट शाफ्ट की ओर दक्षिणावर्त घूमते समय, थ्रू-होल की ओर की सतह से देखा जाता है
- दो-चरण प्रकार: बायाँ घुमाव
- 3-चरण प्रकार: दायां घुमाव
कैटलॉग और निर्देश पुस्तिका
मॉडल संख्या प्रदर्शन उदाहरण
| HMTK | 0428 | U | 20 | S | - | □□□C |
| | प्रकार |
| आकार |
| माउन्टिंग का प्रकार |
| कमी अनुपात |
| अक्ष व्यवस्था |
| माउंट कोड |
|
| U: फेस माउंट प्रकार H: खोखला आउटपुट शाफ्ट |
S: एक तरफ आउटपुट शाफ्ट (सामने की तरफ) (केवल फेस माउंट प्रकार) टी: दोनों तरफ आउटपुट शाफ्ट (केवल फेस माउंट प्रकार) कोई प्रतीक नहीं: खोखला शाफ्ट प्रकार |
(क्लैंप प्रकार) |
| HMTK | 3750 | U | 60 | S | - | L1RJ |
| | प्रकार |
| आकार |
| माउन्टिंग का प्रकार |
| कमी अनुपात |
| अक्ष व्यवस्था |
| माउंट कोड * |
|
| U: फेस माउंट प्रकार H: खोखला आउटपुट शाफ्ट |
S: एक तरफ आउटपुट शाफ्ट (सामने की तरफ) (केवल फेस माउंट प्रकार) टी: दोनों तरफ आउटपुट शाफ्ट (केवल फेस माउंट प्रकार) कोई प्रतीक नहीं: खोखला शाफ्ट प्रकार |
(कीवे प्रकार) |
■ त्सुबाकी मॉडल नंबर नेविगेशन
नाम टाइप करें
एचएमटीके: हाइपोइड गियर का उपयोग करते हुए समकोण शाफ़्ट प्रकार।
जीएमटीके: एक समानांतर शाफ्ट प्रकार जो हेलिकल गियर का उपयोग करता है।
आकार
रेटेड इनपुट क्षमता को इंगित करता है.
फ़्रेम नं.
यह रेड्यूसर के आकार को दर्शाता है। अधिकांश मॉडलों के लिए, यह आउटपुट शाफ्ट व्यास के समान मान होता है।
यह मोटर क्षमता और कमी अनुपात से स्वचालित रूप से निर्धारित होता है।
माउन्टिंग का प्रकार
एल: पैर पर लगे प्रकार।
यू: फेस-माउंटेड प्रकार.
एफ: फ्लैंज माउंटिंग प्रकार।
फेस माउंट या फ्लैंज माउंट?
यह स्वचालित रूप से फ्रेम संख्या द्वारा निर्धारित होता है।
कमी अनुपात
कमी अनुपात को दर्शाता है.
रेंज डिवीजन फ्रेम संख्या से मेल खाता है।
अक्ष व्यवस्था
HMTK प्रकार के लिए
कोई प्रतीक नहीं: यदि माउंटिंग प्रारूप खोखला शाफ्ट प्रकार (H) है, तो शाफ्ट व्यवस्था प्रतीक की आवश्यकता नहीं है।
एस: जब माउंटिंग प्रारूप फेस माउंट (यू) होता है, तो ठोस आउटपुट शाफ्ट माउंटिंग सतह की ओर निकलता है।
टी: दोनों तरफ ठोस आउटपुट शाफ्ट वाला प्रकार।
GMTK प्रकार के लिए
कोई प्रतीक नहीं: शाफ्ट व्यवस्था प्रतीक की आवश्यकता नहीं है।
माउंट कोड
उस माउंट कोड को निर्दिष्ट करें जो आपके द्वारा स्थापित की जा रही मोटर से मेल खाता हो।
उत्पादों की सूची
*विस्तृत जानकारी देखने के लिए मॉडल नंबर पर क्लिक करें। सभी खोलेंसभी बंद करें
रेटेड इनपुट 0.2kW (मॉडल संख्या HMTK02~)
रेटेड इनपुट 0.4kW (मॉडल संख्या HMTK04~)
| माउंट कोड | कमी अनुपात | खोखले शाफ्ट प्रकार | फेस माउंट प्रकार | |
|---|---|---|---|---|
|
निचला मोटर माउंट |
1/5 | HMTK0430H5 | HMTK0428U5S | HMTK0428U5T |
| 1/10 | HMTK0430H10 | HMTK0428U10S | HMTK0428U10T | |
| 1/15 | HMTK0430H15 | HMTK0428U15S | HMTK0428U15T | |
| 1/20 | HMTK0430H20 | HMTK0428U20S | HMTK0428U20T | |
| 1/25 | HMTK0430H25 | HMTK0428U25S | HMTK0428U25T | |
| 1/30 | HMTK0430H30 | HMTK0428U30S | HMTK0428U30T | |
| 1/40 | HMTK0430H40 | HMTK0428U40S | HMTK0428U40T | |
| 1/50 | HMTK0430H50 | HMTK0428U50S | HMTK0428U50T | |
| 1/60 | HMTK0435H60 | HMTK0438U60S | HMTK0438U60T | |
| 1/80 | HMTK0435H80 | HMTK0438U80S | HMTK0438U80T | |
| 1/100 | HMTK0435H100 | HMTK0438U100S | HMTK0438U100T | |
| 1/120 | HMTK0435H120 | HMTK0438U120S | HMTK0438U120T | |
| 1/160 | HMTK0435H160 | HMTK0438U160S | HMTK0438U160T | |
| 1/200 | HMTK0435H200 | HMTK0438U200S | HMTK0438U200T | |
रेटेड इनपुट 0.75kW (मॉडल संख्या HMTK07~)
| माउंट कोड | कमी अनुपात | खोखले शाफ्ट प्रकार | फेस माउंट प्रकार | |
|---|---|---|---|---|
|
निचला मोटर माउंट |
1/5 | HMTK0735H5 | HMTK0738U5S | HMTK0738U5T |
| 1/10 | HMTK0735H10 | HMTK0738U10S | HMTK0738U10T | |
| 1/15 | HMTK0735H15 | HMTK0738U15S | HMTK0738U15T | |
| 1/20 | HMTK0735H20 | HMTK0738U20S | HMTK0738U20T | |
| 1/25 | HMTK0735H25 | HMTK0738U25S | HMTK0738U25T | |
| 1/30 | HMTK0735H30 | HMTK0738U30S | HMTK0738U30T | |
| 1/40 | HMTK0735H40 | HMTK0738U40S | HMTK0738U40T | |
| 1/50 | HMTK0735H50 | HMTK0738U50S | HMTK0738U50T | |
| 1/60 | HMTK0745H60 | HMTK0742U60S | HMTK0742U60T | |
| 1/80 | HMTK0745H80 | HMTK0742U80S | HMTK0742U80T | |
| 1/100 | HMTK0745H100 | HMTK0742U100S | HMTK0742U100T | |
| 1/120 | HMTK0745H120 | HMTK0742U120S | HMTK0742U120T | |
| 1/160 | HMTK0745H160 | HMTK0742U160S | HMTK0742U160T | |
| 1/200 | HMTK0745H200 | HMTK0742U200S | HMTK0742U200T | |
रेटेड इनपुट 1.5kW (मॉडल संख्या HMTK15~)
| माउंट कोड | कमी अनुपात | खोखले शाफ्ट प्रकार | फेस माउंट प्रकार | |
|---|---|---|---|---|
|
निचला मोटर माउंट |
1/5 | HMTK1545H5 | HMTK1542U5S | HMTK1542U5T |
| 1/10 | HMTK1545H10 | HMTK1542U10S | HMTK1542U10T | |
| 1/15 | HMTK1545H15 | HMTK1542U15S | HMTK1542U15T | |
| 1/20 | HMTK1545H20 | HMTK1542U20S | HMTK1542U20T | |
| 1/25 | HMTK1545H25 | HMTK1542U25S | HMTK1542U25T | |
| 1/30 | HMTK1545H30 | HMTK1542U30S | HMTK1542U30T | |
| 1/40 | HMTK1545H40 | HMTK1542U40S | HMTK1542U40T | |
| 1/50 | HMTK1545H50 | HMTK1542U50S | HMTK1542U50T | |
| 1/60 | HMTK1545H60 | HMTK1542U60S | HMTK1542U60T | |
| 1/80 | HMTK1545H80 | HMTK1542U80S | HMTK1542U80T | |
| 1/100 | HMTK1555H100 | HMTK1550U100S | HMTK1550U100T | |
| 1/120 | HMTK1555H120 | HMTK1550U120S | HMTK1550U120T | |
| 1/160 | HMTK1555H160 | HMTK1550U160S | HMTK1550U160T | |
| 1/200 | HMTK1555H200 | HMTK1550U200S | HMTK1550U200T | |
रेटेड इनपुट 2.2kW (मॉडल संख्या HMTK22~)
| माउंट कोड | कमी अनुपात | खोखले शाफ्ट प्रकार | फेस माउंट प्रकार | |
|---|---|---|---|---|
|
निचला मोटर माउंट |
1/5 | HMTK2245H5 | HMTK2242U5S | HMTK2242U5T |
| 1/10 | HMTK2245H10 | HMTK2242U10S | HMTK2242U10T | |
| 1/15 | HMTK2245H15 | HMTK2242U15S | HMTK2242U15T | |
| 1/20 | HMTK2245H20 | HMTK2242U20S | HMTK2242U20T | |
| 1/25 | HMTK2245H25 | HMTK2242U25S | HMTK2242U25T | |
| 1/30 | HMTK2245H30 | HMTK2242U30S | HMTK2242U30T | |
| 1/40 | HMTK2245H40 | HMTK2242U40S | HMTK2242U40T | |
| 1/50 | HMTK2245H50 | HMTK2242U50S | HMTK2242U50T | |
| 1/60 | HMTK2245H60 | HMTK2242U60S | HMTK2242U60T | |
| 1/80 | HMTK2255H80 | HMTK2250U80S | HMTK2250U80T | |
| 1/100 | HMTK2255H100 | HMTK2250U100S | HMTK2250U100T | |
| 1/120 | HMTK2255H120 | HMTK2250U120S | HMTK2250U120T | |
रेटेड इनपुट 3.7kW (मॉडल संख्या HMTK37~)
| माउंट कोड | कमी अनुपात | खोखले शाफ्ट प्रकार | फेस माउंट प्रकार | |
|---|---|---|---|---|
| 1/5 | HMTK3755H5 | HMTK3750U5S | HMTK3750U5T | |
| 1/10 | HMTK3755H10 | HMTK3750U10S | HMTK3750U10T | |
| 1/15 | HMTK3755H15 | HMTK3750U15S | HMTK3750U15T | |
| 1/20 | HMTK3755H20 | HMTK3750U20S | HMTK3750U20T | |
| 1/25 | HMTK3755H25 | HMTK3750U25S | HMTK3750U25T | |
| 1/30 | HMTK3755H30 | HMTK3750U30S | HMTK3750U30T | |
| 1/40 | HMTK3755H40 | HMTK3750U40S | HMTK3750U40T | |
| 1/50 | HMTK3755H50 | HMTK3750U50S | HMTK3750U50T | |
| 1/60 | HMTK3755H60 | HMTK3750U60S | HMTK3750U60T | |
रेटेड इनपुट 5.5kW (मॉडल संख्या HMTK55~)
| माउंट कोड | कमी अनुपात | खोखले शाफ्ट प्रकार | फेस माउंट प्रकार | |
|---|---|---|---|---|
| 1/5 | HMTK5555H5 | HMTK5550U5S | HMTK5550U5T | |
| 1/10 | HMTK5555H10 | HMTK5550U10S | HMTK5550U10T | |
| 1/15 | HMTK5555H15 | HMTK5550U15S | HMTK5550U15T | |
| 1/20 | HMTK5555H20 | HMTK5550U20S | HMTK5550U20T | |
| 1/25 | HMTK5555H25 | HMTK5550U25S | HMTK5550U25T | |
| 1/30 | HMTK5555H30 | HMTK5550U30S | HMTK5550U30T | |
| 1/40 | HMTK5555H40 | HMTK5550U40S | HMTK5550U40T | |
मोटर माउंट आयाम आरेख
0.2kW~2kW
इकाई: मिमी
| आकार | माउंट कोड मोटर निर्माता द्वारा संगतता सूची |
मोटर माउंट आयाम | |||||||
|---|---|---|---|---|---|---|---|---|---|
| AD | MA | MB | MC | MD | ML(min) | MS | MT | ||
| HMTK0220H HMTK0222U |
E4DC | 50 | □60 | Φ50G7 | M5 गहराई 12 (PCD70) | 5 | 30(25) | Φ8 | M4 |
| E4HC | Φ14 | ||||||||
| HMTK0230H HMTK0228U |
E4DC | 54 | □60 | Φ50G7 | M5 गहराई 12 (PCD70) | 5 | 30(25) | Φ8 | M4 |
| E4EC | Φ9 | ||||||||
| E4HC | Φ14 | ||||||||
| G2HC | □80 | Φ70G7 | M6 गहराई 10 (PCD90) | ||||||
| HMTK04 | E4HC | 54 | □60 | Φ50G7 | M5 गहराई 12 (PCD70) | 5 | 30(25) | Φ14 | M4 |
| G2HC | □80 | Φ70G7 | M6 गहराई 10 (PCD90) | ||||||
| HMTK07 | G5KC | 63 | □80 | Φ70G7 | M6 गहराई 15 (PCD90) | 5 | 40(30) | Φ16 | M5 |
| G5LC | Φ19 | ||||||||
| K2KC | □130 | Φ110G7 | M8 गहराई 13 (PCD145) | Φ16 | |||||
| K2LC | Φ19 | ||||||||
| K3YC | 81 | M8 गहराई 16 (PCD145) | 8 | 58(40) | Φ24 | ||||
| HMTK15 | K3LC | 77 | □130 | Φ110G7 | M8 गहराई 16 (PCD145) | 8 | 58(40) | Φ19 | M5 |
| K3MC | Φ22 | ||||||||
| K3YC | Φ24 | ||||||||
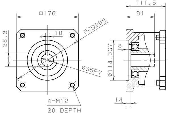
| HMTK22 | L1PC | 121 | □180 | Φ114.3G7 | M12 गहराई 16 (PCD200) | 8 | 80(55) | Φ28 | M6 |
| L1RC | Φ35 | ||||||||
3.5kW, 5kW
आकार: HMTK3755H, HMTK3750U, HMTK5555H, HMTK5550U
माउंट कोड: L1RJ
विकल्प
शाफ्ट अंत कवर
खोखले शाफ्ट प्रकारों के लिए, माउंटिंग साइड के विपरीत खोखले शाफ्ट के सिरे पर लगाने के लिए एक कवर उपलब्ध है। यह एडेप्टर और डबल शाफ्ट प्रकारों के साथ भी संगत है।
(सामग्री: पॉलीप्रोपाइलीन रेज़िन, हरा)
・寸法(単位:mm)、PDF図面、標準価格・納期
| मॉडल संख्या | लागू क्षमता, गति अनुपात | पीडीएफ चित्र | 標準価格 | डिलीवरी |
|---|---|---|---|---|
| HM70CAP | HMTK0220H5~60 | पीडीएफ मानक और बिना चाबी वाले विनिर्देश | お問合せください | お問合せください |
| HM90CAP | HMTK0230H5~200 HMTK0430H5~35H200 HMTK0735H5~45H200 HMTK1545H5~80 HMTK2245H5~60 |
पीडीएफ मानक विनिर्देशों के लिए | お問合せください | お問合せください |
| HM140CAP | HMTK1555H100~200 HMTK2255H80~120 HMTK3755H5~60 HMTK5555H5~40 |
पीडीएफ मानक विनिर्देशों के लिए | お問合せください | お問合せください |
| HM90CAP-PL | HMTK0230H5~200 HMTK0430H5~35H200 HMTK0735H5~45H200 HMTK1545H5~80 HMTK2245H5~60 |
पीडीएफ मानक और बिना चाबी वाले विनिर्देश | お問合せください | お問合せください |
टोर्क आर्म
- खोखले शाफ्ट प्रकारों के लिए, शाफ्ट पर माउंटिंग के लिए टॉर्क आर्म उपलब्ध हैं। यह एडेप्टर और डबल-शाफ्ट प्रकारों के साथ भी संगत है। (सामग्री: SS400)

इसे रिड्यूसर की स्थापना स्थिति के आधार पर किसी भी स्थिति में स्थापित किया जा सकता है।
・寸法(単位:mm)、PDF図面、標準価格・納期一覧
| मॉडल संख्या | लागू क्षमता, गति अनुपात | A | B | C | D | H | L | R1 | R2 | R3 | ΦZ1 | ΦZ2 | सिफारिश पेंच |
प्लेट की मोटाई टी |
पीडीएफ चित्र | 標準価格 | डिलीवरी |
|---|---|---|---|---|---|---|---|---|---|---|---|---|---|---|---|---|---|
| HM100TA | HMTK0220H5~60 | 100 | 62 | 38 | 70 | 82 | 126 | 9 | 11 | 37 | 9 | 11 | M10 | 4.5 | お問合せください | お問合せください | |
| HM150TA | HMTK0230H5~200 HMTK0430H5~50 |
150 | 103 | 47 | 88 | 129 | 157 | 11 | 15 | 47 | 11 | 13 | M12 | 6 | お問合せください | お問合せください | |
| HM200TA | HMTK0435H60~200 HMTK0735H5~50 |
200 | 142 | 58 | 106 | 171 | 188 | 12 | 17 | 47 | 13 | 17 | M16 | 6 | お問合せください | お問合せください | |
| HM250TA | HMTK0745H60~200 HMTK1545H5~80 HMTK2245H5~60 |
250 | 177 | 73 | 123 | 214 | 228 | 16 | 21 | ― | 17 | 21 | M20 | 9 | お問合せください | お問合せください | |
| HM350TA | HMTK1555H100~200 HMTK2255H80~120 HMTK3755H5~60 HMTK5555H5~40 |
350 | 245 | 105 | 182 | 293 | 331 | 22 | 26 | ― | 22 | 22 | M20 | 9 | お問合せください | お問合せください |
