प्रश्नोत्तर: बड़े आकार की कन्वेयर चेन

हमने अपने ग्राहकों द्वारा भेजे गए "अक्सर पूछे जाने वाले प्रश्न" को प्रश्नोत्तर प्रारूप में पोस्ट किया है। कृपया उत्तर पाने के लिए प्रश्न पर क्लिक करें।

बड़े आकार की कन्वेयर चेन

प्रश्नोत्तर में शब्दका

Q1 कन्वेयर श्रृंखला के प्रत्येक भाग के लिए सेवा सीमाएँ क्या हैं?
Q2 प्रवाह कन्वेयर श्रृंखला के पहनने के प्रतिरोध को कैसे सुधारा जा सकता है?
Q3 बेयरिंग रोलर कन्वेयर चेन किफायती क्यों है?
Q4 जब तापमान 400°C से अधिक हो जाए तो क्या सावधानियां बरतनी चाहिए?
Q5 कन्वेयर में झटके आने का क्या कारण है और इसके बारे में क्या किया जा सकता है?
Q6 कन्वेयर चेन का टेक-अप बल कितना निर्धारित किया जाना चाहिए?
Q7 श्रृंखला का मार्गदर्शन कैसे करें?

श्रृंखला परिधीय

Q8 कन्वेयर चेन लुब्रिकेटर (टीसीएल प्रकार) का जीवनकाल क्या है?
Q9 क्या कन्वेयर चेन लुब्रिकेटर (टीसीएल प्रकार) को झुके हुए कन्वेयर पर स्थापित किया जा सकता है?
उत्तर के लिए
Q1 कन्वेयर श्रृंखला के प्रत्येक भाग के लिए सेवा सीमाएँ क्या हैं?
A1

आम तौर पर, कन्वेयर चेन का जीवनकाल उसके हर हिस्से के घिसाव से तय होता है। कौन सा हिस्सा पहले अपनी उम्र के अंत तक पहुँचेगा, यह उसके इस्तेमाल पर निर्भर करता है।
प्रत्येक भाग की पहनने योग्य जीवन सीमाएँ इस प्रकार हैं:

  1. (1) आर रोलर और एफ रोलर

    सीमा तब होती है जब संपर्क सतह पर घिसाव और बुशिंग के साथ फिसलने वाले भाग के कारण प्लेट की निचली सतह रेल से संपर्क करने लगती है।

    इसके अलावा, यदि रेल का भाग घुमावदार है, तो घिसाव भत्ता S के समतुल्य आयाम से कम हो जाएगा, जैसा कि दाईं ओर चित्र में दिखाया गया है, इसलिए रेल के समतल होने की तुलना में और भी अधिक देखभाल की आवश्यकता होगी।

  2. (2) एस-रोलर

    सीमा तब होती है जब रोलर की मोटाई 60% तक कम हो जाती है और 40% शेष रह जाती है।

  3. (3) बुश

    सीमा तब होती है जब बुशिंग की मोटाई 60% तक कम हो जाती है और केवल 40% ही शेष रह जाती है।

  4. (4) प्लेट
    • प्लेटों के बीच घर्षण और रोलर के किनारों और प्लेट के अंदरूनी हिस्से के बीच संपर्क के कारण घिसाव होता है, जैसा कि नीचे दिए गए चित्र (बाएँ) में (A) और (B) में दिखाया गया है। जब घिसाव की मात्रा प्लेट की मोटाई के 1/3 से ज़्यादा हो जाती है, तो यह अपनी सीमा पर पहुँच जाती है।
    • जब प्लेट सीधे परिवहन किए जा रहे सामान या रेल पर फिसलती है, तो इसकी चौड़ाई में घिसाव होता है, जैसा कि नीचे दिए गए चित्र (दाएँ) में दिखाया गया है। घिसाव की सीमा तब पूरी होती है जब यह घिसाव प्लेट की चौड़ाई के 1/8 भाग तक पहुँच जाता है।

  5. (5) चेन घिसाव बढ़ाव

    चेन स्प्रोकेट से या रेल के मोड़ पर लगने पर मुड़ जाती है। इससे बुशिंग और पिनों के खिसकने से घिसाव होता है, जिससे चेन की लंबाई खिंच जाती है।

    इस उपयोग सीमा को उस बिंदु के रूप में परिभाषित किया जाता है जहाँ चेन संदर्भ लंबाई (पिच x कड़ियों की संख्या) के 2% तक लंबी हो जाती है। नीचे दिए गए चित्र में दिखाए अनुसार, यथासंभव अधिक से अधिक कड़ियाँ (कम से कम 4 कड़ियाँ) मापें। नीचे दी गई विधि A या B का उपयोग करके चेन की लंबाई मापें, और चेन की लंबाई बढ़ने की दर (%) निर्धारित करने के लिए इसकी तुलना संदर्भ लंबाई से करें।

    • (A) पिनों के केंद्र से केंद्र तक
    • (B) पिन के एक सिरे से दूसरे सिरे तक

प्रश्नों पर वापस जाएँ
Q2 प्रवाह कन्वेयर श्रृंखला के पहनने के प्रतिरोध को कैसे सुधारा जा सकता है?
A2

सीमेंट आदि के परिवहन के लिए उपयोग किए जाने वाले फ्लो कन्वेयर परंपरागत रूप से BT श्रृंखला की पेशकश करते हैं, जो बेहतर सामग्री और ताप उपचार के माध्यम से पिन, बुशिंग और रोलर्स के घिसाव प्रतिरोध को बढ़ाते हैं। हालांकि, फ्लाई ऐश (सीमेंट का एक कच्चा माल) जैसी अत्यधिक घर्षणकारी सामग्री के परिवहन के लिए और भी अधिक घिसाव प्रतिरोध की आवश्यकता होती है, और जून 2000 में, हमने फ्लाई ऐश के लिए एफए विनिर्देश फ्लो कन्वेयर चेन का व्यावसायीकरण किया।

यह बुशिंग और रोलर्स की बाहरी परिधि पर एक विशेष सख्त उपचार लागू करके प्राप्त किया जाता है, जो नाटकीय रूप से पहनने के प्रतिरोध में सुधार करता है।

[BT श्रृंखला और फ्लाई ऐश विनिर्देश (एफए विनिर्देश) के बीच तुलना]

[पहनने की तुलना]

■ BT श्रृंखला

एफए विनिर्देशों

प्रश्नों पर वापस जाएँ
Q3 बेयरिंग रोलर कन्वेयर चेन किफायती क्यों है?
A3

सामान्य प्रयोजन कन्वेयर चेन और समान आकार की बेयरिंग रोलर कन्वेयर चेन की कीमतों की तुलना करने पर, बेयरिंग रोलर कन्वेयर चेन ज़्यादा महंगी होती है। हालाँकि, बेयरिंग रोलर कन्वेयर चेन निम्नलिखित विशेषताएँ होती हैं, जिनके परिणामस्वरूप निम्नलिखित क्षेत्रों में लागत में कमी आती है और परिचालन लागत में उल्लेखनीय लाभ होता है।

[बेयरिंग रोलर विशेषताएँ]

घर्षण का कम गुणांक

बेयरिंग रोलर कन्वेयर चेन रोलिंग संपर्क बनाने के लिए बुशिंग और रोलर्स के बीच बेलनाकार रोलर्स डाले जाते हैं। परिणामस्वरूप, रोलर्स का रोलिंग घर्षण गुणांक सामान्य प्रयोजन कन्वेयर चेन की तुलना में 1/3 से 1/6 कम होता है।

इससे चेन पर तनाव 1/3 से 1/6 तक कम हो जाता है।

[रोलिंग घर्षण गुणांक (µ)]

  • सामान्य प्रयोजन कन्वेयर श्रृंखला
    स्नेहन के बिना µ = 0.13 से 0.18, स्नेहन के साथ µ = 0.08 से 0.12
  • बेयरिंग रोलर कन्वेयर चेन
    µ = 0.03

[बड़ा करने के लिए क्लिक करें]

उच्च रोलर भार क्षमता

बेयरिंग रोलर्स का अनुमेय भार सामान्य प्रयोजन कन्वेयर चेन (आर रोलर्स) की तुलना में लगभग तीन गुना अधिक है।

क्षैतिज परिवहन या मामूली ढाल पर परिवहन के लिए, चेन का आकार अक्सर रोलर के अनुमेय भार द्वारा निर्धारित किया जाता है, इसलिए विशेषता 1 के साथ संयुक्त, एक छोटी कन्वेयर चेन (आकार 2) का उपयोग किया जा सकता है।

आसान रखरखाव और लंबी उम्र

क्योंकि इसमें बेलनाकार बीयरिंग (बेयरिंग) होते हैं, इसलिए सामान्य स्लाइडिंग बेयरिंग वाले सामान्य प्रयोजन कन्वेयर श्रृंखलाओं की तुलना में स्नेहन समय को 5 से 10 गुना अधिक बढ़ाया जा सकता है, जिससे रखरखाव की आवश्यकता कम हो जाती है।

इसके अलावा, बुशिंग और रोलर के बीच पहनने का जीवन काफी हद तक बेहतर हो जाता है।

झटके लगने की संभावना कम

रोलर के रोलिंग घर्षण गुणांक में बहुत कम उतार-चढ़ाव होता है, जिससे झटके लगने की संभावना कम हो जाती है।

*झटकों के बारे में अधिक जानकारी के लिए, कृपया "प्रश्न 5. कन्वेयर झटके के कारण और प्रतिउपाय क्या हैं?" देखें।

[लागत लाभ]

प्रश्नों पर वापस जाएँ
Q4 जब तापमान 400°C से अधिक हो जाए तो क्या सावधानियां बरतनी चाहिए?
A4

सामान्यतः, उच्च तापमान वाले वातावरण में चेन का उपयोग करते समय निम्नलिखित समस्याएं उत्पन्न होती हैं:

  1. (1) कठोरता में कमी के कारण ताकत में कमी
  2. (2) बढ़ा हुआ विस्तार (रेंगने वाले फ्रैक्चर का जोखिम)
  3. (3) कठोरता में कमी और घर्षण गुणांक में वृद्धि के कारण घिसाव में वृद्धि
  4. (4) यदि चेन को चिकनाई दी जा रही है, तो तेल के खराब होने या कार्बनीकरण के कारण चेन खराब तरीके से मुड़ सकती है।

400°C से अधिक तापमान के लिए, स्टेनलेस स्टील का उपयोग किया जाता है, और ऊपर बताई गई बातों को ध्यान में रखते हुए, चेन का चयन और डिज़ाइन अनुप्रयोग के अनुसार किया जाता है। 400°C से अधिक तापमान पर उपयोग के संबंध में कृपया हमसे परामर्श लें।

प्रश्नों पर वापस जाएँ
Q5 कन्वेयर में झटके आने का क्या कारण है और इसके बारे में क्या किया जा सकता है?
A5

जर्किंग, जिसे "सर्जिंग" या "स्टिक-स्लिप" के नाम से भी जाना जाता है, एक प्रकार का स्व-उत्तेजित कंपन है, जो उस घटना को संदर्भित करता है जिसमें चेन बार-बार चलती और रुकती है, भले ही ड्राइव यूनिट लगातार काम कर रही हो।

सामान्यतः, कन्वेयर में झटके आने की संभावना तब अधिक होती है जब कन्वेयर की कन्वेयर की लंबाई 10 मीटर या उससे अधिक हो तथा चेन की गति 15 मीटर/मिनट या उससे कम हो।

इसके कारणों में निम्नलिखित शामिल हैं:

  1. (1) बुश और रोलर के बीच घर्षण गुणांक में उतार-चढ़ाव
  2. (2) अपर्याप्त श्रृंखला कठोरता
  3. (3) ड्राइव यूनिट और फ्रेम की अपर्याप्त कठोरता

प्रतिउपाय इस प्रकार हैं:

  1. (1) चेन की गति बढ़ाएँ.
  2. (2) कन्वेयर को विभाजित करें और कन्वेयर की लंबाई छोटा करें।
  3. (3) कन्वेयर की कठोरता बढ़ाने के लिए एक बड़ी श्रृंखला का उपयोग करें और फ्रेम और गाइड को मजबूत करें।
  4. (4) बुशिंग और रोलर के बीच घर्षण गुणांक को कम और स्थिर करें। ऐसा करने के दो तरीके हैं:
    • चेन को झटका रहित बनाया गया है और इसे त्सुबाकी झटका रहित तेल से चिकना किया गया है।
    • बेयरिंग रोलर कन्वेयर चेन उपयोग करता है.

(हालांकि, यदि चेन की गति 2 मीटर/मिनट या उससे कम है, तो कृपया हमसे संपर्क करें।)

प्रश्नों पर वापस जाएँ
Q6 कन्वेयर चेन का टेक-अप बल कितना निर्धारित किया जाना चाहिए?
A6

कन्वेयर चेन के तनाव (टेक-अप) को बहुत ज़्यादा बढ़ने से रोकने के लिए ड्राइव यूनिट के नीचे उचित मात्रा में ढीलापन छोड़ना बेहतर होता है। हालाँकि, निम्नलिखित मामलों में, चेन को ऊपर उठाकर ढीलापन दूर करना आवश्यक है।

  1. (1) कन्वेयर पर स्थिति
  2. (2) बार-बार आगे और पीछे की ओर संचालन
  3. (3) चेन परिवहन पक्ष पर स्वतंत्र रूप से चलती है

सामान्यतः, तनाव को दृष्टिगत रूप से तथा स्पर्श द्वारा समायोजित करना पर्याप्त होता है, लेकिन संख्यात्मक दिशानिर्देश इस प्रकार हैं।

[गणना विधि]
श्रृंखला द्रव्यमान … M (kg/m) X N (条数)
श्रृंखला से जुड़े स्लैट्स और जिग्स का समूह … W (kg/m)
परिवहन की जा रही सामग्री की मात्रा … m (kg/m)
· केंद्र दूरी … C (m)
चेन (या फिक्सचर) और रेल के बीच घर्षण गुणांक
(चेन वापसी मार्ग (नीचे))
… µ
· गुरुत्वीय त्वरण … G ( = 9.80665m/s2)
  • घूर्णन दिशा A (आगे की ओर घूर्णन)
    टेक-अप बल: F ≧ { (MXN + W) XCX μ } XG/1000 X 2 X 1.2 से 1.5
  • घूर्णन दिशा B (विपरीत घूर्णन)
    टेक-अप बल: F ≧ { (MXN + W + m) XCX μ } XG/1000 X 2 X 1.2 से 1.5

यदि आगे और पीछे की ओर संचालन हो, तो टेक-अप बल को "रोटेशन दिशा B (रिवर्स)" में समायोजित करें।

[टिप्पणी]

  • ऊपर दिया गया F टेक-अप के लिए एक दिशानिर्देश है। कन्वेयर की परिचालन स्थिति को देखते हुए इसे समायोजित करें।
  • सुनिश्चित करें कि टेक-अप बल के साथ लगाया गया तनाव, चेन के अधिकतम अनुमेय भार से अधिक न हो या उचित सुरक्षा कारक से नीचे न गिरे।
  • चेन पर अधिक तनाव डालने से घिसाव बढ़ जाएगा और उसका जीवनकाल कम हो जाएगा।
प्रश्नों पर वापस जाएँ
Q7 श्रृंखला का मार्गदर्शन कैसे करें?
A7

नीचे चेन गाइड विधियों के कुछ उदाहरण दिए गए हैं। कृपया इन्हें अपने डिज़ाइन और अवधारणा के लिए संदर्भ के रूप में उपयोग करें।

  1. (1) बुश्ड चेन ब्लॉक चेन

  2. (2) आर रोलर और एस रोलर प्रकार की चेन

  3. (3) एफ-रोलर चेन

प्रश्नों पर वापस जाएँ
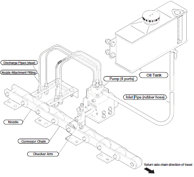
Q8 कन्वेयर चेन लुब्रिकेटर (टीसीएल प्रकार) का जीवनकाल क्या है?
A8

जीवनकाल निम्नलिखित दो बिंदुओं द्वारा निर्धारित किया जाता है:

  1. (1) मुख्य पंप

    जब अत्यधिक उपयोग के कारण ईंधन को ठीक से भरना असंभव हो जाता है।

  2. (2) चेकर आर्म उस बिंदु पर है जहां टिप रोलर घिस गया है और चेकर आर्म बॉडी चेन रोलर के साथ हस्तक्षेप करना शुरू कर देती है।

    आमतौर पर, (2) अपने जीवन के अंत तक पहले पहुँच जाएगा।

    प्रतिस्थापन चेकर आर्म्स उपलब्ध हैं, इसलिए कृपया भागों को बदलें।

    चेकर आर्म्स के सिरों पर लगे रोलर्स लगातार चलने पर काफ़ी तेज़ी से घिस जाएँगे। आवश्यक मात्रा में तेल डालने के बाद, ऑयल टैंक कॉक का उपयोग करके तेल की आपूर्ति बंद कर दें और सुनिश्चित करें कि चेकर आर्म्स चेन के संपर्क में न आएँ, जैसा कि दाईं ओर दिए गए चित्र में दिखाया गया है।

    इसके अलावा, कृपया ध्यान रखें कि धूल के कणों जैसे घर्षणकारी वातावरण में घिसाव काफी बढ़ जाएगा।

प्रश्नों पर वापस जाएँ
Q9 क्या कन्वेयर चेन लुब्रिकेटर (टीसीएल प्रकार) को झुके हुए कन्वेयर पर स्थापित किया जा सकता है?
A9

कन्वेयर चेन लुब्रिकेटर को ढलान पर स्थापित करने से तेल का रिसाव कम हो सकता है। कन्वेयर चेन लुब्रिकेटर की मुख्य इकाई को क्षैतिज सतह पर स्थापित करें।

प्रश्नों पर वापस जाएँ