टॉर्क लिमिटर

- सबसे बहुमुखी घर्षण प्रकार अधिभार सुरक्षा उपकरण
- - इसे शाफ्ट से जोड़ा जा सकता है और रोलर चेन, बेल्ट या गियर का उपयोग करके शक्ति प्रेषित की जा सकती है।
- - यदि अधिक भार डाला जाए तो यह फिसल जाएगा और अधिक भार हटा दिए जाने पर यह स्वतः ही सामान्य स्थिति में आ जाएगा।
- - स्लिप टॉर्क सेट करना आसान है; बस समायोजन नट या समायोजन बोल्ट को कस लें।
- -आकारों की एक विस्तृत श्रृंखला उपलब्ध है, जो टॉर्क सेटिंग्स की एक विस्तृत श्रृंखला की अनुमति देती है।
- -हमारे पास स्प्रोकेट और कपलिंग प्रकारों का भी चयन है।
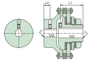
संरचना
सामान्य परिचालन के दौरान, केंद्र सदस्य घर्षण प्लेटों के बीच फंसा रहता है और एक डिस्क स्प्रिंग द्वारा दबाव डाला जाता है, तथा घूर्णन निर्धारित टॉर्क के नीचे घर्षण बल द्वारा प्रेषित होता है।
अतिभारित होने पर, यदि टॉर्क निर्धारित मान से अधिक हो जाता है, तो केंद्र सदस्य घर्षण प्लेटों के बीच फिसल जाएगा। यदि अतिभार मुक्त कर दिया जाए, तो यह स्वतः रीसेट।
*ऊपर दिया गया चित्र TL200 से TL350 तक की संरचना दर्शाता है। TL500 से TL700 और TL10 से TL20 के लिए, स्लिप टॉर्क समायोजन बोल्ट को कस कर सेट किया जाता है। विवरण के लिए कृपया निर्देश पुस्तिका देखें।
विनिर्देश (मानक मॉडल)
| टॉर्क रेंज N・m सेट करें | प्रतिक्रिया | कैसे वापस लौटें |
|---|---|---|
| 1.0~9310 | कोई नहीं (केवल एक दिशा में वाहन चलाते समय) | स्वचालित |
(नोट) यदि घूर्णन दिशा उलट दी जाए तो बैकलैश उत्पन्न होगा।
स्प्रोकेट के साथ टॉर्क लिमिटर
>> मशीनी शाफ्ट छेद वाले स्प्रोकेट के लिए यहां क्लिक करें
>> सेट स्क्रू, चैम्फरिंग और फिनिशिंग के लिए यहां क्लिक करें
टॉर्क लिमिटर कपलिंग
>> सेट स्क्रू, चैम्फरिंग और फिनिशिंग के लिए यहां क्लिक करें
विनिर्देश (मानक मॉडल)
・स्क्रू की स्थिति और आकार सेट करें
| टॉर्क लिमिटर | टॉर्क लिमिटर पक्ष | टॉर्क लिमिटर (युग्मन प्रकार) | |||
|---|---|---|---|---|---|
| सेट पेंच | स्क्रू स्थिति सेट करें (L1) | सेट पेंच | स्क्रू स्थिति सेट करें (L2) | ||
| TL200 | TL200-C | - | - | M 5× 5 | 8 |
| TL250 | TL250-C | M 5× 8 | 44 | M 5× 5 | 12 |
| TL350 | TL350-C | M 6×12 | 56 | M 6× 6 | 18 |
| TL500 | TL500-C | M 8×20 | 69 | M 8× 8 | 20 |
| TL700 | TL700-C | M10×20 | 90 | M10×10 | 33 |
| TL10 | TL10-C | M 8× 8 | 10 | M 8× 8 | 15 |
| TL14 | TL14-C | M10×10 | 12 | M10×10 | 20 |
| TL20 | TL20-C | M14×14 | 15 | M14×14 | 35 |
・चम्फरिंग और फिनिशिंग
| शाफ्ट छेद व्यास | चम्फर आयाम |
|---|---|
| Φ25 या उससे कम | C0.5 |
| Φ50 या उससे कम | C1 |
| Φ125 या उससे कम | C1.5 |
| जब व्यास Φ125 से अधिक हो जाता है | C2 |
कैटलॉग और निर्देश पुस्तिका
मॉडल संख्या प्रदर्शन
* स्टैंडअलोन प्रकार
| TL250 | - | 2 | - | B6.5 | - | TH20JD1 |
| | आकार |
| डिस्क स्प्रिंग्स की संख्या 1:1 2: 2 1L: कमज़ोर स्प्रिंग |
| झाड़ी की लंबाई (बुशिंग के बिना (कोई मामला नहीं) |
| शाफ्ट छेद प्रतीक |
|||
*स्प्रोकेट के साथ
| TL250 | - | 2 | - | 04022 | - | TH20JD1 | - | N49 |
| | आकार |
| डिस्क स्प्रिंग्स की संख्या |
| स्प्रोकेट मॉडल संख्या |
| शाफ्ट छेद प्रतीक |
| टॉर्क सेटिंग मान न・म |
||||
*युग्मन प्रकार
| TL250 | - | 2 | C | - | TH18JD1 | X | CH30JD1 | - | N49 |
| | आकार |
| | | |
| युग्मन प्रकार |
| टॉर्क लिमिटर पक्ष शाफ्ट छेद प्रतीक |
| युग्मन पक्ष शाफ्ट छेद प्रतीक |
| टॉर्क सेटिंग मान न・म |
||||
| | डिस्क स्प्रिंग्स की संख्या |
|||||||||
नोट) टॉर्क लिमिटर साइड पर सेट स्क्रू की स्थिति समायोजन नट साइड से देखी गई स्थिति है, और कपलिंग साइड पर सेट स्क्रू की स्थिति हब एंड फेस से देखी गई स्थिति है।
■ त्सुबाकी मॉडल नंबर नेविगेशन
उत्पाद मॉडल संख्या सूची
*विस्तृत जानकारी प्रदर्शित करने के लिए मॉडल नंबर पर क्लिक करें।
| टॉर्क रेंज सेट करें न・म |
एकल इकाई | युग्मन प्रकार | ||
|---|---|---|---|---|
| शाफ्ट छेद व्यास सीमा मिमी |
मॉडल संख्या | युग्मन पक्ष शाफ्ट छेद व्यास रेंज मिमी |
मॉडल संख्या | |
| 1.0~2.0 | 9~14 | TL200-1L | 10~31 | TL200-1LC |
| 2.9~9.8 | TL200-1 | TL200-1C | ||
| 6.9~20 | TL200-2 | TL200-2C | ||
| 2.9~6.9 | 12~22 | TL250-1L | 15~38 | TL250-1LC |
| 6.9~27 | TL250-1 | TL250-1C | ||
| 14~54 | TL250-2 | TL250-2C | ||
| 9.8~20 | 18~25 | TL350-1L | 15~45 | TL350-1LC |
| 20~74 | TL350-1 | TL350-1C | ||
| 34~149 | TL350-2 | TL350-2C | ||
| 20~49 | 22~42 | TL500-1L | 20~65 | TL500-1LC |
| 47~210 | TL500-1 | TL500-1C | ||
| 88~420 | TL500-2 | TL500-2C | ||
| 49~118 | 32~64 | TL700-1L | 25~90 | TL700-1LC |
| 116~569 | TL700-1 | TL700-1C | ||
| 223~1080 | TL700-2 | TL700-2C | ||
| 392~1270 | 32~72 | TL10-16 | 35~95 | TL10-16C |
| 588~1860 | TL10-24 | TL10-24C | ||
| 882~2660 | 42~100 | TL14-10 | 40~118 | TL14-10C |
| 1960~3920 | TL14-15 | TL14-15C | ||
| 2450~4900 | 52~130 | TL20-6 | 45~150 | TL20-6C |
| 4610~9310 | TL20-12 | TL20-12C | ||
चयन
कार्मिक परिवहन उपकरण या उठाने वाले उपकरण में टॉर्क लिमिटर का उपयोग करते समय, कार्मिकों से संबंधित दुर्घटनाओं या गिरने से बचने के लिए उपकरण की ओर से उपाय करें।
1. मशीन की ताकत, भार और अन्य स्थितियों के आधार पर, उस टॉर्क का निर्धारण करें जिसे इस स्तर से ऊपर लागू नहीं किया जाना चाहिए और इसे टॉर्क लिमिटर के स्लिप टॉर्क के रूप में उपयोग करें।
यदि यह टॉर्क स्पष्ट नहीं है, तो इसे प्राइम मूवर के रेटेड आउटपुट और शाफ्ट की घूर्णी गति से गणना करें, जिस पर टॉर्क लिमिटर जुड़ा हुआ है, और टॉर्क लिमिटर
कृपया।
2. टॉर्क लिमिटर का आकार निर्धारित करते समय, सुनिश्चित करें कि स्लिप टॉर्क टॉर्क लिमिटर के रेटेड टॉर्क की सीमा के भीतर आता है।
3. आयाम तालिका की जांच करके सुनिश्चित करें कि आपके द्वारा तय किए गए टॉर्क लिमिटर का अधिकतम शाफ्ट छेद व्यास माउंटिंग शाफ्ट व्यास से बड़ा है।
यदि माउंटिंग शाफ्ट का व्यास बड़ा है, तो एक आकार बड़े टॉर्क लिमिटर का उपयोग करें।
4. टॉर्क लिमिटर में क्लैंप किए जाने वाले केंद्र सदस्य की मोटाई के आधार पर बुशिंग की उचित लंबाई निर्धारित करें (उत्पाद मॉडल संख्या पृष्ठ देखें)।
आयाम तालिका में सूचीबद्ध बुशिंग लंबाई को देखें और सबसे लंबी बुशिंग का चयन करें, या तो एक या कई बुशिंग का संयोजन, जो केंद्र सदस्य की मोटाई से अधिक न हो।
केंद्र के सदस्यों का चयन और निर्माण/उनकी गतिविधियों का पता लगाना
केंद्र सदस्य के रूप में टॉर्क लिमिटर में क्लैंप किए जाने वाले स्प्रोकेट या अन्य भाग के चयन और निर्माण, तथा केंद्र सदस्य का उपयोग करके अधिभार का पता लगाने की विधियों के विवरण के लिए, कृपया यहां देखें।
>> केंद्र सदस्यों के उत्पादन और चयन तथा अधिभार का पता लगाने के बारे में
टॉर्क लिमिटर उपयोग करते समय
・पायलट पायलट बोर के साथ टॉर्क लिमिटर खरीदते समय, आपको बॉस के शाफ्ट छेद और कीवे को संसाधित करना होगा, केंद्र सदस्य का निर्माण करना होगा, और शाफ्ट से जोड़ने से पहले टॉर्क सेट करना होगा।
- जैसे-जैसे घर्षण गुणांक घटता है, स्लिप टॉर्क भी घटता है, इसलिए सुनिश्चित करें कि नमी, तेल आदि घर्षण प्लेट से चिपके नहीं।
यदि प्रतिउपाय के रूप में अत्यधिक कसाव किया जाता है, तो डिस्क स्प्रिंग के माध्यम से घर्षण प्लेट पर भार बढ़ जाएगा, और ऐसी संभावना है कि घर्षण प्लेट टूट सकती है।
- यदि घूर्णन गति बहुत अधिक है, तो घर्षण प्लेट फिसलने पर गर्म हो सकती है, जिससे घर्षण प्लेट की सतह कार्बनीकृत हो सकती है और परिणामस्वरूप ताकत में कमी आ सकती है, इसलिए अधिकतम घूर्णन गति से अधिक गति पर इसका उपयोग न करें।
• 5 r/min या उससे कम की अत्यंत धीमी गति पर उपयोग करने पर स्लिप टॉर्क कम हो सकता है। यदि आप अत्यंत धीमी गति पर इसका उपयोग करने का इरादा रखते हैं, तो कृपया हमसे अलग से परामर्श लें।

