TPUH-BO प्रकार Platop चेन के लिए इंजीनियरिंग प्लास्टिक स्प्रोकेट

जुलाई 2026 से शुरू होकर, कुछ मॉडल नंबरों के विनिर्देशों में बदलाव होंगे या उनकी बिक्री बंद कर दी जाएगी।
कृपया सूचना के लिए यहां क्लिक करें।
कृपया सूचना के लिए यहां क्लिक करें।
- टीपीयूएच-बीओ प्रकार की प्लास्टिक टॉप चेन के क्षैतिज परिवहन के लिए इंजीनियरिंग प्लास्टिक स्प्रोकेट
- कृपया मुख्य इकाई और हब का एक साथ उपयोग करें।
-
उपयोग
यह उत्पाद मोटर की शक्ति को चेन तक पहुंचाता है।
कृपया उपयोग से पहले इसे कन्वेयर ड्राइव शाफ्ट से जोड़ दें।
TPUH-BO प्रकार Platop चेन के लिए इंजीनियरिंग प्लास्टिक स्प्रोकेट की सूची
एकीकृत प्रकार (इंजीनियरिंग प्लास्टिक)
| प्रकार | एकीकृत प्रकार |
|---|---|
| उपयोग | - |
| मॉडल संख्या | TP-C12781LT-SPR |
| लागू श्रृंखला प्रकार | TPUH-BO |
| लागू चेन पिच मिमी | 38.1 |
| लागू स्प्रोकेट प्रकार | - |
| लागू गाइड फ्लैंज | - |
| लागू हब | TP-C12773T-HB |
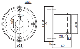
| आकार | ![]() |
| शरीर की सामग्री | दाँत प्रोफ़ाइल: पॉलियामाइड हब: एल्युमीनियम |
| सामग्री ग्रेड | - |
| शरीर का बाहरी रंग | काला |
| घुंडी का बाहरी रंग | - |
| असर सामग्री | - |
| सील रिंग सामग्री | - |
| संरचना | - |
| काउंटरसंक हेड स्क्रू | - |
| बोल्ट और नट सामग्री | - |
| दांतों की संख्या | 32 |
| प्रभावी दांतों की संख्या | - |
| शाफ्ट छेद का आकार | घेरा |
| शाफ्ट छेद आयाम मिमी | Φ25 |
| पायलट बोर मिमी | - |
| अधिकतम शाफ्ट छेद व्यास मिमी | - |
| चौड़ाई मिमी | - |
| लंबाई मिमी | - |
| चेन साइड झुकने त्रिज्या R मिमी | - |
केंद्र
| प्रकार | - |
|---|---|
| उपयोग | - |
| मॉडल संख्या | TP-C12773T-HB |
| लागू श्रृंखला प्रकार | TPUH-BO, TPUH-BO |
| लागू चेन पिच मिमी | 38.1 |
| लागू स्प्रोकेट प्रकार | TP-C12781LT-SPR |
| लागू गाइड फ्लैंज | - |
| लागू हब | - |
| आकार | ![]() |
| शरीर की सामग्री | अल्युमीनियम |
| सामग्री ग्रेड | - |
| शरीर का बाहरी रंग | - |
| घुंडी का बाहरी रंग | - |
| असर सामग्री | - |
| सील रिंग सामग्री | - |
| संरचना | - |
| काउंटरसंक हेड स्क्रू | - |
| बोल्ट और नट सामग्री | - |
| दांतों की संख्या | - |
| प्रभावी दांतों की संख्या | - |
| शाफ्ट छेद का आकार | - |
| शाफ्ट छेद आयाम मिमी | - |
| पायलट बोर मिमी | - |
| अधिकतम शाफ्ट छेद व्यास मिमी | - |
| चौड़ाई मिमी | - |
| लंबाई मिमी | - |
| चेन साइड झुकने त्रिज्या R मिमी | - |
मॉडल संख्या प्रदर्शन उदाहरण
| TP-C12781LT | - | SPR |
| | नमूना |
| संक्षेपाक्षर एसपीआर: स्प्रोकेट |
|
| TP-C12773T | - | HB |
| | नमूना |
| संक्षेपाक्षर एचबी: हब |
|


