डिज़ाइन स्टॉक

- हम छोटे आकार की कन्वेयर चेन के विस्तृत चयन का दावा करते हैं, लेकिन हम ग्राहकों की जरूरतों को पूरा करने के लिए विशेष अनुलग्नकों के साथ श्रृंखलाओं की एक विस्तृत श्रृंखला का निर्माण और वितरण भी करते हैं।
हम यह कर रहे हैं। - हमारे पास सिद्ध डिलीवरी रिकॉर्ड के साथ चयनित उत्पादों का एक "डिज़ाइन स्टॉक" है, और इनमें से चयन करके आप अपने समग्र उपकरण डिज़ाइन की दक्षता में सुधार कर सकते हैं।
- *विवरण के लिए कृपया नीचे दी गई "उत्पाद सूची" तालिका देखें।
कैटलॉग और निर्देश पुस्तिका
उत्पादों की सूची
*विस्तृत जानकारी प्रदर्शित करने के लिए क्लिक करें।
| प्रोडक्ट का नाम | विशेषताएँ (छवि विस्तार करने के लिए क्लिक करें) |
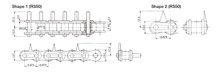
डबल पिच | आरएस प्रकार | ||
|---|---|---|---|---|---|
| एस रोलर | आर रोलर | ||||
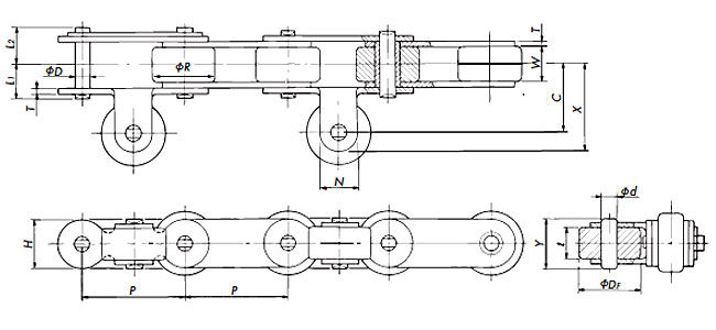
| ऊपरी सतह पीसना | PG | रोलर्स को घिसा जाता है। अटैचमेंट के लिए, अटैचमेंट की ऊपरी सतह को घिसा जाता है।![]() |
RF2040S-PG
RF2050S-PG RF2060S-PG RF2080S-PG |
RF2040R-PG
RF2050R-PG RF2060R-PG RF2080R-PG |
RS40-PG
RS50-PG RS60-PG RS80-PG RS100-PG RS120-PG RS140-PG RS160-PG |
| आरएस बड़ा अनुलग्नक | --- | संलग्नक के साथ बड़े आकार की चेन, RS180 और उससे अधिक।![]() |
--- | --- | RS180
RS200 RS240 RF320-T RF400-T |
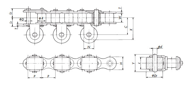
| डबल पिच डीप लिंकिंग |
DL | इस डबल पिच चेन का H1 आयाम रोलर्स की ऊपरी सतह से बड़ा है। R रोलर्स के साथ भी, संप्रेषित वस्तुओं को सीधे इस पर रखा जा सकता है।![]() |
--- | RF2040R-DL
RF2050R-DL RF2060R-DL RF2080R-DL |
--- |
| अंदर की ओर झुकने वाले लगाव के साथ | UM | अंदर की ओर मुड़ा हुआ अटैचमेंट आपको सीधे उस पर सामान रखने या उसे ले जाने के लिए क्लैंप करने की सुविधा देता है। अटैचमेंट की ऊपरी सतह पर चम्फर लगा है ताकि सामान पर खरोंच न लगे।![]() |
--- | --- | RS40-UM
RS50-UM |
| गाइड रोलर के साथ | GR | गाइड रोलर्स का उपयोग घुमावदार रास्ते को रोकने और चलायमान रोलर के रूप में किया जाता है। (यह कोई साइड-बेंडिंग चेन नहीं है।)
![]() |
RF2040S-GR
RF2050S-GR RF2060S-GR RF2080S-GR RF2100S-GR |
RF2040R-GR
RF2050R-GR RF2060R-GR RF2080R-GR RF2100R-GR |
RS40-GR
RS50-GR RS60-GR RS80-GR RS100-GR |
| स्क्रू के साथ एक्सटेंशन पिन के साथ |
EN | विस्तार पिन (कठोर इस्पात) में धागा लगा होता है, जिससे जिग्स और अन्य वस्तुओं को नट के साथ बांधा जा सकता है।
![]() |
RF2040S-EN
RF2050S-EN RF2060S-EN RF2080S-EN RF2100S-EN |
RF2040R-EN
RF2050R-EN RF2060R-EN RF2080R-EN RF2100R-EN |
RS40-EN
RS50-EN RS60-EN RS80-EN RS100-EN RS120-EN |
| स्प्रिंग क्लिप के साथ एक्सटेंशन पिन के साथ |
EC | जिग्स और अन्य फिक्सचर्स को स्प्रिंग क्लिप का उपयोग करके जोड़ा जा सकता है।
![]() |
RF2040S-EC
RF2050S-EC RF2060S-EC |
RF2040R-EC
RF2050R-EC RF2060R-EC |
RS40-EC
RS50-EC RS60-EC |
| स्टे पिन के साथ | ST | पिनों को लंबा किया जाता है और जंजीरों को समानांतर क्रम में व्यवस्थित किया जाता है। यह पिनों पर रखे सामान को ले जाने के लिए उपयुक्त है, उदाहरण के लिए, जाल लगाकर।
![]() |
RF2040S-ST RF2050S-ST RF2060S-ST RF2080S-ST RF2100S-ST RF2120S-ST RF2160S-ST |
RF2040R-ST RF2050R-ST RF2060R-ST RF2080R-ST RF2100R-ST RF2120R-ST RF2160R-ST |
RS35-ST
RS40-ST RS50-ST RS60-ST RS80-ST RS100-ST RS120-ST RS140-ST RS160-ST |
| पर्वत के आकार के लगाव के साथ | RE | यह चेन विभिन्न छड़ आकार की वस्तुओं के परिवहन के लिए उपयुक्त है।![]() |
--- | --- | RS40-RE
RS50-RE RS60-RE RS80-RE RS100-RE |
| स्टिकर के साथ | FS | यह चेन पट्टी के आकार की वस्तुओं (फिल्म, आदि) को तीखे, कोणीय संलग्नकों से जकड़कर परिवहन के लिए उपयुक्त है।![]() |
--- | --- | RS50-FS |
| फिल्म ग्रिपर चेन | KUM | यह श्रृंखला फिल्मों और अन्य सामग्रियों को स्प्रिंग क्लिप के साथ जकड़ कर ले जाती है।![]() |
--- | --- | RS08B-KUM
RS10B-KUM |
| चुंबक के साथ | MG | चुम्बक परिवहन की जाने वाली वस्तु के आवरण को अपनी ओर आकर्षित करता है, इसलिए इसका उपयोग ढलान पर वस्तुओं के परिवहन के लिए किया जा सकता है।![]() |
RF2060S-MG | --- | --- |
| रबर अटैचमेंट के साथ | RSG | रबर को अटैचमेंट पर बेक किया जाता है, जिससे आप रबर की लोच का उपयोग करके वस्तुओं को क्लैंप और परिवहन कर सकते हैं।![]() |
--- | --- | RS40-RSG-1
RS40-RSG-2 RS40-RSG-3 RS50-RSG-2 RS60-RSG-1 RS60-RSG-2 |
| क्रिसेंट | CL | क्षैतिज परिसंचरण परिवहन के लिए.![]() |
--- | RF2050R-CL
RF2060R-CL RF2080R-CL RF2100R-CL |
--- |
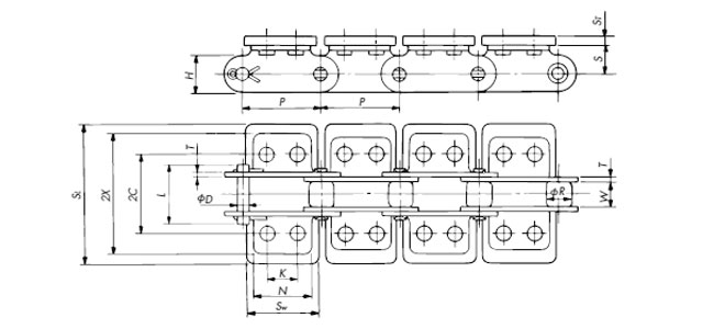
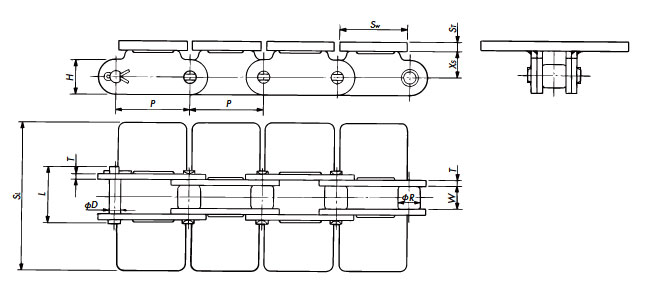
| स्लैट्स के साथ रिवेटिंग / कील लगाना |
SLT | स्लैट्स वाली एक चेन। अपेक्षाकृत भारी सामान ढोने के लिए उपयुक्त।
![]() |
RF2040S-SLT
RF2050S-SLT RF2060S-SLT RF2080S-SLT |
RF2040R-SLT
RF2050R-SLT RF2060R-SLT RF2080R-SLT |
RS40-SLT
RS50-SLT RS60-SLT RS80-SLT |
| स्लैट्स के साथ वेल्डिंग |
SLW | RF2060S-SLW
RF2080S-SLW |
RF2060R-SLW
RF2080R-SLW |
--- | |






















