टीसीएल प्रकार कन्वेयर श्रृंखला के लिए स्वचालित ऑइलर

- टीसीएल प्रकार का ऑइलर कन्वेयर चेन के लिए एक स्वचालित ऑइलर है।
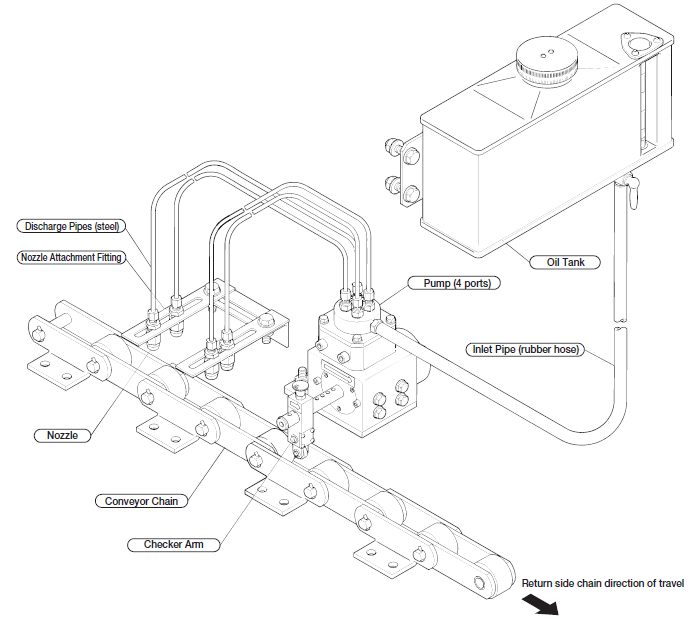
- चेन का रोलर, ऑइलर के मुख्य भाग में स्थित पंप के चेकर आर्म को ऊपर की ओर धकेलता है, जिससे पंप तंत्र सक्रिय हो जाता है और नोजल से उचित मात्रा में चिकनाई वाला तेल बाहर निकल जाता है।
- इसलिए, इसे बिजली जैसे किसी शक्ति स्रोत की आवश्यकता नहीं होती, इसे स्थापित करना आसान है, तथा यह सटीक और स्थिर ईंधन आपूर्ति प्रदान करता है।
विशेषताएँ
-
・किसी बिजली स्रोत की आवश्यकता नहीं
मुख्य बॉडी के अंदर पंप तंत्र को रनिंग चेन द्वारा संचालित किया जाता है, इसलिए बिजली या हवा जैसे किसी शक्ति स्रोत की आवश्यकता नहीं होती है, जिससे स्थापना और रखरखाव आसान हो जाता है।
-
・सटीक ईंधन भरना
स्नेहन का कार्य चेन की गति के साथ किया जाता है, जिससे सटीक और स्थिर स्नेहन सुनिश्चित होता है।
-
・कॉम्पैक्ट और कम कीमत
मौजूदा कन्वेयर चेन लुब्रिकेटर की तुलना में यह हल्का, छोटा, संभालने में आसान और अधिक किफायती है।
सामग्री सेट करें
कन्वेयर श्रृंखला के लिए स्वचालित ऑइलर
घिसाव, रोलिंग प्रतिरोध और रोलिंग शोर को कम करता है।
TCL4
TCL2
■ सामग्री सेट करें
- 1. मुख्य पंप: 1 इकाई
- 2. तेल टैंक (5 लीटर): 1
- 3. रबर की नली (2 मीटर): 1 टुकड़ा
- 4. तांबे की ट्यूब (2 मीटर): 2 TCL2 प्रकार, 4 TCL4 प्रकार
- 5. नोजल: 2 TCL2 प्रकार, 4 TCL4 प्रकार
- 6. नोजल माउंटिंग ब्रैकेट: TCL2 प्रकार 1 सेट, TCL4 प्रकार 2 सेट
[कोण बार: 1, नोजल माउंटिंग प्लेट: 2]
प्रदर्शन
| प्रकार | TCL4 | TCL2 |
|---|---|---|
| दुकान | 4 मुंह | 2 मुंह |
| संचालन की संभावित संख्या | अधिकतम 3 बार/सेकंड कृपया उपयोग योग्य चेन पिच और चेन गति के बीच संबंध के लिए उत्पाद सूची देखें। |
|
| निर्वहन राशि | निश्चित प्रकार 0.05cc/शॉट/मुँह | |
| समय का पता लगाना | चेकर आर्म डिटेक्शन विधि | |
| चलाएं/रोकें (चालू/बंद) | कन्वेयर को रोकने के बाद, मैन्युअल रूप से चेकर आर्म को स्विच करें। | |
| तेल टैंक | 5L | |
| परिचालन तापमान | -10℃~120℃ | |
नोट) ऑपरेटिंग तापमान वह तापमान है जिस पर नोजल टिप का उपयोग किया जा सकता है। मुख्य बॉडी के लिए ऑपरेटिंग तापमान -10°C से 60°C है।
कैटलॉग और निर्देश पुस्तिका
मॉडल संख्या प्रदर्शन उदाहरण
| TCL4 | - | R | |
| | आकार TCL4: 4 नोजल TCL2: 2 नोजल |
| श्रृंखला यात्रा दिशा R: चेकर आर्म की तरफ से देखने पर दाईं दिशा L: चेकर आर्म की ओर से देखने पर बाईं दिशा |
||
उत्पादों की सूची
※विस्तृत जानकारी प्रदर्शित करने के लिए क्लिक करें
| दुकान | |||
|---|---|---|---|
| 4 मुंह | 2 मुंह | ||
| यात्रा की दिशा | दाएँ (R) | TCL4-R | TCL2-R |
| बाएं (बाएं) | TCL4-L | TCL2-L | |
