बाल्टी लिफ्ट कन्वेयर श्रृंखला

- यह श्रृंखला विशेष रूप से बाल्टी लिफ्टों के लिए डिज़ाइन की गई है, जिसमें पहनने के प्रतिरोध और थकान शक्ति पर जोर दिया गया है।
- हमारे व्यापक अनुभव और सिद्ध ट्रैक रिकॉर्ड के साथ, हम सीमेंट और संक्षारक पाउडर कोयले के परिवहन के लिए उपयुक्त विशिष्टताओं वाली चेन भी प्रदान कर सकते हैं।
- संयुक्त अनुभाग में एक समर्पित संयुक्त लिंक है जो इसे काटें और जोड़ें आसान बनाता है।
- हम एफबी और एफबीएक्सए विनिर्देश भी प्रदान करते हैं जो पहनने और बढ़ाव को रोकने के लिए डिज़ाइन किए गए हैं।
कैटलॉग और निर्देश पुस्तिका
विनिर्देश
- सामान्य घिसाव-प्रतिरोधी चेनCT श्रृंखला या BT श्रृंखला
अत्यधिक अपघर्षक सीमेंट पर ध्यान केंद्रित करते हुए, भागों को सीमेंट परिवहन के लिए उपयुक्त सामग्री, कठोरता और अंतराल से बनाया जाता है।
・ चूर्णित कोयले के लिएRT या Y विनिर्देश श्रृंखला
यह श्रृंखला विशेष रूप से संक्षारक महीन कोयले को ले जाने के लिए डिज़ाइन की गई है।
वाई विनिर्देशन: एक विनिर्देशन जो शक्ति और कठोरता को जोड़ता है।
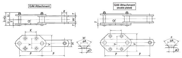
लगाव
मानक अनुलग्नक GA4 अनुलग्नक है।
GA अटैचमेंट टी-पिन के विपरीत तरफ जुड़ा होता है।
उत्पादों की सूची
※विस्तृत जानकारी प्रदर्शित करने के लिए क्लिक करें
* अधिकतम अनुमेय भार हमारे डिज़ाइन मानकों के आधार पर परिकलित एक मान है, और यह परिकलित शक्ति है। जब तक अन्यथा निर्दिष्ट न किया गया हो, बड़े आकार की कन्वेयर चेन चुनते समय अधिकतम अनुमेय भार उपयोग किया जाता है।
यह मूल्य निर्माता के आधार पर भिन्न होता है और यह गारंटीकृत मूल्य नहीं है।
*औसत तन्य शक्ति के लिए कृपया हमसे संपर्क करें।
| आकार | रोलर प्रकार |
आवाज़ का उतार-चढ़ाव | लौरा बहरी घेरा |
आंतरिक लिंक आंतरिक चौड़ाई |
||||||
|---|---|---|---|---|---|---|---|---|---|---|
| 150mm | 152.4mm | 200mm | 250mm | 300mm | 350mm | 400mm | Φmm | mm | ||
| B10 | S | B10150S | --- | --- | --- | --- | --- | --- | 29 | 30 |
| B12 | S | --- | B12006S | B12200S | --- | --- | --- | --- | 34.9 | 37.1 |
| B17 | S | --- | --- | B17200S | B17250S | --- | --- | --- | 40.1 | 51.4 |
| B26 | N | --- | --- | B26200N | B26250N | B26300N | --- | --- | 50.8 | 57.2 |
| B36 | N | --- | --- | --- | B36250N | B36300N | B36350N | --- | 57.2 | 66.7 |
| B60 | N | --- | --- | --- | --- | B60300N | B60350N | B60400N | 70 | 77 |
| B90 | N | --- | --- | --- | --- | --- | B90350N | B90400N | 85 | 88 |
| B120 | N | --- | --- | --- | --- | --- | --- | B120400N | 100 | 100 |


