लिफ्ट मास्टर समलम्बाकार धागा प्रकार

- समलम्बाकार स्क्रू का उपयोग करके कैंटिलीवर इलेक्ट्रिक लिफ्टर
- ・स्व-लॉकिंग
समलम्बाकार स्क्रू गणितीय रूप से स्व-लॉकिंग होते हैं और उनसे भार धारण करने की अपेक्षा की जा सकती है।
मोटर को ब्रेक तंत्र की आवश्यकता होती है क्योंकि कंपन और झटके के कारण स्व-लॉकिंग तंत्र अप्रभावी हो सकता है।
हमारे मानक उत्पाद ब्रेक मोटर्स का उपयोग करते हैं। - किफ़ायती
यह बॉल स्क्रू प्रकार की तुलना में अधिक किफायती है। स्लाइडिंग संपर्क समलम्बाकार स्क्रू की सुविधा के कारण, यह कम गति, कम आवृत्ति वाले अनुप्रयोगों के लिए उपयुक्त है।
विशेषताएं और संरचना वीडियो सामग्री
लाभ
- ・आप अपनी उत्पादन लाइन को स्वतंत्र रूप से लेआउट कर सकते हैं >>अधिक जानें
- ・उपयोग में आसान >>अधिक जानकारी
- ・बेहतर कार्य वातावरण >>और जानें
- ・ऊर्जा बचत प्रभाव >>अधिक जानें
विनिर्देश (ट्रेपेज़ॉइडल स्क्रू प्रकार)
- ・उठाने का भार: 4.90kN से 9.80kN
- ・स्ट्रोक: 400 मिमी/1,500 मिमी
- - ड्राइव यूनिट: तीन-चरण मोटर के साथ
- ・गति: 0.6-0.9 मीटर/मिनट
स्वीकार्य OHL लोड वक्र (वर्कपीस माउंटिंग सतह पर आधारित: रूपरेखा आरेख देखें)
कैटलॉग और निर्देश पुस्तिका
ज़िप चेन तंत्र और स्क्रू तंत्र की तुलना के लिए कृपया यहां देखें।
मॉडल संख्या प्रदर्शन
| LME | M | 0500 | S | 10 | G | E |
| | | लिफ्ट मास्टर |
| स्क्रू प्रकार M: समलम्बाकार पेंच |
| भार उठाना 0500: 4.90kN{500kgf} 1000: 9.80kN {1000kgf} |
| रफ़्तार एस प्रत्येक मॉडल की गति उत्पाद मॉडल संख्या सूची कृपया देखें। |
| आघात 04: 400 मिमी 06: 600 मिमी 08: 800 मिमी 10: 1000 मिमी 12: 1200 मिमी 15: 1500 मिमी |
| ड्राइव यूनिट G: तीन-चरण मोटर के साथ |
| विकल्प विवरण के लिए नीचे देखें |
उत्पाद मॉडल संख्या नेविगेशन
किस प्रकार के स्क्रू का उपयोग किया जाता है?
भार उठाना
यह वह भार है जिसे निर्दिष्ट गुरुत्वाकर्षण केंद्र पर उठाया या उतारा जा सकता है।
रफ़्तार
यह प्रतीक उठाने की गति को दर्शाता है।
कृपया प्रत्येक मॉडल के गति मानों के लिए विस्तृत जानकारी देखें।
आघात
वह दूरी जिसे बढ़ाया या घटाया जा सकता है।
ड्राइव यूनिट
G: तीन-चरण मोटर के साथ आता है।
K: यह एक सर्वो मोटर के साथ आता है।
विकल्प प्रतीक
जे: धौंकनी को छेद से जोड़ा जाता है।
L1 से L3: एक से तीन स्थिति पहचान सेंसर जोड़ें।
V: बिजली आपूर्ति वोल्टेज दोगुना हो गया है।
E: मोटर के पीछे एक रोटरी एनकोडर जुड़ा होता है।
D1 से D3: मोटर माउंटिंग दिशा बदलें।
D1: मानक स्थापना स्थिति से 90 डिग्री
D2: मानक स्थापना स्थिति से 180 डिग्री घूर्णन
D3: मानक माउंटिंग स्थिति से 270 डिग्री झुकाव
उत्पाद मॉडल संख्या सूची
*विस्तृत जानकारी प्रदर्शित करने के लिए मॉडल नंबर पर क्लिक करें।
| भार उठाना केएन{किलोग्राम} |
आघात मिमी |
स्पीड एस 0.72 मीटर/मिनट(50 हर्ट्ज)・0.9 मीटर/मिनट(60 हर्ट्ज) |
|---|---|---|
| 4.90 {500} | 400 | LMEM0500S04G |
| 600 | LMEM0500S06G | |
| 800 | LMEM0500S08G | |
| 1000 | LMEM0500S10G | |
| 1200 | LMEM0500S12G | |
| 1500 | LMEM0500S15G | |
| 9.80 {1000} | 400 | LMEM1000S04G |
| 600 | LMEM1000S06G | |
| 800 | LMEM1000S08G | |
| 1000 | LMEM1000S10G | |
| 1200 | LMEM1000S12G | |
| 1500 | LMEM1000S15G |
विकल्प
फ्रंट बेलोज़ [विकल्प कोड: J]
- सामने से लिफ्ट मास्टर धूल को प्रवेश करने से रोकने के लिए धौंकनी।
समर्थित स्ट्रोक: 400 मिमी से 1,200 मिमी
*यदि आपको 1,200 मिमी से अधिक स्ट्रोक के लिए बेलो माउंटिंग की आवश्यकता है तो कृपया हमसे संपर्क करें।
*केवल 800 मिमी और 1,200 मिमी के स्ट्रोक के साथ LME0200 श्रृंखला और LME0500 श्रृंखला के लिए।
फ्रंट बेलोज़ लगाने पर प्रभावी स्ट्रोक कम होगा। कृपया विवरण के लिए हमसे संपर्क करें।
<स्थापना संदर्भ उदाहरण>
कृपया आयामों के लिए हमसे संपर्क करें।
[बड़ा करने के लिए क्लिक करें]
स्थिति पहचान सेंसर जोड़ें [विकल्प कोड: L1 से L3]
・मानक मॉडल चार स्थिति पहचान सेंसर (केवल एस-स्पीड के लिए दो) से सुसज्जित है,
केवल S गति के लिए अधिकतम तीन सेंसर उपलब्ध हैं, तथा अन्य गति के लिए एक अतिरिक्त सेंसर उपलब्ध है।
・एक सेंसर जोड़ने के लिए विकल्प प्रतीक [L1] है, दो सेंसर जोड़ने के लिए [L2] है, और तीन सेंसर जोड़ने के लिए [L3] है।
यदि आप अधिक सेंसर जोड़ना चाहते हैं, तो कृपया हमसे संपर्क करें।
संगत मॉडल संख्या L1: सभी मानक मॉडल संख्याएँ
L2, L3: केवल LMEB0200S, LMEM0500S, LMEM1000S
मोटर वोल्टेज 400V वर्ग [विकल्प कोड: V]
・ड्राइव मोटर वोल्टेज को 400V वर्ग में बदलें।
संगत मॉडल: सभी मानक मॉडल
रोटरी एनकोडर के साथ [विकल्प कोड: E]
- एक रोटरी एनकोडर को तीन-चरण मोटर के गैर-लोड पक्ष के शाफ्ट छोर पर स्थापित किया जा सकता है, जिससे मोटर रोटेशन सिग्नल को आउटपुट किया जा सकता है।
संगत मॉडल: तीन-चरण मोटर के साथ मानक मॉडल
विशेषताएँ
・नियंत्रणीयता
रिड्यूसर से एक खुला कलेक्टर आउटपुट सिग्नल निकाला जा सकता है, जिससे विभिन्न प्रकार के ऑपरेशन संभव हो सकते हैं।
·कॉम्पैक्ट
मोटर शाफ्ट और रोटरी एनकोडर को कपलिंग से जोड़ने की कोई आवश्यकता नहीं है।
·लागत में कमी
पारंपरिक पृथक स्थापनाओं की तुलना में, इसमें कपलिंग, बेस प्लेट या समतलीकरण कार्य की आवश्यकता नहीं होती है।
रोटरी एनकोडर विनिर्देश
| बिजली आपूर्ति वोल्टेज | DC4.5~30V |
|---|---|
| दालों की संख्या | 100 |
| आउटपुट स्वरूप | ओपन कलेक्टर आउटपुट (एनपीएन प्रकार) 6 AB90° कला अंतर संकेत +Z मूल संकेत |
| आउटपुट सर्किट | |
| वर्तमान खपत | 30mA या उससे कम |
| आउटपुट वोल्टेज | 0.5V या उससे कम (अधिकतम सिंक धारा पर) |
| अधिकतम सिंक धारा | 40mA MAX |
| सिग्नल बढ़ रहा है पतझड़ का समय |
1μs या उससे कम |
| अधिकतम प्रतिक्रिया आवृत्ति | 240kHz |
| आउटपुट सर्किट वोल्टेज का सामना कर सकता है | 50V MAX |
| केबल लंबाई | कनेक्टर के साथ 0.5 मीटर (हिरोसे इलेक्ट्रिक कंपनी लिमिटेड DF3-6S-2C) |
| कंपन | 4.9m/s 2 {0.5G} या उससे कम (20~50Hz) |
संरचना और आयाम (रोटरी एनकोडर माउंटिंग भाग)
वायरिंग टेबल
| पिन नं. | रंग | कनेक्शन |
|---|---|---|
| 1 | लाल | बिजली की आपूर्ति |
| 2 | काला | 0V सामान्य |
| 3 | नीला | सिग्नल ए |
| 4 | सफ़ेद | सिग्नल बी |
| 5 | पीला | सिग्नल Z |
| 6 | काला | कवच |
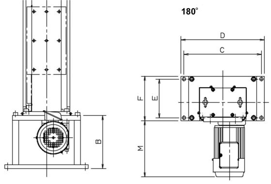
मोटर माउंटिंग दिशा परिवर्तन [विकल्प कोड: D1 से D3]
- मोटर स्थापना दिशा को उपकरण की स्थापना स्थान, वर्कपीस स्थापना, परिवहन की गई वस्तुओं की स्थानांतरण दिशा आदि के आधार पर बदला जा सकता है।
*मोटर स्थापना दिशा और स्ट्रोक के आधार पर समग्र ऊंचाई बदल सकती है।
*नीचे दिए गए चित्र और आयाम तीन-चरण मोटर के विनिर्देशों को दर्शाते हैं। सर्वो मोटर भी एक विकल्प के रूप में उपलब्ध हैं, इसलिए कृपया विवरण के लिए हमसे संपर्क करें।
संगत मॉडल: सभी मानक मॉडल
D1: मोटर स्थापना दिशा 90 डिग्री से परिवर्तित
D2: मोटर स्थापना दिशा 180 डिग्री बदली गई
D3: मोटर स्थापना दिशा 270 डिग्री बदली गई
| D1: 90 डिग्री स्विंग | D2: 180 डिग्री स्विंग | D3: 270 डिग्री |
|---|---|---|
|
[बड़ा करने के लिए क्लिक करें] |
[बड़ा करने के लिए क्लिक करें] |
[बड़ा करने के लिए क्लिक करें] |
| नमूना | मोटर क्षमता किलोवाट |
मानक मोटर माउंटिंग दिशा | D1: 90 डिग्री स्विंग | ||||||||||
|---|---|---|---|---|---|---|---|---|---|---|---|---|---|
| B | C | D | E | F | M | B | C | D | E | F | M | ||
| 0200S | 0.1 | - | 250 | 280 | 170 | 200 | 141 | - | 250 | 280 | 170 | 200 | 154 |
| 0200H | 0.4 | 245 | 340 | 370 | 193 | 245 | 340 | 370 | 190 | 220 | 160 | ||
| 0500S | 0.4 | ||||||||||||
| 0500H | 0.75 | 270 | 270 | 210 | 240 | 237 | |||||||
| 0500U | 1.5 | 273 | 400 | 430 | 200 | 230 | 369 | 318 | 400 | 430 | 255 | 285 | 283 |
| 1000S | 0.75 | 250 | 273 | 240 | 270 | 217 | |||||||
| 1000H | 1.5 | 368.5 | 318 | 255 | 285 | 293 | |||||||
| 1000U | 2.2 | 407 | 343 | ||||||||||
| नमूना | मोटर क्षमता किलोवाट |
मानक मोटर माउंटिंग दिशा | D2: 180 डिग्री स्विंग | ||||||||||
|---|---|---|---|---|---|---|---|---|---|---|---|---|---|
| B | C | D | E | F | M | B | C | D | E | F | M | ||
| 0200S | 0.1 | - | 250 | 280 | 170 | 200 | 141 | - | 250 | 280 | 170 | 200 | 172 |
| 0200H | 0.4 | 245 | 340 | 370 | 193 | 245 | 340 | 370 | 223 | ||||
| 0500S | 0.4 | ||||||||||||
| 0500H | 0.75 | 270 | 265 | 300 | |||||||||
| 0500U | 1.5 | 273 | 400 | 430 | 200 | 230 | 369 | 273 | 400 | 430 | 200 | 230 | 366 |
| 1000S | 0.75 | 250 | 290 | ||||||||||
| 1000H | 1.5 | 368.5 | 366 | ||||||||||
| 1000U | 2.2 | 407 | 416 | ||||||||||
| नमूना | मोटर क्षमता किलोवाट |
मानक मोटर माउंटिंग दिशा | D3: 270 डिग्री | ||||||||||
|---|---|---|---|---|---|---|---|---|---|---|---|---|---|
| B | C | D | E | F | M | B | C | D | E | F | M | ||
| 0200S | 0.1 | - | 250 | 280 | 170 | 200 | 141 | - | 250 | 280 | 170 | 200 | 80 |
| 0200H | 0.4 | 245 | 340 | 370 | 193 | 245 | 340 | 370 | 190 | 220 | 86 | ||
| 0500S | 0.4 | ||||||||||||
| 0500H | 0.75 | 270 | 270 | 210 | 240 | 163 | |||||||
| 0500U | 1.5 | 273 | 400 | 430 | 200 | 230 | 369 | 318 | 400 | 430 | 255 | 285 | 209 |
| 1000S | 0.75 | 250 | 273 | 240 | 270 | 123 | |||||||
| 1000H | 1.5 | 368.5 | 318 | 255 | 285 | 199 | |||||||
| 1000U | 2.2 | 407 | 249 | ||||||||||
चयन
हमारा स्टाफ आपकी आवश्यकताओं और अपेक्षाओं को पूरा करने वाले लिफ्टर का चयन करेगा।
कृपया इस पृष्ठ के शीर्ष पर "आकार निर्धारण" टैब पर क्लिक करें।
विशेष विनिर्देशन वाले उत्पाद
दीवार पर लगाने की विशिष्टताएँ

यदि लिफ्ट मास्टर फर्श पर स्थापित नहीं किया जा सकता है, तो इसे दीवार पर भी लगाया जा सकता है, जिससे डिवाइस फ्रेम के मजबूत पक्ष का प्रभावी उपयोग करके स्थान बचाया जा सकता है।
गिरने से बचाव के विनिर्देश

लिफ्ट मास्टर को गिरने से बचाने के लिए उसमें एक मैनुअल फॉल प्रिवेंशन पिन लगाया जा सकता है।
कुंडा अक्ष विनिर्देश

वर्कपीस माउंटिंग सेक्शन में एक मैनुअल रोटेशन मैकेनिज्म प्रदान किया गया है।
निम्न-तल विनिर्देश

यदि आप स्थान की कमी के कारण लिफ्ट मास्टर स्थापित नहीं कर सकते हैं, तो भी हम आपको कम ऊंचाई की सुविधा प्रदान कर सकते हैं।
उच्च गति विनिर्देश

यह एक उच्च-गति विनिर्देश है जिसकी अधिकतम गति 500 मिमी/सेकंड है। कृपया एक सर्वो मोटर प्रदान करें। अधिक जानकारी के लिए कृपया हमसे संपर्क करें। *300 मिमी/सेकंड तक की उच्च-गति विनिर्देशों को इन्वर्टर नियंत्रण का उपयोग करके सामान्य प्रयोजन वाली मोटर से संचालित किया जा सकता है।
धूलरोधी और जलरोधी

लिफ्ट मास्टर धूल और टपकन से सुरक्षित है। इसका उपयोग ऐसे वातावरण में भी किया जा सकता है जहाँ कटिंग ऑयल और कूलेंट मौजूद हों। *बाहरी उपयोग के लिए उपयुक्त नहीं है।
क्षैतिज स्थानांतरण तंत्र

हम क्षैतिज परिवहन के लिए लिफ्ट मास्टर निर्माण भी कर सकते हैं।
उच्च कठोरता विनिर्देश

यदि उठाते समय कंपन होना या रुकते समय झुकना एक समस्या है, तो हम समर्थन स्तंभ को मजबूत करके इसका समाधान कर सकते हैं।
लाइन शाफ्ट तुल्यकालिक प्रकार

लिफ्ट मास्टर त्सुबाकी के एचटी-फ्लेक्स कपलिंग और माइटर गियर बॉक्स से जोड़ा जा सकता है ताकि सिंक्रनाइज़्ड ऑपरेशन संभव हो सके। हम आपकी परिचालन स्थितियों के अनुरूप सिस्टम प्रदान करते हैं, जिसमें गियर मोटर भी शामिल हैं।
केबल कैरियर (CABLEVEYOR) समग्र प्रस्ताव

कन्वेयर जैसी चल वस्तुओं को ऊपर या नीचे उठाते समय, संबंधित केबलों की सुरक्षा के लिए केबल कैरियर (CABLEVEYOR) वाहक या केबल कैरियर (CABLEVEYOR) के लिए फ्रेम जैसे विकल्पों पर विचार किया जा सकता है।








