Japan

HI

त्सुबाकी पावर ट्रांसमिशन प्रोडक्ट्स सूचना साइट

त्सुबाकी की प्रतिष्ठा के साथ निर्मित एक लघु श्रृंखला, एप्सिलॉन चेन स्टील विनिर्देश

एप्सिलॉन चेन स्टेनलेस स्टील विनिर्देश

क्या आपको अत्यंत छोटे स्थानों में विद्युत संचारण में परेशानी हो रही है?

"एप्सिलॉन चेन स्टेनलेस स्टील स्पेसिफिकेशन" कॉम्पैक्ट आकार और उच्च प्रदर्शन को प्राप्त करना संभव बनाता है।

"एप्सिलॉन चेन स्टेनलेस स्टील स्पेसिफिकेशन" एक रोलर चेन है जिसे सटीक भागों के निर्माण और असेंबली तकनीकों के माध्यम से दुनिया के सबसे छोटे आकार में बनाया गया है।

क्या आपने कभी रोलर चेन का उपयोग उनके विश्वसनीय पावर ट्रांसमिशन, स्थिति सटीकता और कॉम्पैक्ट लचीलेपन के लिए करना चाहा है, लेकिन स्थान की कमी के कारण ऐसा करने का निर्णय नहीं लिया?

"एप्सिलॉन चेन स्टेनलेस स्टील स्पेसिफिकेशन" कॉम्पैक्ट लेआउट को समायोजित कर सकता है जहां चेन का उपयोग करके बिजली संचरण पहले संभव नहीं था।

बेशक, पारंपरिक श्रृंखलाओं के आकार को कम करना भी संभव है, जो अनुप्रयोगों के लघुकरण में योगदान देता है।

↑ वीडियो चलाएं

एप्सिलॉन चेन स्टेनलेस स्टील विनिर्देश
तीन मूल्य

1. दुनिया का सबसे छोटा आकार

दुनिया का सबसे छोटा आकार

[बड़ा करने के लिए क्लिक करें]

1.905 मिमी की चेन पिच के साथ दुनिया की सबसे छोटी रोलर चेन

इसकी ऊंचाई, समग्र चौड़ाई और द्रव्यमान भी पारंपरिक उत्पादों से भिन्न है, जिससे अविश्वसनीय रूप से छोटे स्थान में भी प्रसारण संभव हो जाता है।

2.पर्याप्त शक्ति सुनिश्चित करें

पर्याप्त शक्ति सुनिश्चित करता है

[बड़ा करने के लिए क्लिक करें]

यद्यपि श्रृंखला छोटी है, लेकिन इसकी तन्य शक्ति 0.36kN है।

त्सुबाकी ने एक छोटी किन्तु मजबूत, उच्च-विशिष्ट श्रृंखला बनाने के लिए अपनी मुख्य प्रौद्योगिकी का उदारतापूर्वक उपयोग किया है।

आम तौर पर, छोटी चेनें रोलर्स के बिना बुश्ड चेन हैं, लेकिन हमने रोलर्स के साथ एक संरचना चुनी है।

इससे स्प्रोकेट और अन्य परिधीय भागों का जीवन काल बढ़ाने में मदद मिलती है।

3. संक्षारक वातावरण के लिए उपयुक्त

संक्षारक वातावरण के लिए उपयुक्त

हम स्टेनलेस स्टील को सामग्री के रूप में उपयोग करते हैं ताकि इसे विभिन्न वातावरणों में लंबे समय तक इस्तेमाल किया जा सके।

इसका उपयोग ऐसे वातावरण में किया जा सकता है जहां पानी मौजूद हो, जैसे सफाई करते समय।

छोटे ट्रांसमिशन भागों के साथ तुलना

विश्व का सबसे छोटा आकार प्राप्त करके, इसका उपयोग ऐसे अनुप्रयोगों में किया जा सकता है जहां पारंपरिक चेन अनुपयुक्त हैं, तथा इसे बेल्ट और तारों के प्रतिस्थापन के रूप में भी इस्तेमाल किया जा सकता है।

श्रृंखला की ताकत

  • विश्वसनीय विद्युत संचरण
    घर्षण के माध्यम से शक्ति संचरण के विपरीत, मेशिंग संचरण फिसलन को रोकता है।
  • एक्सट्रूज़न अनुप्रयोगों के लिए इस्तेमाल किया जा सकता है
    इसकी उच्च कठोरता का अर्थ है कि आगे और पीछे की ओर गति के दौरान भी इसके मुड़ने की संभावना कम होती है।
  • कॉम्पैक्ट बेंड
    तार रस्सियों या बेल्ट के कोर तार के विपरीत, इसमें झुकने के कारण विरूपण या टूटने का कोई खतरा नहीं होता है।

एप्सिलॉन
जंजीर

एप्सिलॉन चेन

छोटी पिच
दांतों से
बेल्ट

छोटे-पिच दांतेदार बेल्ट

छोटा व्यास
तार
रस्सी

छोटे व्यास की तार रस्सी
कॉम्पैक्ट
तन्यता ताकत -
पोजिशनिंग
शुद्धता
X
एक्सट्रूज़न
उद्देश्य
X X
स्थापना तनाव
सेटिंग
○(अनावश्यक) X(आवश्यक) -

"एप्सिलॉन चेन स्टेनलेस स्टील स्पेसिफिकेशन" को कॉम्पैक्ट रूप से लपेटा जा सकता है और इसका उपयोग संकीर्ण और जटिल लेआउट में भी किया जा सकता है।

दांतेदार बेल्ट या तार रस्सियों को ले जाने वाली पुलियों को गिरने से बचाने के लिए फ्लैंज की आवश्यकता होती है, जिससे पिच सर्कल व्यास की दिशा में आवश्यक स्थान बढ़ जाता है।

लगभग 7.6 मिमी
कॉम्पैक्ट

अनुप्रयोग उदाहरण

श्रृंखला का आकार छोटा करने से छोटे और हल्के अनुप्रयोगों की अनुमति मिलती है।

इसके अतिरिक्त, कम बैकलैश से परिचालन सटीकता में सुधार होने की उम्मीद है।

एंडोस्कोप उपकरण की नियंत्रण इकाई

एंडोस्कोप उपकरण की नियंत्रण इकाई

अन्य अनुप्रयोग

अंतिम प्रभावक

अंतिम प्रभावक

फसल कटाई रोबोट

फसल कटाई रोबोट

सहायक सूट

सहायक सूट

कृत्रिम हाथ

कृत्रिम हाथ

विनिर्देश

एप्सिलॉन चेन स्टेनलेस स्टील विनिर्देश

प्रोडक्ट का नाम

एप्सिलॉन चेन स्टेनलेस स्टील विनिर्देश

विशेष विवरण

आयाम
प्रोडक्ट का नाम पिच
P
रोलर व्यास
आर
आंतरिक लिंक
आंतरिक चौड़ाई
डब्ल्यू
प्लेट
मोटाई
टी
चौड़ाई
एच
चौड़ाई
एच
RS6-ESS-1 1.905 1.19 1.27 0.25 1.81 1.56
पिन न्यूनतम तन्य शक्ति
केएन{किलोग्राम}
अनुमानित द्रव्यमान
किग्रा/मी
1 इकाई
लिंक की संख्या
व्यास डी L1 L2
0.596 1.4 2.1 0.36
{37}
0.017 532

मॉडल संख्या प्रदर्शन उदाहरण

RS6 - ESS - 1 - RP + 151L - RR
आकार विनिर्देश धागों की संख्या मुख्य इकाई
नत्थी करना
प्रारूप
लिंक की संख्या अंत
प्रतीक

टिप्पणी)

  • 1. यह उत्पाद एक बहुत छोटी श्रृंखला है, और पारंपरिक आकार की श्रृंखलाओं की तुलना में इसके संचालन में कई अंतर हैं।
    कृपया ध्यान दें कि ड्राइव चेन और स्प्रोकेट कैटलॉग के तकनीकी नोट्स और त्सुबाकी पावर ट्रांसमिशन प्रोडक्ट्स सूचना वेबसाइट पर तकनीकी डेटा में दी गई कुछ तकनीकी जानकारी इस उत्पाद पर लागू नहीं हो सकती है। चयन और उपयोग संबंधी जानकारी के लिए, कृपया हमसे संपर्क करें।
  • 2 प्लेट पर कोई मुद्रांकन नहीं है।
  • 3 पिन रिवेट नहीं हैं।
  • 4. कोई ऑफसेट लिंक नहीं हैं।
  • हम 5 यूनिट से अधिक लंबे ट्रेन सेट का समर्थन नहीं करते हैं।
  • 6. 40 से कम लिंक वाले अंतहीन ट्रेन कॉन्फ़िगरेशन के लिए, कनेक्टिंग लिंक का उपयोग करें।
    अनंत ट्रेन कॉन्फ़िगरेशन के बारे में जानकारी के लिए कृपया हमसे संपर्क करें।
    विषम संख्या वाले लिंकों के लिए, दोनों सिरों पर स्थित लिंक आंतरिक लिंक होंगे। यदि आपको ऊपर वर्णित कॉन्फ़िगरेशन से भिन्न कॉन्फ़िगरेशन की आवश्यकता है, तो कृपया हमसे संपर्क करें।

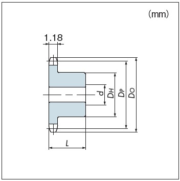
आयाम

शृंखला

केवल एप्सिलॉन चेन स्टेनलेस स्टील विनिर्देशों
स्प्रोकेट

विशेष विवरण

आयाम
मॉडल संख्या दांतों की संख्या पिच सर्कल
व्यास
D P
बहरी घेरा
करना
शाफ्ट छेद व्यास
डी
केंद्र पेंच छेद सेट करें अनुमानित
द्रव्यमान
g
व्यास
डी एच
लंबाई
एल
RS6-1B9T-ESS-2 9 5.57 6.3 2 5.5 5 3-M1.6 0.6
RS6-1B15T-ESS-3 15 9.16 10.1 3 7.8 6.5 3-M2.5 1.8
RS6-1B21T-ESS-4 21 12.78 13.7 4 10 6 2-M3 3.2

टिप्पणी)

  • 1. यह सामग्री स्टेनलेस स्टील है।
  • 2. दांतों की न्यूनतम संख्या 9T है। हम अन्य दांतों की संख्या और विशिष्टताओं के साथ भी निर्माण कर सकते हैं, इसलिए कृपया हमसे संपर्क करें।
  • शाफ्ट के तीनों छेद तैयार हैं और इनमें सेट स्क्रू लगे हुए हैं।
  • 4. हम घिसाव प्रतिरोध को बेहतर बनाने के लिए सतह उपचार भी प्रदान करते हैं; विवरण के लिए कृपया हमसे संपर्क करें।

रखरखाव जिग्स

चेन क्रैडल

प्रोडक्ट का नाम

केवल एप्सिलॉन चेन के साथ उपयोग के लिए
चेन क्रैडल

विशेष विवरण

चेन क्रैडल
मॉडल संख्या आकार
L H B
RS6-CR 50 15 20
विशेष पंच

प्रोडक्ट का नाम

एप्सिलॉन चेन के लिए विशेष रूप से बनाया गया पंच

विशेष विवरण

विशेष पंच
मॉडल संख्या कुल लंबाई मिमी
RS-P10 77

एप्सिलॉन चेन काटने और जोड़ने के तरीके के बारे में निर्देश प्राप्त करने के लिए यहां क्लिक करें।