तकनीकी डेटा रेड्यूसर वर्म रेड्यूसर मोटर विनिर्देश
ब्रेक
1. ब्रेकिंग विशेषताएँ
| मोटर आउटपुट | तीन फ़ेज़ | 0.1kW | 0.2kW | 0.4kW | 0.75kW | 1.5kW | 2.2kW | 3.7kW | 5.5kW |
|---|---|---|---|---|---|---|---|---|---|
| ब्रेक मॉडल संख्या | तीन चरण 200V | SLB01 | SLB02 | SLB04 | SLB07E | SLB15 | SLB22 | VNB371K NB-31190 | VNB55KE |
| तीन चरण 400V | SLB01 | SLB02 | SLB04V | SLB07E 180V | SLB15 180V | SLB22 180V | VNB371KV NB-31192 | VNB55KE | |
| डीसी रिक्टिफ़ायर मॉडल संख्या |
तीन चरण 200V | DM200D | DM200D | PM180B | |||||
| तीन चरण 400V | DM400D | ||||||||
| रेटेड टॉर्क | स्थैतिक घर्षण बल आघूर्ण N・m | 0.98 | 1.96 | 3.92 | 7.35 | 15 | 22 | 37 | 55 |
| {kgf・m} | 0.1 | 0.2 | 0.40 | 0.75 | 1.50 | 2.20 | 3.77 | 5.61 | |
| गतिशील घर्षण टॉर्क N・m | 0.78 | 1.57 | 3.14 | 5.88 | 12.0 | 17.6 | 29.6 | 44 | |
| {kgf・m} | 0.08 | 0.16 | 0.32 | 0.60 | 1.20 | 1.79 | 3.02 | 4.48 | |
| वोल्टेज | तीन चरण 200V | DC90V | DC90V | तात्कालिक 180V हमेशा 50V |
|||||
| तीन चरण 400V | DC180V | ||||||||
| मौजूदा 20℃ पर |
तीन चरण 200V | 0.178 | 0.178 | 0.232 | 0.273 | 0.289 | 0.289 | 0.261 | 0.253 |
| तीन चरण 400V | 0.142 | 0.145 | 0.145 | 0.135 | |||||
| क्षमता | at 20 ℃ W | 16.0 | 16.0 | 20.9 | 24.6/25.5 | 26.0/26.1 | 26.0/26.1 | 26.1/26.1 | 12.6/40.7 |
| प्रारंभिक अंतराल मिमी | 0.15 ~ 0.20 | 0.15 ~ 0.20 | 0.15 ~ 0.20 | 0.15 ~ 0.20 | 0.15 ~ 0.20 | 0.15 ~ 0.20 | 0.3 | 0.35 | |
| सीमा अंतराल मिमी | 0.5 | 0.5 | 0.5 | 0.5 | 0.5 | 0.5 | 1.2 | 1.2 | |
| जड़त्व आघूर्ण kg m 2 | 0.02×10-3 | 0.04×10-3 | 0.04×10-3 | 0.11×10-3 | 0.21×10-3 | 0.50×10-3 | 0.50×10-3 | 1.70×10-3 | |
| GD2 kgf ・m2 | 0.10×10-3 | 0.15×10-3 | 0.15×10-3 | 0.44×10-3 | 0.80×10-3 | 2.00×10-3 | 2.00×10-3 | 6.8×10-3 | |
| कुल ब्रेकिंग कार्य J {किलोग्राम・मी} |
1.31×108 | 1.85×108 | 1.85×108 | 3.66×108 | 3.73×108 | 3.73×108 | 13.5×108 | 24.7×108 | |
| 1.34×107 | 1.89×107 | 1.89×107 | 3.73×107 | 3.81×107 | 3.81×107 | 13.8×107 | 25.2×107 | ||
| स्वीकार्य स्टार्टअप आवृत्ति | 10 बार/मिनट | ||||||||
| ब्रेकिंग विलंब समय एस (संदर्भ मान) |
एसी आंतरिक वायरिंग | 0.18 ~ 0.25 | 0.15 ~ 0.21 | 0.14 ~ 0.17 | 0.20 ~ 0.24 | 0.30 ~ 0.45 | 0.30 ~ 0.45 | 0.50 ~ 0.70 (0.40 ~ 0.60) |
- |
| एसी बाहरी वायरिंग | 0.11 ~ 0.18 | 0.09 ~ 0.12 | 0.06 ~ 0.09 | 0.10 ~ 0.13 | 0.10 ~ 0.13 | 0.10 ~ 0.13 | 0.20 ~ 0.40 | - | |
| एसी बाहरी संचालन | 0.11 ~ 0.18 | 0.09 ~ 0.12 | 0.06 ~ 0.09 | 0.10 ~ 0.13 | 0.10 ~ 0.13 | 0.10 ~ 0.13 | 0.20 ~ 0.40 | 0.03 ~ 0.05 | |
| डीसी बाहरी वायरिंग | 0.05 ~ 0.07 | 0.04 ~ 0.06 | 0.03 ~ 0.05 | 0.04 ~ 0.06 | 0.01 ~ 0.06 | 0.01 ~ 0.06 | - (0.02 ~ 0.04) |
- | |
- नोट 1) रेटेड टॉर्क फिटिंग के बाद स्थैतिक घर्षण टॉर्क और गतिशील घर्षण टॉर्क को इंगित करता है।
- नोट 2) ब्रेकिंग विलंब समय एक संदर्भ मान है और ब्रेक की स्थिति, उपयोग की स्थिति, व्यक्तिगत अंतर आदि के आधार पर भिन्न हो सकता है। यदि आप ब्रेकिंग विलंब समय (उठाने वाले उपकरणों आदि के लिए) को छोटा करना चाहते हैं, तो हम डीसी बाहरी वायरिंग की सलाह देते हैं।
- नोट 3) धारा और क्षमता 200V/400V पर मान हैं।
2. रेक्टिफायर (डीसी रिक्टिफ़ायर)
डीसी रिक्टिफ़ायर बिल्ट-इन है और मोटर लीड तारों से पहले से ही जुड़ा हुआ है। यदि आप डीसी बाहरी वायरिंग सर्किट का उपयोग करना चाहते हैं, तो कृपया ऑर्डर करते समय इसकी जानकारी दें, या इस वायरिंग आरेख के अनुसार कनेक्ट करें।
यदि आपको नियंत्रण पैनल आदि में उपयोग के लिए एक अलग डीसी रिक्टिफ़ायर आवश्यकता है, तो कृपया अपना ऑर्डर देते समय इसका उल्लेख करें।
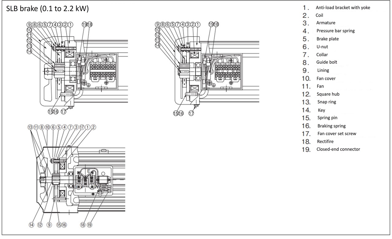
3. ब्रेक सेक्शन संरचना
*मैन्युअल रिलीज़ [मानक उपकरण: 0.1kW से 2.2kW]
- - आउटपुट शाफ्ट पर कोई भार लागू किए बिना रिलीज ऑपरेशन निष्पादित करें।
- - पंखे का कवर हटाएँ और स्क्रू लगाएँ।
- काम पूरा करने के बाद, संचालन शुरू करने से पहले स्क्रू को हटाना और पंखे का कवर लगाना सुनिश्चित करें।

नोट) 1.5kW और 2.2kW मॉडल M6 स्क्रू का उपयोग करते हैं।
