तकनीकी डेटा रेड्यूसर वर्म रेड्यूसर मोटर विनिर्देश
तारों
1. घूर्णन दिशा
| मोटर क्षमता | कनेक्शन | घूर्णन दिशा | कनेक्शन | घूर्णन दिशा |
|---|---|---|---|---|
| 0.1kW ~ 5.5kW |
![]() |
![]() |
![]() |
![]() |
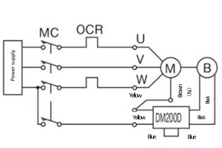
2. ब्रेक मोटर वायरिंग
- ・मानक उत्पादों को एसी आंतरिक वायरिंग के साथ भेज दिया जाता है।
- ・प्रतिक्रिया समय वायरिंग के आधार पर भिन्न होता है, इसलिए नीचे दिए गए आरेख को देखें और अपने अनुप्रयोग के अनुसार उपयुक्त सेटिंग का चयन करें।
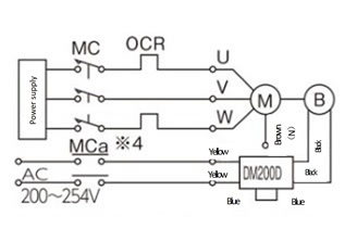
| उपयोग | तीन चरण 200V | तीन चरण 400V | |||
|---|---|---|---|---|---|
| 0.1kW ~ 5.5kW | 0.1kW ~ 0.4kW | 0.75kW ~ 3.7kW | 5.5kW | ||
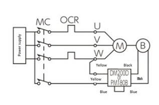
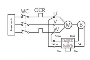
| एसी आंतरिक वायरिंग |
|
केवल 5.5kW मॉडल PM180B है। |
![]() |
![]() |
- |
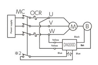
| एसी बाहरी वायरिंग |
|
केवल 5.5kW मॉडल PM180B है। |
![]() |
![]() |
- |
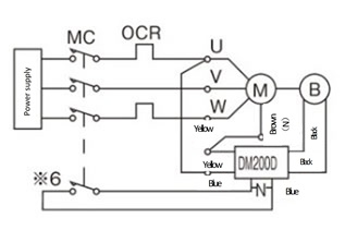
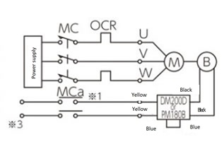
| एसी बाहरी संचालन |
|
*3 3 से चिह्नित ब्रेक के लिए आपूर्ति वोल्टेज 0.1kW और 0.2kW के लिए AC200V से AC254V है। |
नोट: टर्मिनल ब्लॉक से बंद-अंत कनेक्टर के साथ भूरे रंग (एन) तार को इन्सुलेट करना सुनिश्चित करें। |
![]() |
![]() |
| डीसी बाहरी वायरिंग |
|
PM180B को DC पर स्विच नहीं किया जा सकता। |
![]() |
![]() |
- |
- एम: मोटर
- बी: ब्रेक
- MC: चुंबकीय संपर्कक
- एमसीए: सहायक रिले
- OCR: ओवरकरंट रिले DM200D, PM180B, DM400D
- -N-: सुरक्षा तत्व (वैरिस्टर)
- नोट 1) ब्रेक वोल्टेज DC 90V है (जब AC 200V DM200D और PM180B में इनपुट होता है)।
- नोट 2) डीसी बाहरी वायरिंग उपयोग करते समय, ब्रेक पावर सप्लाई मॉड्यूल वायरिंग की लंबाई, वायरिंग विधि, रिले के प्रकार आदि के आधार पर क्षतिग्रस्त हो सकता है, इसलिए डीसी बाहरी वायरिंग टर्मिनलों के बीच एक वैरिस्टर लगाएँ। इसे ब्रेक पावर सप्लाई मॉड्यूल के पास (नीले लीड वायर से) लगाना अधिक प्रभावी होता है। विशिष्ट वैरिस्टर मॉडल नंबर नीचे दिए गए हैं, लेकिन समतुल्य वैरिस्टर भी इस्तेमाल किए जा सकते हैं। DM200D के लिए, 470V का वैरिस्टर वोल्टेज चुनें। (DM400D में एक अंतर्निर्मित वैरिस्टर है, इसलिए किसी बाहरी इंस्टॉलेशन की आवश्यकता नहीं है।)
प्रोडक्ट का नाम उत्पादक मॉडल संख्या DM200D का उपयोग करते समय सर्ज अवशोषक पैनासोनिक कॉर्पोरेशन ERZV14D471 सिरेमिक वैरिस्टर निप्पोन केमि-कॉन TND14V-471KB00AAA0 - नोट 3) *1 में सहायक रिले (MCa) की संपर्क क्षमता AC200V7A या उससे अधिक (प्रतिरोधक भार) होनी चाहिए।
*2 यदि आप MC सहायक संपर्क या सहायक रिले का उपयोग करते हैं, तो संपर्क क्षमता AC200V10A या अधिक (प्रतिरोधक भार) होनी चाहिए। - नोट 4) *4 में सहायक रिले (MCa) के लिए, AC 400 से 440V के संपर्क वोल्टेज और 1A या अधिक के प्रेरक भार वाले रिले का उपयोग करें।
- नोट 5) *5 के सहायक रिले (MCa) के लिए, AC400 से 440V के संपर्क वोल्टेज और 1A या अधिक के प्रेरक भार के साथ श्रृंखला में जुड़ी दो या तीन इकाइयों का उपयोग करें।












