तकनीकी डेटा सिंक्रोनस बेल्ट्स और बेल्ट स्प्रॉकेट्स डिज़ाइन डेटा
चयन और डिजाइन (लॉक बेल्ट स्प्रॉकेट्स एस प्रकार, एस प्रकार प्लेटेड विनिर्देश)
अधिकतम ट्रांसमिशन टॉर्क की जाँच करें
एस-प्रकार लॉक बेल्ट स्प्रॉकेट्स चयन करने के लिए नीचे दिए गए चरणों का पालन करें।
अधिकतम टॉर्क और थ्रस्ट लोड की गणना ट्रांसमिशन क्षमता को सर्विस कारक से गुणा करके की जाती है।
अधिकतम टॉर्क T अधिकतम
[एस आई यूनिट]
Tmax (N・m) = 9550 × KW × SF n
गुरुत्वाकर्षण इकाइयाँ
Tmax (kgf・m) = 974 × KW × SF n
अधिकतम थ्रस्ट लोड P अधिकतम
Pmax (N{kgf}) = Pax × SF
- KW: ट्रांसमिशन क्षमता kW
- SF: सर्विस कारक (नीचे दी गई तालिका से चुनें)
- n: घूर्णन गति r/min
- पैक्स: अधिकतम थ्रस्ट लोड N{kgf}
जब टॉर्क और थ्रस्ट लोड एक साथ लागू होते हैं, तो निम्नलिखित सूत्र का उपयोग करके संयुक्त लोड MR अधिकतम की गणना करें।
MR अधिकतम = (T अधिकतम) 2 + (P अधिकतम × d /2000) 2 N・m{kgf・m} d: शाफ्ट व्यास (मिमी)
ऊपर प्राप्त टी अधिकतम या एमआर अधिकतम की तुलना आस्तीन के ट्रांसमिशन टॉर्क माउंट के साथ करें।
इसका उपयोग तब किया जा सकता है जब Mt ≧ T अधिकतम या MR अधिकतम हो।
यदि Mt < T अधिकतम या MR अधिकतम हो तो इसका उपयोग नहीं किया जा सकता।
सर्विस कारक SF
| लोड की स्थिति | सर्विस कारक SF | |
|---|---|---|
| सुचारू, झटका-रहित संचरण | छोटा भार जड़त्व जड़त्व अनुपात 1.0 या उससे कम |
1.2~1.5 |
| हल्के प्रभाव के साथ संचरण | भार जड़त्व के दौरान जड़त्व अनुपात 1.0~3.0 |
1.5~2.0 |
| उच्च आघात भार या आगे/पीछे |
बड़ा भार जड़त्व जड़त्व अनुपात 3.0 या अधिक |
2.0~5.0 |
अक्ष पर विचार करते हुए
ऐसी सामग्री से बने शाफ्ट का उपयोग करें जो निम्नलिखित सूत्र को संतुष्ट करता हो।
δ0.2S ≧ 1.2 × P
δ 0.2S: शाफ्ट सामग्री का उपज बिंदु (एमपीए) P: शाफ्ट पक्ष दबाव (एमपीए)
खोखले शाफ्ट का उपयोग करते समय, आंतरिक व्यास d B वाले शाफ्ट का उपयोग करें जो निम्नलिखित सूत्र को संतुष्ट करता हो।
dB ≦ d × δ0.2S - 2 × P δ0.2S
d: शाफ्ट व्यास (मिमी) δ 0.2S: शाफ्ट सामग्री का उपज बिंदु (एमपीए)
एल्यूमीनियम के प्रकार के बारे में
कम तापमान (0°C से नीचे) या उच्च तापमान (50°C से ऊपर) पर उपयोग करते समय, तापीय विस्तार के कारण होने वाले आयामी परिवर्तन बेल्ट और पुली के बीच असंतुलन पैदा कर सकते हैं, जिससे बेल्ट जल्दी घिस सकती है। कृपया विवरण के लिए हमसे संपर्क करें।
| [संदर्भ] तापीय प्रसार गुणांक | विशिष्ट गुरुत्व (g/cm 3) |
| एल्युमिनियम: 23.9 × 10-6 | 2.8 |
| कार्बन स्टील: 11.7 × 10-6 | 7.8 |
अनुमानित द्रव्यमान
मानक स्थापना के लिए, अनुमानित द्रव्यमान मानक स्टॉक बेल्ट स्प्रॉकेट्स का द्रव्यमान तथा तालिका में दिए गए अतिरिक्त द्रव्यमान का योग होता है।
फ्लैट माउंटिंग के लिए, अनुमानित द्रव्यमान मानक स्टॉक बेल्ट स्प्रॉकेट्स द्रव्यमान में से तालिका में घटाया गया द्रव्यमान घटाकर प्राप्त होता है।
| आस्तीन फ्रेम संख्या | इंस्टॉलेशन तरीका | |
|---|---|---|
| मानक स्थापना | फ्लैट माउंटिंग | |
| अतिरिक्त द्रव्यमान किग्रा | घटाया गया द्रव्यमान किग्रा | |
| S1 | 0.1 | 0.1 |
| S2 | 0.1 | 0.1 |
| S3 | 0.1 | 0.2 |
| S4 | 0.2 | 0.3 |
| S5 | 0.3 | 0.4 |
| S6 | 0.5 | 0.6 |
| S7 | 0.9 | 1.0 |
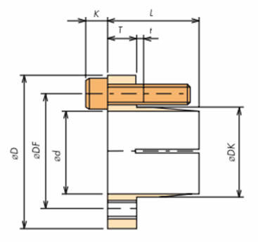
आस्तीन विनिर्देश (लॉक बेल्ट स्प्रॉकेट्स एस प्रकार)
*खोलने और बंद करने के लिए क्लिक करें।
एस प्रकार आस्तीन विनिर्देश
| आस्तीन | सामग्री | मशीन संरचनाओं के लिए कार्बन स्टील |
|---|---|---|
| उष्मा उपचार | ठंडा करना और गर्म करना | |
| बन्धन बोल्ट | हेक्सागोन सॉकेट हेड बोल्ट (JIS B 1176) शक्ति वर्गीकरण: 12.9 |
|
| सामग्री | संरचनात्मक मिश्र धातु इस्पात | |
| उष्मा उपचार | ठंडा करना और गर्म करना | |
| सतह का उपचार | काली ऑक्साइड कोटिंग | |
आस्तीन के आयाम
| आस्तीन फ़्रेम संख्या |
शाफ्ट छेद व्यास डी |
आस्तीन बाहरी व्यास ΦD |
माउंटिंग छेद पिच सर्कल व्यास ΦDF |
शंकु बाहरी व्यास ΦDK |
आस्तीन पूर्ण लंबाई एल |
निकला हुआ मोटाई टी |
सीधा खंड लंबाई टी |
बोल्ट हेड ऊंचाई कश्मीर |
कस पेंच आकार |
पेंच छेद | आघूर्ण कसाव N・m {kgf・m} |
|---|---|---|---|---|---|---|---|---|---|---|---|
| S1 | 10 | 32 | 24 | 18.6 | 18 | 6 | 2 | 4 | M4×16 | M4 | 4.2 {0.43} |
| 11 | |||||||||||
| 12 | |||||||||||
| 14 | |||||||||||
| 15 | |||||||||||
| 16 | |||||||||||
| S2 | 15 | 42 | 32 | 25.2 | 22 | 7 | 2 | 5 | M5×18 | M5 | 8.3 {0.85} |
| 16 | |||||||||||
| 17 | |||||||||||
| 18 | |||||||||||
| 19 | |||||||||||
| 20 | |||||||||||
| 22 | |||||||||||
| S3 | 24 | 48.5 | 38.5 | 31.2 | 23.5 | 8 | 2.5 | 5 | M5×20 | M5 | 8.3 {0.85} |
| 25 | |||||||||||
| 28 | |||||||||||
| S4 | 24 | 56 | 46 | 38.6 | 26 | 8 | 2.5 | 5 | M5×20 | M5 | 8.3 {0.85} |
| 25 | |||||||||||
| 28 | |||||||||||
| 30 | |||||||||||
| 32 | |||||||||||
| 35 | |||||||||||
| S5 | 35 | 66 | 56 | 48.8 | 29 | 10 | 2.5 | 5 | M5×22 | M5 | 8.3 {0.85} |
| 38 | |||||||||||
| 40 | |||||||||||
| 42 | |||||||||||
| 45 | |||||||||||
| S6 | 48 | 80 | 68 | 60 | 36 | 12 | 3 | 6 | M6×25 | M6 | 16.8 {1.71} |
| 50 | |||||||||||
| 55 | |||||||||||
| S7 | 60 | 101 | 86 | 75.5 | 40 | 13 | 3.5 | 8 | M8×30 | M8 | 40.5 {4.13} |
| 65 | |||||||||||
| 70 |
कसने वाले बोल्ट के उपयोग की स्थिति
・बन्धन बोल्ट की स्थिति का उपयोग करें ○खुला छेद ◎थ्रेडेड छेद (आस्तीन हटाने के लिए थ्रेडेड छेद)
| आस्तीन फ़्रेम संख्या |
कसने वाले बोल्ट की स्थिति | आस्तीन फ़्रेम संख्या |
कसने वाले बोल्ट की स्थिति |
|---|---|---|---|
| S1 | ![]() |
S5 | ![]() |
| S2 | ![]() |
S6 | ![]() |
| S3 | ![]() |
S7 | ![]() |
| S4 | ![]() |
आस्तीन विनिर्देश (लॉक बेल्ट स्प्रॉकेट्स एस प्रकार)
*खोलने और बंद करने के लिए क्लिक करें।
आस्तीन प्रदर्शन
| आस्तीन फ़्रेम संख्या |
पेंच संख्या |
शाफ्ट छेद व्यास डी मिमी |
पेंच आकार |
बोल्ट कसने का टॉर्क एम.ए. N・m {kgf・m} |
ट्रांसमिशन टॉर्क मीट्रिक टन N・m {kgf・m} |
थ्रस्ट लोड शांति केएन {किलोग्राम} |
शाफ्ट साइड दबाव पी एमपीए {किलोग्राम/ मिमी2} |
हब साइड दबाव पी' एमपीए {किलोग्राम/ मिमी2} |
न्यूनतम हब व्यास मिमी | |||
|---|---|---|---|---|---|---|---|---|---|---|---|---|
| सामग्री | ||||||||||||
| SS400 | S35C | S45C | A7075-T6 | |||||||||
| S1 | 3 | 10 | M4×16 | 4.2 {0.43} | 43 {4.4} | 8.6 {882} | 196 {20.0} | 111 {11.3} | 35 | 30 | 29 | 29 |
| 11 | 48 {4.8} | 8.6 {882} | 179 {18.2} | 111 {11.3} | 35 | 30 | 29 | 29 | ||||
| 12 | 52 {5.3} | 8.6 {882} | 164 {16.7} | 111 {11.3} | 35 | 30 | 29 | 29 | ||||
| 14 | 60 {6.2} | 8.6 {882} | 140 {14.3} | 111 {11.3} | 35 | 30 | 29 | 29 | ||||
| 15 | 65 {6.6} | 8.6 {882} | 131 {13.4} | 111 {11.3} | 35 | 30 | 29 | 29 | ||||
| 16 | 69 {7.1} | 8.6 {882} | 123 {12.5} | 111 {11.3} | 35 | 30 | 29 | 29 | ||||
| 4 | 10 | 58 {5.9} | 11.5 {1176} | 262 {26.7} | 148 {15.1} | 44 | 34 | 32 | 33 | |||
| 11 | 63 {6.5} | 11.5 {1176} | 238 {24.3} | 148 {15.1} | 44 | 34 | 32 | 33 | ||||
| 12 | 69 {7.1} | 11.5 {1176} | 218 {22.3} | 148 {15.1} | 44 | 34 | 32 | 33 | ||||
| 14 | 81 {8.2} | 11.5 {1176} | 187 {19.1} | 148 {15.1} | 44 | 34 | 32 | 33 | ||||
| 15 | 86 {8.8} | 11.5 {1176} | 175 {17.8} | 148 {15.1} | 44 | 34 | 32 | 33 | ||||
| 16 | 92 {9.4} | 11.5 {1176} | 164 {16.7} | 148 {15.1} | 44 | 34 | 32 | 33 | ||||
| 6 | 14 | 121 {12.3} | 17.3 {1764} | 281 {28.6} | 222 {22.6} | उपलब्ध नहीं है | 49 | 42 | 44 | |||
| 15 | 130 {13.2} | 17.3 {1764} | 262 {26.7} | 222 {22.6} | उपलब्ध नहीं है | 49 | 42 | 44 | ||||
| 16 | 138 {14.1} | 17.3 {1764} | 245 {25.0} | 222 {22.6} | उपलब्ध नहीं है | 49 | 42 | 44 | ||||
| S2 | 3 | 15 | M5×18 | 8.3 {0.85} | 105 {10.7} | 13.9 {1423} | 163 {16.6} | 101 {10.3} | 45 | 39 | 38 | 38 |
| 16 | 112 {11.4} | 13.9 {1423} | 152 {15.5} | 101 {10.3} | 45 | 39 | 38 | 38 | ||||
| 17 | 119 {12.1} | 13.9 {1423} | 143 {14.6} | 101 {10.3} | 45 | 39 | 38 | 38 | ||||
| 18 | 126 {12.8} | 13.9 {1423} | 135 {13.8} | 101 {10.3} | 45 | 39 | 38 | 38 | ||||
| 19 | 133 {13.5} | 13.9 {1423} | 128 {13.1} | 101 {10.3} | 45 | 39 | 38 | 38 | ||||
| 20 | 139 {14.2} | 13.9 {1423} | 122 {12.4} | 101 {10.3} | 45 | 39 | 38 | 38 | ||||
| 22 | 153 {15.7} | 13.9 {1423} | 111 {11.3} | 101 {10.3} | 45 | 39 | 38 | 38 | ||||
| 4 | 15 | 139 {14.2} | 18.6 {1898} | 217 {22.1} | 135 {13.8} | 54 | 44 | 41 | 42 | |||
| 16 | 149 {15.2} | 18.6 {1898} | 203 {20.7} | 135 {13.8} | 54 | 44 | 41 | 42 | ||||
| 17 | 158 {16.1} | 18.6 {1898} | 191 {19.5} | 135 {13.8} | 54 | 44 | 41 | 42 | ||||
| 18 | 167 {17.1} | 18.6 {1898} | 181 {18.4} | 135 {13.8} | 54 | 44 | 41 | 42 | ||||
| 19 | 177 {18.0} | 18.6 {1898} | 171 {17.5} | 135 {13.8} | 54 | 44 | 41 | 42 | ||||
| 20 | 186 {19.0} | 18.6 {1898} | 163 {16.6} | 135 {13.8} | 54 | 44 | 41 | 42 | ||||
| 22 | 205 {20.9} | 18.6 {1898} | 148 {15.1} | 135 {13.8} | 54 | 44 | 41 | 42 | ||||
| 6 | 17 | 237 {24.2} | 27.9 {2846} | 287 {29.3} | 203 {20.7} | 124 | 59 | 52 | 54 | |||
| 18 | 251 {25.6} | 27.9 {2846} | 271 {27.6} | 203 {20.7} | 124 | 59 | 52 | 54 | ||||
| 19 | 265 {27.0} | 27.9 {2846} | 257 {26.2} | 203 {20.7} | 124 | 59 | 52 | 54 | ||||
| 20 | 279 {28.5} | 27.9 {2846} | 244 {24.9} | 203 {20.7} | 124 | 59 | 52 | 54 | ||||
| 22 | 307 {31.3} | 27.9 {2846} | 222 {22.6} | 203 {20.7} | 124 | 59 | 52 | 54 | ||||
| S3 | 3 | 24 | M5×20 | 8.3 {0.85} | 167 {17.1} | 13.9 {1423} | 102 {10.4} | 81 {8.3} | 49 | 44 | 43 | 44 |
| 25 | 174 {17.8} | 13.9 {1423} | 98 {10.0} | 81 {8.3} | 49 | 44 | 43 | 44 | ||||
| 28 | 195 {19.9} | 13.9 {1423} | 87 {8.9} | 81 {8.3} | 49 | 44 | 43 | 44 | ||||
| 4 | 24 | 223 {22.8} | 18.6 {1898} | 135 {13.8} | 108 {11.0} | 56 | 49 | 47 | 47 | |||
| 25 | 232 {23.7} | 18.6 {1898} | 130 {13.3} | 108 {11.0} | 56 | 49 | 47 | 47 | ||||
| 28 | 260 {26.6} | 18.6 {1898} | 116 {11.8} | 108 {11.0} | 56 | 49 | 47 | 47 | ||||
| 6 | 24 | 335 {34.2} | 27.9 {2846} | 203 {20.7} | 162 {16.6} | 82 | 59 | 55 | 57 | |||
| 25 | 349 {35.6} | 27.9 {2846} | 195 {19.9} | 162 {16.6} | 82 | 59 | 55 | 57 | ||||
| 28 | 391 {39.9} | 27.9 {2846} | 174 {17.8} | 162 {16.6} | 82 | 59 | 55 | 57 | ||||
| S4 | 3 | 24 | M5×20 | 8.3 {0.85} | 167 {17.1} | 13.9 {1423} | 85 {8.7} | 55 {5.6} | 53 | 50 | 49 | 49 |
| 25 | 174 {17.8} | 13.9 {1423} | 82 {8.3} | 55 {5.6} | 53 | 50 | 49 | 49 | ||||
| 28 | 195 {19.9} | 13.9 {1423} | 73 {7.5} | 55 {5.6} | 53 | 50 | 49 | 49 | ||||
| 30 | 209 {21.3} | 13.9 {1423} | 68 {7.0} | 55 {5.6} | 53 | 50 | 49 | 49 | ||||
| 32 | 223 {22.8} | 13.9 {1423} | 64 {6.5} | 55 {5.6} | 53 | 50 | 49 | 49 | ||||
| 35 | 244 {24.9} | 13.9 {1423} | 58 {6.0} | 55 {5.6} | 53 | 50 | 49 | 49 | ||||
| 4 | 24 | 223 {22.8} | 18.6 {1898} | 114 {11.6} | 73 {7.5} | 58 | 53 | 51 | 52 | |||
| 25 | 232 {23.7} | 18.6 {1898} | 109 {11.1} | 73 {7.5} | 58 | 53 | 51 | 52 | ||||
| 28 | 260 {26.6} | 18.6 {1898} | 97 {9.9} | 73 {7.5} | 58 | 53 | 51 | 52 | ||||
| 30 | 279 {28.5} | 18.6 {1898} | 91 {9.3} | 73 {7.5} | 58 | 53 | 51 | 52 | ||||
| 32 | 298 {30.4} | 18.6 {1898} | 85 {8.7} | 73 {7.5} | 58 | 53 | 51 | 52 | ||||
| 35 | 325 {33.2} | 18.6 {1898} | 78 {7.9} | 73 {7.5} | 58 | 53 | 51 | 52 | ||||
| 6 | 24 | 335 {34.2} | 27.9 {2846} | 170 {17.4} | 110 {11.2} | 69 | 59 | 57 | 58 | |||
| 25 | 349 {35.6} | 27.9 {2846} | 164 {16.7} | 110 {11.2} | 69 | 59 | 57 | 58 | ||||
| 28 | 391 {39.9} | 27.9 {2846} | 146 {14.9} | 110 {11.2} | 69 | 59 | 57 | 58 | ||||
| 30 | 418 {42.7} | 27.9 {2846} | 136 {13.9} | 110 {11.2} | 69 | 59 | 57 | 58 | ||||
| 32 | 446 {45.5} | 27.9 {2846} | 128 {13.0} | 110 {11.2} | 69 | 59 | 57 | 58 | ||||
| 35 | 488 {49.8} | 27.9 {2846} | 117 {11.9} | 110 {11.2} | 69 | 59 | 57 | 58 | ||||
| 8 | 24 | 446 {45.5} | 37.2 {3795} | 227 {23.2} | 146 {14.9} | 88 | 68 | 64 | 65 | |||
| 25 | 465 {47.4} | 37.2 {3795} | 218 {22.3} | 146 {14.9} | 88 | 68 | 64 | 65 | ||||
| 28 | 521 {53.1} | 37.2 {3795} | 195 {19.9} | 146 {14.9} | 88 | 68 | 64 | 65 | ||||
| 30 | 558 {56.9} | 37.2 {3795} | 182 {18.5} | 146 {14.9} | 88 | 68 | 64 | 65 | ||||
| 32 | 595 {60.7} | 37.2 {3795} | 170 {17.4} | 146 {14.9} | 88 | 68 | 64 | 65 | ||||
| 35 | 651 {66.4} | 37.2 {3795} | 156 {15.9} | 146 {14.9} | 88 | 68 | 64 | 65 | ||||
| S5 | 5 | 35 | M5×22 | 8.3 {0.85} | 407 {41.5} | 23.2 {2372} | 91 {9.3} | 68 {6.9} | 70 | 64 | 63 | 63 |
| 38 | 442 {45.1} | 23.2 {2372} | 84 {8.6} | 68 {6.9} | 70 | 64 | 63 | 63 | ||||
| 40 | 465 {47.4} | 23.2 {2372} | 80 {8.2} | 68 {6.9} | 70 | 64 | 63 | 63 | ||||
| 42 | 488 {49.8} | 23.2 {2372} | 76 {7.8} | 68 {6.9} | 70 | 64 | 63 | 63 | ||||
| 45 | 523 {53.4} | 23.2 {2372} | 71 {7.3} | 68 {6.9} | 70 | 64 | 63 | 63 | ||||
| 8 | 35 | 651 {66.4} | 37.2 {3795} | 146 {14.9} | 108 {11.0} | 86 | 74 | 71 | 72 | |||
| 38 | 707 {72.1} | 37.2 {3795} | 135 {13.8} | 108 {11.0} | 86 | 74 | 71 | 72 | ||||
| 40 | 744 {75.9} | 37.2 {3795} | 128 {13.1} | 108 {11.0} | 86 | 74 | 71 | 72 | ||||
| 42 | 781 {79.7} | 37.2 {3795} | 122 {12.4} | 108 {11.0} | 86 | 74 | 71 | 72 | ||||
| 45 | 837 {85.4} | 37.2 {3795} | 114 {11.6} | 108 {11.0} | 86 | 74 | 71 | 72 | ||||
| 10 | 35 | 814 {83.0} | 46.5 {4744} | 183 {18.7} | 135 {13.8} | 102 | 81 | 77 | 78 | |||
| 38 | 883 {90.1} | 46.5 {4744} | 169 {17.2} | 135 {13.8} | 102 | 81 | 77 | 78 | ||||
| 40 | 930 {94.9} | 46.5 {4744} | 160 {16.3} | 135 {13.8} | 102 | 81 | 77 | 78 | ||||
| 42 | 976 {99.6} | 46.5 {4744} | 152 {15.6} | 135 {13.8} | 102 | 81 | 77 | 78 | ||||
| 45 | 1046 {106.7} | 46.5 {4744} | 142 {14.5} | 135 {13.8} | 102 | 81 | 77 | 78 | ||||
| S6 | 6 | 48 | M6×25 | 16.8 {1.71} | 1116 {113.9} | 46.5 {4744} | 105 {10.7} | 87 {8.8} | 94 | 84 | 81 | 82 |
| 50 | 1162 {118.6} | 46.5 {4744} | 101 {10.3} | 87 {8.8} | 94 | 84 | 81 | 82 | ||||
| 55 | 1279 {130.5} | 46.5 {4744} | 91 {9.3} | 87 {8.8} | 94 | 84 | 81 | 82 | ||||
| 8 | 48 | 1488 {151.8} | 62.0 {6326} | 140 {14.3} | 115 {11.8} | 110 | 93 | 88 | 90 | |||
| 50 | 1550 {158.1} | 62.0 {6326} | 134 {13.7} | 115 {11.8} | 110 | 93 | 88 | 90 | ||||
| 55 | 1705 {174.0} | 62.0 {6326} | 122 {12.4} | 115 {11.8} | 110 | 93 | 88 | 90 | ||||
| 10 | 48 | 1860 {189.8} | 77.5 {7907} | 175 {17.8} | 144 {14.7} | 134 | 103 | 97 | 99 | |||
| 50 | 1937 {197.7} | 77.5 {7907} | 168 {17.1} | 144 {14.7} | 134 | 103 | 97 | 99 | ||||
| 55 | 2131 {217.4} | 77.5 {7907} | 152 {15.6} | 144 {14.7} | 134 | 103 | 97 | 99 | ||||
| 12 | 48 | 2232 {227.7} | 93.0 {9488} | 210 {21.4} | 173 {17.7} | 174 | 117 | 107 | 110 | |||
| 50 | 2325 {237.2} | 93.0 {9488} | 201 {20.5} | 173 {17.7} | 174 | 117 | 107 | 110 | ||||
| 55 | 2557 {260.9} | 93.0 {9488} | 183 {18.7} | 173 {17.7} | 174 | 117 | 107 | 110 | ||||
| S7 | 5 | 60 | M8×30 | 40.5 {4.13} | 2140 {218.4} | 71.3 {7280} | 115 {11.7} | 94 {9.6} | 124 | 109 | 105 | 107 |
| 65 | 2319 {236.6} | 71.3 {7280} | 106 {10.8} | 94 {9.6} | 124 | 109 | 105 | 107 | ||||
| 70 | 2497 {254.8} | 71.3 {7280} | 99 {10.1} | 94 {9.6} | 124 | 109 | 105 | 107 | ||||
| 8 | 60 | 3424 {349.4} | 114.1 {11648} | 184 {18.8} | 150 {15.3} | 177 | 134 | 125 | 128 | |||
| 65 | 3710 {378.6} | 114.1 {11648} | 170 {17.3} | 150 {15.3} | 177 | 134 | 125 | 128 | ||||
| 70 | 3995 {407.7} | 114.1 {11648} | 158 {16.1} | 150 {15.3} | 177 | 134 | 125 | 128 | ||||
| 10 | 60 | 4281 {436.8} | 142.7 {14560} | 230 {23.5} | 188 {19.2} | 270 | 159 | 143 | 149 | |||
| 65 | 4637 {473.2} | 142.7 {14560} | 212 {21.7} | 188 {19.2} | 270 | 159 | 143 | 149 | ||||
| 70 | 4994 {509.6} | 142.7 {14560} | 197 {20.1} | 188 {19.2} | 270 | 159 | 143 | 149 | ||||
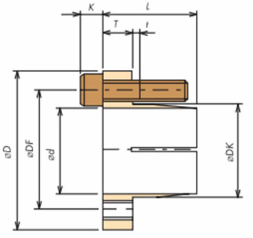
आस्तीन विनिर्देश (लॉक बेल्ट स्प्रॉकेट्स एस प्रकार चढ़ाया)
*खोलने और बंद करने के लिए क्लिक करें।
एस प्रकार प्लेटेड स्लीव विनिर्देश
| आस्तीन | सामग्री | मशीन संरचनाओं के लिए कार्बन स्टील |
|---|---|---|
| उष्मा उपचार | ठंडा करना और गर्म करना | |
| सतह का उपचार | इलेक्ट्रोलेस निकल-फास्फोरस चढ़ाना | |
| बन्धन बोल्ट | हेक्सागोन सॉकेट हेड बोल्ट (JIS B 1176) शक्ति वर्गीकरण: 12.9 |
|
| सामग्री | संरचनात्मक मिश्र धातु इस्पात | |
| उष्मा उपचार | ठंडा करना और गर्म करना | |
| सतह का उपचार | विशेष कोटिंग | |
आस्तीन के आयाम
| आस्तीन फ़्रेम संख्या |
शाफ्ट छेद व्यास डी |
आस्तीन बाहरी व्यास ΦD |
माउंटिंग छेद पिच सर्कल व्यास ΦDF |
शंकु बाहरी व्यास ΦDK |
आस्तीन पूर्ण लंबाई एल |
निकला हुआ मोटाई टी |
सीधा खंड लंबाई टी |
बोल्ट हेड ऊंचाई कश्मीर |
कस पेंच आकार |
|---|---|---|---|---|---|---|---|---|---|
| S1 | 10 | 32 | 24 | 18.6 | 18 | 6 | 2 | 4 | M4×16 |
| 11 | |||||||||
| 12 | |||||||||
| 14 | |||||||||
| 15 | |||||||||
| 16 | |||||||||
| S2 | 17 | 42 | 32 | 25.2 | 22 | 7 | 2 | 5 | M5×20 |
| 18 | |||||||||
| 19 | |||||||||
| 20 | |||||||||
| 22 | |||||||||
| S3 | 24 | 48.5 | 38.5 | 31.2 | 23.5 | 8 | 2.5 | 5 | M5×20 |
| 25 | |||||||||
| 28 | |||||||||
| S4 | 30 | 56 | 46 | 38.6 | 26 | 8 | 2.5 | 5 | M5×20 |
| 32 | |||||||||
| 35 | |||||||||
| S5 | 38 | 66 | 56 | 48.8 | 29 | 10 | 2.5 | 5 | M5×25 |
| 40 | |||||||||
| 42 | |||||||||
| 45 | |||||||||
| S6 | 48 | 80 | 68 | 60 | 36 | 12 | 3 | 6 | M6×25 |
| 50 | |||||||||
| 55 | |||||||||
| S7 | 60 | 101 | 86 | 75.5 | 40 | 13 | 3.5 | 8 | M8×30 |
| 65 | |||||||||
| 70 |
कसने वाले बोल्ट के उपयोग की स्थिति
・बन्धन बोल्ट की स्थिति का उपयोग करें ○खुला छेद ◎थ्रेडेड छेद (आस्तीन हटाने के लिए थ्रेडेड छेद)
| आस्तीन फ़्रेम संख्या |
कसने वाले बोल्ट की स्थिति | आस्तीन फ़्रेम संख्या |
कसने वाले बोल्ट की स्थिति |
|---|---|---|---|
| S1 S2 S3 |
![]() |
S5 S7 |
![]() |
| S4 | ![]() |
S6 | ![]() |
आस्तीन विनिर्देश (लॉक बेल्ट स्प्रॉकेट्स एस प्रकार चढ़ाया)
*खोलने और बंद करने के लिए क्लिक करें।
आस्तीन प्रदर्शन
| आस्तीन फ़्रेम संख्या |
पेंच संख्या |
शाफ्ट छेद व्यास डी मिमी |
पेंच आकार |
बोल्ट कसने का टॉर्क एम.ए. N・m {kgf・m} |
ट्रांसमिशन टॉर्क मीट्रिक टन N・m {kgf・m} |
थ्रस्ट लोड शांति केएन {किलोग्राम} |
शाफ्ट साइड दबाव पी एमपीए {किलोग्राम/ मिमी2} |
हब साइड दबाव पी' एमपीए {किलोग्राम/ मिमी2} |
न्यूनतम हब व्यास मिमी | |||
|---|---|---|---|---|---|---|---|---|---|---|---|---|
| सामग्री | ||||||||||||
| SS400 | S35C | S45C | A7075-T6 | |||||||||
| S1 | 3 | 10 | M4×16 | 3.4 {0.35} | 43 {4.4} | 8.6 {882} | 196 {20.0} | 111 {11.3} | 35 | 30 | 29 | 29 |
| 11 | 48 {4.8} | 8.6 {882} | 179 {18.2} | 111 {11.3} | 35 | 30 | 29 | 29 | ||||
| 12 | 52 {5.3} | 8.6 {882} | 164 {16.7} | 111 {11.3} | 35 | 30 | 29 | 29 | ||||
| 14 | 60 {6.2} | 8.6 {882} | 140 {14.3} | 111 {11.3} | 35 | 30 | 29 | 29 | ||||
| 15 | 65 {6.6} | 8.6 {882} | 131 {13.4} | 111 {11.3} | 35 | 30 | 29 | 29 | ||||
| 16 | 69 {7.1} | 8.6 {882} | 123 {12.5} | 111 {11.3} | 35 | 30 | 29 | 29 | ||||
| 6 | 14 | 121 {12.3} | 17.3 {1764} | 281 {28.6} | 222 {22.6} | उपलब्ध नहीं है | 49 | 42 | 44 | |||
| 15 | 130 {13.2} | 17.3 {1764} | 262 {26.7} | 222 {22.6} | उपलब्ध नहीं है | 49 | 42 | 44 | ||||
| 16 | 138 {14.1} | 17.3 {1764} | 245 {25.0} | 222 {22.6} | उपलब्ध नहीं है | 49 | 42 | 44 | ||||
| S2 | 3 | 17 | M5×20 | 6.8 {0.69} | 119 {12.1} | 13.9 {1423} | 143 {14.6} | 101 {10.3} | 45 | 39 | 38 | 38 |
| 18 | 126 {12.8} | 13.9 {1423} | 135 {13.8} | 101 {10.3} | 45 | 39 | 38 | 38 | ||||
| 19 | 133 {13.5} | 13.9 {1423} | 128 {13.1} | 101 {10.3} | 45 | 39 | 38 | 38 | ||||
| 20 | 139 {14.2} | 13.9 {1423} | 122 {12.4} | 101 {10.3} | 45 | 39 | 38 | 38 | ||||
| 22 | 153 {15.7} | 13.9 {1423} | 111 {11.3} | 101 {10.3} | 45 | 39 | 38 | 38 | ||||
| 6 | 17 | 237 {24.2} | 27.9 {2846} | 287 {29.3} | 203 {20.7} | 124 | 59 | 52 | 54 | |||
| 18 | 251 {25.6} | 27.9 {2846} | 271 {27.6} | 203 {20.7} | 124 | 59 | 52 | 54 | ||||
| 19 | 265 {27.0} | 27.9 {2846} | 257 {26.2} | 203 {20.7} | 124 | 59 | 52 | 54 | ||||
| 20 | 279 {28.5} | 27.9 {2846} | 244 {24.9} | 203 {20.7} | 124 | 59 | 52 | 54 | ||||
| 22 | 307 {31.3} | 27.9 {2846} | 222 {22.6} | 203 {20.7} | 124 | 59 | 52 | 54 | ||||
| S3 | 3 | 24 | M5×20 | 6.8 {0.69} | 167 {17.1} | 13.9 {1423} | 102 {10.4} | 81 {8.3} | 49 | 44 | 43 | 44 |
| 25 | 174 {17.8} | 13.9 {1423} | 98 {10.0} | 81 {8.3} | 49 | 44 | 43 | 44 | ||||
| 28 | 195 {19.9} | 13.9 {1423} | 87 {8.9} | 81 {8.3} | 49 | 44 | 43 | 44 | ||||
| 6 | 24 | 335 {34.2} | 27.9 {2846} | 203 {20.7} | 162 {16.6} | 82 | 59 | 55 | 57 | |||
| 25 | 349 {35.6} | 27.9 {2846} | 195 {19.9} | 162 {16.6} | 82 | 59 | 55 | 57 | ||||
| 28 | 391 {39.9} | 27.9 {2846} | 174 {17.8} | 162 {16.6} | 82 | 59 | 55 | 57 | ||||
| S4 | 4 | 30 | M5×20 | 6.8 {0.69} | 279 {28.5} | 18.6 {1898} | 91 {9.3} | 73 {7.5} | 58 | 53 | 51 | 52 |
| 32 | 298 {30.4} | 18.6 {1898} | 85 {8.7} | 73 {7.5} | 58 | 53 | 51 | 52 | ||||
| 35 | 325 {33.2} | 18.6 {1898} | 78 {7.9} | 73 {7.5} | 58 | 53 | 51 | 52 | ||||
| 8 | 30 | 558 {56.9} | 37.2 {3795} | 182 {18.5} | 146 {14.9} | 88 | 68 | 64 | 65 | |||
| 32 | 595 {60.7} | 37.2 {3795} | 170 {17.4} | 146 {14.9} | 88 | 68 | 64 | 65 | ||||
| 35 | 651 {66.4} | 37.2 {3795} | 156 {15.9} | 146 {14.9} | 88 | 68 | 64 | 65 | ||||
| S5 | 5 | 38 | M5×25 | 6.8 {0.69} | 442 {45.1} | 23.2 {2372} | 84 {8.6} | 68 {6.9} | 70 | 64 | 63 | 63 |
| 40 | 465 {47.4} | 23.2 {2372} | 80 {8.2} | 68 {6.9} | 70 | 64 | 63 | 63 | ||||
| 42 | 488 {49.8} | 23.2 {2372} | 76 {7.8} | 68 {6.9} | 70 | 64 | 63 | 63 | ||||
| 45 | 523 {53.4} | 23.2 {2372} | 71 {7.3} | 68 {6.9} | 70 | 64 | 63 | 63 | ||||
| 10 | 38 | 883 {90.1} | 46.5 {4744} | 169 {17.2} | 135 {13.8} | 102 | 81 | 77 | 78 | |||
| 40 | 930 {94.9} | 46.5 {4744} | 160 {16.3} | 135 {13.8} | 102 | 81 | 77 | 78 | ||||
| 42 | 976 {99.6} | 46.5 {4744} | 152 {15.6} | 135 {13.8} | 102 | 81 | 77 | 78 | ||||
| 45 | 1046 {106.7} | 46.5 {4744} | 142 {14.5} | 135 {13.8} | 102 | 81 | 77 | 78 | ||||
| S6 | 6 | 48 | M6×25 | 13.6 {1.39} | 1116 {113.9} | 46.5 {4744} | 105 {10.7} | 87 {8.8} | 94 | 84 | 81 | 82 |
| 50 | 1162 {118.6} | 46.5 {4744} | 101 {10.3} | 87 {8.8} | 94 | 84 | 81 | 82 | ||||
| 55 | 1279 {130.5} | 46.5 {4744} | 91 {9.3} | 87 {8.8} | 94 | 84 | 81 | 82 | ||||
| 12 | 48 | 2232 {227.7} | 93.0 {9488} | 210 {21.4} | 173 {17.7} | 174 | 117 | 107 | 110 | |||
| 50 | 2325 {237.2} | 93.0 {9488} | 201 {20.5} | 173 {17.7} | 174 | 117 | 107 | 110 | ||||
| 55 | 2557 {260.9} | 93.0 {9488} | 183 {18.7} | 173 {17.7} | 174 | 117 | 107 | 110 | ||||
| S7 | 5 | 60 | M8×30 | 32.8 {3.35} | 2140 {218.4} | 71.3 {7280} | 115 {11.7} | 94 {9.6} | 124 | 109 | 105 | 107 |
| 65 | 2319 {236.6} | 71.3 {7280} | 106 {10.8} | 94 {9.6} | 124 | 109 | 105 | 107 | ||||
| 70 | 2497 {254.8} | 71.3 {7280} | 99 {10.1} | 94 {9.6} | 124 | 109 | 105 | 107 | ||||
| 10 | 60 | 4281 {436.8} | 142.7 {14560} | 230 {23.5} | 188 {19.2} | 270 | 159 | 143 | 149 | |||
| 65 | 4637 {473.2} | 142.7 {14560} | 212 {21.7} | 188 {19.2} | 270 | 159 | 143 | 149 | ||||
| 70 | 4994 {509.6} | 142.7 {14560} | 197 {20.1} | 188 {19.2} | 270 | 159 | 143 | 149 | ||||











