तकनीकी डेटा लिनियर एक्ट्यूएटर पावर सिलेंडर मोटर विनिर्देश
वायरिंग (यू श्रृंखला)
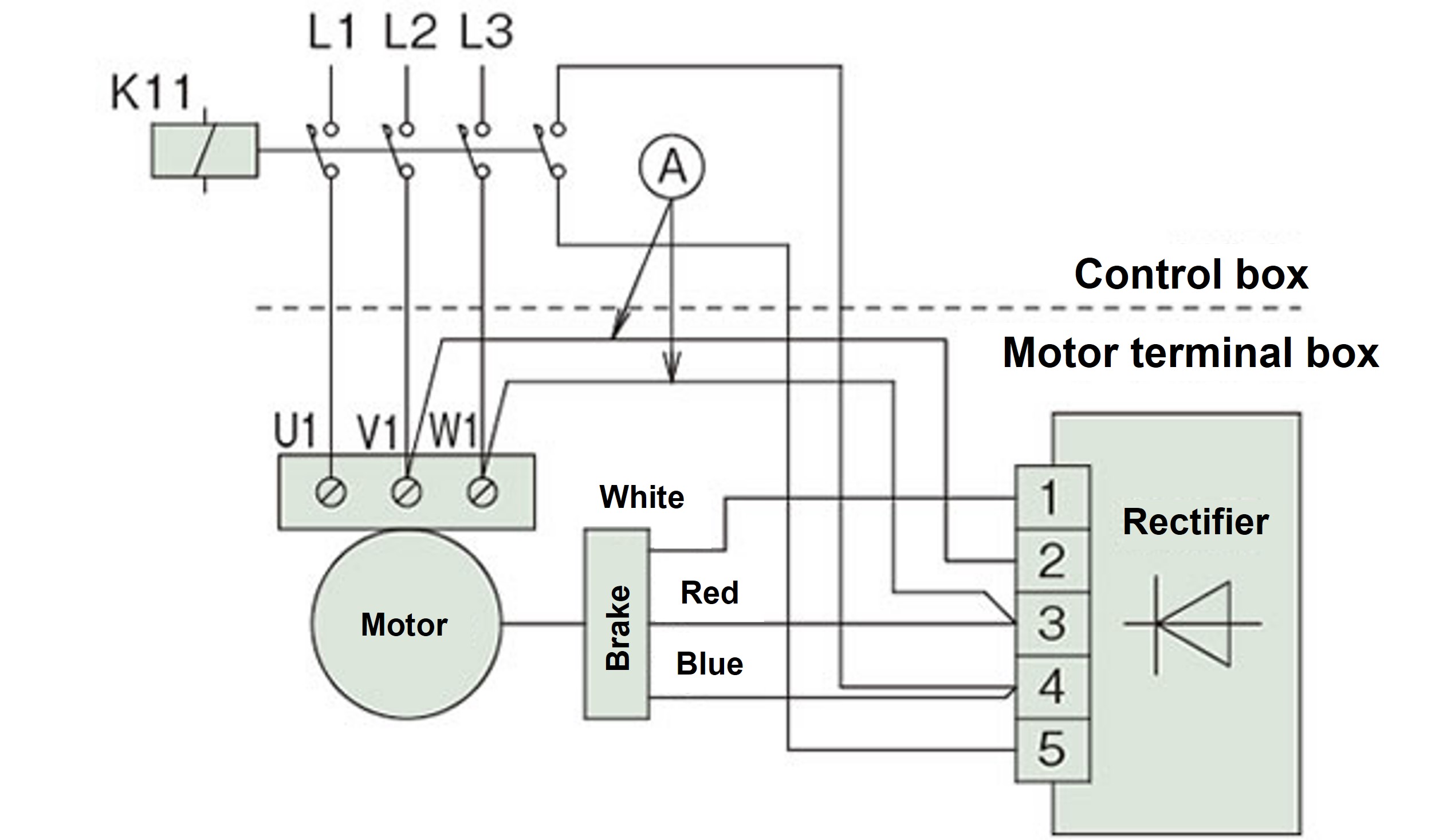
ब्रेक मोटर वायरिंग (डीसी ब्रेक मोटर)
0.75~3.7kW
ब्रेक आंतरिक संयोजन (शिपमेंट के समय)
200V विनिर्देश
400V विनिर्देश
ब्रेक एसी बाहरी वायरिंग (*2.2 किलोवाट और 3.7 किलोवाट मॉडल में डीसी बाहरी वायरिंग भी हो सकता है)
200V विनिर्देश
400V विनिर्देश
*टर्मिनल ब्लॉक स्क्रू आकार 0.75 से 3.7 kW: M4 [कसने का टॉर्क 1.2 N・m {0.12 kgf・m}]
5.5kW~15kW
ब्रेक एसी/ डीसी बाहरी वायरिंग (शिपमेंट के समय)
200V/400V सामान्य
*इन्वर्टर ड्राइव संभव है।
200V/400V सामान्य
*इन्वर्टर का उपयोग करते समय गलत वायरिंग को रोकने के लिए पावर लाइन A को कनेक्ट नहीं किया गया है।
कृपया केबल स्वयं तैयार करें और तार लगाएं।
*टर्मिनल ब्लॉक स्क्रू का आकार: 5.5kW और 7.5kW: M5 [कसने का टॉर्क 2.0N・m {0.2kgf・m}] / 11kW और 15kW: M8 [कसने का टॉर्क 6.0N・m {0.61kgf・m}]
रॉड संचालन दिशा
उपरोक्त वायरिंग आरेख के मामले में, रॉड निम्नलिखित दिशा में संचालित होती है:
डीसी रिक्टिफ़ायर टर्मिनल बॉक्स में असेंबल करके भेजा जाता है।
| रॉड संचालन दिशा | LPU6000S、L、M、H LPU8000S、L、M LPU12000L、M LPU16000L LPU50000L、M、H |
LPU8000H LPU12000H LPU16000M、H LPU22000L、M、H LPU32000L、M、H |
|---|---|---|
| रॉड अग्रिम | रॉड वापसी |
इन्वर्टर का उपयोग करते समय वायरिंग विधि
- 1. इन्वर्टर से मोटर चलाते समय, ब्रेक को अलग से बंद करना आवश्यक है। जैसा कि पिछले भाग में दिखाया गया है, छोटे हिस्से को हटा दें और ब्रेक डीसी रिक्टिफ़ायर पर इन्वर्टर आउटपुट नहीं, बल्कि सामान्य पावर सप्लाई वोल्टेज लगाएँ।
- 2. ब्रेक के लिए 200V श्रेणी के विद्युत चुम्बकीय संपर्ककों के लिए, AC250V, 7A या अधिक रेटेड लोड वाले संपर्ककों का उपयोग करें।
400V वर्ग के लिए, 400 से 440V AC का संपर्क वोल्टेज और 1A या उससे अधिक का प्रेरणिक भार (उदाहरण के लिए, 2.2kW AC मोटर के लिए एक विद्युतचुंबकीय संपर्कक) का उपयोग करें। डीसी रिक्टिफ़ायर में एक सर्ज अवशोषण सुरक्षा तत्व होता है। आवश्यकतानुसार प्रत्येक संपर्क के लिए सुरक्षा तत्व जोड़ें। - 3. यदि आप ब्रेक के लिए अलग डीसी ब्रेकर का उपयोग करना चाहते हैं, तो कृपया हमसे संपर्क करें।
*विशेष विनिर्देशों के मामले में, वायरिंग भिन्न हो सकती है, इसलिए कृपया डिलीवरी चित्र की जांच करें।
