तकनीकी डेटा उच्च गति लिफ्टर ज़िप मास्टर मोटर वायरिंग
तीन-चरण मोटर वायरिंग और उठाने की दिशा
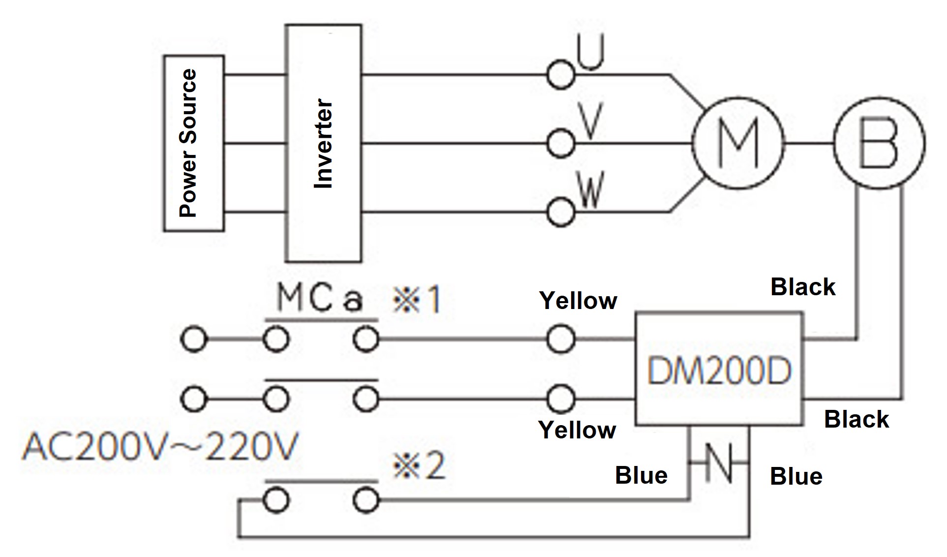
तीन-चरण मोटर वायरिंग (केवल इन्वर्टर नियंत्रण के लिए)
3.7kW
आधार आवृत्ति को 60Hz पर सेट करें.
5.5kW
आधार आवृत्ति को 60Hz पर सेट करें.
(एम): मोटर (बी): ब्रेक एमसी: विद्युत चुम्बकीय संपर्ककर्ता एमसीए: सहायक रिले ओसीआर: ओवरकरंट रिले
DM200D, PM180B: डीसी रिक्टिफ़ायर--N--: सुरक्षा तत्व (वैरिस्टर)
| प्रोडक्ट का नाम | उत्पादक | मॉडल संख्या | ||
|---|---|---|---|---|
| सर्ज अवशोषक | पैनासोनिक कॉर्पोरेशन | ERZV14D471 | ||
| सिरेमिक वैरिस्टर | निप्पोन केमि-कॉन | TND14V-471KB00AAA0 | ||
- नोट 1: ब्रेक वोल्टेज DC 90V है (जब AC 200V DM200D और PM180B में इनपुट होता है)।
- नोट 2: 3.7 किलोवाट मोटर का उपयोग करते समय, वायरिंग की लंबाई, वायरिंग विधि, रिले प्रकार आदि के आधार पर ब्रेक पावर मॉड्यूल क्षतिग्रस्त हो सकता है, इसलिए कृपया डीसी बाहरी वायरिंग टर्मिनलों के बीच एक वैरिस्टर कनेक्ट करें।
- नोट 3: *1 में सहायक रिले (MCa) की संपर्क क्षमता AC200V7A या उससे अधिक (प्रतिरोधक भार) होनी चाहिए।
*2 यदि MC सहायक संपर्क या सहायक रिले उपयोग किया जाता है, तो संपर्क क्षमता AC200V10A या अधिक (प्रतिरोधक भार) होनी चाहिए। - नोट 4: इसे ब्रेक पावर सप्लाई मॉड्यूल के पास (नीले लीड वायर से) जोड़ना ज़्यादा प्रभावी होता है। विशिष्ट वैरिस्टर मॉडल नंबर इस प्रकार हैं, लेकिन समतुल्य वैरिस्टर भी इस्तेमाल किए जा सकते हैं। DM200D के लिए, 470V वोल्टेज वाला वैरिस्टर चुनें।
