जल उपचार कन्वेयर स्प्रोकेट BF प्रकार
बीएफ चेन टाइप ड्राइव स्प्रोकेट।
विशेषताएँ
- इस लाइनअप में दो-विभाजित (सी-विभाजित) और प्रतिस्थापन योग्य दांत प्रकार (प्रतिस्थापन योग्य रिंग दांत) शामिल हैं, जो शाफ्ट को अलग किए बिना केवल स्प्रोकेट या घिसे हुए हिस्से को बदलकर प्रतिस्थापन श्रम को काफी कम करते हैं और पुर्जों की लागत और बर्बादी को कम करते हैं, जिससे रखरखाव दक्षता में सुधार, लागत में कमी और बर्बादी में कमी आती है।
कैटलॉग और निर्देश पुस्तिका
मॉडल संख्या प्रदर्शन उदाहरण
बीएफ प्रकार का स्प्रोकेट
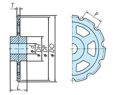
| BF120N | - | 1C | 15T | Q | - | TS |
| | लागू श्रृंखला का आकार |
| | | |
| दांतों की संख्या |
| दांत की नोक को सख्त करने का उपचार |
| प्रकार कोई प्रतीक नहीं: एकीकृत प्रकार टीएस: दो भागों वाली इकाई (सी-स्प्लिट प्रकार) आरके: रिंग रिप्लेसमेंट दांत (डी-स्प्लिट प्रकार) |
||
| तारों की संख्या और हब प्रकार |
||||||
- 1. नीचे दी गई तालिका से स्प्रोकेट के आकार का प्रकार चुनें।
-
संरचना विनिर्देश कोड एकीकृत प्रकार कोई प्रतीक नहीं दो भागों वाली इकाई (सी-स्प्लिट प्रकार) TS दांतों के ब्लॉक से बने प्रतिस्थापन दांत BK रिंग वाले दांत (डी-स्प्लिट प्रकार) RK - 2. सामग्री के संयोजन नीचे दी गई तालिका में दर्शाए गए हैं।
-
*यदि दांत की सामग्री SCS2 या FCD600 है, तो दांत की नोक कठोर हो जाती है। संरचना सामग्री हब और आर्म पार्ट्स ढलाई संरचना SCS2、FCD600、SCS13 वेल्डेड संरचना SS400 + S25C (हब और आर्म) दाँत एकीकृत प्रकार/टीएस (सी-स्प्लिट प्रकार) एससीएस2 या एफसीडी600 आरके (डी-स्प्लिट प्रकार) SCS2 या रेज़िन में से चुनें। बीके (दांतों के ब्लॉक से बदले गए दांत) SCS2 - 3. यदि बाएँ और दाएँ दोनों तरफ के हब की लंबाई अलग-अलग है, तो कृपया प्रत्येक आयाम निर्दिष्ट करें।
- 4. पेंटिंग संबंधी विनिर्देश आपके द्वारा निर्दिष्ट सरकारी एजेंसी के आधार पर भिन्न-भिन्न होंगे, इसलिए निर्देश देने से पहले कृपया ग्राहक के विनिर्देशों को अवश्य देखें।
हमारे मानक विनिर्देशों के अनुसार, पायलट बोर एक बार जिंक-युक्त प्राइमर की परत चढ़ाई जाती है, जबकि तैयार छेदों पर एक बार जिंक-युक्त प्राइमर और दो बार एपॉक्सी रेजिन की परत चढ़ाई जाती है।
रेजिन, एससीएस13 और स्टेनलेस स्टील 300 सीरीज बिना पेंट किए हुए हैं। इन सभी के शाफ्ट बोर और हब एंड फेस पर प्री-विन ऑयल की कोटिंग की गई है। - 5. कृपया विनिर्देशों को स्पष्ट करने के लिए चित्र या अन्य जानकारी प्रदान करें।
उत्पादों की सूची
- [उत्पाद संबंधी सावधानियां]
- - ऑर्डर करते समय, कृपया ड्राइव शाफ्ट का व्यास, कुंजी के आयाम, संचालित शाफ्ट के स्लीव के बाहरी व्यास के आयाम और हब के आयाम निर्दिष्ट करें।
• यहां दांतों की मानक संख्या दी गई है, लेकिन हम ऊपर दी गई संख्या के अलावा अन्य संख्या में दांतों वाले गियर भी बना सकते हैं। कृपया हमसे अलग से संपर्क करें।
- यदि चेन रोलर की सामग्री स्टेनलेस स्टील 300 सीरीज या रेजिन है, तो स्प्रोकेट विशेष विनिर्देश का होगा।
• वर्गाकार हब असेंबली के लिए, कृपया फिनिशिंग होल निर्दिष्ट करें। फिनिशिंग होल के लिए शाफ्ट का अधिकतम व्यास 160 मिमी है।
・ यहां दिखाए गए आयाम केवल संदर्भ के लिए हैं और ये मानक उत्पाद आयाम नहीं हैं। कोटेशन का अनुरोध करते समय, कृपया प्रत्येक आइटम के आयाम और दांतों की संख्या निर्दिष्ट करें, या एक चित्र संलग्न करें।
• सूचीबद्ध आयाम नाममात्र आयाम हैं और वास्तविक आयामों से भिन्न हो सकते हैं।
- 25 या उससे कम दांतों की संख्या के लिए केवल सी प्रकार उपलब्ध है।
| एकीकृत प्रकार | दो भागों वाली इकाई (सी-स्प्लिट प्रकार) | रिंग वाले दांत (डी-स्प्लिट प्रकार) |
|---|---|---|
![]() |
![]() |
![]() |
बीएफ प्रकार (बीएफ प्रकार की श्रृंखलाओं के बारे में जानकारी के लिए, यहां क्लिक करें)
| लागू चेन आकार | स्प्रोकेट मॉडल संख्या | प्रकार | पिच P |
दांतों की संख्या | बहरी घेरा ΦDO |
पिच सर्कल व्यास ΦDP |
दांत की चौड़ाई टी |
हब के आयाम (संदर्भ मान) | पायलट बोर डी (संदर्भ मान) |
शाफ्ट व्यास (संदर्भ मान) |
अनुमानित द्रव्यमान kg |
DXF आकार 3D CAD डेटा |
पीडीएफ चित्र | |
|---|---|---|---|---|---|---|---|---|---|---|---|---|---|---|
| व्यास ΦDH | लॉन्ग एल | |||||||||||||
| BF120N | BF120N-1C15TQ | एकीकृत प्रकार | 38.1 | 15 | 202 | 183.25 | 24 | 110 | 100 | 55 | 65 | 9 | DXF・3DCAD | कृपया हमसे संपर्क करें |
| BF120N-1C23TQ | 38.1 | 23 | 300 | 279.8 | 24 | 120 | 100 | 55 | 75 | 17 | DXF・3DCAD | कृपया हमसे संपर्क करें | ||
| BF120N-1C40TQ | 38.1 | 40 | 507 | 485.6 | 24 | 170 | 130 | 80 | 105 | 49 | DXF・3DCAD | कृपया हमसे संपर्क करें | ||
| BF120N-1C45TQ | 38.1 | 45 | 568 | 546.19 | 24 | 170 | 130 | 75 | 105 | 50 | DXF・3DCAD | कृपया हमसे संपर्क करें | ||
| BF120N-1C40TQ-TS | दो भागों वाली इकाई (सी-स्प्लिट प्रकार) | 38.1 | 40 | 507 | 485.6 | 24 | 170 | 130 | 80 | 105 | 49 | कृपया हमसे संपर्क करें | कृपया हमसे संपर्क करें | |
| BF120N-1C45TQ-TS | 38.1 | 45 | 568 | 546.19 | 24 | 170 | 130 | 75 | 105 | 50 | कृपया हमसे संपर्क करें | कृपया हमसे संपर्क करें | ||
| BF120N-1C40TQ-RK | रिंग वाले दांत (डी-स्प्लिट प्रकार) | 38.1 | 40 | 507 | 485.6 | 24 | 170 | 130 | 80 | 105 | 49 | कृपया हमसे संपर्क करें | कृपया हमसे संपर्क करें | |
| BF120N-1C45TQ-RK | 38.1 | 45 | 568 | 546.19 | 24 | 170 | 130 | 75 | 105 | 50 | कृपया हमसे संपर्क करें | कृपया हमसे संपर्क करें | ||
| BF140 | BF140-1C11TQ | एकीकृत प्रकार | 44.45 | 11 | 178 | 157.78 | 24 | 100 | 100 | 40 | 60 | 8 | DXF・3DCAD | कृपया हमसे संपर्क करें |
| BF140-1C23TQ | 44.45 | 23 | 350 | 326.44 | 24 | 120 | 100 | 55 | 70 | 21 | DXF・3DCAD | कृपया हमसे संपर्क करें | ||
| BF140-1C35TQ | 44.45 | 35 | 521 | 495.88 | 24 | 150 | 100 | 50 | 90 | 45 | DXF・3DCAD | कृपया हमसे संपर्क करें | ||
| BF140-1C40TQ | 44.45 | 40 | 591 | 566.54 | 24 | 170 | 110 | 60 | 105 | 60 | DXF・3DCAD | कृपया हमसे संपर्क करें | ||
| BF140-1C45TQ | 44.45 | 45 | 662 | 637.22 | 24 | 170 | 110 | 60 | 105 | 73 | DXF・3DCAD | कृपया हमसे संपर्क करें | ||
| BF140-1C50TQ | 44.45 | 50 | 733 | 707.91 | 24 | 170 | 110 | 60 | 105 | 87 | DXF・3DCAD | कृपया हमसे संपर्क करें | ||
| BF140-1C35TQ-TS | दो भागों वाली इकाई (सी-स्प्लिट प्रकार) | 44.45 | 35 | 521 | 495.88 | 24 | 150 | 100 | 50 | 90 | 45 | कृपया हमसे संपर्क करें | कृपया हमसे संपर्क करें | |
| BF140-1C40TQ-TS | 44.45 | 40 | 591 | 566.54 | 24 | 170 | 110 | 60 | 105 | 60 | कृपया हमसे संपर्क करें | कृपया हमसे संपर्क करें | ||
| BF140-1C45TQ-TS | 44.45 | 45 | 662 | 637.22 | 24 | 170 | 110 | 60 | 105 | 73 | कृपया हमसे संपर्क करें | कृपया हमसे संपर्क करें | ||
| BF140-1C50TQ-TS | 44.45 | 50 | 733 | 707.91 | 24 | 170 | 110 | 60 | 105 | 87 | कृपया हमसे संपर्क करें | कृपया हमसे संपर्क करें | ||
| BF140-1C35TQ-RK | रिंग वाले दांत (डी-स्प्लिट प्रकार) | 44.45 | 35 | 521 | 495.88 | 24 | 150 | 100 | 50 | 90 | 45 | कृपया हमसे संपर्क करें | कृपया हमसे संपर्क करें | |
| BF140-1C40TQ-RK | 44.45 | 40 | 591 | 566.54 | 24 | 170 | 110 | 60 | 105 | 60 | कृपया हमसे संपर्क करें | कृपया हमसे संपर्क करें | ||
| BF140-1C45TQ-RK | 44.45 | 45 | 662 | 637.22 | 24 | 170 | 110 | 60 | 105 | 73 | कृपया हमसे संपर्क करें | कृपया हमसे संपर्क करें | ||
| BF140-1C50TQ-RK | 44.45 | 50 | 733 | 707.91 | 24 | 170 | 110 | 60 | 105 | 87 | कृपया हमसे संपर्क करें | कृपया हमसे संपर्क करें | ||
| BF140E | BF140E-1C11TQ | एकीकृत प्रकार | 44.45 | 11 | 178 | 157.78 | 24 | 100 | 100 | 40 | 60 | 8 | DXF・3DCAD | कृपया हमसे संपर्क करें |
| BF140E-1C23TQ | 44.45 | 23 | 350 | 326.44 | 24 | 120 | 100 | 55 | 70 | 21 | DXF・3DCAD | कृपया हमसे संपर्क करें | ||
| BF140E-1C35TQ | 44.45 | 35 | 521 | 495.88 | 24 | 150 | 100 | 50 | 90 | 45 | DXF・3DCAD | कृपया हमसे संपर्क करें | ||
| BF140E-1C40TQ | 44.45 | 40 | 591 | 566.54 | 24 | 170 | 110 | 60 | 105 | 60 | DXF・3DCAD | कृपया हमसे संपर्क करें | ||
| BF140E-1C45TQ | 44.45 | 45 | 662 | 637.22 | 24 | 170 | 110 | 60 | 105 | 73 | DXF・3DCAD | कृपया हमसे संपर्क करें | ||
| BF140E-1C50TQ | 44.45 | 50 | 733 | 707.91 | 24 | 170 | 110 | 60 | 105 | 87 | DXF・3DCAD | कृपया हमसे संपर्क करें | ||
| BF140E-1C35TQ-TS | दो भागों वाली इकाई (सी-स्प्लिट प्रकार) | 44.45 | 35 | 521 | 495.88 | 24 | 150 | 100 | 50 | 90 | 45 | कृपया हमसे संपर्क करें | कृपया हमसे संपर्क करें | |
| BF140E-1C40TQ-TS | 44.45 | 40 | 591 | 566.54 | 24 | 170 | 110 | 60 | 105 | 60 | कृपया हमसे संपर्क करें | कृपया हमसे संपर्क करें | ||
| BF140E-1C45TQ-TS | 44.45 | 45 | 662 | 637.22 | 24 | 170 | 110 | 60 | 105 | 73 | कृपया हमसे संपर्क करें | कृपया हमसे संपर्क करें | ||
| BF140E-1C50TQ-TS | 44.45 | 50 | 733 | 707.91 | 24 | 170 | 110 | 60 | 105 | 87 | कृपया हमसे संपर्क करें | कृपया हमसे संपर्क करें | ||
| BF140E-1C35TQ-RK | रिंग वाले दांत (डी-स्प्लिट प्रकार) | 44.45 | 35 | 521 | 495.88 | 24 | 150 | 100 | 50 | 90 | 45 | कृपया हमसे संपर्क करें | कृपया हमसे संपर्क करें | |
| BF140E-1C40TQ-RK | 44.45 | 40 | 591 | 566.54 | 24 | 170 | 110 | 60 | 105 | 60 | कृपया हमसे संपर्क करें | कृपया हमसे संपर्क करें | ||
| BF140E-1C45TQ-RK | 44.45 | 45 | 662 | 637.22 | 24 | 170 | 110 | 60 | 105 | 73 | कृपया हमसे संपर्क करें | कृपया हमसे संपर्क करें | ||
| BF140E-1C50TQ-RK | 44.45 | 50 | 733 | 707.91 | 24 | 170 | 110 | 60 | 105 | 87 | कृपया हमसे संपर्क करें | कृपया हमसे संपर्क करें | ||
| BF160 | BF160-1C11TQ | एकीकृत प्रकार | 50.8 | 11 | 203 | 180.31 | 30 | 115 | 120 | 40 | 70 | 12 | DXF・3DCAD | कृपया हमसे संपर्क करें |
| BF160-1C17TQ | 50.8 | 17 | 302 | 276.46 | 30 | 130 | 120 | 65 | 80 | 18 | DXF・3DCAD | कृपया हमसे संपर्क करें | ||
| BF160-1C23TQ | 50.8 | 23 | 400 | 373.07 | 30 | 130 | 120 | 55 | 80 | 29 | DXF・3DCAD | कृपया हमसे संपर्क करें | ||
| BF160-1C25TQ | 50.8 | 25 | 433 | 405.32 | 30 | 190 | 170 | 80 | 115 | 55 | DXF・3DCAD | कृपया हमसे संपर्क करें | ||
| BF160-1C30TQ | 50.8 | 30 | 514 | 485.99 | 30 | 170 | 110 | 60 | 105 | 55 | DXF・3DCAD | कृपया हमसे संपर्क करें | ||
| BF160-1C35TQ | 50.8 | 35 | 595 | 566.71 | 30 | 170 | 110 | 60 | 105 | 71 | DXF・3DCAD | कृपया हमसे संपर्क करें | ||
| BF160-1C40TQ | 50.8 | 40 | 676 | 647.47 | 30 | 200 | 130 | 70 | 125 | 98 | DXF・3DCAD | कृपया हमसे संपर्क करें | ||
| BF160-1C45TQ | 50.8 | 45 | 757 | 728.25 | 30 | 200 | 130 | 70 | 125 | 119 | DXF・3DCAD | कृपया हमसे संपर्क करें | ||
| BF160-1C50TQ | 50.8 | 50 | 838 | 809.04 | 30 | 200 | 130 | 70 | 125 | 142 | DXF・3DCAD | कृपया हमसे संपर्क करें | ||
| BF160-1C25TQ-TS | दो भागों वाली इकाई (सी-स्प्लिट प्रकार) | 50.8 | 25 | 433 | 405.32 | 30 | 190 | 170 | 80 | 115 | 55 | कृपया हमसे संपर्क करें | कृपया हमसे संपर्क करें | |
| BF160-1C30TQ-TS | 50.8 | 30 | 514 | 485.99 | 30 | 170 | 110 | 60 | 105 | 55 | कृपया हमसे संपर्क करें | कृपया हमसे संपर्क करें | ||
| BF160-1C35TQ-TS | 50.8 | 35 | 595 | 566.71 | 30 | 170 | 110 | 60 | 105 | 71 | कृपया हमसे संपर्क करें | कृपया हमसे संपर्क करें | ||
| BF160-1C40TQ-TS | 50.8 | 40 | 676 | 647.47 | 30 | 200 | 130 | 70 | 125 | 98 | कृपया हमसे संपर्क करें | कृपया हमसे संपर्क करें | ||
| BF160-1C45TQ-TS | 50.8 | 45 | 757 | 728.25 | 30 | 200 | 130 | 70 | 125 | 119 | कृपया हमसे संपर्क करें | कृपया हमसे संपर्क करें | ||
| BF160-1C50TQ-TS | 50.8 | 50 | 838 | 809.04 | 30 | 200 | 130 | 70 | 125 | 142 | कृपया हमसे संपर्क करें | कृपया हमसे संपर्क करें | ||
| BF160-1C25TQ-RK | रिंग वाले दांत (डी-स्प्लिट प्रकार) | 50.8 | 25 | 433 | 405.32 | 30 | 190 | 170 | 80 | 115 | 55 | कृपया हमसे संपर्क करें | कृपया हमसे संपर्क करें | |
| BF160-1C30TQ-RK | 50.8 | 30 | 514 | 485.99 | 30 | 170 | 110 | 60 | 105 | 55 | कृपया हमसे संपर्क करें | कृपया हमसे संपर्क करें | ||
| BF160-1C35TQ-RK | 50.8 | 35 | 595 | 566.71 | 30 | 170 | 110 | 60 | 105 | 71 | कृपया हमसे संपर्क करें | कृपया हमसे संपर्क करें | ||
| BF160-1C40TQ-RK | 50.8 | 40 | 676 | 647.47 | 30 | 200 | 130 | 70 | 125 | 98 | कृपया हमसे संपर्क करें | कृपया हमसे संपर्क करें | ||
| BF160-1C45TQ-RK | 50.8 | 45 | 757 | 728.25 | 30 | 200 | 130 | 70 | 125 | 119 | कृपया हमसे संपर्क करें | कृपया हमसे संपर्क करें | ||
| BF160-1C50TQ-RK | 50.8 | 50 | 838 | 809.04 | 30 | 200 | 130 | 70 | 125 | 142 | कृपया हमसे संपर्क करें | कृपया हमसे संपर्क करें | ||
| BF160E | BF160E-1C11TQ | एकीकृत प्रकार | 50.8 | 11 | 203 | 180.31 | 30 | 115 | 120 | 40 | 70 | 12 | DXF・3DCAD | कृपया हमसे संपर्क करें |
| BF160E-1C17TQ | 50.8 | 17 | 302 | 276.46 | 30 | 130 | 120 | 65 | 80 | 18 | DXF・3DCAD | कृपया हमसे संपर्क करें | ||
| BF160E-1C23TQ | 50.8 | 23 | 400 | 373.07 | 30 | 130 | 120 | 55 | 80 | 29 | DXF・3DCAD | कृपया हमसे संपर्क करें | ||
| BF160E-1C25TQ | 50.8 | 25 | 433 | 405.32 | 30 | 190 | 170 | 80 | 115 | 55 | DXF・3DCAD | कृपया हमसे संपर्क करें | ||
| BF160E-1C30TQ | 50.8 | 30 | 514 | 485.99 | 30 | 170 | 110 | 60 | 105 | 55 | DXF・3DCAD | कृपया हमसे संपर्क करें | ||
| BF160E-1C35TQ | 50.8 | 35 | 595 | 566.71 | 30 | 170 | 110 | 60 | 105 | 71 | DXF・3DCAD | कृपया हमसे संपर्क करें | ||
| BF160E-1C40TQ | 50.8 | 40 | 676 | 647.47 | 30 | 200 | 130 | 70 | 125 | 98 | DXF・3DCAD | कृपया हमसे संपर्क करें | ||
| BF160E-1C45TQ | 50.8 | 45 | 757 | 728.25 | 30 | 200 | 130 | 70 | 125 | 119 | DXF・3DCAD | कृपया हमसे संपर्क करें | ||
| BF160E-1C50TQ | 50.8 | 50 | 838 | 809.04 | 30 | 200 | 130 | 70 | 125 | 142 | DXF・3DCAD | कृपया हमसे संपर्क करें | ||
| BF160E-1C25TQ-TS | दो भागों वाली इकाई (सी-स्प्लिट प्रकार) | 50.8 | 25 | 433 | 405.32 | 30 | 190 | 170 | 80 | 115 | 55 | कृपया हमसे संपर्क करें | कृपया हमसे संपर्क करें | |
| BF160E-1C30TQ-TS | 50.8 | 30 | 514 | 485.99 | 30 | 170 | 110 | 60 | 105 | 55 | कृपया हमसे संपर्क करें | कृपया हमसे संपर्क करें | ||
| BF160E-1C35TQ-TS | 50.8 | 35 | 595 | 566.71 | 30 | 170 | 110 | 60 | 105 | 71 | कृपया हमसे संपर्क करें | कृपया हमसे संपर्क करें | ||
| BF160E-1C40TQ-TS | 50.8 | 40 | 676 | 647.47 | 30 | 200 | 130 | 70 | 125 | 98 | कृपया हमसे संपर्क करें | कृपया हमसे संपर्क करें | ||
| BF160E-1C45TQ-TS | 50.8 | 45 | 757 | 728.25 | 30 | 200 | 130 | 70 | 125 | 119 | कृपया हमसे संपर्क करें | कृपया हमसे संपर्क करें | ||
| BF160E-1C50TQ-TS | 50.8 | 50 | 838 | 809.04 | 30 | 200 | 130 | 70 | 125 | 142 | कृपया हमसे संपर्क करें | कृपया हमसे संपर्क करें | ||
| BF160E-1C25TQ-RK | रिंग वाले दांत (डी-स्प्लिट प्रकार) | 50.8 | 25 | 433 | 405.32 | 30 | 190 | 170 | 80 | 115 | 55 | कृपया हमसे संपर्क करें | कृपया हमसे संपर्क करें | |
| BF160E-1C30TQ-RK | 50.8 | 30 | 514 | 485.99 | 30 | 170 | 110 | 60 | 105 | 55 | कृपया हमसे संपर्क करें | कृपया हमसे संपर्क करें | ||
| BF160E-1C35TQ-RK | 50.8 | 35 | 595 | 566.71 | 30 | 170 | 110 | 60 | 105 | 71 | कृपया हमसे संपर्क करें | कृपया हमसे संपर्क करें | ||
| BF160E-1C40TQ-RK | 50.8 | 40 | 676 | 647.47 | 30 | 200 | 130 | 70 | 125 | 98 | कृपया हमसे संपर्क करें | कृपया हमसे संपर्क करें | ||
| BF160E-1C45TQ-RK | 50.8 | 45 | 757 | 728.25 | 30 | 200 | 130 | 70 | 125 | 119 | कृपया हमसे संपर्क करें | कृपया हमसे संपर्क करें | ||
| BF160E-1C50TQ-RK | 50.8 | 50 | 838 | 809.04 | 30 | 200 | 130 | 70 | 125 | 142 | कृपया हमसे संपर्क करें | कृपया हमसे संपर्क करें | ||
| BF200 | BF200-1C11TQ | एकीकृत प्रकार | 63.5 | 11 | 254 | 225.39 | 36 | 145 | 120 | 50 | 85 | 21 | DXF・3DCAD | कृपया हमसे संपर्क करें |
| BF200-1C24TQ | 63.5 | 24 | 520 | 486.49 | 36 | 160 | 110 | 70 | 95 | 61 | DXF・3DCAD | कृपया हमसे संपर्क करें | ||
| BF200-1C35TQ | 63.5 | 35 | 744 | 708.39 | 36 | 250 | 160 | 90 | 155 | 150 | DXF・3DCAD | कृपया हमसे संपर्क करें | ||
| BF200-1C40TQ | 63.5 | 40 | 845 | 809.34 | 36 | 250 | 160 | 90 | 155 | 185 | DXF・3DCAD | कृपया हमसे संपर्क करें | ||
| BF200-1C45TQ | 63.5 | 45 | 946 | 910.31 | 36 | 280 | 180 | 100 | 175 | 242 | DXF・3DCAD | कृपया हमसे संपर्क करें | ||
| BF200-1C35TQ-TS | दो भागों वाली इकाई (सी-स्प्लिट प्रकार) | 63.5 | 35 | 744 | 708.39 | 36 | 250 | 160 | 90 | 155 | 150 | कृपया हमसे संपर्क करें | कृपया हमसे संपर्क करें | |
| BF200-1C40TQ-TS | 63.5 | 40 | 845 | 809.34 | 36 | 250 | 160 | 90 | 155 | 185 | कृपया हमसे संपर्क करें | कृपया हमसे संपर्क करें | ||
| BF200-1C45TQ-TS | 63.5 | 45 | 946 | 910.31 | 36 | 280 | 180 | 100 | 175 | 242 | कृपया हमसे संपर्क करें | कृपया हमसे संपर्क करें | ||
| BF200-1C35TQ-RK | रिंग वाले दांत (डी-स्प्लिट प्रकार) | 63.5 | 35 | 744 | 708.39 | 36 | 250 | 160 | 90 | 155 | 150 | कृपया हमसे संपर्क करें | कृपया हमसे संपर्क करें | |
| BF200-1C40TQ-RK | 63.5 | 40 | 845 | 809.34 | 36 | 250 | 160 | 90 | 155 | 185 | कृपया हमसे संपर्क करें | कृपया हमसे संपर्क करें | ||
| BF200-1C45TQ-RK | 63.5 | 45 | 946 | 910.31 | 36 | 280 | 180 | 100 | 175 | 242 | कृपया हमसे संपर्क करें | कृपया हमसे संपर्क करें | ||
| BF200E | BF200E-1C11TQ | एकीकृत प्रकार | 63.5 | 11 | 254 | 225.39 | 36 | 145 | 120 | 50 | 85 | 21 | DXF・3DCAD | कृपया हमसे संपर्क करें |
| BF200E-1C24TQ | 63.5 | 24 | 520 | 486.49 | 36 | 160 | 110 | 70 | 95 | 61 | DXF・3DCAD | कृपया हमसे संपर्क करें | ||
| BF200E-1C35TQ | 63.5 | 35 | 744 | 708.39 | 36 | 250 | 160 | 90 | 155 | 150 | DXF・3DCAD | कृपया हमसे संपर्क करें | ||
| BF200E-1C40TQ | 63.5 | 40 | 845 | 809.34 | 36 | 250 | 160 | 90 | 155 | 185 | DXF・3DCAD | कृपया हमसे संपर्क करें | ||
| BF200E-1C45TQ | 63.5 | 45 | 946 | 910.31 | 36 | 280 | 180 | 100 | 175 | 242 | DXF・3DCAD | कृपया हमसे संपर्क करें | ||
| BF200E-1C35TQ-TS | दो भागों वाली इकाई (सी-स्प्लिट प्रकार) | 63.5 | 35 | 744 | 708.39 | 36 | 250 | 160 | 90 | 155 | 150 | कृपया हमसे संपर्क करें | कृपया हमसे संपर्क करें | |
| BF200E-1C40TQ-TS | 63.5 | 40 | 845 | 809.34 | 36 | 250 | 160 | 90 | 155 | 185 | कृपया हमसे संपर्क करें | कृपया हमसे संपर्क करें | ||
| BF200E-1C45TQ-TS | 63.5 | 45 | 946 | 910.31 | 36 | 280 | 180 | 100 | 175 | 242 | कृपया हमसे संपर्क करें | कृपया हमसे संपर्क करें | ||
| BF200E-1C35TQ-RK | रिंग वाले दांत (डी-स्प्लिट प्रकार) | 63.5 | 35 | 744 | 708.39 | 36 | 250 | 160 | 90 | 155 | 150 | कृपया हमसे संपर्क करें | कृपया हमसे संपर्क करें | |
| BF200E-1C40TQ-RK | 63.5 | 40 | 845 | 809.34 | 36 | 250 | 160 | 90 | 155 | 185 | कृपया हमसे संपर्क करें | कृपया हमसे संपर्क करें | ||
| BF200E-1C45TQ-RK | 63.5 | 45 | 946 | 910.31 | 36 | 280 | 180 | 100 | 175 | 242 | कृपया हमसे संपर्क करें | कृपया हमसे संपर्क करें | ||
| BF240 | BF240-1C11TQ | एकीकृत प्रकार | 76.2 | 11 | 305 | 270.47 | 45 | 150 | 120 | 50 | 90 | 29 | DXF・3DCAD | कृपया हमसे संपर्क करें |
| BF240-1C37TQ | 76.2 | 37 | 941 | 898.52 | 45 | 250 | 150 | 125 | 155 | 250 | DXF・3DCAD | कृपया हमसे संपर्क करें | ||
| BF240-1C40TQ | 76.2 | 40 | 1014 | 971.21 | 45 | 250 | 160 | 125 | 155 | 293 | DXF・3DCAD | कृपया हमसे संपर्क करें | ||
| BF240-1C37TQ-TS | दो भागों वाली इकाई (सी-स्प्लिट प्रकार) | 76.2 | 37 | 941 | 898.52 | 45 | 250 | 150 | 125 | 155 | 250 | कृपया हमसे संपर्क करें | कृपया हमसे संपर्क करें | |
| BF240-1C40TQ-TS | 76.2 | 40 | 1014 | 971.21 | 45 | 250 | 160 | 125 | 155 | 293 | कृपया हमसे संपर्क करें | कृपया हमसे संपर्क करें | ||
| BF240-1C37TQ-RK | रिंग वाले दांत (डी-स्प्लिट प्रकार) | 76.2 | 37 | 941 | 898.52 | 45 | 250 | 150 | 125 | 155 | 250 | कृपया हमसे संपर्क करें | कृपया हमसे संपर्क करें | |
| BF240-1C40TQ-RK | 76.2 | 40 | 1014 | 971.21 | 45 | 250 | 160 | 125 | 155 | 293 | कृपया हमसे संपर्क करें | कृपया हमसे संपर्क करें | ||




