पावर सिलेंडर के लिए ब्रेक-सुसज्जित मोटर विकल्प, जो U, T, और G श्रृंखला के लिए सामान्य है
विभिन्न वातावरणों और क्षेत्रों के लिए एक विशेष ब्रेक-युक्त मोटर विकल्प के रूप में उपलब्ध है।
- गर्मी प्रतिरोध
- जलरोधक
- इन्वर्टर ड्राइव
- विस्फोट विरोधी
- उच्च दक्षता
- विदेशी मानक
- ग्राहक द्वारा मोटर स्थापना
मॉडल संख्या प्रदर्शन उदाहरण
| LP | T | C | 4000 | L | 10 | V | T1 | LJ | - | TK |
| | श्रृंखला का नाम (यू.टी.जी.) |
| वोल्टेज प्रतीक |
| | |
| *कृपया अंत में -TK जोड़ें। |
|||||||
| मोटर विकल्प | ||||||||||
ब्रेक मोटर विविधताएँ
| मोटर | विनिर्देश | प्रतीक | लागू क्षमता (किलोवाट) |
स्वीकार्य परिवेश तापमान *1 |
ताप प्रतिरोध वर्ग *2 |
प्रतिशत ड्यूटी चक्र %ईडी |
समय रेटिंग | ब्रेक के लिए बिजली की आपूर्ति |
संरक्षण वर्ग |
|---|---|---|---|---|---|---|---|---|---|
| मानक (0.1~3.7kW) | ताप प्रतिरोध वर्ग B | - | 0.1~3.7 | -15~40℃ | B | 25 | S2 30min | अंतर्निर्मित टर्मिनल बॉक्स | IP55 |
| मानक (5.5~15kW) | ताप प्रतिरोध वर्ग B | - | 5.5~15 | -15~40℃ | B | 25 | S1 | अंतर्निर्मित टर्मिनल बॉक्स | IP55 |
| ताप प्रतिरोध 40℃ F वर्ग | ताप प्रतिरोध वर्ग F | T1 | 0.1~1.5 | 0~40℃ | F | 25 | S2 30min | अंतर्निर्मित टर्मिनल बॉक्स | IP55 |
| ताप प्रतिरोध 60℃ F वर्ग | ताप प्रतिरोध वर्ग F | T2 | 0.1~1.5 | 0~60℃ | F | 15 | S2 15min | अलग से रखा गया*3 | IP55 |
| ताप प्रतिरोध 80℃ F वर्ग | ताप प्रतिरोध वर्ग F | T3 | 0.1~1.5 | 0~80℃ | F | 5 | S2 5min | अलग से रखा गया*3 | IP55 |
| ताप प्रतिरोध 80℃ H वर्ग | ताप प्रतिरोध वर्ग H | T4 | 0.1~1.5 | 0~80℃ | H | 15 | S2 15min | अलग से रखा गया*3 | IP55 |
| सुरक्षा वर्ग IP56 | मानक (IP55) से अधिक जलरोधी आवश्यकताओं को पूरा करता है | W | 0.1~1.5 | -15~40℃ | B | 25 | S2 30min | अंतर्निर्मित टर्मिनल बॉक्स | IP56 |
| इन्वर्टर ड्राइव | 6 से 60Hz की सीमा में निरंतर थ्रस्ट संचालन संभव | Z | 0.1~1.5 | 0~40℃ | F | 25 | S2 30min | अंतर्निर्मित टर्मिनल बॉक्स | IP55 |
| विस्फोट विरोधी | संरचनात्मक मानक: d2G4 | D | 0.2~1.5 | -10~40℃ | B | 25 | S3 40% | - | IP44 |
| उच्च दक्षता वाली मोटर | प्रीमियम दक्षता IE3 | E | 0.75~11 | 0~40℃ | B | 25 | S1 | अंतर्निर्मित टर्मिनल बॉक्स | IP55 |
| सीई चिह्नांकन | लागू मानक: EN60034-1 | N | 0.1~0.4 | -15~40℃ | B | 25 | S2 30min | अंतर्निर्मित टर्मिनल बॉक्स | IP55 |
| UL मानक अनुरूप | लागू मानक: UL1004 UL फ़ाइल संख्या E225995 |
N2 | 0.1~0.4 | -15~40℃ | A | 25 | S2 30min | अंतर्निर्मित टर्मिनल बॉक्स | IP20 |
| सीसीसी मानक अनुरूप | राष्ट्रीय मानक: GB12350 | N3 | 0.1~0.4 | -15~40℃ | E | 25 | S2 30min | अंतर्निर्मित टर्मिनल बॉक्स | IP55 |
| एडाप्टर विनिर्देश | ग्राहक द्वारा आपूर्ति की गई मोटरों की आसान स्थापना (आयाम नीचे दिए गए हैं) |
A | 0.1~7.5 | - | - | 25 | - | - | - |
- *1 कोई संघनन नहीं
- *2 ब्रेक गर्मी प्रतिरोधी वर्ग बी हैं।
- *3 पावर सप्लाई मॉड्यूल को 40°C से कम तापमान वाले वातावरण में स्थापित करें। मोटर टर्मिनल लैग प्रकार के हैं और 80°C तक के तापमान को सहन कर सकते हैं।
80°C तक ताप प्रतिरोधी। H-श्रेणी के पावर मॉड्यूल के लिए विद्युत आपूर्ति वोल्टेज केवल 200 से 220V है।
मोटर विकल्पों के बारे में विस्तृत जानकारी के लिए, यहां क्लिक करें
मोटर के बुनियादी विनिर्देश
सामान्य विनिर्देश
- ・लागू मॉडल: पावर सिलेंडर यू सीरीज़, टी सीरीज़, जी सीरीज़
- ・लागू मोटर क्षमता: 0.1kW से 3.7kW
- - सभी आउटडोर विशिष्टताएँ (IP55), ब्रेक के साथ
- ・ताप प्रतिरोध वर्ग B
मानक वोल्टेज
・वोल्टेज प्रतीक: कोई प्रतीक नहीं (200V वर्ग), V (400V वर्ग)
- उपयोगी तापमान सीमा: -15 से 40°C (कोई संघनन नहीं)
- प्रतिशत ड्यूटी चक्र: 25%ED
- रेटिंग: S2 30 मिनट
- ब्रेक पावर सप्लाई मॉड्यूल: बिल्ट-इन टर्मिनल बॉक्स
नोट्स
यदि आप ब्रेक का अलग से उपयोग करने की योजना बना रहे हैं तो कृपया हमसे संपर्क करें।
विभिन्न वोल्टेज संगत
・वोल्टेज प्रतीक: V1 (380V, 50Hz), V2 (380V, 60Hz), V3 (415V, 50Hz), V4 (460V, 60Hz)
मोटर विविधताएँ
IP56 विनिर्देश: W
जहाज और बंदरगाह से जुड़े उपकरणों के लिए अक्सर उच्च सुरक्षा स्तर की आवश्यकता होती है। यह नया मॉडल IP56 (धूल और पानी प्रतिरोधी) मानक का पालन करके इस आवश्यकता को पूरा करता है।
सामान्य विनिर्देश
- ・लागू मॉडल: पावर सिलेंडर यू सीरीज़, टी सीरीज़, जी सीरीज़
- ・लागू मोटर क्षमता: 0.1kW से 1.5kW
- - सभी आउटडोर मॉडल, ब्रेक से सुसज्जित
- ・ताप प्रतिरोध वर्ग (बी)
IP56 मोटर संगत
・मॉडल संख्या: W (200V वर्ग), VW (400V वर्ग)
- उपयोगी तापमान सीमा: -15 से 40°C
- प्रतिशत ड्यूटी चक्र: 25%ED
- रेटिंग: S2 30 मिनट
- प्रकार: पूर्णतः सील और वायु-शीतलन प्रकार तीन-चरण प्रेरण मोटर
ताप प्रतिरोध: T
पिछले मॉडलों की तुलना में, हमने वितरण और कीमत में उल्लेखनीय कमी हासिल की है। इसके अलावा, अब हम "एच" श्रेणी की ताप प्रतिरोधकता की आवश्यकताओं को पूरा करने में सक्षम हैं, जो पहले संभव नहीं था।
सामान्य विनिर्देश
- ・लागू मॉडल: पावर सिलेंडर यू सीरीज़, टी सीरीज़, जी सीरीज़
- ・लागू मोटर क्षमता: 0.1kW से 1.5kW (अधिक क्षमता के लिए कृपया हमसे परामर्श करें)
- - सभी आउटडोर विशिष्टताएं (IP55), ब्रेक के साथ (ब्रेक गर्मी प्रतिरोधी वर्ग बी है)
ताप प्रतिरोध वर्ग "F" अनुरूप
40℃
・मॉडल संख्या: T1 (200V वर्ग), VT1 (400V वर्ग), V1T1 (380V, 50Hz), V2T1 (380V, 60Hz), V3T1 (415V, 50Hz), V4T1 (460V, 60Hz)
- उपयोगी तापमान सीमा: 0 से 40°C (कोई संघनन नहीं)
- प्रतिशत ड्यूटी चक्र: 25%ED
- रेटिंग: S2 30 मिनट
- ब्रेक पावर सप्लाई मॉड्यूल: बिल्ट-इन टर्मिनल बॉक्स
60℃
・मॉडल संख्या: T2 (200V वर्ग), VT2 (400V वर्ग), V1T2 (380V, 50Hz), V2T2 (380V, 60Hz), V3T2 (415V, 50Hz), V4T2 (460V, 60Hz)
- उपयोगी तापमान सीमा: 0 से 60°C (संघनन नहीं)
- प्रतिशत ड्यूटी चक्र: 15%ED
- रेटिंग: S2 15 मिनट
- ब्रेक पावर मॉड्यूल: अलग (मानक डीसी रिक्टिफ़ायर)
-कृपया 40°C से कम तापमान वाले वातावरण में स्थापित करें।
・यदि आपको अंतर्निर्मित टर्मिनल बॉक्स की आवश्यकता है, तो कृपया हमसे संपर्क करें।
80℃
・मॉडल संख्या: T3 (200V वर्ग), VT3 (400V वर्ग), V1T3 (380V, 50Hz), V2T3 (380V, 60Hz), V3T3 (415V, 50Hz), V4T3 (460V, 60Hz)
- उपयोगी तापमान सीमा: 0 से 80°C (कोई संघनन नहीं)
- प्रतिशत ड्यूटी चक्र: 5%ED
- रेटिंग: S2 5 मिनट
- ब्रेक पावर मॉड्यूल: अलग (मानक डीसी रिक्टिफ़ायर)
-कृपया 40°C से कम तापमान वाले वातावरण में स्थापित करें।
नोट्स
मोटर टर्मिनल लैग प्रकार के हैं।
ताप प्रतिरोध वर्ग "H" संगत
・मॉडल संख्या: T4 (200V वर्ग), VT4 (400V वर्ग), V1T4 (380V, 50Hz), V2T4 (380V, 60Hz), V3T4 (415V, 50Hz), V4T4 (460V, 60Hz)
- उपयोगी तापमान सीमा: 0 से 80°C (कोई संघनन नहीं)
- ब्रेक पावर मॉड्यूल: अलग (विशेष डीसी रिक्टिफ़ायर)
-कृपया 40°C से कम तापमान वाले वातावरण में स्थापित करें।
- ब्रेक पावर मॉड्यूल के लिए बिजली आपूर्ति वोल्टेज केवल 200 से 220V है।
नोट्स
मोटर टर्मिनल लैग प्रकार के हैं।
जापानी मानक मोटर संगत प्रीमियम दक्षता IE3 विनिर्देश: E
मानक पावर सिलेंडर में प्रयुक्त ब्रेक मोटर एक लघु-समय रेटेड मोटर (S2) है।
उपरोक्त मोटरें टॉप रनर नियमों के अधीन नहीं हैं और किसी भी कानूनी मुद्दे के दायरे में नहीं आती हैं, लेकिन ग्राहक के अनुरोध पर हम इन्हें जापानी मानक मोटर बना सकते हैं।
*नोट: कृपया ध्यान दें कि मोटर का आकार, वायरिंग और करंट मान बदल जाएगा।
सामान्य विनिर्देश
- ・लागू मॉडल: पावर सिलेंडर यू सीरीज़, टी सीरीज़
- ・लागू मोटर क्षमता: 0.75kW से 11kW
- - सभी आउटडोर विशिष्टताएँ (IP55), ब्रेक के साथ
- - उपयोगी तापमान सीमा: 0 से 40°C (कोई संघनन नहीं)
- ・ब्रेक पावर मॉड्यूल: बिल्ट-इन टर्मिनल बॉक्स
जापानी मानक मोटर संगत प्रीमियम दक्षता IE3 विनिर्देश
・मॉडल संख्या: E (200V वर्ग), VE (400V वर्ग)
इन्वर्टर विनिर्देश: Z
परंपरागत मॉडलों की तुलना में, हमने वितरण में उल्लेखनीय कमी और कीमतों में कमी हासिल की है। त्वरण/मंदी और परिवर्तनीय गति जैसे गति नियंत्रण आसानी से किए जा सकते हैं, जिससे पावर सिलेंडर की नियंत्रणीयता में सुधार होता है।
इसके अलावा, मानक मॉडल ब्रेक के साथ आता है और बाहरी उपयोग के लिए उपयुक्त है।
सामान्य विनिर्देश
- ・लागू मॉडल: पावर सिलेंडर यू सीरीज़, टी सीरीज़, जी सीरीज़
- ・लागू मोटर क्षमता: 0.1kW से 1.5kW (उच्च क्षमता भी समर्थित है)
- - सभी आउटडोर विशिष्टताएं (IP55), ब्रेक के साथ (ब्रेक गर्मी प्रतिरोधी वर्ग बी है)
- ・ताप प्रतिरोध वर्ग F
- - 6 से 60 हर्ट्ज की सीमा में निरंतर टॉर्क संचालन संभव है।
इन्वर्टर ड्राइव संगत
・मॉडल संख्या: Z (200V वर्ग), ZV (400V वर्ग)
- उपयोगी तापमान सीमा: 0 से 40°C (कोई संघनन नहीं)
- प्रतिशत ड्यूटी चक्र: 25%ED
- रेटिंग: S2 30 मिनट
- ब्रेक पावर सप्लाई मॉड्यूल: बिल्ट-इन टर्मिनल बॉक्स
नोट्स
ब्रेक पावर सप्लाई मॉड्यूल पर इन्वर्टर आउटपुट नहीं, बल्कि सामान्य पावर सप्लाई वोल्टेज लागू करें।
लागू विद्युत आपूर्ति वोल्टेज 200V वर्ग के लिए 200 से 220V तथा 400V वर्ग के लिए 400 से 440V है।
वैश्विक विनिर्देश: N
वैश्विक निर्देशों, विनियमों और प्रणालियों (CE, UL, CCC) का अनुपालन करने वाले पावर सिलेंडर अब उपलब्ध हैं।
इसका उपयोग विदेशों में निर्यात किये जाने वाले उपकरणों के लिए किया जा सकता है।
सामान्य विनिर्देश
- ・लागू मॉडल: पावर सिलेंडर यू सीरीज़, टी सीरीज़, जी सीरीज़
- ・लागू मोटर क्षमता: 0.1kW से 0.4kW (उच्च क्षमता भी समर्थित है)
- - उपयोगी तापमान सीमा: -15 से 40°C (कोई संघनन नहीं)
- ・सभी ब्रेक के साथ
नोट्स
केवल ब्रेक वाली मोटरें ही मानक के अनुरूप हैं। यदि आपको लिमिट स्विच आदि की आवश्यकता है, तो कृपया हमसे संपर्क करें।
CE अनुरूप
・मॉडल संख्या: N (200V वर्ग), VN (400V वर्ग)
・विनिर्देश (N और VN दोनों) सुरक्षा प्रकार: IP55
ताप प्रतिरोध वर्ग: (बी)

लक्ष्य निर्देश मानक
लक्ष्य निर्देश: निम्न वोल्टेज निर्देश 2014/35/EU
लागू मानक: EN60034-1
(मोटर विनियम)
यूरोप को निर्यात किए जाने वाले उत्पादों को यूरोपीय बाज़ार में तब तक निर्यात नहीं किया जा सकता जब तक कि उन पर "सीई मार्क" न लगा हो, जो प्रमाणित करता है कि वे यूरोपीय ईसी निर्देशों में निर्धारित सुरक्षा आवश्यकताओं का अनुपालन करते हैं। (सीई अनुपालन का अर्थ है कि उत्पाद पर ही "सीई मार्क" लगा हो, जो ईसी निर्देशों के अनुपालन को प्रमाणित करता है।)
UL अनुपालक
・मॉडल संख्या: N2 (230/240V, 60/60Hz), VN2 (460V, 60Hz)
・विनिर्देश (N2 और VN2 दोनों) सुरक्षा प्रकार: IP20
ताप प्रतिरोध वर्ग: (ए)

लक्ष्य निर्देश मानक फ़ाइल सं.
लागू मानक: UL1004
UL File No.:E225995
यूएल अंडरराइटर्स लैबोरेटरीज का संक्षिप्त नाम है, जो संयुक्त राज्य अमेरिका में सुरक्षा परीक्षण का प्रतिनिधित्व करता है। (यूएल-अनुपालक का अर्थ है कि यूएल मानक द्वारा मान्यता प्राप्त और अधिग्रहित मोटर का उपयोग किया जाता है, और यूएल मानक को प्रमाणित करने वाला यूएल चिह्न उत्पाद पर ही चिपका दिया जाता है।)
सी-यूआर मॉडल प्रमाणित है और यूएल और सीएसए दोनों मानकों का अनुपालन करता है।
CCC संगत
मॉडल संख्या: N3 (200/220/200/220V, 50/50/60/60Hz, 0.4kW केवल 220/220V, 50/60Hz में उपलब्ध है), VN3 (380V/50Hz)
・विनिर्देश (N3 और VN3 दोनों) सुरक्षा प्रकार: IP55
ताप प्रतिरोध वर्ग: (E)
*कोष्ठक में दिया गया मान मोटर की क्षमता के आधार पर भिन्न होता है।

राष्ट्रीय मानक: GB12350
सीसीसी चीन में एक अनिवार्य प्रमाणन प्रणाली है, और 1.1 किलोवाट या उससे कम क्षमता वाले छोटे आउटपुट वाले इलेक्ट्रिक मोटरों को चीन को निर्यात करने के लिए, उन्हें सीसीसी चिह्न प्रदर्शित करना होगा, जो अनिवार्य प्रमाणन को प्रमाणित करता है।
हमने चीन में विस्तार किया है और चीन गुणवत्ता प्रमाणन केंद्र (सीक्यूसी) से प्रमाणन प्राप्त किया है।
विस्फोट-रोधी विनिर्देश: D
दबाव-प्रतिरोधी और विस्फोट-रोधी संरचना वाले पावर सिलेंडर, जिनका उपयोग श्रेणी 1 और श्रेणी 2 के खतरनाक स्थानों में किया जा सकता है, अब कम वितरण के साथ उपलब्ध हैं।
दबाव प्रतिरोधी विस्फोट रोधी संरचना एक ऐसी संरचना है जो कंटेनर को कंटेनर के अंदर विस्फोटक गैस के विस्फोट के दबाव को झेलने की अनुमति देती है और विस्फोटक गैस को बाहर प्रज्वलित होने से रोकती है।
सामान्य विनिर्देश
- ・लागू मॉडल: पावर सिलेंडर यू सीरीज़, टी सीरीज़, जी सीरीज़
- ・लागू मोटर क्षमता: 0.2kW से 1.5kW (उच्च क्षमता भी समर्थित)
- - सभी आउटडोर विशिष्टताएँ (IP44), ब्रेक के साथ
- ・ताप प्रतिरोध वर्ग B
d2G4 संगत
・मॉडल संख्या: D (200V वर्ग), VD (400V वर्ग)
- उपयोगी तापमान सीमा: -10 से 40°C (कोई संघनन नहीं)
- प्रतिशत ड्यूटी चक्र: 25%ED
- रेटिंग: S3 40%
- ब्रेक पावर मॉड्यूल: कोई नहीं (एसी ब्रेक)
नोट्स
दबाव प्रतिरोधी और विस्फोट रोधी विनिर्देशों का समर्थन करने के लिए दो बाह्य स्ट्रोक समायोजन एलएस (अलग-अलग विकल्प) भी उपलब्ध हैं।
कृपया हमसे अलग से संपर्क करें।
ब्रेक-सुसज्जित मोटर विकल्प कोड सूची
| मोटर विनिर्देश | वोल्टेज और आवृत्ति | |||||
|---|---|---|---|---|---|---|
| 200/200/220V 50/60/60Hz |
400/400/440V 50/60/60Hz |
380V 50Hz |
380V 60Hz |
415V 50Hz |
460V 60Hz |
|
| मानक | कोई प्रतीक नहीं | V | V1 | V2 | V3 | V4 |
| ताप प्रतिरोध 40℃ F वर्ग | T1 | VT1 | V1T1 | V2T1 | V3T1 | V4T1 |
| ताप प्रतिरोध 60℃ F वर्ग | T2 | VT2 | V1T2 | V2T2 | V3T2 | V4T2 |
| ताप प्रतिरोध 80℃ F वर्ग | T3 | VT3 | V1T3 | V2T3 | V3T3 | V4T3 |
| ताप प्रतिरोध 80℃ H वर्ग | T4 | VT4 | V1T4 | V2T4 | V3T4 | V4T4 |
| सुरक्षा वर्ग IP56 | W | VW | - | - | - | - |
| इन्वर्टर ड्राइव | Z | ZV | - | - | - | - |
| विस्फोट विरोधी | D | VD | - | - | - | - |
| उच्च दक्षता वाली मोटर | E | VE | - | - | - | - |
| मोटर विनिर्देश | वोल्टेज और आवृत्ति | |||||
|---|---|---|---|---|---|---|
| 200/200/220V 50/60/60Hz |
230/240V 60/60Hz |
200/220/200/220V 50/50/60/60Hz |
380/400/400/440V 50/50/60/60Hz |
460V 60Hz |
380V 50Hz |
|
| सीई चिह्नांकन | N | - | - | VN | - | - |
| UL मानक अनुरूप | - | N2 | - | - | VN2 | - |
| सीसीसी मानक अनुरूप | - | - | N3 | - | - | VN3 |
| उच्च दक्षता और CE अंकन | EN | - | - | VEN | - | - |
| उच्च दक्षता और UL मानक अनुरूप | - | EN2 | - | - | VEN2 | - |
| उच्च दक्षता और CCC मानक अनुरूप | - | - | EN3 | - | - | VEN3 |
- *ऊपर सूचीबद्ध के अलावा विशेष ब्रेक-सुसज्जित मोटर विनिर्देशों के लिए, मोटर विकल्प प्रतीक को "X" से चिह्नित किया जाएगा।
- *सभी मॉडलों का मूल्य मामला-दर-मामला आधार पर उद्धृत किया जाएगा।
एडाप्टर विनिर्देश: A
यदि आपके पास अपनी पसंद के निर्माता से अपनी स्वयं की फ्लैंज मोटर है, या जो IEC, NEMA, विदेशी मानकों, या अन्य विशेष विनिर्देशों के अनुरूप है, तो हम स्थापना को आसान बनाने के लिए एक एडाप्टर भी प्रदान कर सकते हैं।
हम विशेष फ्लैंज आकार और मोटर शाफ्ट व्यास भी समायोजित कर सकते हैं। कृपया विवरण के लिए हमसे संपर्क करें।
सामान्य विनिर्देश
- ・लागू मॉडल: पावर सिलेंडर यू सीरीज़, टी सीरीज़, जी सीरीज़
- ・लागू मोटर क्षमता: 0.1kW से 7.5kW
एडाप्टर समर्थन
मॉडल संख्या: A (ब्रेक वाली सभी मोटरों के लिए उपयुक्त)
・पावर सिलेंडर परिचालन पर्यावरण मानक
- उपयोगी तापमान सीमा: -15 से 40°C (कोई संघनन नहीं) *40°C से अधिक तापमान भी संभव है।
- प्रतिशत ड्यूटी चक्र: 25%ED के भीतर
नोट्स
- - ब्रेक वाली मोटर का चयन करते समय, सुनिश्चित करें कि प्रारंभिक टॉर्क रेटेड टॉर्क का 200% या उससे अधिक हो।
- - उच्च दक्षता के लिए, ब्रेक युक्त पावर सिलेंडर अवश्य लें।
- - ब्रेक टॉर्क रेटेड टॉर्क का 150% या उससे अधिक है

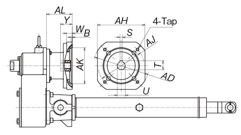
एडाप्टर विनिर्देशों और आयामों की सूची
टी सीरीज एडाप्टर आयाम (आईईसी मानक मोटर)
| फ़्रेम नं. | रफ़्तार | मोटर क्षमता | फ़्रेम संख्या | AL | AD | AH | AK | B | AJ | S | T | U | W | Y | Tap dia | |
|---|---|---|---|---|---|---|---|---|---|---|---|---|---|---|---|---|
| LPTB LPTC |
250 | S | 0.1 | 63 | 80 | Φ160 | - | Φ110G7 | 4 | Φ130 | 4Js9 | 12.8 | Φ11F7 | 15 | 25 | 4-M8 |
| L | 0.1 | 72 | - | 5 | 14 | |||||||||||
| M | 0.2 | - | ||||||||||||||
| H | 0.4 | 71 | - | 5Js9 | 16.3 | Φ14F7 | 32 | |||||||||
| LPTB LPTC |
500 | S | 0.1 | 63 | 80 | Φ160 | - | Φ110G7 | 4 | Φ130 | 4Js9 | 12.8 | Φ11F7 | 15 | 25 | 4-M8 |
| L | 0.2 | 72 | - | 5 | 14 | |||||||||||
| M | 0.4 | 71 | - | 5Js9 | 16.3 | Φ14F7 | 32 | |||||||||
| H | 0.75 | 80 | 92 | Φ200 | □170 | Φ130H7 | 4 | Φ165 | 6Js9 | 21.8 | Φ19F7 | 20 | 42 | 4-M10 | ||
| LPTB LPTC |
1000 | S | 0.2 | 63 | 80 | Φ160 | - | Φ110G7 | 4 | Φ130 | 4Js9 | 12.8 | Φ11F7 | 15 | 25 | 4-M8 |
| L | 0.4 | 71 | 72 | - | 5 | 5Js9 | 16.3 | Φ14F7 | 14 | 32 | ||||||
| M | 0.75 | 80 | 92 | Φ200 | □170 | Φ130H7 | 4 | Φ165 | 6Js9 | 21.8 | Φ19F7 | 20 | 42 | 4-M10 | ||
| H | 1.5 | 90L | 8Js9 | 27.3 | Φ24F7 | 52 | ||||||||||
| LPTB LPTC |
2000 | S | 0.4 | 71 | 85 | Φ160 | - | Φ110G7 | 4 | Φ130 | 5Js9 | 16.3 | Φ14F7 | 15 | 32 | 4-M8 |
| L | 0.75 | 80 | 72 | Φ200 | - | Φ130G7 | 5 | Φ165 | 6Js9 | 21.8 | Φ19F7 | 16 | 42 | 4-M10 | ||
| M | 1.5 | 90L | - | 8Js9 | 27.3 | Φ24F7 | 52 | |||||||||
| H | 2.2 | 100L | 116 | Φ250 | □200 | Φ180H7 | 4.5 | Φ215 | 31.3 | Φ28F7 | 20 | 62 | 4-M12 | |||
| LPTB LPTC |
4000 | S | 0.75 | 80 | 90 | Φ200 | - | Φ130G7 | 4 | Φ165 | 6Js9 | 21.8 | Φ19F7 | 20 | 42 | 4-M10 |
| L | 1.5 | 90L | 72 | - | 5 | 8Js9 | 27.3 | Φ24F7 | 16 | 52 | ||||||
| M | 2.2 | 100L | 116 | Φ250 | □200 | Φ180H7 | 4.5 | Φ215 | 31.3 | Φ28F7 | 20 | 62 | 4-M12 | |||
| H | 3.7 | 112M | ||||||||||||||

