स्टेनलेस स्टील टॉप चेन टीएसए टाइप, प्रमुख विनिर्देश
TSA
विशेषताएँ
- प्लेटों से जुड़ी एक कन्वेयर चेन, जो डबल पिच चेन से जुड़ी होती है। डबल पिच चेन स्प्रोकेट का उपयोग किया जा सकता है।
- • मुख्य श्रृंखला के लिए NP श्रृंखला, Lambda और SS श्रृंखला भी उपलब्ध हैं।
- - विभिन्न विशिष्टताएं उपलब्ध हैं, जैसे कि एक कठोर प्लेट जो प्लेट के पहनने के प्रतिरोध में सुधार करती है, और प्लेट की ऊपरी सतह पर एक कठोर क्रोम प्लेटेड + बफ़्ड प्लेट, जिससे आप उस प्रकार का चयन कर सकते हैं जो आपके वर्कपीस और पर्यावरण के लिए सबसे उपयुक्त हो।
पीडीएफ रूपरेखा चित्रण
कृपया हमसे संपर्क करें
DXF आंकड़े और 3D CAD डेटा
| ※ | 3D CAD डेटा CADENAS Web2CAD Co., Ltd. की CAD ड्राइंग लाइब्रेरी साइट "PARTcommunity" के लिंक के माध्यम से प्रदान किया जाएगा। |
| ※ | 3D CAD डेटा और PARTcommunity के बारे में पूछताछ के लिए कृपया Cadenas Web2CAD से संपर्क करें। कैडेनस वेब टू सीएडी कंपनी लिमिटेड दूरभाष: (03)5961‐5031 फैक्स: (03)5961‐5032 |
कैटलॉग और निर्देश पुस्तिका
प्रमुख विनिर्देश, कीमत, वितरण
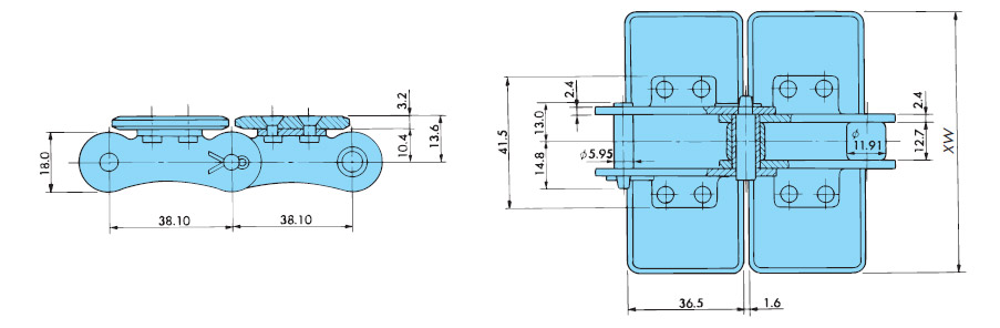
| जंजीर आवाज़ का उतार-चढ़ाव मिमी |
विनिर्देश | नमूना | शीर्ष प्लेट की चौड़ाई एक्सडब्ल्यू मिमी |
अधिकतम अनुमेय भार के.एन. |
अनुमानित द्रव्यमान किग्रा/मी |
तापमान रेंज आपरेट करना °C |
क्षमता रेखा आरेख |
1 इकाई टोरी लिंक की संख्या |
|---|---|---|---|---|---|---|---|---|
| 38.1 | मानक श्रृंखला | TSA550 | 55.0 | 2.94 | 2.8 | -10~150 | अनुमेय भार ग्राफ दिखाओ |
80 |
| TSA635 | 63.5 | 3.0 | ||||||
| TSA762 | 76.2 | 3.3 | ||||||
| TSA826 | 82.6 | 3.5 | ||||||
| TSA950 | 95.0 | 3.8 | ||||||
| TSA1016 | 101.6 | 4.0 | ||||||
| TSA1100 | 110.0 | 4.2 | ||||||
| TSA1143 | 114.3 | 4.3 | ||||||
| TSA1270 | 127.0 | 4.6 | ||||||
| TSA1524 | 152.4 | 5.2 | ||||||
| TSA1905 | 190.5 | 6.1 | ||||||
| 38.1 | NP श्रृंखला | TSA550-NP | 55.0 | 2.94 | 2.8 | -10~150 | अनुमेय भार ग्राफ दिखाओ |
80 |
| TSA635-NP | 63.5 | 3.0 | ||||||
| TSA762-NP | 76.2 | 3.3 | ||||||
| TSA826-NP | 82.6 | 3.5 | ||||||
| TSA950-NP | 95.0 | 3.8 | ||||||
| TSA1016-NP | 101.6 | 4.0 | ||||||
| TSA1100-NP | 110.0 | 4.2 | ||||||
| TSA1143-NP | 114.3 | 4.3 | ||||||
| TSA1270-NP | 127.0 | 4.6 | ||||||
| TSA1524-NP | 152.4 | 5.2 | ||||||
| TSA1905-NP | 190.5 | 6.1 | ||||||
| 38.1 | लैम्ब्डा विशिष्टता | TSA550-LMCNP | 55.0 | 2.94 | 2.8 | -10~150 | अनुमेय भार ग्राफ दिखाओ |
80 |
| TSA635-LMCNP | 63.5 | 3.0 | ||||||
| TSA762-LMCNP | 76.2 | 3.3 | ||||||
| TSA826-LMCNP | 82.6 | 3.5 | ||||||
| TSA950-LMCNP | 95.0 | 3.8 | ||||||
| TSA1016-LMCNP | 101.6 | 4.0 | ||||||
| TSA1100-LMCNP | 110.0 | 4.2 | ||||||
| TSA1143-LMCNP | 114.3 | 4.3 | ||||||
| TSA1270-LMCNP | 127.0 | 4.6 | ||||||
| TSA1524-LMCNP | 152.4 | 5.2 | ||||||
| TSA1905-LMCNP | 190.5 | 6.1 | ||||||
| 38.1 | SS श्रृंखला | TSA550-SS | 55.0 | 1.03 | 2.8 | -20~400 | अनुमेय भार ग्राफ दिखाओ |
80 |
| TSA635-SS | 63.5 | 3.0 | ||||||
| TSA762-SS | 76.2 | 3.3 | ||||||
| TSA826-SS | 82.6 | 3.5 | ||||||
| TSA950-SS | 95.0 | 3.8 | ||||||
| TSA1016-SS | 101.6 | 4.0 | ||||||
| TSA1100-SS | 110.0 | 4.2 | ||||||
| TSA1143-SS | 114.3 | 4.3 | ||||||
| TSA1270-SS | 127.0 | 4.6 | ||||||
| TSA1524-SS | 152.4 | 5.2 | ||||||
| TSA1905-SS | 190.5 | 6.1 |
| जंजीर आवाज़ का उतार-चढ़ाव किग्रा/मी |
विनिर्देश | नमूना | शीर्ष प्लेट की चौड़ाई एक्सडब्ल्यू मिमी |
अधिकतम अनुमेय भार के.एन. |
अनुमानित द्रव्यमान किग्रा/मी |
तापमान रेंज आपरेट करना °C |
क्षमता रेखा आरेख |
1 इकाई टोरी लिंक की संख्या |
|---|---|---|---|---|---|---|---|---|
| 38.10 | एचटीपी प्रकार | TSA550-HTP | 55.0 | - | - | - | - | - |
| TSA635-HTP | 63.5 | |||||||
| TSA762-HTP | 76.2 | |||||||
| TSA826-HTP | 82.6 | |||||||
| TSA950-HTP | 95.0 | |||||||
| TSA1016-HTP | 101.6 |
टिप्पणी
1. ऊपरी प्लेट की कठोरता HRC40 या उससे अधिक है (मुख्य श्रृंखला मानक श्रृंखला है)।
2. यह उत्पाद ऑर्डर पर बनाया जाता है।
3. ऊपरी प्लेट को रिवेटिंग / कील लगाना जोड़ा गया है।
लागू स्प्रोकेट
*विस्तृत जानकारी देखने के लिए मॉडल नंबर पर क्लिक करें। बड़ा करने के लिए चित्र पर क्लिक करें।
![]() ![]() |
|
लागू प्लास्टिक रेल
*विस्तृत जानकारी देखने के लिए मॉडल नंबर पर क्लिक करें। बड़ा करने के लिए चित्र पर क्लिक करें।
![]() ![]() |
यह प्लास्टिक रेल ऊष्मा-प्रतिरोधी या रासायनिक-प्रतिरोधी नहीं है। |
||||||||||||||||||||








