プラトップ®チェーンTTPM形 主要諸元

TTPM


विशेषताएँ

  • ・従来のプラトップチェーンの約1/2のチェーンピッチを採用。コンベヤの低騒音化や乗継部の省スペース化に有効です。
  • - ऊपरी प्लेट 50 मिमी चौड़ी है, जो इसे छोटी वस्तुओं के परिवहन के लिए आदर्श बनाती है।

[बड़ा करने के लिए क्लिक करें]
पीडीएफ रूपरेखा चित्रण

कृपया हमसे संपर्क करें

DXF आंकड़ा डेटा

कृपया नीचे दी गई तालिका देखें।
(डीएक्सएफ डेटा की सूची के लिए यहां क्लिक करें)

कैटलॉग और निर्देश पुस्तिका

प्रमुख विनिर्देश, कीमत, वितरण

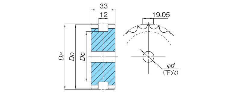
चेन पिच मिमी बैकबेंड त्रिज्या मिमी
19.05 25

मानक श्रृंखला

विनिर्देश
(अधिक जानकारी के लिए
श्रृंखला पर क्लिक करें।
विनिर्देश कोड रूप रंग उपलब्धता अनुमेय तन्य बल
के.एन.
स्वीकार्य गति
मीटर/मिनट
तापमान रेंज आपरेट करना
°C
पिन सामग्री पिन प्रकार अनुमेय भार ग्राफ
स्नेहन के साथ कोई स्नेहन नहीं
普通
(帯電防止なし)
W सफ़ेद 0.29 100 50 -20~80 SUS304 डी-पिन अनुमेय भार ग्राफ प्रदर्शित करें
आम तौर पर
(एंटी-स्टेटिक)
कोई नहीं स्लेटी 0.29 100 50 -20~80 SUS304 डी-पिन अनुमेय भार ग्राफ प्रदर्शित करें
आम तौर पर
(एंटी-स्टेटिक)
B नीला 0.29 100 50 -20~80 SUS304 डी-पिन अनुमेय भार ग्राफ प्रदर्शित करें
आम तौर पर
(एंटी-स्टेटिक)
BL आसमानी नीला 0.29 100 50 -20~80 SUS304 डी-पिन अनुमेय भार ग्राफ प्रदर्शित करें
कम घर्षण और पहनने के प्रतिरोध LFW सफ़ेद 0.29 100 50 -20~(65)80 SUS304 डी-पिन अनुमेय भार ग्राफ प्रदर्शित करें
कम घर्षण और पहनने के प्रतिरोध LFG हरा 0.29 100 50 -20~(65)80 SUS304 डी-पिन अनुमेय भार ग्राफ प्रदर्शित करें
कम घर्षण और पहनने के प्रतिरोध LFB भूरा 0.29 100 50 -20~(65)80 SUS304 डी-पिन अनुमेय भार ग्राफ प्रदर्शित करें
उन्नत कम घर्षण / घिसाव प्रतिरोधी ALF हल्का नीला रंग 0.29 100 50 -20~80 SUS304 डी-पिन अनुमेय भार ग्राफ प्रदर्शित करें
कम घर्षण NLF अंधेरे भूरा 0.29 100 50 -20~(65)80 SUS304 डी-पिन कृपया हमसे संपर्क करें
कम घर्षण WR गहरा हरा 0.29 100 50 -20~80 SUS304 डी-पिन कृपया हमसे संपर्क करें

उच्च-प्रदर्शन श्रृंखला

विनिर्देश
(अधिक जानकारी के लिए
श्रृंखला पर क्लिक करें।
विनिर्देश कोड रूप रंग उपलब्धता अनुमेय तन्य बल
के.एन.
स्वीकार्य गति
मीटर/मिनट
तापमान रेंज आपरेट करना
°C
पिन सामग्री पिन प्रकार अनुमेय भार ग्राफ
स्नेहन के साथ कोई स्नेहन नहीं
कम घर्षण और पहनने के प्रतिरोध HG गहरा नीला 0.29 100 50 -20~(65)80 SUS304 डी-पिन कृपया हमसे संपर्क करें
उच्च तापमान HTW सफ़ेद 0.15 100 50 5~105 SUS304 डी-पिन
प्रवाहकीय E काला 0.24 100 50 -20~80 SUS304 डी-पिन
जीवाणुरोधी और कवकरोधी MWS क्रीम 0.29 100 50 -20~(65)80 SUS304 डी-पिन
मध्यम घर्षण
(केवल शुष्क परिस्थितियों के लिए)
MF पीला 0.2 - 50 -20~80 SUS304 डी-पिन
यूवी प्रतिरोधी UVR हल्का ग्रे 0.29 100 50 -20~80 SUS304 डी-पिन

注記
 1.「●」:在庫品、「○」:注文生産品、「△」:注文生産品(都度見積品)。
  上記チェーン仕様表に記載の無い仕様については製作できません。
 2.使用温度範囲の(カッコ内数値)はウェット条件の場合です。
 3.従来までの丸ピンタイプ(TTDS-20形)とは連結可能です。
 4.プラピン仕様は製作できません。

लागू विनिर्देश विवरण

विनिर्देश विनिर्देश कोड सामान्य प्रयोजन घिसावट के कारण उत्पन्न होने वाले मलबे को कम करता है कम घर्षण (सुचारू फिसलन) उच्च घर्षण (फिसलने से रोकता है) रसायनों के प्रति प्रतिरोधी (संक्षारण प्रतिरोधी) तेज़ गति से गाड़ी चलाना उच्च तापमान वाले वातावरण में उपयोग किया जाता है कम तापमान वाले वातावरण में उपयोग किया जाता है केवल शुष्क परिस्थितियों में उपयोग करें उत्कृष्ट चालकता आघात प्रतिरोधी यूवी प्रतिरोधी कवक की वृद्धि को रोकें धातु का पता लगाने से मलबे का पता लगाया जा सकता है
मानक
शृंखला
आम तौर पर W           
कोई नहीं           
B           
BL           
कम घर्षण / घिसाव-रोधी LFW           
LFG           
LFB           
अत्यंत कम घर्षण / घिसाव-रोधी ALF            
कम घर्षण NLF            
कम घर्षण WR            
उच्च कार्यक्षमता
शृंखला
कम घर्षण / घिसाव-रोधी HG            
उच्च तापमान HTW           
प्रवाहकीय E             
जीवाणुरोधी और कवकरोधी MWS           
मध्यम घर्षण (शुष्क) MF            
यूवी प्रतिरोधी UVR             
  • नोट) ◎: उत्कृष्ट, ●: अच्छा, ▲: ठीक

लागू स्प्रोकेट

*विस्तृत जानकारी देखने के लिए मॉडल नंबर पर क्लिक करें। बड़ा करने के लिए चित्र पर क्लिक करें।


मॉडल संख्या दांतों की संख्या पिच सर्कल व्यास
मिमी
पायलट बोर
मिमी
अधिकतम शाफ्ट छेद व्यास
मिमी
प्रकार
TTPM1200T 12 73.6 Φ15 Φ35 एकीकृत प्रकार
TTPM1400T 14 85.6 Φ40
TTPM1500T 15 91.6
TTPM1900T 19 115.7 Φ50
TTPM2100T 21 127.8
TTPM2300T 23 139.9

लागू प्लास्टिक रेल

*विस्तृत जानकारी देखने के लिए मॉडल नंबर पर क्लिक करें। बड़ा करने के लिए चित्र पर क्लिक करें।



रेल सामग्री प्रतीक मॉडल संख्या मोटाई
मिमी
चौड़ाई
मिमी
मुख्य इकाई अंतिम सतह
पीआर-पीएच प्रकार PLF PR-PH□□□-PLF PR-PH□□□E-PLF 3~5 20~40
पीआर प्रकार M PR520-M PRE520-M 5 20

यह प्लास्टिक रेल ऊष्मा-प्रतिरोधी या रासायनिक-प्रतिरोधी नहीं है।
यदि आप उत्पाद का उपयोग किसी विशेष वातावरण या विशेष परिस्थितियों में कर रहे हैं, तो कृपया हमसे संपर्क करें।

×
(आप इसे खींचकर स्थानांतरित कर सकते हैं)

मानक श्रृंखला [विनिर्देश कोड: कोई नहीं, G, W, B, BL, A]

चेन लिंक के लिए उपयोग किया जाने वाला सामान्य प्रयोजन पॉलीएसीटल

उपस्थिति रंग: ग्रे

उपस्थिति रंग: सफेद

उपस्थिति रंग: नीला

बाहरी रंग: आसमानी नीला

■ सामान्य प्रयोजन प्रकार
यह सामान्य उपयोग के लिए उपयुक्त है क्योंकि इसमें उत्कृष्ट यांत्रिक गुणों वाले सामान्य-ग्रेड पॉलीएसीटल रेज़िन का उपयोग किया गया है।
■ एंटी-स्टेटिक
इसमें एंटीस्टेटिक कार्य होता है जो स्थैतिक बिजली के कारण धूल और घिसाव वाले कणों के चिपकने को रोकता है।
(बाहरी रंग: केवल ग्रे, नीला, हरा, आसमानी नीला) नोट 2
  • नोट: 1. "कोई नहीं", "बी" या "जी" विनिर्देश कोड वाले उत्पादों में वे उत्पाद शामिल हैं जो खाद्य स्वच्छता अधिनियम (स्वास्थ्य एवं कल्याण मंत्रालय की अधिसूचना संख्या 370) का अनुपालन नहीं करते हैं। अधिक जानकारी के लिए, कृपया यहाँ क्लिक करें।
  • नोट 2: कुछ उत्पादों में विनिर्देश कोड होते हैं। कृपया विवरण के लिए उत्पाद जानकारी देखें।
  • नोट 3. कृपया बाहरी रंग के लिए प्रत्येक उत्पाद पृष्ठ देखें और यह भी कि उसमें एंटी-स्टेटिक कार्यक्षमता है या नहीं।
  • नोट 4: कुछ उत्पाद ऐसे हैं जिन्हें "मानक श्रृंखला" के रूप में वर्णित नहीं किया गया है, जैसे कि प्लास्टिक रोलर टेबल और प्लास्टिक यूनिवर्सल चेन।
×
(आप इसे खींचकर स्थानांतरित कर सकते हैं)

कम घर्षण / घिसाव-रोधी प्रतिरोध [विनिर्देश कोड: LF]

कम घर्षण / घिसाव-रोधी पॉलीएसिटल चेन लिंक

उपस्थिति रंग: सफ़ेद [LFW]

उपस्थिति रंग: हरा [LFG]

बाहरी रंग: भूरा [LFB]

■ उपयोग

  • विभिन्न प्रयोजनों के लिए इस्तेमाल किया जा सकता है
  • जब परिचालन की स्थितियाँ गंभीर होती हैं (उच्च गति, उच्च तनाव), तो चेन जल्दी घिस जाती है, और मानक श्रृंखला
  • जब लाइन का दबाव अधिक हो और आप विशेष रूप से उत्पाद पर खरोंच को रोकना चाहते हों
■ परिवहन की गई वस्तुओं की सुरक्षा
घर्षण गुणांक मानक श्रृंखला की तुलना में 15 से 45% कम है, जिससे संचय के दौरान लाइन का दबाव कम हो जाता है और परिवहन की जाने वाली वस्तुओं के खरोंच लगने की संभावना कम हो जाती है।
■ लंबी आयु (मानक श्रृंखला की तुलना में)
चेन के तनाव में कमी के कारण, मानक श्रृंखला की तुलना में चेन का जीवनकाल 1.2 से 2 गुना तक बेहतर हो जाता है।
■ परिवहन की गई वस्तुओं की सुचारू शाखाएँ और संग्रहण
■ बिजली की आवश्यकताओं में कमी
■ मानक श्रृंखला, एलएफ और एएलएफ विशिष्टताओं के लिए घिसावट विस्तार प्रदर्शन
  • टिप्पणी)
    "एलएफबी" विनिर्देश कोड वाले उत्पादों में वे उत्पाद शामिल हैं जो खाद्य स्वच्छता अधिनियम (स्वास्थ्य एवं कल्याण मंत्रालय की अधिसूचना संख्या 370) का अनुपालन नहीं करते हैं। अधिक जानकारी के लिए, कृपया यहाँ क्लिक करें।
×
(आप इसे खींचकर स्थानांतरित कर सकते हैं)

कम घर्षण / घिसाव-रोधी प्रतिरोध [विनिर्देश कोड: CB]

विशेष कम घर्षण / घिसाव-रोधी पॉलीएसीटल से बनी चेन की कड़ियां

बाहरी रंग: नीला [सीबी]

■ उपयोग

  • जब लाइन का दबाव अधिक हो और आप विशेष रूप से उत्पाद पर खरोंच को रोकना चाहते हों
  • टिप्पणी)
    चूंकि इसमें सिलिकॉन आधारित स्नेहक होता है, इसलिए इसका उपयोग उन क्षेत्रों में न करें जहां मुद्रण प्रक्रिया के दौरान प्रिंट ब्लीड का खतरा हो या ऐसी परिस्थितियों में जहां सिलिकॉन का प्रतिकूल प्रभाव हो।
■ परिवहन की गई वस्तुओं की सुरक्षा
घर्षण गुणांक मानक श्रृंखला से कम है, जिससे संचय के दौरान लाइन का दबाव कम हो जाता है और परिवहन की जाने वाली वस्तुओं पर खरोंच लगने की संभावना कम हो जाती है।
■ परिवहन की गई वस्तुओं की सुचारू शाखाएँ और संग्रहण
■ बिजली की आवश्यकताओं में कमी
■ केवल निम्नलिखित श्रृंखला प्रकार लागू हैं।
  • केवल WT2515G-M, WT2515-W, WT2515G-W, WT2515F-W, और TTUPM838H मॉडल
×
(आप इसे खींचकर स्थानांतरित कर सकते हैं)

अत्यंत कम घर्षण / घिसाव-रोधी [विनिर्देश कोड: एएलएफ]

अति-कम घर्षण / घिसाव-रोधी पॉलीएसीटल से बनी चेन लिंक

बाहरी रंग: हल्का नीला [ALF]

■ उपयोग

  • पैकेजिंग मशीन से पहले की एक प्रक्रिया जहाँ स्नेहक का उपयोग नहीं किया जा सकता है और घिसने वाले कण अस्वीकार्य हैं
  • पेय उद्योग में शुष्क स्नेहन प्रक्रियाएं
  • संचय के साथ कन्वेयर
  • पेय उद्योग, निरीक्षण मशीन/प्रिंटिंग कन्वेयर, एकल फाइलर, और उच्च श्रृंखला गति वाली अन्य प्रक्रियाएं
  • नोट: 1. इस उत्पाद में सिलिकॉन आधारित स्नेहक है, इसलिए इसका उपयोग उन क्षेत्रों में न करें जहां मुद्रण प्रक्रिया के दौरान प्रिंट प्रतिकर्षण का जोखिम हो या ऐसी परिस्थितियों में जहां सिलिकॉन का प्रतिकूल प्रभाव हो सकता है।
  • नोट 2: यूएलएफ श्रृंखला का उत्पादन अक्टूबर 2018 से बंद कर दिया गया था।
■ परिवहन की गई वस्तुओं की सुरक्षा
यह हमारी मूल सामग्री है जिसे शुष्क परिवहन के उद्देश्य से सिलिकॉन-आधारित स्नेहक के मिश्रण से विकसित किया गया है। पिछले ULF विनिर्देश के समान घर्षण गुणांक को बनाए रखते हुए, यह गैर-स्नेहक स्थितियों के तहत उत्पन्न होने वाले घिसाव के मलबे की मात्रा को काफी कम कर देता है।
■ परिवहन की गई वस्तुओं की सुचारू शाखाएँ और संग्रहण
■ बिजली की आवश्यकताओं में कमी
■ पुराने ULF विनिर्देशन के साथ घिसाव की तुलना
65%down
  • *ऊपर दिया गया ग्राफ़ हमारे आंतरिक परीक्षण के परिणाम दर्शाता है। पुराने ULF विनिर्देशन का घिसाव आयतन 100 (मानक) निर्धारित है।
  • *ALF विनिर्देश, विशेष रूप से प्लास्टिक रेल के लिए, पुराने ULF विनिर्देशों की तुलना में घिसाव कणों के निर्माण को कम करते हैं। यदि आप घिसाव कणों के निर्माण को और कम करना चाहते हैं, तो हम प्लास्टिक रेल कम घर्षण / घिसाव-रोधी (PLF) का उपयोग करने की सलाह देते हैं।
×
(आप इसे खींचकर स्थानांतरित कर सकते हैं)

कम घर्षण विनिर्देश [विनिर्देश कोड: NLF]

कम घर्षण वाली पॉलीएसीटल चेन लिंक

बाहरी रंग: गहरा ग्रे [एनएलएफ]

■ उपयोग

  • विभिन्न प्रयोजनों के लिए इस्तेमाल किया जा सकता है
  • जब लाइन का दबाव अधिक हो और आप विशेष रूप से उत्पाद पर खरोंच को रोकना चाहते हों
■ परिवहन की गई वस्तुओं की सुरक्षा
घर्षण गुणांक मानक श्रृंखला की तुलना में 10 से 30% कम है, जिससे संचय के दौरान लाइन का दबाव कम हो जाता है और परिवहन की जाने वाली वस्तुओं पर खरोंच लगने की संभावना कम हो जाती है।
■ परिवहन की गई वस्तुओं की सुचारू शाखाएँ और संग्रहण
■ बिजली की आवश्यकताओं में कमी
  • * अनुमेय तन्य बल मानक श्रृंखला के समान है।
×
(आप इसे खींचकर स्थानांतरित कर सकते हैं)

कम घर्षण विनिर्देश [विनिर्देश कोड: WR]

चेन लिंक के लिए संक्षारण प्रतिरोधी पॉलीएसीटल का उपयोग किया जाता है

बाहरी रंग: गहरा हरा [WR]

■ उपयोग

  • सोडियम हाइपोक्लोराइट जैसे रसायनों का उपयोग करते समय
  • जब लाइन का दबाव अधिक हो और आप विशेष रूप से उत्पाद पर खरोंच को रोकना चाहते हों
■ परिवहन की गई वस्तुओं की सुरक्षा
घर्षण गुणांक मानक श्रृंखला तुलना में 7 से 28% कम है, जिससे संचय के दौरान लाइन का दबाव कम होता है और परिवहन की जाने वाली वस्तुओं पर खरोंच लगने से बचाव होता है।
■ संक्षारण प्रतिरोध
इसमें सोडियम हाइपोक्लोराइट और अन्य पदार्थों के प्रति संक्षारण प्रतिरोध में सुधार हुआ है, जिससे यह पेय और खाद्य कन्वेयर के लिए उपयुक्त है।
■ परिवहन की गई वस्तुओं की सुचारू शाखाएँ और संग्रहण
■ बिजली की आवश्यकताओं में कमी
  • अनुमेय तन्य बल मानक श्रृंखला के समान है।
×
(आप इसे खींचकर स्थानांतरित कर सकते हैं)

गर्मी प्रतिरोधी और उच्च गति विनिर्देश [विनिर्देश कोड: KV]

चेन लिंक के लिए विशेष इंजीनियरिंग प्लास्टिक का उपयोग किया जाता है

बाहरी रंग: काला [KV150, KV180, KV250]

■ उपयोग

  • सौर पैनल लेमिनेशन प्रक्रियाओं का परिवहन
  • सुखाने की भट्टी से बाहर आने के बाद मुद्रित सर्किट बोर्डों का परिवहन
  • सिकुड़न भट्टी के अंदर परिवहन
  • चावल कुकरों का परिवहन
  • रोटी ओवन के बाहर संदेश भेजना
  • विभिन्न सुखाने वाले ओवन में परिवहन
  • गर्म पानी और अत्यधिक सांद्रित रसायनों से सफाई की प्रक्रिया के दौरान परिवहन
  • सिरिंज सुखाने की प्रक्रिया में परिवहन
  • पेय और फिलिंग कैपिंग मशीनों के सीमर निकास पर उच्च गति का संवहन
  • टिप्पणियाँ: 1. केवी150 खाद्य स्वच्छता अधिनियम (स्वास्थ्य और कल्याण मंत्रालय अधिसूचना संख्या 370) का अनुपालन नहीं करता है।
  • नोट) 2. KV150 केवल शुष्क परिस्थितियों के लिए है।
  • नोट 3: कृपया कैटलॉग में ताप-प्रतिरोधी और उच्च गति (केवी) विनिर्देशों के लिए उपयोग सावधानियों को भी देखें।
  • नोट 4. ऑपरेटिंग तापमान रेंज: -20 से 150°C (KV150), -20 से 180°C (KV180), -20 से 250°C (KV250)
■ अधिकतम परिवेश तापमान
  • 150℃ (विनिर्देश कोड): KV150
  • 180℃ (विनिर्देश कोड): KV180
  • 250℃ (विनिर्देश कोड): KV250
■ अधिकतम गति
200 मीटर/मिनट (प्लास्टिक टॉप चेन के लिए)
■ रासायनिक प्रतिरोध
इसमें सफाई और कीटाणुनाशक रसायनों के प्रति उत्कृष्ट प्रतिरोध है।
■ चालकता
सतह प्रतिरोध कम और स्थैतिक-मुक्त (1 x 10 6 Ω·cm) है, जो इसे धूल के आसंजन और चिंगारियों को रोकने के लिए उपयुक्त बनाता है।
■ ज्वाला मंदक
UL मानक V-0 वर्ग (उच्च ज्वाला मंदक वर्ग)

नोट: KV150 को छोड़कर

■ शोर
यह मानक श्रृंखला की तुलना में 2 से 3 dB अधिक है।
■ लागू श्रृंखला प्रकारों के उदाहरण
  • BTC6 प्रकार, TPU826-T प्रकार, RSP40 प्रकार, आदि।
×
(आप इसे खींचकर स्थानांतरित कर सकते हैं)

कम घर्षण / घिसाव-रोधी प्रतिरोध [विनिर्देश कोड: HG]

कम घर्षण / घिसाव-रोधी पॉलीएसिटल चेन लिंक

दिखावट का रंग: नेवी ब्लू [HG]

■ उपयोग

  • पैकेजिंग मशीन से पहले की एक प्रक्रिया जहाँ स्नेहक का उपयोग नहीं किया जा सकता है और घिसने वाले कण अस्वीकार्य हैं
  • पेय उद्योग, निरीक्षण मशीन/प्रिंटिंग कन्वेयर, एकल फाइलर, और उच्च श्रृंखला गति वाली अन्य प्रक्रियाएं
  • पेय उद्योग में शुष्क स्नेहन प्रक्रियाएं
  • टिप्पणी)
    यह खाद्य स्वच्छता अधिनियम (स्वास्थ्य एवं कल्याण मंत्रालय अधिसूचना संख्या 370) का अनुपालन नहीं करता है।
    हालाँकि, हमने पुष्टि की है कि उपकरण और कंटेनर पैकेजिंग मानक परीक्षण (सिंथेटिक रेजिन) में निर्दिष्ट कोई भी पदार्थ निक्षालित नहीं हुआ है।
■ घिसाव वाले कणों के विरुद्ध उपाय
इसमें कम घर्षण / घिसाव-रोधी (LF) विनिर्देश की तुलना में 20% बेहतर घिसाव प्रतिरोध है, और कन्वेयर में कोई बदलाव किए बिना या स्प्रोकेट बदले बिना कम घर्षण / घिसाव-रोधी (HG) विनिर्देश से बदला जा सकता है। (चेन बदलते समय, हम रेल को भी बदलने की सलाह देते हैं। विशेष रूप से प्लास्टिक रेल के लिए, हम कम घर्षण / घिसाव-रोधी (PLF) विनिर्देश की सलाह देते हैं।)
■ परिवहन की गई वस्तुओं की सुरक्षा
घर्षण गुणांक कम घर्षण / घिसाव-रोधी (एलएफ) विनिर्देश के समान है, और मानक श्रृंखला से 15 से 45% कम है, जिससे संचय के दौरान लाइन का दबाव कम हो जाता है और परिवहन की जाने वाली वस्तुओं पर खरोंच लगने की संभावना कम हो जाती है।
■ विभिन्न विशिष्टताओं के साथ घर्षण आयतन की तुलना
20%down
  • *ऊपर दिया गया ग्राफ़ हमारे आंतरिक परीक्षण के परिणाम दर्शाता है। LF विनिर्देशन का घिसाव आयतन 100 (मानक) पर सेट है। चेन प्रकार: TTP826, चेन गति: 60 मीटर/मिनट, कमरे का तापमान, शुष्क परिस्थितियाँ
  • टिप्पणी
    कंपनी A आदि द्वारा निर्मित घिसाव-प्रतिरोधी चेन। लिंक की सामग्री: पॉलिएस्टर
    कंपनी B आदि द्वारा निर्मित घिसाव-प्रतिरोधी चेन। लिंक की सामग्री: पॉलीएसीटल
■ लागू श्रृंखला प्रकारों के उदाहरण
  • WT1506-K प्रकार, TTP826 प्रकार, RSP50 प्रकार, आदि।
×
(आप इसे खींचकर स्थानांतरित कर सकते हैं)

उच्च तापमान विनिर्देश [विनिर्देश कोड: HTW]

पॉलीप्रोपाइलीन चेन लिंक

बाहरी रंग: सफ़ेद [HTW]

■ उपयोग

  • पेय और खाद्य कारखानों में वार्मर और पास्ता कूलर की श्रृंखलाएं
  • बैटरी परिवहन लाइन
  • थोड़ा झुका हुआ परिवहन कन्वेयर
■ अधिकतम परिवेश तापमान: 105℃
पेय पदार्थ कारखानों में वार्मर और पास्ता कूलर के लिए आदर्श जहां गर्म पानी मौजूद है।
■ रासायनिक प्रतिरोध
इसमें अम्ल और क्षार सहित उत्कृष्ट रासायनिक प्रतिरोध है।
■ उच्च घर्षण
घर्षण गुणांक मानक श्रृंखला की तुलना में लगभग 1.2 से 1.6 गुना है। इसका उपयोग शुष्क परिस्थितियों में थोड़ी ढलान वाली सतहों पर माल ढुलाई के लिए किया जा सकता है।
■ हल्का
यह पॉलीएसीटल श्रृंखलाओं की तुलना में लगभग 40% हल्का है, जो आवश्यक शक्ति को कम करने में प्रभावी है।
■ लागू श्रृंखला प्रकारों के उदाहरण
  • WT1907-K प्रकार, WT2506-K प्रकार, TTPM500 प्रकार, आदि।
  • टिप्पणियाँ: 1. विनिर्देश कोड "HTW" वाला WT2250FG मॉडल खाद्य स्वच्छता अधिनियम (स्वास्थ्य और कल्याण मंत्रालय अधिसूचना संख्या 370) का अनुपालन नहीं करता है।
  • नोट) 2. अधिकतम अनुमेय भार मानक श्रृंखला का लगभग 40% है।
  • नोट 3: ऑपरेटिंग तापमान रेंज: 5 से 105°C
×
(आप इसे खींचकर स्थानांतरित कर सकते हैं)

उच्च गति विनिर्देश: केवल शुष्क परिस्थितियों के लिए [विनिर्देश कोड: HS]

चेन लिंक के लिए विशेष इंजीनियरिंग प्लास्टिक का उपयोग किया जाता है

बाहरी रंग: बेज [HS]

■ उपयोग

  • डिब्बों और खाली डिब्बों का उच्च गति से परिवहन
  • टिप्पणी)
    यह खाद्य स्वच्छता अधिनियम (स्वास्थ्य एवं कल्याण मंत्रालय अधिसूचना संख्या 370) का अनुपालन नहीं करता है।
    हालाँकि, हमने पुष्टि की है कि उपकरण और कंटेनर पैकेजिंग मानक परीक्षण (सिंथेटिक रेजिन) में निर्दिष्ट कोई भी पदार्थ निक्षालित नहीं हुआ है।
■ अधिकतम गति
इसका पी.वी. मान 230 मीटर/मिनट (सीधी रेखा) पर उच्च सीमा पर है, जो उच्च गति परिवहन के दौरान पिघलने से रोकता है।
■ लागू श्रृंखला प्रकारों के उदाहरण
  • TPU826-T प्रकार, TP-OTD32 प्रकार, आदि.
  • टिप्पणी: 1. अधिकतम अनुमेय भार मानक श्रृंखला का लगभग 80% है।
  • नोट) 2. केवल स्टेनलेस स्टील पिन प्रकार।
  • नोट 3. केवल शुष्क परिस्थितियों के लिए।
  • नोट 4: उच्च गति उपयोग के लिए, स्टेनलेस स्टील रेल (कोल्ड रोल्ड पॉलिश विनिर्देश) का उपयोग करें, और अनुप्रयोग के आधार पर, प्लास्टिक रेल विशेष पॉलीमाइड (एसजे-सीएनओ) का उपयोग करें।
  • नोट 5. ऑपरेटिंग तापमान रेंज: -20 से 50°C
×
(आप इसे खींचकर स्थानांतरित कर सकते हैं)

निम्न तापमान विनिर्देश [विनिर्देश कोड: LTW]

पॉलीइथिलीन चेन लिंक

बाहरी रंग: सफ़ेद [LTW]

■ उपयोग

  • जमे हुए खाद्य पदार्थों को फ्रीजर कन्वेयर पर परिवहन करना
  • शुष्क बर्फ परिवहन
■ कम परिवेश का तापमान
इसका उपयोग -70°C तक के कम तापमान वाले वातावरण में किया जा सकता है।
(मानक श्रृंखला-20°C तक के तापमान के लिए हैं)
■ रासायनिक प्रतिरोध
यह रसायनों के प्रति उत्कृष्ट संक्षारण प्रतिरोध प्रदर्शित करता है।
■ केवल निम्नलिखित श्रृंखला प्रकार लागू हैं।
  • BTN5, BTC6, BTN6, BTC8
  • टिप्पणी: 1. अधिकतम अनुमेय भार मानक श्रृंखला का लगभग 33% है।
  • नोट 2. यदि तापमान -20°C से कम है, तो विशेष स्प्रोकेट की आवश्यकता होगी। कृपया हमसे संपर्क करें।
  • नोट 3. ऑपरेटिंग तापमान रेंज: -70 से 60°C
×
(आप इसे खींचकर स्थानांतरित कर सकते हैं)

रासायनिक प्रतिरोधी विनिर्देश [विनिर्देश कोड: Y]

चेन लिंक के लिए विशेष इंजीनियरिंग प्लास्टिक का उपयोग किया जाता है

बाहरी रंग: मैट व्हाइट [Y]

■ उपयोग

  • लिथियम-आयन बैटरी आदि के लिए विनिर्माण लाइनों पर परिवहन।
  • मुद्रित सर्किट बोर्ड और सिलिकॉन वेफर्स को सफाई लाइनों पर स्थानांतरित करना
  • पेय और एसेप्टिक फिलिंग रूम निकास कन्वेयर पर संदेश पहुंचाना
  • उत्पादन लाइनों पर परिवहन, जिनमें रासायनिक सफाई की आवश्यकता होती है, जैसे कि खाद्य कारखानों में
■ रासायनिक प्रतिरोध
यह कार्बनिक सॉल्वैंट्स, अकार्बनिक हाइड्रोक्लोरिक एसिड, क्षार, ऑक्सीकरण एजेंट और एसिटिक एसिड सहित कई रसायनों के प्रति संक्षारण प्रतिरोधी है।
■ प्रभाव प्रतिरोध
मानक श्रृंखला की तुलना में, रेज़िन के टूटने की संभावना कम होती है।
■ लागू श्रृंखला प्रकारों के उदाहरण
  • TTP826 प्रकार, TPRF2040 प्रकार, RSP35 प्रकार, आदि।
  • टिप्पणी: 1. अधिकतम अनुमेय भार मानक श्रृंखला का लगभग 50% है।
  • नोट) 2. घर्षण गुणांक मानक श्रृंखला के समान है।
  • नोट 3. खुली लपटों के पास या उच्च तापमान में उपयोग न करें।
×
(आप इसे खींचकर स्थानांतरित कर सकते हैं)

सुपर रासायनिक प्रतिरोध [विनिर्देश कोड: SY]

चेन लिंक के लिए विशेष इंजीनियरिंग प्लास्टिक का उपयोग किया जाता है

बाहरी रंग: मैट व्हाइट [SY]

■ उपयोग

  • लिथियम-आयन बैटरी आदि के लिए विनिर्माण लाइनों पर परिवहन।
  • मुद्रित सर्किट बोर्ड और सिलिकॉन वेफर्स को सफाई लाइनों पर स्थानांतरित करना
  • पेय और एसेप्टिक फिलिंग रूम निकास कन्वेयर पर संदेश पहुंचाना
  • उत्पादन लाइनों पर परिवहन, जिनमें रासायनिक सफाई की आवश्यकता होती है, जैसे कि खाद्य कारखानों में
■ पिन सामग्री के लिए टाइटेनियम का उपयोग किया जाता है
रासायनिक प्रतिरोधी (Y) पिन को टाइटेनियम (हीरा नर्ल (कटाव) पिन) में बदलकर रासायनिक प्रतिरोध को और बेहतर बनाया गया है।
■ रासायनिक प्रतिरोध
यह हाइड्रोक्लोरिक एसिड और सल्फ्यूरिक एसिड जैसे संक्षारक रसायनों के प्रति मजबूत प्रतिरोध प्रदर्शित करता है।
■ लागू श्रृंखला प्रकारों के उदाहरण
  • टीटीपी826 प्रकार, आरएसपी40 प्रकार, आदि।
  • टिप्पणी: 1. अधिकतम अनुमेय भार मानक श्रृंखला का लगभग 50% है।
  • नोट) 2. घर्षण गुणांक मानक श्रृंखला के समान है।
  • नोट) 3. डी-पिन प्रकार और प्लास्टिक पिन प्रकार समर्थित नहीं हैं।
  • नोट 4. खुली लपटों के पास या उच्च तापमान में उपयोग न करें।
  • नोट 5. ऑपरेटिंग तापमान रेंज: -20 से 80°C
×
(आप इसे खींचकर स्थानांतरित कर सकते हैं)

प्रवाहकीय विनिर्देश [विनिर्देश कोड: E]

चेन लिंक के लिए विशेष इंजीनियरिंग प्लास्टिक का उपयोग किया जाता है

बाहरी रंग: काला [E]

■ उपयोग

  • सोल्डरिंग के बाद मुद्रित सर्किट बोर्डों का परिवहन
  • सौर पैनल लेमिनेशन प्रक्रिया से पहले और बाद में, तथा कटिंग मशीन तक परिवहन
  • डिब्बे जमा करके स्थैतिक बिजली के विरुद्ध प्रतिउपाय
  • वॉशिंग मशीन में सुखाने के बाद स्थैतिक बिजली से बचाव के उपाय
  • ऑटोमोटिव पार्ट्स (इलेक्ट्रिकल पार्ट्स) का परिवहन
  • टिप्पणी)
    यह खाद्य स्वच्छता अधिनियम (स्वास्थ्य एवं कल्याण मंत्रालय अधिसूचना संख्या 370) का अनुपालन नहीं करता है।
    हालाँकि, हमने पुष्टि की है कि उपकरण और कंटेनर पैकेजिंग मानक परीक्षण (सिंथेटिक रेजिन) में निर्दिष्ट कोई भी पदार्थ निक्षालित नहीं हुआ है।
■ उत्कृष्ट चालकता
विशिष्ट आयतन प्रतिरोधकता: 1 X 106 Ω·cm या उससे कम (मानक श्रृंखला: 1 X 1014 से 1015 Ω·cm)
■ स्थैतिक बिजली दमन
विद्युत शोर और चिंगारियों को दबाता है।
नोट: कृपया सम्पूर्ण कन्वेयर को ग्राउंड करने के लिए स्टील स्प्रोकेट रेल या इसी प्रकार के उपकरण का उपयोग करें।
■ लागू श्रृंखला प्रकारों के उदाहरण
  • WT0705-W प्रकार, TTP826P प्रकार, RSP35 प्रकार, आदि।
  • टिप्पणी: 1. अधिकतम अनुमेय भार मानक श्रृंखला का लगभग 70% है।
  • नोट) 2. घर्षण गुणांक मानक श्रृंखला के समान है।
×
(आप इसे खींचकर स्थानांतरित कर सकते हैं)

प्रभाव-प्रतिरोधी विनिर्देश: केवल शुष्क परिस्थितियों के लिए [विनिर्देश कोड: DIA]

चेन लिंक के लिए विशेष इंजीनियरिंग प्लास्टिक का उपयोग किया जाता है

रंग: क्रीम [DIA]

■ उपयोग

  • थोड़े भारी मशीन भागों का परिवहन
  • सीधे भोजन लोड करने के लिए सूखा कन्वेयर
  • थोड़ा झुका हुआ खाद्य कन्वेयर
  • टिप्पणी)
    यह खाद्य स्वच्छता अधिनियम (स्वास्थ्य एवं कल्याण मंत्रालय अधिसूचना संख्या 370) का अनुपालन नहीं करता है।
    हालाँकि, हमने पुष्टि की है कि उपकरण और कंटेनर पैकेजिंग मानक परीक्षण (सिंथेटिक रेजिन) में निर्दिष्ट कोई भी पदार्थ निक्षालित नहीं हुआ है।
■ अल्ट्रा-शॉक प्रतिरोधी
झटके लगने पर भी चेन में आसानी से दरार नहीं पड़ती, और अगर चेन टूट भी जाए तो उसके टुकड़े बिखरते नहीं हैं। बाहरी पदार्थों से होने वाले प्रदूषण को रोकने के लिए उपयुक्त है।
■ उच्च घर्षण
घर्षण गुणांक मानक श्रृंखला से 1.2 गुना कम है। शुष्क परिस्थितियों में इसे हल्की ढलानों पर इस्तेमाल किया जा सकता है।
■ हल्का
यह पॉलीएसीटल टॉप चेन की तुलना में लगभग 20% हल्का है, जिससे इसे संभालना आसान है और आवश्यक शक्ति को कम करने में प्रभावी है।
■ प्रभाव प्रतिरोध (प्रभाव पड़ने पर टूटने का प्रतिरोध)
■ लागू श्रृंखला प्रकारों के उदाहरण
  • BTC8H-826-M प्रकार, TPUSR550-T प्रकार, RSP60-2 प्रकार, आदि।
  • टिप्पणी: 1. अधिकतम अनुमेय भार मानक श्रृंखला का लगभग 75% है।
  • नोट 2. केवल शुष्क परिस्थितियों के लिए।
×
(आप इसे खींचकर स्थानांतरित कर सकते हैं)

प्रभाव-प्रतिरोधी: सूखी और गीली दोनों स्थितियों के लिए उपयुक्त [विनिर्देश कोड: DIY]

चेन लिंक के लिए विशेष इंजीनियरिंग प्लास्टिक का उपयोग किया जाता है

दिखावट का रंग: हरा [DIY]

■ उपयोग

  • गीली परिस्थितियों में भोजन या कंटेनर परिवहन
  • जब बार-बार कीटाणुरहित और साफ किया जाता है
  • यदि आप पॉलीएसीटल चेन का उपयोग कर रहे हैं और चिपिंग की समस्या आ रही है
  • टिप्पणी)
    यह खाद्य स्वच्छता अधिनियम (स्वास्थ्य एवं कल्याण मंत्रालय अधिसूचना संख्या 370) का अनुपालन नहीं करता है।
    हालाँकि, हमने पुष्टि की है कि उपकरण और कंटेनर पैकेजिंग मानक परीक्षण (सिंथेटिक रेजिन) में निर्दिष्ट कोई भी पदार्थ निक्षालित नहीं हुआ है।
■ प्रभाव प्रतिरोध
पॉलीएसीटल रेज़िन की तुलना में, प्रभाव पड़ने पर भी इसके टूटने की संभावना कम होती है।
■ रासायनिक प्रतिरोध
इसमें सफाई और रोगाणुनाशन रसायनों के प्रति उत्कृष्ट प्रतिरोध है, जो इसे उन कन्वेयरों के लिए उपयुक्त बनाता है जिन्हें बार-बार रोगाणुनाशन और साफ किया जाता है।
■ चिपकने वाला नहीं
इससे परिवहन की जाने वाली वस्तुओं को श्रृंखला से चिपकने से रोका जा सकता है।
■ प्रभाव प्रतिरोध (प्रभाव पड़ने पर टूटने का प्रतिरोध)
■ यूवी प्रतिरोध
इसमें पॉलीएसीटल रेज़िन की तुलना में बेहतर मौसम प्रतिरोध है।
■ लागू श्रृंखला प्रकारों के उदाहरण
  • BTC6 प्रकार, TPRF2040 प्रकार, RSP60 प्रकार, आदि।
  • टिप्पणी: 1. अधिकतम अनुमेय भार मानक श्रृंखला का लगभग 75% है।
  • नोट) 2. घर्षण गुणांक मानक श्रृंखला के समान है।
  • नोट 3. वातावरण के आधार पर, जैसे कि कम तापमान, रेज़िन के टुकड़े उड़ सकते हैं।
  • नोट 4. खुली लपटों के पास या उच्च तापमान में उपयोग न करें।
×
(आप इसे खींचकर स्थानांतरित कर सकते हैं)

मध्यम घर्षण विनिर्देश: केवल शुष्क स्थितियों के लिए [विशिष्ट प्रतीक: MF]

चेन लिंक के लिए प्रयुक्त विशेष पॉलीएसीटल

उपस्थिति रंग: पीला [एमएफ]

■ उपयोग

  • 3 से 5° झुकाव वाला परिवहन
  • निरीक्षण और मुद्रण कन्वेयर पर वस्तुओं को अत्यधिक फिसलने से रोकता है
    *परिवहन की जा रही वस्तु पर निर्भर करता है।
■ झुके हुए परिवहन के लिए आदर्श
एक मध्यम-उच्च घर्षण सामग्री जो झुके हुए परिवहन के लिए उपयुक्त है।
■ स्थिर परिवहन
यह कन्वेयर के शुरू होने और रुकने पर परिवहन की जाने वाली वस्तुओं के गलत संरेखण को रोकने के लिए, तथा त्वरण के कारण फिसलन को रोकने के लिए उपयुक्त है।
■ लागू श्रृंखला प्रकारों के उदाहरण
  • BTC6 प्रकार, TTUP826P प्रकार, RSP40 प्रकार, आदि।
  • टिप्पणी: 1. अधिकतम अनुमेय भार मानक श्रृंखला का लगभग 75% है।
  • नोट) 2. घर्षण गुणांक मानक श्रृंखला से 1.1 गुना अधिक है।
  • नोट 2. केवल शुष्क परिस्थितियों के लिए।
  • नोट 4: ऑपरेटिंग तापमान रेंज: -20 से 80°C
×
(आप इसे खींचकर स्थानांतरित कर सकते हैं)

ऊष्मा-प्रतिरोधी, विकिरण-प्रतिरोधी और वैक्यूम-प्रतिरोधी [विनिर्देश कोड: PK150]

चेन लिंक और पिन के लिए PEEK रेज़िन का उपयोग किया जाता है

रंग: हल्का भूरा [PK150]

■ उपयोग

  • उच्च तापमान वाले वातावरण जैसे सुखाने वाली भट्टियां और ओवन, तथा ओवन के लिए प्रवेश/निकास स्थानांतरण इकाइयाँ
  • ऐसे वातावरण में जहाँ रसायनों का उपयोग किया जाता है, जैसे कि भरने वाले कमरे की सफाई और उसे रोगाणुमुक्त करना
  • निर्वात वातावरण में परिवहन
■ अधिकतम परिवेश तापमान: 150℃
■ रासायनिक प्रतिरोध
यह रसायनों के प्रति उत्कृष्ट संक्षारण प्रतिरोध प्रदर्शित करता है।
■ विकिरण प्रतिरोध
इसमें किसी भी थर्मोप्लास्टिक रेज़िन की तुलना में सबसे अधिक विकिरण प्रतिरोध है।
■ निर्वात में कम गैस उत्सर्जन
■ FDA (खाद्य एवं औषधि प्रशासन) द्वारा अनुमोदित सामग्रियों से निर्मित
■ लागू चेन प्रकार
  • WT0405-W
  • नोट: ऑपरेटिंग तापमान रेंज: -20 से 150°C
×
(आप इसे खींचकर स्थानांतरित कर सकते हैं)

जीवाणुरोधी और कवकरोधी विनिर्देश [विनिर्देश कोड: MWS]

जीवाणुरोधी कम घर्षण / घिसाव-रोधी पॉलीएसिटल से बनी चेन लिंक

रंग: क्रीम [MWS]

■ उपयोग

  • बोतलबंदी संयंत्रों में सफाई के उपाय
  • प्रक्रिया नमी या संघनन के कारण गीले कन्वेयर
    (विशेष रूप से शॉवर उपकरण का प्रवेश और निकास तथा रिटॉर्ट उपकरण का अनलोडर अनुभाग)
  • परिस्थितियों के कारण कन्वेयर के गंदे होने की संभावना रहती है, इसलिए फफूंद की रोकथाम आवश्यक है।
■ जीवाणुरोधी और कवकरोधी
इसमें जीवाणुरोधी एजेंट निर्माता के साथ संयुक्त रूप से विकसित मूल जीवाणुरोधी एजेंट का उपयोग किया गया है। खाद्य उद्योग में सबसे खतरनाक बैक्टीरिया, जैसे कि कोलोन बेसिलस (ई. कोलाई), स्टैफिलोकोकस और लैक्टोबैसिलस के खिलाफ प्रभावी होने के साथ-साथ, इसके फफूंदी रोधी गुण नीली और अन्य प्रकार की फफूंद के खिलाफ भी प्रभावी हैं।
■ स्थिरता
इस्तेमाल किया गया जीवाणुरोधी एजेंट एक अकार्बनिक जीवाणुरोधी एजेंट है जो लंबे समय तक अपनी प्रभावशीलता बनाए रखता है। चूँकि जीवाणुरोधी एजेंट निर्माण के दौरान प्लास्टिक सामग्री में गूँथा जाता है, इसलिए यह पूरे लिंक में समान रूप से वितरित होता है, और इसकी जीवाणुरोधी और कवकरोधी विशेषताएँ सतह के घिसने पर भी बनी रहती हैं।
■ सुरक्षा
इसमें अत्यधिक सुरक्षित जीवाणुरोधी तत्व मौजूद हैं। आधार सामग्री खाद्य स्वच्छता अधिनियम (स्वास्थ्य एवं कल्याण मंत्रालय की अधिसूचना संख्या 370) का अनुपालन नहीं करती है।
हालाँकि, हमने पुष्टि की है कि उपकरण और कंटेनर पैकेजिंग मानक परीक्षण (सिंथेटिक रेजिन) में निर्दिष्ट कोई भी पदार्थ निक्षालित नहीं हुआ है।
जीवाणुरोधी और कवकरोधी कार्यों को जोड़कर सुरक्षा को और बेहतर बनाया गया है।
■ उच्च कार्यक्षमता
जीवाणुरोधी एजेंट का प्रदर्शन पर लगभग कोई प्रभाव नहीं पड़ता है, और रबर उत्कृष्ट कम घर्षण / घिसाव-रोधी प्रदर्शित करता है। लिंक सामग्री कम घर्षण / घिसाव-रोधी (एलएफ) सामग्री से बनी है।
  • टिप्पणी: 1. अधिकतम अनुमेय भार मानक श्रृंखला के समान है।
  • नोट 2: घर्षण गुणांक कम घर्षण / घिसाव-रोधी (एलएफ) विनिर्देश के समान है।

जीवाणुरोधी और कवकरोधी गुण

35℃ x 24 घंटे (सैकेरोमाइसिस)
एलएफ विनिर्देश समतुल्य उत्पाद MWS विनिर्देश

*परिक्षण विधि
जेआईएस Z2801:2010

  • परीक्षण अनुरोधकर्ता: हाइजीन माइक्रोबायोलॉजी रिसर्च सेंटर कंपनी लिमिटेड.
  • 12 अक्टूबर, 2020 को जारी की गई परीक्षण रिपोर्ट
  • परीक्षण रिपोर्ट अंक संख्या 2020D-BT-0808

जीवाणुरोधी परीक्षण के परिणाम (बिना जीवाणुरोधी एजेंट की तुलना में)

परीक्षण किए गए बैक्टीरिया परीक्षण आइटम टीकाकरण के तुरंत बाद 35℃ x 24 घंटे बाद
ई कोलाई MWS 1.5 X 104 38
(कोई जीवाणुरोधी एजेंट नहीं) 1.5 X 104 22 X 106
स्टाफीलोकोकस ऑरीअस MWS 1.6 X 104 का पता नहीं चला
(कोई जीवाणुरोधी एजेंट नहीं) 1.6 X 104 1.5 X 105
Saccharomyces
(एक प्रकार का खमीर)
MWS 2.5 X 104 का पता नहीं चला
(कोई जीवाणुरोधी एजेंट नहीं) 2.5 X 104 1.4 X 104
लैक्टोबेसिलस MWS 6.4 X 105 1.3 X 102
(कोई जीवाणुरोधी एजेंट नहीं) 6.4 X 105 6.9 X 104
रोगजनक ई. कोलाई
ओ-157(एच7)
MWS 1 X 103.9 का पता नहीं चला
(कोई जीवाणुरोधी एजेंट नहीं) 1 X 103.9 1 X 103.4

फफूंदी वृद्धि परीक्षण के परिणाम (जीवाणुरोधी एजेंट के बिना की तुलना में)

परीक्षण साँचा परीक्षण आइटम 7 दिन बाद 14 दिन बाद 21 दिन बाद
काला आकार MWS विनिर्देश 0 0 0
(कोई जीवाणुरोधी एजेंट नहीं) 0 1 2

●परीक्षण परिणाम कैसे प्रदर्शित करें

प्रदर्शन सामग्री प्रदर्शित करें
0 नंगी आँखों या सूक्ष्मदर्शी से देखने पर फफूंद की कोई वृद्धि नहीं देखी जाती। कुछ मामलों में अवरोध का एक क्षेत्र देखा जा सकता है।
1 नंगी आंखों से कोई फफूंद दिखाई नहीं देती, लेकिन उसे सूक्ष्मदर्शी से देखा जा सकता है।
2 माइसीलिया की वृद्धि मामूली है, और बढ़ते भाग का क्षेत्र कुल क्षेत्रफल का 25% से अधिक नहीं है।
3 माइसीलियम की वृद्धि मध्यम होती है, वृद्धि का क्षेत्र कुल क्षेत्रफल का 25-50% होता है।
4 माइसीलियम अच्छी तरह से बढ़ता है, और विकसित भाग का क्षेत्र कुल क्षेत्रफल का 50 से 100% होता है।
5 माइसीलियम तेजी से बढ़ता है और पूरी सतह को ढक लेता है।

*परिक्षण विधि
JIS Z2911-2000 (एक विधि)

  • परीक्षण संगठन इशिज़ुका ग्लास कंपनी लिमिटेड
  • 25 सितंबर, 2020 को जारी की गई परीक्षण रिपोर्ट
×
(आप इसे खींचकर स्थानांतरित कर सकते हैं)

धातु पहचान विनिर्देश [विनिर्देश कोड: MPD/MPW]

चेन लिंक के लिए विशेष इंजीनियरिंग प्लास्टिक का उपयोग किया जाता है

बाहरी रंग: काला [एमपीडी/एमपीडब्ल्यू]

■ उपयोग

  • रबर यौगिक संचरण
  • पैकेजिंग मशीन के सामने सीधे भोजन रखने के लिए कन्वेयर
  • कन्वेयर पर सीधे नूडल्स का परिवहन (विनिर्देश कोड: MPW)
  • बेकरी कारखानों में ट्रे परिवहन (विनिर्देश कोड: एमपीडी)
  • टिप्पणी)
    यह खाद्य स्वच्छता अधिनियम (स्वास्थ्य एवं कल्याण मंत्रालय अधिसूचना संख्या 370) का अनुपालन नहीं करता है।
    हालाँकि, हमने पुष्टि की है कि उपकरण और कंटेनर पैकेजिंग मानक परीक्षण (सिंथेटिक रेजिन) में निर्दिष्ट कोई भी पदार्थ निक्षालित नहीं हुआ है।
■ मेटल डिटेक्टर द्वारा पता लगाया जा सकता है
यदि चेन टूट भी जाए और भोजन या रबर के मिश्रण में मिल जाए, तो भी मेटल डिटेक्टर द्वारा इसका पता लगाया जा सकता है और रिसाव को रोका जा सकता है।
■ प्रभाव प्रतिरोध
यदि कोई प्रभाव पड़ भी जाए तो भी टुकड़ों के उड़कर दूर जाने की संभावना कम होती है।
■ लागू श्रृंखला प्रकारों के उदाहरण
  • TTUP826 प्रकार, RSP60-CU-2 प्रकार, आदि.
  • नोट: 1. एमपीडी विनिर्देश केवल शुष्क स्थितियों के लिए हैं, जबकि एमपीडब्ल्यू विनिर्देश शुष्क और गीली दोनों स्थितियों के लिए हैं।
  • नोट 2) एमपीडी विनिर्देश के लिए अधिकतम अनुमेय भार मानक श्रृंखला के लिए लगभग 80% है, और एमपीडब्ल्यू विनिर्देश के लिए अधिकतम अनुमेय भार मानक श्रृंखला के लिए लगभग 40% है।
  • नोट 3. ऑपरेटिंग तापमान रेंज: -20 से 80°C (MPD), -20 से 60°C (MPW)
×
(आप इसे खींचकर स्थानांतरित कर सकते हैं)

निम्न तापमान और रासायनिक प्रतिरोधी विनिर्देश [विनिर्देश कोड: UPE]

श्रृंखला लिंक के लिए अति-उच्च आणविक भार पॉलीइथाइलीन का उपयोग किया जाता है

बाहरी रंग: मैट व्हाइट [UPE]

■ उपयोग

  • जमे हुए खाद्य भंडारण गोदाम परिवहन
  • जमे हुए खाद्य पदार्थों को फ्रीजर कन्वेयर पर परिवहन करना
  • ऐसे खाद्य पदार्थ का परिवहन करना जिसके लिए रासायनिक सफाई या संदूषण निवारण उपायों की आवश्यकता हो
  • द्वितीयक बैटरियों और अन्य वस्तुओं का परिवहन, जिनके लिए रासायनिक प्रतिरोध की आवश्यकता होती है
  • ऐसे वातावरण में जहाँ रसायनों का उपयोग किया जाता है, जैसे कि भरने वाले कमरे की सफाई और उसे रोगाणुमुक्त करना
■ कम परिवेश का तापमान
इसका उपयोग -70°C के निम्न परिवेश तापमान में किया जा सकता है (मानक श्रृंखला-20°C तक के लिए हैं)।
■ प्रभाव प्रतिरोध
इसमें अत्यधिक प्रभाव प्रतिरोध क्षमता होती है तथा कम तापमान वाले वातावरण में उपयोग किए जाने पर भी इसमें बाहरी पदार्थों का मिल पाना कठिन होता है।
पॉलीएसीटल रेज़िन की तुलना में, कमरे के तापमान वाले वातावरण में उपयोग किए जाने पर इसका प्रभाव प्रतिरोध 13 गुना अधिक होता है, तथा कम तापमान वाले वातावरण में उपयोग किए जाने पर इसका प्रभाव प्रतिरोध 26 गुना अधिक होता है।
■ घर्षण प्रतिरोध
कमरे के तापमान वाले वातावरण में उपयोग करने पर पॉलीएसीटल रेज़िन की तुलना में घिसाव लगभग 80% कम हो जाता है।
■ रासायनिक प्रतिरोध
यह रसायनों के प्रति उत्कृष्ट संक्षारण प्रतिरोध प्रदर्शित करता है।
■ FDA (खाद्य एवं औषधि प्रशासन) द्वारा अनुमोदित सामग्रियों से निर्मित
■ लागू चेन प्रकार
  • RSP80
  • टिप्पणी: 1. अधिकतम अनुमेय भार मानक श्रृंखला का लगभग 30% है।
  • नोट 2. ऑपरेटिंग तापमान रेंज: -70 से 60°C
  • नोट 3. यदि तापमान -20°C से कम है, तो एक विशेष स्प्रोकेट की आवश्यकता होगी। कृपया अधिक जानकारी के लिए हमसे संपर्क करें।
  • नोट 4: घिसाव पट्टी सामग्री के लिए स्टेनलेस स्टील (कोल्ड रोल्ड सामग्री) की सिफारिश की जाती है। UHMW-PE (अल्ट्रा-हाई मॉलिक्यूलर वेट पॉलीएथिलीन) की सिफारिश नहीं की जाती है क्योंकि यह वही सामग्री है।
×
(आप इसे खींचकर स्थानांतरित कर सकते हैं)

एसिड-प्रतिरोधी विनिर्देश [विनिर्देश कोड: AR]

चेन लिंक के लिए प्रयुक्त विशेष पॉलीएसीटल

बाहरी रंग: सफ़ेद [AR]

■ संक्षारण प्रतिरोध
इसमें मानक श्रृंखला विनिर्देशों की तुलना में बेहतर संक्षारण प्रतिरोध क्षमता और कम घर्षण / घिसाव-रोधी (एलएफ) क्षमता है।
■ संक्षारण निवारण उपाय
सोडियम हाइपोक्लोराइट युक्त साबुन के पानी से होने वाले क्षरण को रोकने के लिए उपयुक्त।
■ लागू श्रृंखला प्रकारों के उदाहरण
  • टीटीपी826 प्रकार, आरएसपी35 प्रकार, आदि।
  • नोट: 1. चूंकि यह मजबूत एसिड और मजबूत क्षार से संक्षारित हो जाएगा, कृपया रासायनिक प्रतिरोधी (Y) या सुपर रासायनिक प्रतिरोधी (SY) विनिर्देशों का उपयोग करें।
  • नोट) 2. अधिकतम अनुमेय भार मानक श्रृंखला का लगभग 90% है।
  • नोट) 3. घर्षण गुणांक मानक श्रृंखला के समान है।
  • नोट) 4. प्लास्टिक पिन प्रकार उपलब्ध नहीं है।
  • नोट 5. ऐसी परिस्थितियों में इसका उपयोग नहीं किया जा सकता जहां इसे 60°C या उससे अधिक गर्म पानी के संपर्क में लाया जाएगा।
  • नोट 6. ऑपरेटिंग तापमान रेंज: -20 से 80°C (60) (60) गीली परिस्थितियों में है।
×
(आप इसे खींचकर स्थानांतरित कर सकते हैं)

यूवी प्रतिरोधी [विशिष्ट प्रतीक: UVR]

चेन लिंक के लिए प्रयुक्त विशेष पॉलीएसीटल

बाहरी रंग: हल्का ग्रे [UVR]

■ उपयोग

  • बाहर परिवहन करना जहां यह पराबैंगनी किरणों के संपर्क में आता है
  • मानक श्रृंखला की तुलना में अधिक जीवनकाल के लिए यूवी क्षरण के खिलाफ प्रतिकार।
■ यूवी प्रतिरोध
मानक श्रृंखला और कम घर्षण / घिसाव-रोधी (एलएफ) विशिष्टताओं की तुलना में, यह उत्पाद बाहरी वातावरण में यूवी क्षरण (रंग फीका पड़ना और मजबूती में कमी) के प्रति बेहतर प्रतिरोध प्रदान करता है।
■ लागू श्रृंखला प्रकारों के उदाहरण
  • TTP826 प्रकार, TTPH826P प्रकार, RSP50 प्रकार, आदि।
  • टिप्पणी: 1. अधिकतम अनुमेय भार और घर्षण गुणांक मानक श्रृंखला के समान हैं।
  • नोट) 2. प्लास्टिक पिन प्रकार भी उपलब्ध है।
  • नोट 3. ऑपरेटिंग तापमान रेंज: -20 से (60) 80°C. (60) प्लास्टिक पिन प्रकार की गीली स्थितियों के लिए है।
×
(आप इसे खींचकर स्थानांतरित कर सकते हैं)

खाद्य परिवहन विनिर्देश [विनिर्देश कोड: PFS]

चेन लिंक के लिए उपयोग किया जाने वाला पॉलीएसीटल

बाहरी रंग: नील नीला [PFS]

■ उपयोग

  • ब्रेड उत्पादन लाइन पर कमरे के तापमान पर ठंडा करने की प्रक्रिया के दौरान संदेश भेजना
  • खाद्य उत्पादन लाइनों में अन्य परिवहन
■ PIM (यूरोपीय प्लास्टिक स्थापना विनियमन) के अनुरूप
हम त्सुबाकी की मूल सामग्री का उपयोग करते हैं जो PIM (यूरोपीय प्लास्टिक प्रवर्तन विनियमन) का अनुपालन करती है।
■ लागू श्रृंखला प्रकारों के उदाहरण
  • TTP826 प्रकार, RSP40-T-CU प्रकार, आदि.
  • टिप्पणी: 1. अधिकतम अनुमेय भार और घर्षण गुणांक मानक श्रृंखला के समान हैं।
  • नोट 2. पीआईएम (प्लास्टिक कार्यान्वयन मैनुअल) नियमों का एक समूह है जो प्लास्टिक उत्पादों की बिक्री के लिए आवश्यक है, जिनका उपयोग यूरोप में वस्तुओं के साथ सीधे संपर्क में किया जाना है।
  • नोट 3. प्लास्टिक पिन प्रकार PIM (यूरोपीय प्लास्टिक स्थापना विनियमन) का अनुपालन नहीं करता है।
×
(आप इसे खींचकर स्थानांतरित कर सकते हैं)

बायोमास विनिर्देश (बीपी) [विनिर्देश कोड: बीपी]

ये लिंक पर्यावरण के अनुकूल बायोमास प्लास्टिक से बने हैं

उपस्थिति रंग: गहरा हरा [BPG]

■ पर्यावरण के अनुकूल उत्पाद
पौधों से प्राप्त पर्यावरण अनुकूल बायोमास प्लास्टिक का उपयोग करके, हम न केवल पेट्रोलियम संसाधनों का संरक्षण कर सकते हैं, बल्कि बायोमास प्लास्टिक की कार्बन तटस्थता के कारण CO2 उत्सर्जन में भी कमी ला सकते हैं।

*बायोमास प्लास्टिक: पौधों जैसे नवीकरणीय जैविक संसाधनों से बना प्लास्टिक पदार्थ।


■ लागू श्रृंखला प्रकारों के उदाहरण
  • केवल RSP40 प्रकार
  • टिप्पणी: 1. अधिकतम अनुमेय भार मानक श्रृंखला का लगभग 36% है।
  • नोट 2. ऑपरेटिंग तापमान रेंज: -20 से 80°C
  • नोट 3. केवल शुष्क परिस्थितियों के लिए।
  • नोट 4: हम इस उत्पाद का उपयोग 20 से 80% की परिवेशी आर्द्रता सीमा में करने की सलाह देते हैं। यदि आप इस उत्पाद का उपयोग इससे भिन्न परिवेशी आर्द्रता सीमा में करना चाहते हैं, तो कृपया हमसे संपर्क करें।
  • नोट 5. खाद्य स्वच्छता अधिनियम (स्वास्थ्य एवं कल्याण मंत्रालय अधिसूचना संख्या 370) का अनुपालन नहीं करता है।
  • नोट 6. बायोमास (बीपी) विनिर्देश की भौतिक विशेषताओं के कारण, रंग में थोड़ा अंतर हो सकता है। इससे उत्पाद के प्रदर्शन पर कोई प्रभाव नहीं पड़ता है।