चेन गाइड प्रमुख विनिर्देश
कैटलॉग और निर्देश पुस्तिका
| ※ | 3D CAD डेटा CADENAS Web2CAD Co., Ltd. की CAD ड्राइंग लाइब्रेरी साइट "PARTcommunity" के लिंक के माध्यम से प्रदान किया जाएगा। |
| ※ | 3D CAD डेटा और PARTcommunity के बारे में पूछताछ के लिए कृपया Cadenas Web2CAD से संपर्क करें। कैडेनस वेब टू सीएडी कंपनी लिमिटेड दूरभाष: (03)5961‐5031 फैक्स: (03)5961‐5032 |
उच्च घूर्णन रिटर्न रोलर (आरआर)
भीतरी परिधि में इंजीनियरिंग प्लास्टिक सामग्री का उपयोग किया गया है जो शाफ्ट के लिए कम प्रतिरोध प्रदान करती है, और बाहरी परिधि में नरम सामग्री का उपयोग किया गया है जो चेन के लिए उच्च प्रतिरोध प्रदान करती है, जिसके परिणामस्वरूप उत्कृष्ट घूर्णी प्रदर्शन प्राप्त होता है। यह तब प्रभावी होता है जब आप चेन स्लैट्स की ऊपरी सतह पर खरोंच लगने से बचना चाहते हैं, और वापसी यात्रा के दौरान शोर को कम करना चाहते हैं। हमने अपने उत्पाद श्रृंखला में एक नया प्रकार भी जोड़ा है जो स्लैट्स की ऊपरी सतह के साथ संपर्क को कम करके और शाफ्ट होल में बियरिंग का उपयोग करके घिसाव पाउडर के उत्पादन को कम करता है।
टीपी-आईआर60, टीपी-आईआर18: केवल सुखाकर उपयोग करें
TP-C121963, 121966RNT-RR, TP-C121967, 121970RNFT-RR: शुष्क और गीले दोनों प्रकार के उपयोग के लिए
कन्वेयर के वापसी वाले भाग पर चेन के शीर्ष के लिए समर्थन के रूप में रिटर्न रोलर का उपयोग करें।
| मॉडल संख्या | सामग्री | रंग | तापमान रेंज आपरेट करना डिग्री सेल्सियस |
डीएक्सएफ आकार डेटा |
मूल्य | डिलीवरी | पीडीएफ DIMENSIONS |
3DCAD | ||
|---|---|---|---|---|---|---|---|---|---|---|
| अक्ष/पक्ष | बाहरी परिधि | अक्ष/पक्ष | बाहरी परिधि | |||||||
| TP-IR60 | पॉलियामाइड | उच्च-घर्षण पॉलियामाइड | हल्का ग्रे | नीला | -20~80 | DXF | कृपया हमसे संपर्क करें | कृपया हमसे संपर्क करें | 3DCAD | |
टिप्पणी
1. यह उत्पाद ऑर्डर पर बनाया जाता है।
2. गीली परिस्थितियों में इसका उपयोग न करें।
3. चेन का प्रयोग 50 m/min या उससे कम की गति से करें।
| मॉडल संख्या | सामग्री | रंग | तापमान रेंज आपरेट करना डिग्री सेल्सियस |
डीएक्सएफ आकार डेटा |
मूल्य | डिलीवरी | पीडीएफ DIMENSIONS |
3DCAD | ||
|---|---|---|---|---|---|---|---|---|---|---|
| अक्ष/पक्ष | बाहरी परिधि | अक्ष/पक्ष | बाहरी परिधि | |||||||
| TP-IR18 | पॉलियामाइड | उच्च-घर्षण पॉलियामाइड | हल्का ग्रे | मैट व्हाइट | -20~80 | DXF | कृपया हमसे संपर्क करें | कृपया हमसे संपर्क करें | 3DCAD | |
टिप्पणी
1. यह उत्पाद ऑर्डर पर बनाया जाता है।
2. गीली परिस्थितियों में इसका उपयोग न करें।
3. कृपया इसे BTC4-500-M के साथ प्रयोग करें।
| मॉडल संख्या | शाफ्ट व्यास डीएफ |
सामग्री | रंग | एमबी समतुल्य उत्पाद | तापमान रेंज आपरेट करना डिग्री सेल्सियस |
डीएक्सएफ आकार डेटा |
मूल्य | डिलीवरी | पीडीएफ DIMENSIONS |
||
|---|---|---|---|---|---|---|---|---|---|---|---|
| अक्ष/पक्ष | बाहरी परिधि | अक्ष/पक्ष | बाहरी परिधि | ||||||||
| TP-C121963RNT-RR | 15.5 | उच्च घनत्व पॉलीइथाइलीन | थर्मोप्लास्टिक रबर | हरा | स्लेटी | MB613-615342-RR | -20~60 | DXF | कृपया हमसे संपर्क करें | कृपया हमसे संपर्क करें | |
| TP-C121966RNT-RR | 20.5 | उच्च घनत्व पॉलीइथाइलीन | थर्मोप्लास्टिक रबर | हरा | स्लेटी | MB613-615372-RR | -20~60 | DXF | कृपया हमसे संपर्क करें | कृपया हमसे संपर्क करें | |
टिप्पणी
1. चेन की गति 50 m/min या उससे कम होनी चाहिए।
2. टीपी-सी121966आरएनटी-आरआर चौड़ी श्रृंखलाओं के लिए उपयुक्त है।
| मॉडल संख्या | शाफ्ट व्यास डीएफ |
सामग्री | रंग | एमबी समतुल्य उत्पाद | तापमान रेंज आपरेट करना डिग्री सेल्सियस |
डीएक्सएफ आकार डेटा |
मूल्य | डिलीवरी | पीडीएफ DIMENSIONS |
||
|---|---|---|---|---|---|---|---|---|---|---|---|
| अक्ष/पक्ष | बाहरी परिधि | अक्ष/पक्ष | बाहरी परिधि | ||||||||
| TP-C121967RNFT-RR | 15.5 | उच्च घनत्व पॉलीइथाइलीन | थर्मोप्लास्टिक रबर | हरा | स्लेटी | MB614-615382-RR | -20~60 | DXF | कृपया हमसे संपर्क करें | कृपया हमसे संपर्क करें | |
| TP-C121970RNFT-RR | 20.5 | उच्च घनत्व पॉलीइथाइलीन | थर्मोप्लास्टिक रबर | हरा | स्लेटी | MB614-615412-RR | -20~60 | DXF | कृपया हमसे संपर्क करें | कृपया हमसे संपर्क करें | |
टिप्पणी
1. चेन की गति 50 m/min या उससे कम होनी चाहिए।
2. TP-C121970RNFT-RR चौड़ी श्रृंखलाओं के लिए उपयुक्त है।
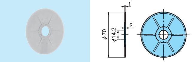
गाइड फ्लैंज
| मॉडल संख्या | सामग्री | रंग | तापमान रेंज आपरेट करना डिग्री सेल्सियस |
डीएक्सएफ आकार डेटा |
मूल्य | डिलीवरी | पीडीएफ DIMENSIONS |
3DCAD |
|---|---|---|---|---|---|---|---|---|
| TP-GF70 | एंटीस्टैटिक पीओएम | हल्का ग्रे | -20~80 | DXF | कृपया हमसे संपर्क करें | कृपया हमसे संपर्क करें | 3DCAD |
टिप्पणी
1. यह उत्पाद ऑर्डर पर बनाया जाता है।
2. कृपया टीपी-आईआर60 के साथ प्रयोग करें।






