फ़्रेम संख्या ( दांतों की संख्या के अनुसार चयन करने के लिए क्लिक करें विवरण देखें।) |
आवाज़ का उतार-चढ़ाव पी मिमी |
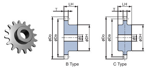
रोलर व्यास डी मिमी |
पिन गियर दांत की चौड़ाई टी मिमी |
PDU020  |
20 |
10.16 |
9 |
|
| मॉडल संख्या |
दांतों की संख्या एनटी |
पिच सर्कल व्यास ΦDa मिमी |
संदर्भ बहरी घेरा ΦDo मिमी |
शाफ्ट छेद व्यास Φd मिमी |
केंद्र |
| पायलट बोर |
व्यास ΦDH मिमी |
लंबाई एलएच मिमी |
|---|
PDU020-GGC012T□□□P, PDU020-GGB012T□□□P PDU020-GGC012T□□□P-S, PDU020-GGB012T□□□P-S PDU020-NGC012T□□□P, PDU020-NGB012T□□□P PDU020-NGC012T□□□P-S, PDU020-NGB012T□□□P-S
|
12 |
78.59 |
95 |
12.7 |
49 |
20 |
PDU020-GGC013T□□□P, PDU020-GGB013T□□□P PDU020-GGC013T□□□P-S, PDU020-GGB013T□□□P-S PDU020-NGC013T□□□P, PDU020-NGB013T□□□P PDU020-NGC013T□□□P-S, PDU020-NGB013T□□□P-S
|
13 |
84.76 |
101 |
12.7 |
50 |
30 |
PDU020-GGC014T□□□P, PDU020-GGB014T□□□P PDU020-GGC014T□□□P-S, PDU020-GGB014T□□□P-S PDU020-NGC014T□□□P, PDU020-NGB014T□□□P PDU020-NGC014T□□□P-S, PDU020-NGB014T□□□P-S
|
14 |
91.13 |
108 |
12.7 |
50 |
30 |
PDU020-GGC015T□□□P, PDU020-GGB015T□□□P PDU020-GGC015T□□□P-S, PDU020-GGB015T□□□P-S PDU020-NGC015T□□□P, PDU020-NGB015T□□□P PDU020-NGC015T□□□P-S, PDU020-NGB015T□□□P-S
|
15 |
97.29 |
114 |
12.7 |
50 |
30 |
PDU020-GGC016T□□□P, PDU020-GGB016T□□□P PDU020-GGC016T□□□P-S, PDU020-GGB016T□□□P-S PDU020-NGC016T□□□P, PDU020-NGB016T□□□P PDU020-NGC016T□□□P-S, PDU020-NGB016T□□□P-S
|
16 |
103.66 |
120 |
12.7 |
50 |
30 |
PDU020-GGC024T□□□P, PDU020-GGB024T□□□P PDU020-GGC024T□□□P-S, PDU020-GGB024T□□□P-S PDU020-NGC024T□□□P, PDU020-NGB024T□□□P PDU020-NGC024T□□□P-S, PDU020-NGB024T□□□P-S
|
24 |
153.99 |
167 |
15.9 |
60 |
40 |
|
PDU022  |
22 |
11.91 |
12 |
|
| मॉडल संख्या |
दांतों की संख्या एनटी |
पिच सर्कल व्यास ΦDa मिमी |
संदर्भ बहरी घेरा ΦDo मिमी |
शाफ्ट छेद व्यास Φd मिमी |
केंद्र |
| पायलट बोर |
व्यास ΦDH मिमी |
लंबाई एलएच मिमी |
|---|
PDU022-GGC012T□□□P, PDU022-GGB012T□□□P PDU022-GGC012T□□□P-S, PDU022-GGB012T□□□P-S PDU022-NGC012T□□□P, PDU022-NGB012T□□□P PDU022-NGC012T□□□P-S, PDU022-NGB012T□□□P-S
|
12 |
86.83 |
104 |
12.7 |
50 |
40 |
PDU022-GGC013T□□□P, PDU022-GGB013T□□□P PDU022-GGC013T□□□P-S, PDU022-GGB013T□□□P-S PDU022-NGC013T□□□P, PDU022-NGB013T□□□P PDU022-NGC013T□□□P-S, PDU022-NGB013T□□□P-S
|
13 |
93.44 |
111 |
15.9 |
60 |
40 |
PDU022-GGC014T□□□P, PDU022-GGB014T□□□P PDU022-GGC014T□□□P-S, PDU022-GGB014T□□□P-S PDU022-NGC014T□□□P, PDU022-NGB014T□□□P PDU022-NGC014T□□□P-S, PDU022-NGB014T□□□P-S
|
14 |
100.44 |
119 |
15.9 |
60 |
40 |
PDU022-GGC015T□□□P, PDU022-GGB015T□□□P PDU022-GGC015T□□□P-S, PDU022-GGB015T□□□P-S PDU022-NGC015T□□□P, PDU022-NGB015T□□□P PDU022-NGC015T□□□P-S, PDU022-NGB015T□□□P-S
|
15 |
107.04 |
126 |
15.9 |
60 |
40 |
PDU022-GGC016T□□□P, PDU022-GGB016T□□□P PDU022-GGC016T□□□P-S, PDU022-GGB016T□□□P-S PDU022-NGC016T□□□P, PDU022-NGB016T□□□P PDU022-NGC016T□□□P-S, PDU022-NGB016T□□□P-S
|
16 |
114.05 |
132 |
15.9 |
70 |
40 |
PDU022-GGC024T□□□P, PDU022-GGB024T□□□P PDU022-GGC024T□□□P-S, PDU022-GGB024T□□□P-S PDU022-NGC024T□□□P, PDU022-NGB024T□□□P PDU022-NGC024T□□□P-S, PDU022-NGB024T□□□P-S
|
24 |
169.47 |
184 |
18 |
70 |
50 |
|
PDU030  |
30 |
15.88 |
15 |
|
| मॉडल संख्या |
दांतों की संख्या एनटी |
पिच सर्कल व्यास ΦDa मिमी |
संदर्भ बहरी घेरा ΦDo मिमी |
शाफ्ट छेद व्यास Φd मिमी |
केंद्र |
| पायलट बोर |
व्यास ΦDH मिमी |
लंबाई एलएच मिमी |
|---|
PDU030-GGC012T□□□P, PDU030-GGB012T□□□P PDU030-GGC012T□□□P-R, PDU030-GGB012T□□□P-R PDU030-GGC012T□□□P-S, PDU030-GGB012T□□□P-S PDU030-NGC012T□□□P, PDU030-NGB012T□□□P PDU030-NGC012T□□□P-R, PDU030-NGB012T□□□P-R PDU030-NGC012T□□□P-S, PDU030-NGB012T□□□P-S
|
12 |
117.79 |
142 |
19 |
75 |
50 |
PDU030-GGC013T□□□P, PDU030-GGB013T□□□P PDU030-GGC013T□□□P-R, PDU030-GGB013T□□□P-R PDU030-GGC013T□□□P-S, PDU030-GGB013T□□□P-S PDU030-NGC013T□□□P, PDU030-NGB013T□□□P PDU030-NGC013T□□□P-R, PDU030-NGB013T□□□P-R PDU030-NGC013T□□□P-S, PDU030-NGB013T□□□P-S
|
13 |
126.94 |
151 |
19 |
80 |
50 |
PDU030-GGC014T□□□P, PDU030-GGB014T□□□P PDU030-GGC014T□□□P-R, PDU030-GGB014T□□□P-R PDU030-GGC014T□□□P-S, PDU030-GGB014T□□□P-S PDU030-NGC014T□□□P, PDU030-NGB014T□□□P PDU030-NGC014T□□□P-R, PDU030-NGB014T□□□P-R PDU030-NGC014T□□□P-S, PDU030-NGB014T□□□P-S
|
14 |
136.49 |
162 |
19 |
80 |
50 |
PDU030-GGC015T□□□P, PDU030-GGB015T□□□P PDU030-GGC015T□□□P-R, PDU030-GGB015T□□□P-R PDU030-GGC015T□□□P-S, PDU030-GGB015T□□□P-S PDU030-NGC015T□□□P, PDU030-NGB015T□□□P PDU030-NGC015T□□□P-R, PDU030-NGB015T□□□P-R PDU030-NGC015T□□□P-S, PDU030-NGB015T□□□P-S
|
15 |
145.84 |
171 |
19 |
80 |
50 |
PDU030-GGC016T□□□P, PDU030-GGB016T□□□P PDU030-GGC016T□□□P-R, PDU030-GGB016T□□□P-R PDU030-GGC016T□□□P-S, PDU030-GGB016T□□□P-S PDU030-NGC016T□□□P, PDU030-NGB016T□□□P PDU030-NGC016T□□□P-R, PDU030-NGB016T□□□P-R PDU030-NGC016T□□□P-S, PDU030-NGB016T□□□P-S
|
16 |
155.39 |
180 |
19 |
80 |
60 |
PDU030-GGC024T□□□P, PDU030-GGB024T□□□P PDU030-GGC024T□□□P-R, PDU030-GGB024T□□□P-R PDU030-GGC024T□□□P-S, PDU030-GGB024T□□□P-S PDU030-NGC024T□□□P, PDU030-NGB024T□□□P PDU030-NGC024T□□□P-R, PDU030-NGB024T□□□P-R PDU030-NGC024T□□□P-S, PDU030-NGB024T□□□P-S
|
24 |
230.98 |
251 |
23 |
100 |
70 |
|
PDU035  |
35 |
19.05 |
18 |
|
| मॉडल संख्या |
दांतों की संख्या एनटी |
पिच सर्कल व्यास ΦDa मिमी |
संदर्भ बहरी घेरा ΦDo मिमी |
शाफ्ट छेद व्यास Φd मिमी |
केंद्र |
| पायलट बोर |
व्यास ΦDH मिमी |
लंबाई एलएच मिमी |
|---|
PDU035-GGC012T□□□P, PDU035-GGB012T□□□P PDU035-GGC012T□□□P-R, PDU035-GGB012T□□□P-R PDU035-GGC012T□□□P-S, PDU035-GGB012T□□□P-S PDU035-NGC012T□□□P, PDU035-NGB012T□□□P PDU035-NGC012T□□□P-R, PDU035-NGB012T□□□P-R PDU035-NGC012T□□□P-S, PDU035-NGB012T□□□P-S
|
12 |
137.49 |
166 |
23 |
85 |
80 |
PDU035-GGC013T□□□P, PDU035-GGB013T□□□P PDU035-GGC013T□□□P-R, PDU035-GGB013T□□□P-R PDU035-GGC013T□□□P-S, PDU035-GGB013T□□□P-S PDU035-NGC013T□□□P, PDU035-NGB013T□□□P PDU035-NGC013T□□□P-R, PDU035-NGB013T□□□P-R PDU035-NGC013T□□□P-S, PDU035-NGB013T□□□P-S
|
13 |
148.43 |
177 |
23 |
95 |
80 |
PDU035-GGC014T□□□P, PDU035-GGB014T□□□P PDU035-GGC014T□□□P-R, PDU035-GGB014T□□□P-R PDU035-GGC014T□□□P-S, PDU035-GGB014T□□□P-S PDU035-NGC014T□□□P, PDU035-NGB014T□□□P PDU035-NGC014T□□□P-R, PDU035-NGB014T□□□P-R PDU035-NGC014T□□□P-S, PDU035-NGB014T□□□P-S
|
14 |
159.57 |
189 |
23 |
110 |
90 |
PDU035-GGC015T□□□P, PDU035-GGB015T□□□P PDU035-GGC015T□□□P-R, PDU035-GGB015T□□□P-R PDU035-GGC015T□□□P-S, PDU035-GGB015T□□□P-S PDU035-NGC015T□□□P, PDU035-NGB015T□□□P PDU035-NGC015T□□□P-R, PDU035-NGB015T□□□P-R PDU035-NGC015T□□□P-S, PDU035-NGB015T□□□P-S
|
15 |
170.51 |
200 |
28 |
110 |
90 |
PDU035-GGC016T□□□P, PDU035-GGB016T□□□P PDU035-GGC016T□□□P-R, PDU035-GGB016T□□□P-R PDU035-GGC016T□□□P-S, PDU035-GGB016T□□□P-S PDU035-NGC016T□□□P, PDU035-NGB016T□□□P PDU035-NGC016T□□□P-R, PDU035-NGB016T□□□P-R PDU035-NGC016T□□□P-S, PDU035-NGB016T□□□P-S
|
16 |
181.65 |
210 |
28 |
120 |
100 |
PDU035-GGC024T□□□P, PDU035-GGB024T□□□P PDU035-GGC024T□□□P-R, PDU035-GGB024T□□□P-R PDU035-GGC024T□□□P-S, PDU035-GGB024T□□□P-S PDU035-NGC024T□□□P, PDU035-NGB024T□□□P PDU035-NGC024T□□□P-R, PDU035-NGB024T□□□P-R PDU035-NGC024T□□□P-S, PDU035-NGB024T□□□P-S
|
24 |
269.58 |
293 |
33 |
130 |
110 |
|
PDU040  |
40 |
22.23 |
24 |
|
| मॉडल संख्या |
दांतों की संख्या एनटी |
पिच सर्कल व्यास ΦDa मिमी |
संदर्भ बहरी घेरा ΦDo मिमी |
शाफ्ट छेद व्यास Φd मिमी |
केंद्र |
| पायलट बोर |
व्यास ΦDH मिमी |
लंबाई एलएच मिमी |
|---|
PDU040-GGC012T□□□P, PDU040-GGB012T□□□P PDU040-GGC012T□□□P-R, PDU040-GGB012T□□□P-R PDU040-GGC012T□□□P-S, PDU040-GGB012T□□□P-S PDU040-NGC012T□□□P, PDU040-NGB012T□□□P PDU040-NGC012T□□□P-R, PDU040-NGB012T□□□P-R PDU040-NGC012T□□□P-S, PDU040-NGB012T□□□P-S
|
12 |
157.79 |
189 |
28 |
100 |
90 |
PDU040-GGC013T□□□P, PDU040-GGB013T□□□P PDU040-GGC013T□□□P-R, PDU040-GGB013T□□□P-R PDU040-GGC013T□□□P-S, PDU040-GGB013T□□□P-S PDU040-NGC013T□□□P, PDU040-NGB013T□□□P PDU040-NGC013T□□□P-R, PDU040-NGB013T□□□P-R PDU040-NGC013T□□□P-S, PDU040-NGB013T□□□P-S
|
13 |
169.92 |
202 |
28 |
110 |
90 |
PDU040-GGC014T□□□P, PDU040-GGB014T□□□P PDU040-GGC014T□□□P-R, PDU040-GGB014T□□□P-R PDU040-GGC014T□□□P-S, PDU040-GGB014T□□□P-S PDU040-NGC014T□□□P, PDU040-NGB014T□□□P PDU040-NGC014T□□□P-R, PDU040-NGB014T□□□P-R PDU040-NGC014T□□□P-S, PDU040-NGB014T□□□P-S
|
14 |
182.65 |
216 |
28 |
120 |
100 |
PDU040-GGC015T□□□P, PDU040-GGB015T□□□P PDU040-GGC015T□□□P-R, PDU040-GGB015T□□□P-R PDU040-GGC015T□□□P-S, PDU040-GGB015T□□□P-S PDU040-NGC015T□□□P, PDU040-NGB015T□□□P PDU040-NGC015T□□□P-R, PDU040-NGB015T□□□P-R PDU040-NGC015T□□□P-S, PDU040-NGB015T□□□P-S
|
15 |
194.99 |
228 |
33 |
120 |
100 |
PDU040-GGC016T□□□P, PDU040-GGB016T□□□P PDU040-GGC016T□□□P-R, PDU040-GGB016T□□□P-R PDU040-GGC016T□□□P-S, PDU040-GGB016T□□□P-S PDU040-NGC016T□□□P, PDU040-NGB016T□□□P PDU040-NGC016T□□□P-R, PDU040-NGB016T□□□P-R PDU040-NGC016T□□□P-S, PDU040-NGB016T□□□P-S
|
16 |
207.72 |
240 |
33 |
120 |
100 |
PDU040-GGC024T□□□P, PDU040-GGB024T□□□P PDU040-GGC024T□□□P-R, PDU040-GGB024T□□□P-R PDU040-GGC024T□□□P-S, PDU040-GGB024T□□□P-S PDU040-NGC024T□□□P, PDU040-NGB024T□□□P PDU040-NGC024T□□□P-R, PDU040-NGB024T□□□P-R PDU040-NGC024T□□□P-S, PDU040-NGB024T□□□P-S
|
24 |
308.18 |
335 |
33 |
140 |
120 |
|
PDU050  |
50 |
25.4 |
24 |
|
| मॉडल संख्या |
दांतों की संख्या एनटी |
पिच सर्कल व्यास ΦDa मिमी |
संदर्भ बहरी घेरा ΦDo मिमी |
शाफ्ट छेद व्यास Φd मिमी |
केंद्र |
| पायलट बोर |
व्यास ΦDH मिमी |
लंबाई एलएच मिमी |
|---|
PDU050-GGC012T□□□P, PDU050-GGB012T□□□P PDU050-GGC012T□□□P-R, PDU050-GGB012T□□□P-R PDU050-GGC012T□□□P-S, PDU050-GGB012T□□□P-S PDU050-NGC012T□□□P, PDU050-NGB012T□□□P PDU050-NGC012T□□□P-R, PDU050-NGB012T□□□P-R PDU050-NGC012T□□□P-S, PDU050-NGB012T□□□P-S
|
12 |
196.59 |
237 |
33 |
110 |
100 |
PDU050-GGC013T□□□P, PDU050-GGB013T□□□P PDU050-GGC013T□□□P-R, PDU050-GGB013T□□□P-R PDU050-GGC013T□□□P-S, PDU050-GGB013T□□□P-S PDU050-NGC013T□□□P, PDU050-NGB013T□□□P PDU050-NGC013T□□□P-R, PDU050-NGB013T□□□P-R PDU050-NGC013T□□□P-S, PDU050-NGB013T□□□P-S
|
13 |
211.7 |
252 |
33 |
130 |
100 |
PDU050-GGC014T□□□P, PDU050-GGB014T□□□P PDU050-GGC014T□□□P-R, PDU050-GGB014T□□□P-R PDU050-GGC014T□□□P-S, PDU050-GGB014T□□□P-S PDU050-NGC014T□□□P, PDU050-NGB014T□□□P PDU050-NGC014T□□□P-R, PDU050-NGB014T□□□P-R PDU050-NGC014T□□□P-S, PDU050-NGB014T□□□P-S
|
14 |
227.62 |
269 |
33 |
130 |
110 |
PDU050-GGC015T□□□P, PDU050-GGB015T□□□P PDU050-GGC015T□□□P-R, PDU050-GGB015T□□□P-R PDU050-GGC015T□□□P-S, PDU050-GGB015T□□□P-S PDU050-NGC015T□□□P, PDU050-NGB015T□□□P PDU050-NGC015T□□□P-R, PDU050-NGB015T□□□P-R PDU050-NGC015T□□□P-S, PDU050-NGB015T□□□P-S
|
15 |
243.13 |
285 |
33 |
130 |
110 |
PDU050-GGC016T□□□P, PDU050-GGB016T□□□P PDU050-GGC016T□□□P-R, PDU050-GGB016T□□□P-R PDU050-GGC016T□□□P-S, PDU050-GGB016T□□□P-S PDU050-NGC016T□□□P, PDU050-NGB016T□□□P PDU050-NGC016T□□□P-R, PDU050-NGB016T□□□P-R PDU050-NGC016T□□□P-S, PDU050-NGB016T□□□P-S
|
16 |
259.05 |
299 |
33 |
140 |
120 |
PDU050-GGC024T□□□P, PDU050-GGB024T□□□P PDU050-GGC024T□□□P-R, PDU050-GGB024T□□□P-R PDU050-GGC024T□□□P-S, PDU050-GGB024T□□□P-S PDU050-NGC024T□□□P, PDU050-NGB024T□□□P PDU050-NGC024T□□□P-R, PDU050-NGB024T□□□P-R PDU050-NGC024T□□□P-S, PDU050-NGB024T□□□P-S
|
24 |
384.97 |
416 |
33 |
160 |
140 |
|
PDU055  |
55 |
28.58 |
30 |
|
| मॉडल संख्या |
दांतों की संख्या एनटी |
पिच सर्कल व्यास ΦDa मिमी |
संदर्भ बहरी घेरा ΦDo मिमी |
शाफ्ट छेद व्यास Φd मिमी |
केंद्र |
| पायलट बोर |
व्यास ΦDH मिमी |
लंबाई एलएच मिमी |
|---|
PDU055-GGC012T□□□P, PDU055-GGB012T□□□P PDU055-GGC012T□□□P-R, PDU055-GGB012T□□□P-R PDU055-GGC012T□□□P-S, PDU055-GGB012T□□□P-S PDU055-NGC012T□□□P, PDU055-NGB012T□□□P PDU055-NGC012T□□□P-R, PDU055-NGB012T□□□P-R PDU055-NGC012T□□□P-S, PDU055-NGB012T□□□P-S
|
12 |
216.08 |
261 |
33 |
135 |
140 |
PDU055-GGC013T□□□P, PDU055-GGB013T□□□P PDU055-GGC013T□□□P-R, PDU055-GGB013T□□□P-R PDU055-GGC013T□□□P-S, PDU055-GGB013T□□□P-S PDU055-NGC013T□□□P, PDU055-NGB013T□□□P PDU055-NGC013T□□□P-R, PDU055-NGB013T□□□P-R PDU055-NGC013T□□□P-S, PDU055-NGB013T□□□P-S
|
13 |
232.79 |
277 |
33 |
150 |
140 |
PDU055-GGC014T□□□P, PDU055-GGB014T□□□P PDU055-GGC014T□□□P-R, PDU055-GGB014T□□□P-R PDU055-GGC014T□□□P-S, PDU055-GGB014T□□□P-S PDU055-NGC014T□□□P, PDU055-NGB014T□□□P PDU055-NGC014T□□□P-R, PDU055-NGB014T□□□P-R PDU055-NGC014T□□□P-S, PDU055-NGB014T□□□P-S
|
14 |
250.30 |
296 |
33 |
160 |
140 |
PDU055-GGC015T□□□P, PDU055-GGB015T□□□P PDU055-GGC015T□□□P-R, PDU055-GGB015T□□□P-R PDU055-GGC015T□□□P-S, PDU055-GGB015T□□□P-S PDU055-NGC015T□□□P, PDU055-NGB015T□□□P PDU055-NGC015T□□□P-R, PDU055-NGB015T□□□P-R PDU055-NGC015T□□□P-S, PDU055-NGB015T□□□P-S
|
15 |
267.41 |
313 |
33 |
160 |
140 |
PDU055-GGC016T□□□P, PDU055-GGB016T□□□P PDU055-GGC016T□□□P-R, PDU055-GGB016T□□□P-R PDU055-GGC016T□□□P-S, PDU055-GGB016T□□□P-S PDU055-NGC016T□□□P, PDU055-NGB016T□□□P PDU055-NGC016T□□□P-R, PDU055-NGB016T□□□P-R PDU055-NGC016T□□□P-S, PDU055-NGB016T□□□P-S
|
16 |
284.91 |
329 |
33 |
170 |
150 |
PDU055-GGC024T□□□P, PDU055-GGB024T□□□P PDU055-GGC024T□□□P-R, PDU055-GGB024T□□□P-R PDU055-GGC024T□□□P-S, PDU055-GGB024T□□□P-S PDU055-NGC024T□□□P, PDU055-NGB024T□□□P PDU055-NGC024T□□□P-R, PDU055-NGB024T□□□P-R PDU055-NGC024T□□□P-S, PDU055-NGB024T□□□P-S
|
24 |
423.57 |
458 |
38 |
190 |
170 |
|
PDU070  |
70 |
35.71 |
34 |
|
| मॉडल संख्या |
दांतों की संख्या एनटी |
पिच सर्कल व्यास ΦDa मिमी |
संदर्भ बहरी घेरा ΦDo मिमी |
शाफ्ट छेद व्यास Φd मिमी |
केंद्र |
| पायलट बोर |
व्यास ΦDH मिमी |
लंबाई एलएच मिमी |
|---|
PDU070-GGC012T□□□P, PDU070-GGB012T□□□P PDU070-GGC012T□□□P-R, PDU070-GGB012T□□□P-R PDU070-GGC012T□□□P-S, PDU070-GGB012T□□□P-S PDU070-NGC012T□□□P, PDU070-NGB012T□□□P PDU070-NGC012T□□□P-R, PDU070-NGB012T□□□P-R PDU070-NGC012T□□□P-S, PDU070-NGB012T□□□P-S
|
12 |
273.98 |
331 |
43 |
170 |
160 |
PDU070-GGC013T□□□P, PDU070-GGB013T□□□P PDU070-GGC013T□□□P-R, PDU070-GGB013T□□□P-R PDU070-GGC013T□□□P-S, PDU070-GGB013T□□□P-S PDU070-NGC013T□□□P, PDU070-NGB013T□□□P PDU070-NGC013T□□□P-R, PDU070-NGB013T□□□P-R PDU070-NGC013T□□□P-S, PDU070-NGB013T□□□P-S
|
13 |
295.66 |
352 |
43 |
180 |
160 |
PDU070-GGC014T□□□P, PDU070-GGB014T□□□P PDU070-GGC014T□□□P-R, PDU070-GGB014T□□□P-R PDU070-GGC014T□□□P-S, PDU070-GGB014T□□□P-S PDU070-NGC014T□□□P, PDU070-NGB014T□□□P PDU070-NGC014T□□□P-R, PDU070-NGB014T□□□P-R PDU070-NGC014T□□□P-S, PDU070-NGB014T□□□P-S
|
14 |
317.94 |
376 |
43 |
180 |
160 |
PDU070-GGC015T□□□P, PDU070-GGB015T□□□P PDU070-GGC015T□□□P-R, PDU070-GGB015T□□□P-R PDU070-GGC015T□□□P-S, PDU070-GGB015T□□□P-S PDU070-NGC015T□□□P, PDU070-NGB015T□□□P PDU070-NGC015T□□□P-R, PDU070-NGB015T□□□P-R PDU070-NGC015T□□□P-S, PDU070-NGB015T□□□P-S
|
15 |
339.83 |
398 |
43 |
180 |
160 |
PDU070-GGC016T□□□P, PDU070-GGB016T□□□P PDU070-GGC016T□□□P-R, PDU070-GGB016T□□□P-R PDU070-GGC016T□□□P-S, PDU070-GGB016T□□□P-S PDU070-NGC016T□□□P, PDU070-NGB016T□□□P PDU070-NGC016T□□□P-R, PDU070-NGB016T□□□P-R PDU070-NGC016T□□□P-S, PDU070-NGB016T□□□P-S
|
16 |
362.11 |
418 |
43 |
190 |
160 |
PDU070-GGC024T□□□P, PDU070-GGB024T□□□P PDU070-GGC024T□□□P-R, PDU070-GGB024T□□□P-R PDU070-GGC024T□□□P-S, PDU070-GGB024T□□□P-S PDU070-NGC024T□□□P, PDU070-NGB024T□□□P PDU070-NGC024T□□□P-R, PDU070-NGB024T□□□P-R PDU070-NGC024T□□□P-S, PDU070-NGB024T□□□P-S
|
24 |
538.76 |
583 |
63 |
210 |
190 |
|
PDU080  |
80 |
39.68 |
36 |
|
| मॉडल संख्या |
दांतों की संख्या एनटी |
पिच सर्कल व्यास ΦDa मिमी |
संदर्भ बहरी घेरा ΦDo मिमी |
शाफ्ट छेद व्यास Φd मिमी |
केंद्र |
| पायलट बोर |
व्यास ΦDH मिमी |
लंबाई एलएच मिमी |
|---|
PDU080-GGC012T□□□P, PDU080-GGB012T□□□P PDU080-GGC012T□□□P-R, PDU080-GGB012T□□□P-R PDU080-GGC012T□□□P-S, PDU080-GGB012T□□□P-S PDU080-NGC012T□□□P, PDU080-NGB012T□□□P PDU080-NGC012T□□□P-R, PDU080-NGB012T□□□P-R PDU080-NGC012T□□□P-S, PDU080-NGB012T□□□P-S
|
12 |
312.78 |
378 |
43 |
190 |
160 |
PDU080-GGC013T□□□P, PDU080-GGB013T□□□P PDU080-GGC013T□□□P-R, PDU080-GGB013T□□□P-R PDU080-GGC013T□□□P-S, PDU080-GGB013T□□□P-S PDU080-NGC013T□□□P, PDU080-NGB013T□□□P PDU080-NGC013T□□□P-R, PDU080-NGB013T□□□P-R PDU080-NGC013T□□□P-S, PDU080-NGB013T□□□P-S
|
13 |
337.64 |
402 |
43 |
190 |
160 |
PDU080-GGC014T□□□P, PDU080-GGB014T□□□P PDU080-GGC014T□□□P-R, PDU080-GGB014T□□□P-R PDU080-GGC014T□□□P-S, PDU080-GGB014T□□□P-S PDU080-NGC014T□□□P, PDU080-NGB014T□□□P PDU080-NGC014T□□□P-R, PDU080-NGB014T□□□P-R PDU080-NGC014T□□□P-S, PDU080-NGB014T□□□P-S
|
14 |
363.11 |
430 |
43 |
200 |
180 |
PDU080-GGC015T□□□P, PDU080-GGB015T□□□P PDU080-GGC015T□□□P-R, PDU080-GGB015T□□□P-R PDU080-GGC015T□□□P-S, PDU080-GGB015T□□□P-S PDU080-NGC015T□□□P, PDU080-NGB015T□□□P PDU080-NGC015T□□□P-R, PDU080-NGB015T□□□P-R PDU080-NGC015T□□□P-S, PDU080-NGB015T□□□P-S
|
15 |
388.17 |
455 |
43 |
200 |
180 |
PDU080-GGC016T□□□P, PDU080-GGB016T□□□P PDU080-GGC016T□□□P-R, PDU080-GGB016T□□□P-R PDU080-GGC016T□□□P-S, PDU080-GGB016T□□□P-S PDU080-NGC016T□□□P, PDU080-NGB016T□□□P PDU080-NGC016T□□□P-R, PDU080-NGB016T□□□P-R PDU080-NGC016T□□□P-S, PDU080-NGB016T□□□P-S
|
16 |
413.64 |
478 |
43 |
210 |
200 |
PDU080-GGC024T□□□P, PDU080-GGB024T□□□P PDU080-GGC024T□□□P-R, PDU080-GGB024T□□□P-R PDU080-GGC024T□□□P-S, PDU080-GGB024T□□□P-S PDU080-NGC024T□□□P, PDU080-NGB024T□□□P PDU080-NGC024T□□□P-R, PDU080-NGB024T□□□P-R PDU080-NGC024T□□□P-S, PDU080-NGB024T□□□P-S
|
24 |
615.55 |
666 |
63 |
240 |
230 |
|
PDU090  |
90 |
47.63 |
45 |
|
| मॉडल संख्या |
दांतों की संख्या एनटी |
पिच सर्कल व्यास ΦDa मिमी |
संदर्भ बहरी घेरा ΦDo मिमी |
शाफ्ट छेद व्यास Φd मिमी |
केंद्र |
| पायलट बोर |
व्यास ΦDH मिमी |
लंबाई एलएच मिमी |
|---|
PDU090-GGC012T□□□P, PDU090-GGB012T□□□P PDU090-GGC012T□□□P-R, PDU090-GGB012T□□□P-R PDU090-GGC012T□□□P-S, PDU090-GGB012T□□□P-S PDU090-NGC012T□□□P, PDU090-NGB012T□□□P PDU090-NGC012T□□□P-R, PDU090-NGB012T□□□P-R PDU090-NGC012T□□□P-S, PDU090-NGB012T□□□P-S
|
12 |
352.77 |
425 |
43 |
220 |
190 |
PDU090-GGC013T□□□P, PDU090-GGB013T□□□P PDU090-GGC013T□□□P-R, PDU090-GGB013T□□□P-R PDU090-GGC013T□□□P-S, PDU090-GGB013T□□□P-S PDU090-NGC013T□□□P, PDU090-NGB013T□□□P PDU090-NGC013T□□□P-R, PDU090-NGB013T□□□P-R PDU090-NGC013T□□□P-S, PDU090-NGB013T□□□P-S
|
13 |
380.42 |
453 |
43 |
220 |
190 |
PDU090-GGC014T□□□P, PDU090-GGB014T□□□P PDU090-GGC014T□□□P-R, PDU090-GGB014T□□□P-R PDU090-GGC014T□□□P-S, PDU090-GGB014T□□□P-S PDU090-NGC014T□□□P, PDU090-NGB014T□□□P PDU090-NGC014T□□□P-R, PDU090-NGB014T□□□P-R PDU090-NGC014T□□□P-S, PDU090-NGB014T□□□P-S
|
14 |
409.07 |
484 |
43 |
230 |
210 |
PDU090-GGC015T□□□P, PDU090-GGB015T□□□P PDU090-GGC015T□□□P-R, PDU090-GGB015T□□□P-R PDU090-GGC015T□□□P-S, PDU090-GGB015T□□□P-S PDU090-NGC015T□□□P, PDU090-NGB015T□□□P PDU090-NGC015T□□□P-R, PDU090-NGB015T□□□P-R PDU090-NGC015T□□□P-S, PDU090-NGB015T□□□P-S
|
15 |
437.32 |
512 |
63 |
230 |
210 |
PDU090-GGC016T□□□P, PDU090-GGB016T□□□P PDU090-GGC016T□□□P-R, PDU090-GGB016T□□□P-R PDU090-GGC016T□□□P-S, PDU090-GGB016T□□□P-S PDU090-NGC016T□□□P, PDU090-NGB016T□□□P PDU090-NGC016T□□□P-R, PDU090-NGB016T□□□P-R PDU090-NGC016T□□□P-S, PDU090-NGB016T□□□P-S
|
16 |
465.97 |
538 |
63 |
240 |
230 |
PDU090-GGC024T□□□P, PDU090-GGB024T□□□P PDU090-GGC024T□□□P-R, PDU090-GGB024T□□□P-R PDU090-GGC024T□□□P-S, PDU090-GGB024T□□□P-S PDU090-NGC024T□□□P, PDU090-NGB024T□□□P PDU090-NGC024T□□□P-R, PDU090-NGB024T□□□P-R PDU090-NGC024T□□□P-S, PDU090-NGB024T□□□P-S
|
24 |
692.95 |
751 |
63 |
270 |
260 |
|
PDU120  |
120 |
63.5 |
60 |
|
| मॉडल संख्या |
दांतों की संख्या एनटी |
पिच सर्कल व्यास ΦDa मिमी |
संदर्भ बहरी घेरा ΦDo मिमी |
शाफ्ट छेद व्यास Φd मिमी |
केंद्र |
| पायलट बोर |
व्यास ΦDH मिमी |
लंबाई एलएच मिमी |
|---|
PDU120-GGC012T□□□P, PDU120-GGB012T□□□P PDU120-GGC012T□□□P-R, PDU120-GGB012T□□□P-R PDU120-NGC012T□□□P, PDU120-NGB012T□□□P PDU120-NGC012T□□□P-R, PDU120-NGB012T□□□P-R
|
12 |
472.37 |
569 |
63 |
260 |
240 |
PDU120-GGC013T□□□P, PDU120-GGB013T□□□P PDU120-GGC013T□□□P-R, PDU120-GGB013T□□□P-R PDU120-NGC013T□□□P, PDU120-NGB013T□□□P PDU120-NGC013T□□□P-R, PDU120-NGB013T□□□P-R
|
13 |
508.56 |
599 |
63 |
270 |
250 |
PDU120-GGC014T□□□P, PDU120-GGB014T□□□P PDU120-GGC014T□□□P-R, PDU120-GGB014T□□□P-R PDU120-NGC014T□□□P, PDU120-NGB014T□□□P PDU120-NGC014T□□□P-R, PDU120-NGB014T□□□P-R
|
14 |
546.76 |
650 |
63 |
270 |
250 |
PDU120-GGC015T□□□P, PDU120-GGB015T□□□P PDU120-GGC015T□□□P-R, PDU120-GGB015T□□□P-R PDU120-NGC015T□□□P, PDU120-NGB015T□□□P PDU120-NGC015T□□□P-R, PDU120-NGB015T□□□P-R
|
15 |
582.96 |
682 |
63 |
280 |
260 |
PDU120-GGC016T□□□P, PDU120-GGB016T□□□P PDU120-GGC016T□□□P-R, PDU120-GGB016T□□□P-R PDU120-NGC016T□□□P, PDU120-NGB016T□□□P PDU120-NGC016T□□□P-R, PDU120-NGB016T□□□P-R
|
16 |
621.15 |
717 |
63 |
280 |
260 |
|
PDU150  |
150 |
79.38 |
75 |
|
| मॉडल संख्या |
दांतों की संख्या एनटी |
पिच सर्कल व्यास ΦDa मिमी |
संदर्भ बहरी घेरा ΦDo मिमी |
शाफ्ट छेद व्यास Φd मिमी |
केंद्र |
| पायलट बोर |
व्यास ΦDH मिमी |
लंबाई एलएच मिमी |
|---|
PDU150-GGC012T□□□P, PDU150-GGB012T□□□P PDU150-NGC012T□□□P, PDU150-NGB012T□□□P
|
12 |
590.46 |
711 |
120 |
250 |
230 |
PDU150-GGC013T□□□P, PDU150-GGB013T□□□P PDU150-NGC013T□□□P, PDU150-NGB013T□□□P
|
13 |
635.7 |
749 |
120 |
260 |
250 |
PDU150-GGC014T□□□P, PDU150-GGB014T□□□P PDU150-NGC014T□□□P, PDU150-NGB014T□□□P
|
14 |
683.45 |
813 |
120 |
280 |
270 |
PDU150-GGC015T□□□P, PDU150-GGB015T□□□P PDU150-NGC015T□□□P, PDU150-NGB015T□□□P
|
15 |
728.7 |
853 |
120 |
290 |
290 |
PDU150-GGC016T□□□P, PDU150-GGB016T□□□P PDU150-NGC016T□□□P, PDU150-NGB016T□□□P
|
16 |
776.44 |
896 |
160 |
310 |
310 |
|
PDU180  |
180 |
95.25 |
90 |
|
| मॉडल संख्या |
दांतों की संख्या एनटी |
पिच सर्कल व्यास ΦDa मिमी |
संदर्भ बहरी घेरा ΦDo मिमी |
शाफ्ट छेद व्यास Φd मिमी |
केंद्र |
| पायलट बोर |
व्यास ΦDH मिमी |
लंबाई एलएच मिमी |
|---|
PDU180-GGC012T□□□P, PDU180-GGB012T□□□P PDU180-NGC012T□□□P, PDU180-NGB012T□□□P
|
12 |
708.55 |
853 |
120 |
310 |
280 |
PDU180-GGC013T□□□P, PDU180-GGB013T□□□P PDU180-NGC013T□□□P, PDU180-NGB013T□□□P
|
13 |
762.85 |
899 |
160 |
310 |
300 |
PDU180-GGC014T□□□P, PDU180-GGB014T□□□P PDU180-NGC014T□□□P, PDU180-NGB014T□□□P
|
14 |
820.14 |
975 |
160 |
360 |
320 |
PDU180-GGC015T□□□P, PDU180-GGB015T□□□P PDU180-NGC015T□□□P, PDU180-NGB015T□□□P
|
15 |
874.44 |
1023 |
160 |
360 |
340 |
PDU180-GGC016T□□□P, PDU180-GGB016T□□□P PDU180-NGC016T□□□P, PDU180-NGB016T□□□P
|
16 |
931.73 |
1075 |
160 |
370 |
370 |
|
PDU240  |
240 |
127 |
120 |
|
| मॉडल संख्या |
दांतों की संख्या एनटी |
पिच सर्कल व्यास ΦDa मिमी |
संदर्भ बहरी घेरा ΦDo मिमी |
शाफ्ट छेद व्यास Φd मिमी |
केंद्र |
| पायलट बोर |
व्यास ΦDH मिमी |
लंबाई एलएच मिमी |
|---|
PDU240-GGC012T□□□P, PDU240-GGB012T□□□P PDU240-NGC012T□□□P, PDU240-NGB012T□□□P
|
12 |
944.73 |
1137 |
160 |
460 |
370 |
PDU240-GGC013T□□□P, PDU240-GGB013T□□□P PDU240-NGC013T□□□P, PDU240-NGB013T□□□P
|
13 |
1017.13 |
1233 |
160 |
460 |
400 |
PDU240-GGC014T□□□P, PDU240-GGB014T□□□P PDU240-NGC014T□□□P, PDU240-NGB014T□□□P
|
14 |
1093.52 |
1300 |
160 |
460 |
400 |
PDU240-GGC015T□□□P, PDU240-GGB015T□□□P PDU240-NGC015T□□□P, PDU240-NGB015T□□□P
|
15 |
1165.92 |
1364 |
160 |
460 |
400 |
PDU240-GGC016T□□□P, PDU240-GGB016T□□□P PDU240-NGC016T□□□P, PDU240-NGB016T□□□P
|
16 |
1242.31 |
1433 |
160 |
490 |
400 |
|