टीकेआर टाइप प्लास्टिक श्रृंखला के लिए सपोर्ट रोलर्स की स्थापना के बारे में
टीकेआर प्रकार का प्लास्टिक केबल कैरियर (CABLEVEYOR) सहायक रोलर्स से सुसज्जित है, जिससे यह लंबी यात्रा लंबाई भी समायोजित कर सकता है।
समर्थन रोलर्स स्थापित करते समय, स्थिर केबल कैरियर (CABLEVEYOR) वाहक व्यवहार सुनिश्चित करने के लिए प्रत्येक केबल कैरियर (CABLEVEYOR) मॉडल के लिए समर्थन रोलर स्थापना अंतराल निर्धारित किए जाते हैं।
कृपया स्थापना के लिए दिशानिर्देश के रूप में निम्नलिखित का उपयोग करें और समर्थन रोलर्स स्थापित करते समय अनुमेय भार ग्राफ के भीतर उपयोग करें।
TKR15H22 (पूर्व में TKR0150)
समर्थन रोलर्स के लिए स्थापना अंतराल L = 350 मिमी या उससे कम पर सेट किया जाना चाहिए।
चार या अधिक सपोर्ट रोलर्स स्थापित करके, यात्रा लंबाई अधिकतम 2.2 मीटर तक बढ़ाया जा सकता है।
TKR20H28 (पूर्व में TKR0200H28)
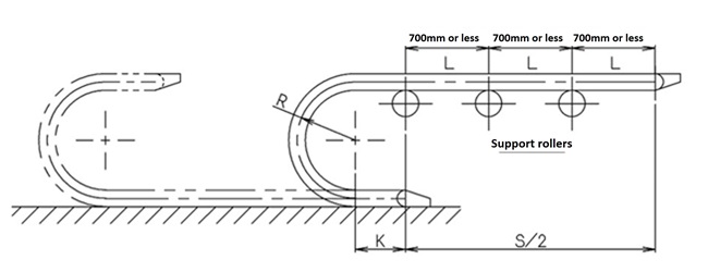
समर्थन रोलर्स के लिए स्थापना अंतराल L = 700 मिमी या उससे कम पर सेट किया जाना चाहिए।
तीन या अधिक सपोर्ट रोलर्स स्थापित करके, यात्रा लंबाई अधिकतम 3.3 मीटर तक बढ़ाया जा सकता है।
TKR26H40 (पूर्व में TKR0260)
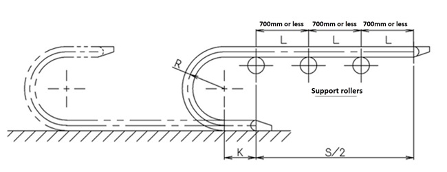
समर्थन रोलर्स के लिए स्थापना अंतराल L = 700 मिमी या उससे कम पर सेट किया जाना चाहिए।
तीन या अधिक सपोर्ट रोलर्स स्थापित करके, यात्रा लंबाई अधिकतम 3.6 मीटर तक बढ़ाया जा सकता है।
TKR28H52 (पूर्व में TKR0280)
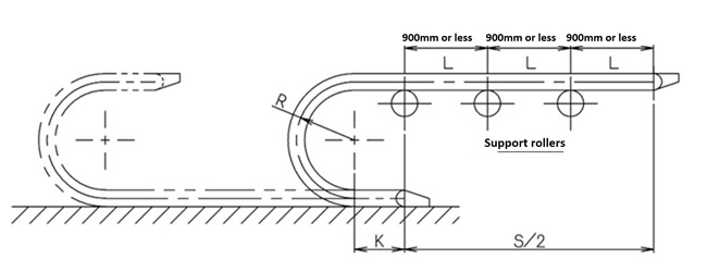
समर्थन रोलर्स के लिए स्थापना अंतराल L = 900 मिमी या उससे कम पर सेट किया जाना चाहिए।
तीन या अधिक सपोर्ट रोलर्स स्थापित करके, यात्रा लंबाई अधिकतम 5.0 मीटर तक बढ़ाया जा सकता है।
TKR28H52-EX
समर्थन रोलर्स के लिए स्थापना अंतराल L = 900 मिमी या उससे कम पर सेट किया जाना चाहिए।
तीन या अधिक सपोर्ट रोलर्स स्थापित करके, यात्रा लंबाई अधिकतम 11.88 मीटर तक बढ़ाया जा सकता है।
TKR37H28
समर्थन रोलर्स के लिए स्थापना अंतराल L = 700 मिमी या उससे कम पर सेट किया जाना चाहिए।
चार या अधिक सपोर्ट रोलर्स स्थापित करके, यात्रा लंबाई अधिकतम 5.1 मीटर तक बढ़ाया जा सकता है।

