तकनीकी डेटा बड़े आकार की कन्वेयर चेन स्प्रोकेट स्प्रोकेट संरचना
1. मूल संरचना
दांत के प्रोफाइल को इष्टतम इंडक्शन हार्डनिंग सख्त उपचार के अधीन किया जाता है, जो स्प्रोकेट के पहनने के प्रतिरोध और संचरण क्षमता में सुधार करता है।
2. हब प्रारूप
BW प्रकार
स्प्रोकेट दांत अनुभाग के एक तरफ एक हब को वेल्ड किया जाता है।
उपयुक्त
- RF10 आकार या उससे छोटा
- RF205 आकार या उससे छोटा
BW1 प्रकार
हब को स्प्रोकेट के दांतेदार भाग में डाला जाता है, जिससे एक एकल हब बनता है जिसे दोनों ओर से वेल्ड किया जाता है।
उपयुक्त
- RF12 आकार या बड़ा
- RF6205 आकार या बड़ा
सीडब्ल्यू प्रकार
इस प्रकार में स्प्रोकेट दांत अनुभाग के दोनों ओर वेल्डेड हब होते हैं।
उपयुक्त
- RF10 आकार या उससे छोटा
- RF205 आकार या उससे छोटा
CW1 प्रकार
हब को स्प्रोकेट के दांतेदार भाग में डाला जाता है, जिससे एक दोहरा हब बनता है जिसे दोनों ओर से वेल्ड किया जाता है।
उपयुक्त
- RF12 आकार या बड़ा
- RF6205 आकार या बड़ा
3. दांत का प्रकार
1. आकार
S1: दाँत का सिरा गोलाकार है
S2: सपाट दाँत का सिरा (छायांकित क्षेत्र कटा हुआ है)
नोट: S2 टूथ प्रोफ़ाइल का उपयोग K अटैचमेंट वाली चेन के लिए किया जाता है, जहाँ S1 टूथ प्रोफ़ाइल स्लैट्स और स्प्रोकेट के बाहरी व्यास के बीच व्यवधान उत्पन्न कर सकती है। यदि आप विशेष चेन या ऊपरी रोलर्स वाली चेन का उपयोग कर रहे हैं, तो कृपया हमसे परामर्श लें।
2. विनिर्देश
- मानक श्रृंखला (प्रतीक N)
इन दांतों को कठोर नहीं बनाया गया है, जिससे ये हल्के भार और कम घिसाव वाले अनुप्रयोगों के लिए उपयुक्त हैं। - -कठोर दांत की नोक का विनिर्देश (प्रतीक Q)
यह कठोर दांतों वाली एक विशिष्ट संरचना है। यह घिसाव प्रतिरोध या उच्च भार की स्थितियों में उपयोग के लिए उपयुक्त है। मानक श्रृंखला (N) और कठोर दांतों वाली संरचनाओं (Q) के बीच अंतर समझने के लिए कृपया नीचे दी गई तालिका देखें।
मानक श्रृंखला और कठोर दांत विशिष्टताओं का वर्गीकरण
| श्रृंखला विनिर्देश | रोलर प्रकार | ड्राइव साइड | संचालित पक्ष | ||
|---|---|---|---|---|---|
| सामान्य वातावरण | घर्षण वातावरण | सामान्य वातावरण | घर्षण वातावरण | ||
| DT श्रृंखला DTA श्रृंखला |
S | Q | Q | N | Q |
| R | N | Q | N | N | |
| F | N | Q | N | N | |
| AT श्रृंखला ATA श्रृंखला |
S | Q | Q | N | Q |
| R | Q | Q | N | Q | |
| F | Q | Q | N | Q | |
उपरोक्त वर्गीकरण सामान्य उपयोग स्थितियों पर आधारित है। यदि आप उत्पाद का उपयोग विशेष रूप से घर्षणकारी वातावरण या उच्च भार स्थितियों में कर रहे हैं, तो कृपया हमसे संपर्क करें।
4. शाफ्ट बोर फिनिशिंग अतिरिक्त विनिर्देश
जटिल छेद निर्माण प्रक्रिया को कम वितरण में पूरा करने के लिए, शाफ्ट के छेदों के आयाम निम्नलिखित विनिर्देशों के अनुसार तैयार किए जाते हैं। कृपया ध्यान दें कि इसमें सेटस्क्रू शामिल नहीं हैं।
मानक शाफ्ट छेद प्रसंस्करण विनिर्देश
| शाफ्ट छेद सहिष्णुता | कीवे चौड़ाई सहिष्णुता | दोहन |
|---|---|---|
| H8 | जेआईएस बी1301-1996 सामान्य प्रकार Js9 |
कुंजियों के ऊपर और 120° अंतराल पर दो स्थानों पर टैप किया गया |
| पुराना JIS B1301-1959 2 प्रकार E9 |
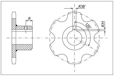
कुंजी मार्ग और दांत की नोक का चरण
की-वे को इस तरह मशीन किया जाता है कि स्प्रोकेट के दाँत का केंद्र की-वे के केंद्र के साथ संरेखित हो। यदि आप समानांतर में चेन का उपयोग करना चाहते हैं, तो कृपया हमसे संपर्क करें।
कीवे और टैप विनिर्देश और आयाम
| JIS मानक कुंजी, कुंजी-मार्ग चौड़ाई सहिष्णुता Js9 | |||
|---|---|---|---|
| लागू शाफ्ट छेद व्यास | कीवे चौड़ाई किलोवाट |
कीवे गहराई केएच |
नल का आकार एमएक्स |
| 22 से अधिक और 30 से कम | 8 | 3.3 | M6 |
| 30 से अधिक और 38 से कम | 10 | 3.3 | M8 |
| 38 से अधिक और 44 से कम | 12 | 3.3 | |
| 44 से अधिक और 50 से कम | 14 | 3.8 | |
| 50 से अधिक और 58 से कम | 16 | 4.3 | M10 |
| 58 से अधिक और 65 से कम | 18 | 4.4 | |
| 65 से अधिक और 75 से कम | 20 | 4.9 | M12 |
| 75 से अधिक और 85 से कम | 22 | 5.4 | |
| 85 से अधिक और 95 से कम | 25 | 5.4 | M16 |
| 95 से अधिक और 110 से कम | 28 | 6.4 | |
| 110 से अधिक और 130 से कम | 32 | 7.4 | M20 |
| 130 से अधिक और 150 से कम | 36 | 8.4 | |
| 150 से अधिक और 170 से कम | 40 | 9.4 | |
| 170 से अधिक और 200 से कम | 45 | 10.4 | M24 |
| 200 से अधिक और 230 से कम | 50 | 11.4 | |
| पुरानी JIS टाइप 2 कुंजी कीवे चौड़ाई सहनशीलता E9 | |||
|---|---|---|---|
| लागू शाफ्ट छेद व्यास | कीवे चौड़ाई किलोवाट |
कीवे गहराई केएच |
नल का आकार एमएक्स |
| 20 से अधिक और 30 से कम | 7 | 3 | M6 |
| 30 से अधिक और 40 से कम | 10 | 3.5 | |
| 40 से अधिक और 50 से कम | 12 | 3.5 | M8 |
| 50 से अधिक और 60 से कम | 15 | 5 | |
| 60 से अधिक और 70 से कम | 18 | 6 | M10 |
| 70 से अधिक और 80 से कम | 20 | 6 | M12 |
| 80 से अधिक और 95 से कम | 24 | 8 | |
| 95 से अधिक और 110 से कम | 28 | 9 | M16 |
| 110 से अधिक और 125 से कम | 32 | 10 | M20 |
| 125 से अधिक और 140 से कम | 35 | 11 | |
| 140 से अधिक और 160 से कम | 38 | 12 | |
| 160 से अधिक और 180 से कम | 42 | 13 | |
| 180 से अधिक और 200 से कम | 45 | 14 | M24 |
| 200 से अधिक और 224 से कम | 50 | 15.5 | |
| 224 से अधिक और 250 से कम | 56 | 17.5 | |
यदि आपको ऊपर सूचीबद्ध प्रसंस्करण विनिर्देशों के अलावा अन्य विनिर्देशों की आवश्यकता है, तो कृपया हमें निम्नलिखित जानकारी बताएं।
- ・शाफ्ट छेद का आकार, व्यास, सहनशीलता
- ・कीवे प्रकार, आयाम, सहनशीलता
- - टैप का आकार और स्थिति
