तकनीकी डेटा लिनियर एक्ट्यूएटर पावर सिलेंडर मोटर विनिर्देश
वायरिंग (टी श्रृंखला)
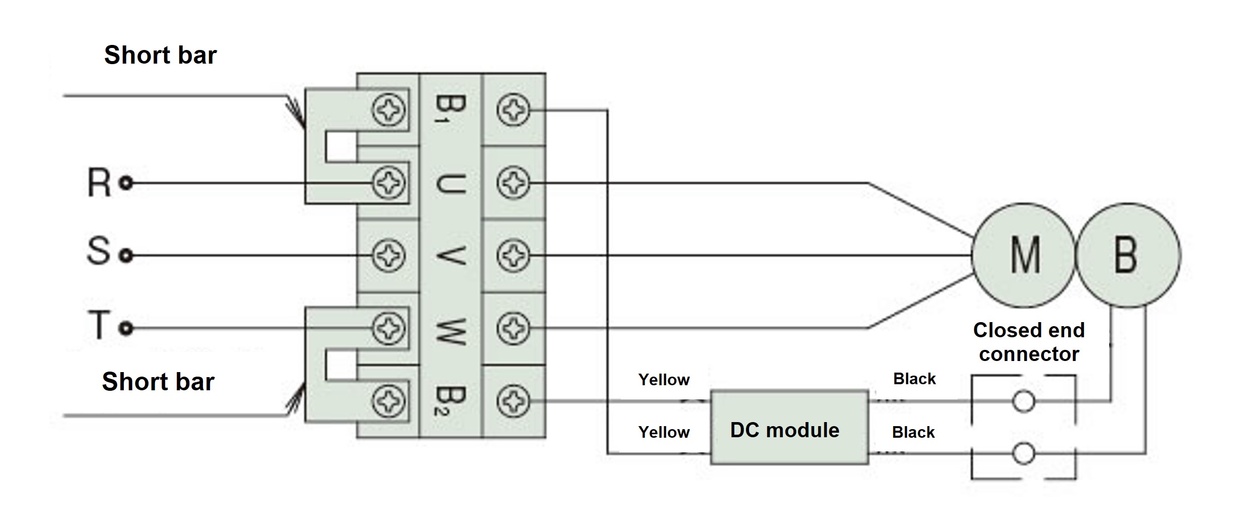
ब्रेक मोटर वायरिंग (डीसी ब्रेक मोटर)
0.1~0.4kW
ब्रेक आंतरिक संयोजन (शिपमेंट के समय)
200V विनिर्देश
400V विनिर्देश
ब्रेक एसी अलग कटऑफ
200V विनिर्देश
400V विनिर्देश
* लीड वायर अंत मध्यवर्ती टैप से अलग करना सुनिश्चित करें।
*अलग से 200V बिजली आपूर्ति की आवश्यकता है।
0.75~3.7kW
ब्रेक आंतरिक संयोजन (शिपमेंट के समय)
200V विनिर्देश
400V विनिर्देश
ब्रेक एसी अलग कटऑफ (डीसी कटऑफ 2.2 किलोवाट और 3.7 किलोवाट के लिए भी संभव है)
200V विनिर्देश
400V विनिर्देश
रॉड संचालन दिशा
उपरोक्त वायरिंग आरेख में, रॉड दाईं ओर दिखाई गई दिशा में संचालित होती है।
डीसी रिक्टिफ़ायर टर्मिनल बॉक्स में असेंबल करके भेजा जाता है।
| रॉड संचालन दिशा |
LPTB250~LPTB4000 LPTC250~LPTC4000 |
|---|---|
| रॉड अग्रिम |
*क्रिम्प टर्मिनल बोल्ट: M4 [कसने का टॉर्क 1.2N・m {0.12kgf・m}]
इन्वर्टर का उपयोग करते समय वायरिंग विधि
- 1. इन्वर्टर से मोटर चलाते समय, ब्रेक को अलग से बंद करना आवश्यक है। जैसा कि पिछले भाग में दिखाया गया है, छोटे हिस्से को हटा दें और ब्रेक डीसी रिक्टिफ़ायर पर इन्वर्टर आउटपुट नहीं, बल्कि सामान्य पावर सप्लाई वोल्टेज लगाएँ।
- 2. अगर मोटर वोल्टेज 400V क्लास का है और मोटर 0.4kW या उससे कम है, तो मोटर के सेंटर टैप से वायरिंग हटाकर उसे इंसुलेट करें, फिर ब्रेक डीसी रिक्टिफ़ायर के लिए एक अलग 200V से 220V पावर सप्लाई लगाएँ। अगर आपके पास 200V से 220V पावर सप्लाई नहीं है, तो वोल्टेज को 200V से 220V तक कम करने के लिए एक ट्रांसफॉर्मर का इस्तेमाल करें। ट्रांसफॉर्मर की क्षमता 90VA या उससे ज़्यादा होनी चाहिए, और सुनिश्चित करें कि वोल्टेज में कोई गिरावट न हो।
- 3. ब्रेक के लिए 200V श्रेणी के विद्युत चुम्बकीय संपर्ककों के लिए, AC250V, 7A या अधिक रेटेड लोड वाले संपर्ककों का उपयोग करें।
400V वर्ग के लिए, 400 से 440V AC संपर्क वोल्टेज और 1A या उससे अधिक का प्रेरणिक भार (उदाहरण के लिए, 2.2kW AC मोटर के लिए एक विद्युतचुंबकीय संपर्कक) का उपयोग करें। डीसी रिक्टिफ़ायर में एक सर्ज अवशोषण सुरक्षा तत्व होता है। आवश्यकतानुसार प्रत्येक संपर्क के लिए सुरक्षा तत्व जोड़ें। - 4. यदि आप ब्रेक के लिए अलग डीसी ब्रेकर का उपयोग करना चाहते हैं, तो कृपया हमसे संपर्क करें।
*विशेष विनिर्देशों के मामले में, वायरिंग भिन्न हो सकती है, इसलिए कृपया डिलीवरी चित्र की जांच करें।
