तकनीकी डेटा रिड्यूसर वर्म रिड्यूसर हैंडलिंग
यह पृष्ठ EWJ, EWJM(R), EW, EWM(R), SWJ, SWJM(R), SW, SWM(R), और TD श्रृंखला के संचालन के संबंध में सामान्य मामलों का वर्णन करता है।
विवरण के लिए कृपया उत्पाद के साथ संलग्न निर्देश पुस्तिका देखें।
4. स्थापना
इकाई को ऐसे स्थान पर स्थापित करें जहां परिवेश का तापमान 0°C और 40°C के बीच हो, जहां अच्छी हवादार व्यवस्था हो और जहां धूल और नमी न्यूनतम हो।
उत्पाद का उपयोग उन स्थानों पर करने से बचें जहां संक्षारक तरल पदार्थ या गैसें मौजूद हों, या जहां ज्वलनशील या विस्फोटक पदार्थ हों।
इसके अलावा, बाहर उपयोग करते समय, कृपया इसे सीधी बारिश से बचाने के लिए कवर का उपयोग करें।
- (1) संचालित शाफ्ट पर रिड्यूसर को स्थापित या हटाते समय, कार्य करने से पहले मशीन या डिवाइस की बिजली बंद करना सुनिश्चित करें।
- (2) रिड्यूसर को संचालित शाफ्ट से जोड़ते या अलग करते समय, रिड्यूसर आवरण के शीर्ष पर लटकने वाले बोल्ट का उपयोग करना सुनिश्चित करें, और इनपुट या आउटपुट शाफ्ट पर कभी भी तार या इस तरह की कोई चीज न लटकाएं।
- (3) संचालित शाफ्ट से रिड्यूसर को स्थापित या हटाते समय, सुनिश्चित करें कि रिड्यूसर संतुलित और स्थिर हो। असंतुलित अवस्था में काम करने से रिड्यूसर घूम जाएगा, जो बेहद खतरनाक है। हमेशा सुनिश्चित करें कि रिड्यूसर स्थिर हो।
- (4) SWJ25 से 63 और SWJM(R)35 से 63 में लटकने वाले बोल्ट नहीं हैं, इसलिए रिड्यूसर को दोनों हाथों से पकड़ें और आउटपुट शाफ्ट को संचालित शाफ्ट के समानांतर रखते हुए संचालित शाफ्ट से डालें या निकालें।
4-1. ठोस आउटपुट शाफ्ट प्रकार
ठोस आउटपुट शाफ्ट प्रकार के लिए दो स्थापना विधियां हैं: फुट माउंटिंग (EWJ, EWJM(R), EW, EWM(R), TD-S) और फ्लैंज माउंटिंग (SW, SWM80 से 200)।
4-1-1. फुट माउंटिंग (ईडब्ल्यूजे, ईडब्ल्यूजेएम(आर), ईडब्ल्यू, ईडब्ल्यूएम(आर), टीडी-एस)
- - जांच लें कि स्थापना निर्देश मानक है।
- यदि स्थापना दिशा मानक नहीं है, तो तेल की मात्रा और कुछ स्नेहन विधियां भिन्न होंगी, इसलिए कृपया ड्राइंग देखें या पूछताछ करें।
- - स्थापना संदर्भ सतह किसी भी तनाव से बचने के लिए पर्याप्त चिकनी और मजबूत होनी चाहिए, और स्थापना कोण ±1° के भीतर होना चाहिए।
- - JIS शक्ति वर्गीकरण 10.9T के समतुल्य स्थापना बोल्ट का उपयोग करें।
अनुशंसित स्थापना बोल्ट
EWJ・EWJM आकार EWJ25 EWJ35 EWJ42 EWJ50 EWJ63 EWJ70 अनुशंसित बोल्ट M6×15 M8×15 M10×20 M8×25 M10×30 M12×35 EW/EWM आकार EW80 EW100 EW125 EW150 EW175 EW200 अनुशंसित बोल्ट M12×40 M14×45 M16×55 M20×60 M20×70 M24×80 टीडी-एस आकार TD125 TD150 TD175 TD200 TD225 TD250 TD280 TD315 अनुशंसित बोल्ट M16×55 M20×60 M20×70 M24×80 M24×80 M30×100 M30×100 M30×110 - - कभी भी इस तरह से स्थापित न करें जिससे आवास में विकृति उत्पन्न हो।
- ・रिड्यूसर अंदर से सीलबंद लुब्रिकेटिंग ऑयल के साथ भेजा जाता है। परिवहन के दौरान तेल रिसाव को रोकने के लिए तेल भराव पोर्ट को प्लग किया जाता है, इसलिए कृपया उपयोग से पहले "प्लग" को दिए गए "प्रेशर वेंट" से बदल दें। यदि प्लग लगा रहने पर रिड्यूसर को लगातार चलाया जाता है, तो आंतरिक दबाव बढ़ सकता है, जिससे ऑयल सील से तेल रिस सकता है।
नोट) EWJ25-70, EWJM42-70 (दोहरा अवनमन सहित) और SWJ25-70, SWJM35-70 को दबाव वेंट की आवश्यकता नहीं है, इसलिए कृपया उन्हें उसी स्थिति में उपयोग करें जिसमें वे वितरित किए गए हैं।
4-1-2. फ्लैंज माउंटिंग (EWJ25 से 42, EWJM(R)42, SW80 से 200, SWM(R)80 से 200)
रिड्यूसर को रिड्यूसर केस की फ्लैंज सतह का उपयोग करके स्थिर किया जाता है। कृपया निम्नलिखित बिंदुओं पर ध्यान दें।
1. SW/SWM(R) ठोस आउटपुट शाफ्ट प्रकार
- (1) रिड्यूसर को सुरक्षित करने के लिए केस फ्लैंज पर टैप किए गए छेद का उपयोग करें, और इसे स्थिति में लाने के लिए केस स्पिगोट का उपयोग करें।
- (2) संचालित शाफ्ट, इनपुट/आउटपुट कनेक्शन और कोण के रेडियल रनआउट को समायोजित करें, और फिर रिड्यूसर स्थापित करें।
- (3) फ्लैंज सतह के लिए अनुशंसित बोल्ट आकारों के लिए कृपया नीचे दी गई तालिका देखें। (तालिका में दिए गए बोल्ट का आकार और गहराई टैप की गहराई है।)
नोट: यदि आप केस स्पिगोट का उपयोग नहीं करते हैं और पहले इनपुट और आउटपुट को जोड़ते हैं, और फिर निकला हुआ किनारा सतह को ठीक करते हैं, तो शाफ्ट और बीयरिंग पर अप्रत्याशित भार लागू हो सकता है, जो रिड्यूसर के जीवन को छोटा कर सकता है।
फ्लैंज सतह के लिए अनुशंसित बोल्ट आकार
रिड्यूसर का आकार SW80 SW100 SW125 SW150 SW175 SW200 बोल्ट का आकार एम10 गहराई 20 एम10 गहराई 20 एम12 गहराई 25 एम12 गहराई 25 एम14 गहराई 30 एम16 गहराई 30 पीसीडी माउंटिंग 180 205 255 300 350 380 अनुलग्नकों की संख्या 6 स्थानों पर समान रूप से वितरित 6 स्थानों पर समान रूप से वितरित 6 स्थानों पर समान रूप से वितरित 8 स्थानों पर समान रूप से वितरित 8 स्थानों पर समान रूप से वितरित 8 स्थानों पर समान रूप से वितरित
2. EWJ25-42 और EWJM(R)42 के लिए
फर्श या दीवार पर रिड्यूसर स्थापित करते समय कृपया निम्नलिखित बिंदुओं पर ध्यान दें।
- (1) रेड्यूसर को सुरक्षित करने के लिए फ्लैंज सतह पर स्थित माउंटिंग छेदों का उपयोग करें। केस का अंतिम भाग रेड्यूसर की स्थापना सतह से बाहर निकला हुआ होता है, इसलिए रेड्यूसर बॉडी और स्थापना सतह के बीच एक क्लीयरेंस (ΦD, t) या उससे अधिक अवश्य छोड़ें, जैसा कि नीचे दी गई तालिका और आरेख में दिखाया गया है।
- (2) संचालित शाफ्ट, इनपुट/आउटपुट कनेक्शन और कोण के रेडियल रनआउट को समायोजित करें, और फिर रिड्यूसर स्थापित करें।
- (3) रिड्यूसर की फ्लैंज सतह के लिए अनुशंसित बोल्ट आकार और पिच के लिए नीचे दी गई तालिका देखें।
नोट: यदि इनपुट और आउटपुट को पहले जोड़ा जाता है और फिर फ्लैंज सतह को स्थिर किया जाता है, तो शाफ्ट और बीयरिंग पर अप्रत्याशित भार लगाया जा सकता है, जिससे रिड्यूसर का जीवन छोटा हो सकता है।
स्थापना सतह से आवश्यक निकासी
| आकार | ΦD | t |
|---|---|---|
| EWJ25 | 46 | 3 |
| EWJ35 | 48 | 1.5 |
| EWJ42 | 63 | 3 |
माउंटिंग बोल्ट का आकार, संख्या और पिच
| आकार | माउंटिंग बोल्ट का आकार | आवाज़ का उतार-चढ़ाव ए |
आवाज़ का उतार-चढ़ाव बी |
|---|---|---|---|
| EWJ25 | M6 x 60 4 टुकड़े | 57 | 76 |
| EWJ35 | M8 x 80 4 टुकड़े | 71 | 96 |
| EWJ42 | M10 x 90 4 टुकड़े | 88 | 111 |
अनुशंसित कसने वाला टॉर्क
| आकार | आघूर्ण कसाव (एन・एम) |
आघूर्ण कसाव {किलोग्राम・मी} |
|---|---|---|
| EWJ25 | 4.9 ~ 5.9 | 0.5 ~ 0.6 |
| EWJ35 | 12 ~ 14 | 1.2 ~ 1.4 |
| EWJ42 | 24 ~ 27 | 2.4 ~ 2.7 |
4-2. खोखले आउटपुट शाफ्ट प्रकार
रिड्यूसर को घूमने से रोकने के तीन तरीके हैं: "टॉर्क आर्म माउंटिंग," "फ्लैंज माउंटिंग," और "फ़ुट माउंटिंग (केवल EW-H (खोखला आउटपुट शाफ्ट प्रकार))।" हम संचालित शाफ्ट के लिए g7 शाफ्ट व्यास सहनशीलता की अनुशंसा करते हैं।
- (1) संचालित शाफ्ट पर रिड्यूसर डालते समय, यह जांचना सुनिश्चित करें कि संचालित शाफ्ट की बाहरी परिधि पर या रिड्यूसर के खोखले आउटपुट शाफ्ट के अंदर कोई खरोंच या मलबा नहीं है।
- (2) सम्मिलन को आसान बनाने के लिए, संचालित शाफ्ट पर ग्रीस या मोलिब्डेनम डाइसल्फ़ाइड लगाएँ।
- (3) यदि इसे डालना मुश्किल हो, तो खोखले आउटपुट शाफ्ट के सिरे पर एक नरम हथौड़े से धीरे से टैप करके इसे डालें। ध्यान रहे कि तेल की सील को नुकसान न पहुँचे।
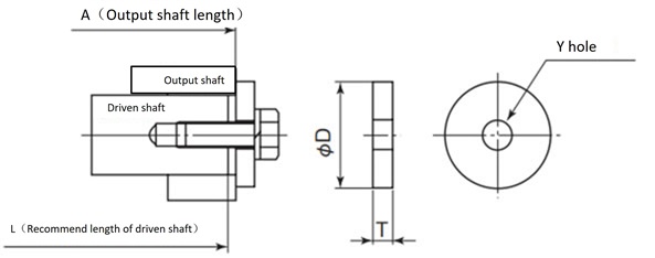
- (4) खोखले शाफ्ट की-वे को नए JIS मानक के अनुसार तैयार किया गया है। कुंजी की लंबाई के लिए, कृपया नीचे दी गई "अनुशंसित संचालित शाफ्ट लंबाई" देखें।
अनुशंसित संचालित शाफ्ट लंबाई (नीचे चित्र 1 और 2 देखें)
| शृंखला | SWJ | SW・EW | SW・EW・TD | TD | ||||||||||||
|---|---|---|---|---|---|---|---|---|---|---|---|---|---|---|---|---|
| रिड्यूसर का आकार | 25 | 35 | 42 | 50 | 63 | 70 | 80 | 100 | 125 | 150 | 175 | 200 | 225 | 250 | 280 | 315 |
| आउटपुट शाफ्ट की लंबाई: A | 60 | 70 | 80 | 108 | 128 | 130 | 148 | 174 | 200 | 250 | 270 | 290 | 320 | 356 | 404 | 454 |
| अनुशंसित संचालित शाफ्ट लंबाई: L | 58 | 68 | 78 | 89 | 109 | 106 | 122 | 146 | 170 | 220 | 238 | 258 | 272 | 303 | 344 | 386 |
4-2-1. टॉर्क आर्म की स्थापना और निष्कासन
1. स्थापना प्रक्रिया
नोट) लाइन शाफ्ट से जुड़े डबल-शाफ्ट इनपुट रिड्यूसर को स्थापित करने से बचें।
- (1) टॉर्क आर्म को रिड्यूसर से बोल्ट से जोड़ें। नोट: यदि आपने टॉर्क आर्म खरीदा है, तो उसके साथ आए बोल्ट का ही उपयोग करें। यदि आप अपना टॉर्क आर्म स्वयं बना रहे हैं, तो 10.9 या उसके समतुल्य शक्ति वर्गीकरण वाले बोल्ट का उपयोग करें।
- (2) रिड्यूसर को संचालित शाफ्ट पर डालें।
- (3) रिड्यूसर को अक्षीय दिशा में संचालित शाफ्ट पर स्थिर करें।
- ・SWJ25 से 42 के लिए, हम आउटपुट शाफ्ट के अंत को एक अंत प्लेट के साथ ठीक करने की अनुशंसा करते हैं जैसा कि चित्र 1 में दिखाया गया है।
- ・SWJ50 से 70, SW80 से 200, EW80-H से 200-H (खोखला आउटपुट प्रकार), और TD125H से 315H के लिए, हम खोखले आउटपुट शाफ्ट पर रिटेनिंग रिंग ग्रूव का उपयोग करने और इसे स्टॉप रिंग और एंड प्लेट के साथ सुरक्षित करने की सलाह देते हैं जैसा कि चित्र 2 में दिखाया गया है। (खोखले आउटपुट शाफ्ट के विस्तृत आयामों के लिए, उत्पाद पृष्ठ देखें।)
- (4) रिड्यूसर की स्थापना स्थिति निर्धारित होने के बाद, टॉर्क आर्म को इस प्रकार स्थिर करें कि रिड्यूसर चालित शाफ्ट के साथ न घूमे। इस समय, सुनिश्चित करें कि टॉर्क आर्म को अक्षीय दिशा में कुछ स्वतंत्रता हो।
- नोट: टॉर्क आर्म की नोक को रिड्यूसर से पहले लगाने से रिड्यूसर क्षतिग्रस्त हो सकता है, इसलिए कृपया कार्यविधि का सावधानीपूर्वक पालन करें। (EW80-H से 200-H तक के उपकरण पैर से लगाए जाते हैं। आउटपुट खोखले शाफ्ट और संचालित शाफ्ट को लगाने के बाद, संचालित शाफ्ट को सहारा देने वाले बेयरिंग की स्थिति निर्धारित करें।)
- नोट) अंत प्लेटों के निर्माण के लिए, हम नीचे तालिका 1 में दिखाए गए आयामों और आकृतियों की अनुशंसा करते हैं, जो छिद्रित प्लेटों के रूप में भी काम करते हैं।
चित्र 1 SWJ25-42
चित्र 2 SWJ50-70, SW80-200
EW80-H~200-H・TD125H~315H
तालिका 1 अंत प्लेटों के लिए अनुशंसित आयाम (पंच प्लेटों के रूप में भी उपयोग किया जाता है)
| आकार | आउटपुट शॉफ़्ट छेद का व्यास |
अनुशंसित प्लेट आयाम | प्लेट बोल्ट (स्प्रिंग वॉशर के साथ) |
स्टॉप रिंग आकार |
|||||
|---|---|---|---|---|---|---|---|---|---|
| ΦD | T | H | Z | वाई किरी | P | ||||
| SWJ25 | Φ12 | 16 | 4.5 | - | - | 5.5 | - | 1-M5×15 | - |
| SWJ35 | Φ20 | 26 | 6 | - | - | 9 | - | 1-M8×25 | - |
| SWJ42 | Φ25 | 32 | 6 | - | - | 9 | - | 1-M8×25 | - |
| SWJ50 | Φ30 | 29.6 | 9 | 25 | M12 | - | - | 1-M10×40 | C 30 |
| SWJ63 | Φ35 | 34.6 | 9 | 30 | M12 | - | - | 1-M10×40 | C 35 |
| SWJ70 | Φ40 | 39.6 | 12 | 34 | M12 | 2- 6.6 | 24 | 2-M6×40 | C 40 |
| EW/SW80 | Φ50 | 49.6 | 12 | 44 | M16 | 2- 9 | 30 | 2-M8×45 | C 50 |
| EW/SW100 | Φ55 | 54.6 | 14 | 48 | M16 | 2-11 | 32 | 2-M10×55 | C 55 |
| EW/SW125 | Φ70 | 69.5 | 14 | 62 | M24 | 2-14 | 44 | 2-M12×60 | C 70 |
| EW/SW150 | Φ80 | 79.5 | 17 | 70 | M24 | 2-14 | 52 | 2-M12×65 | C 80 |
| EW/SW175 | Φ90 | 89.5 | 17 | 80 | M30 | 2-14 | 60 | 2-M12×65 | C 90 |
| EW/SW200 | Φ100 | 99.5 | 17 | 89 | M30 | 2-18 | 65 | 2-M16×75 | C100 |
| TD125 | Φ70 | 69.5 | 14 | 62 | M24 | 2-14 | 44 | 2-M12×60 | C 70 |
| TD150 | Φ80 | 79.5 | 17 | 70 | M24 | 2-14 | 52 | 2-M12×65 | C 80 |
| TD175 | Φ90 | 89.5 | 17 | 80 | M30 | 2-14 | 60 | 2-M12×65 | C 90 |
| TD200 | Φ100 | 99.5 | 17 | 89 | M30 | 2-18 | 65 | 2-M16×75 | C100 |
| TD225 | Φ110 | 109.6 | 20 | 99 | M30 | 2-18 | 65 | 2-M16×85 | C110 |
| TD250 | Φ125 | 124.4 | 20 | 113 | M30 | 2-18 | 70 | 2-M16×85 | C125 |
| TD280 | Φ130 | 129.4 | 24 | 118 | M36 | 2-22 | 80 | 2-M20×100 | C130 |
| TD315 | Φ160 | 159.4 | 24 | 146 | M36 | 2-22 | 85 | 2-M20×100 | C160 |
2. निष्कासन प्रक्रिया
- (1) हैंगिंग बोल्ट का उपयोग करके रिड्यूसर को लटकाएं।
- (2) अंतिम प्लेट पर बोल्ट को ढीला करें जो रिड्यूसर को संचालित शाफ्ट (अक्षीय दिशा) में सुरक्षित करता है।
- (3) टॉर्क आर्म की नोक को मुक्त करें जो शाफ्ट की घूर्णन दिशा को रोकता है।
- (4) खोखले आउटपुट शाफ्ट को चालित शाफ्ट से हटाएँ ताकि केस और खोखले आउटपुट शाफ्ट के बीच कोई अतिरिक्त बल न लगे। निष्कासन प्लेट (सारणी 1) और जैक बोल्ट (सारणी 2) तैयार करें और सुचारू निष्कासन सुनिश्चित करने के लिए चित्र 3 में दिखाए अनुसार जैक बोल्ट लगाएँ।
तालिका 2 जैक बोल्ट आयाम
| आकार | आउटपुट शाफ्ट छेद व्यास | जैक बोल्ट (पूरी तरह से थ्रेडेड) |
आकार | आउटपुट शाफ्ट छेद व्यास | जैक बोल्ट (पूरी तरह से थ्रेडेड) |
|---|---|---|---|---|---|
| SWJ50 | Φ30 | M12×80 | TD125H | Φ70 | M24×150 |
| SWJ63 | Φ35 | M12×80 | TD150H | Φ80 | M24×150 |
| SWJ70 | Φ40 | M12×80 | TD175H | Φ90 | M30×180 |
| EW/SW 80 | Φ50 | M16×100 | TD200H | Φ100 | M30×180 |
| EW/SW100 | Φ55 | M16×100 | TD225H | Φ110 | M30×180 |
| EW/SW125 | Φ70 | M24×150 | TD250H | Φ125 | M30×180 |
| EW/SW150 | Φ80 | M24×150 | TD280H | Φ130 | M36×250 |
| EW/SW175 | Φ90 | M30×180 | TD315H | Φ160 | M36×250 |
| EW/SW200 | Φ100 | M30×180 |
चित्र 3: जैक बोल्ट स्थापना निर्देश
4-2-2. फ्लैंज स्थापना और निष्कासन
1. स्थापना प्रक्रिया
रिड्यूसर को चालित मशीन पर स्थिर करते समय (जब रिड्यूसर पर कोई रेडियल भार कार्य नहीं करता है)
- (1) संचालित शाफ्ट पर रिड्यूसर डालें।
- (2) फिक्स करते समय, केस की फ्लैंज सतह पर लगे नल का उपयोग करें।
- - SWJ25 से 42 के लिए, बोल्ट के साथ सुरक्षित करने के लिए फ्लैंज सतह पर छेद का उपयोग करें।
- - बोल्ट के आकार, माउंटिंग आयाम, पिच आदि के लिए कृपया ऊपर 4-1-2 के आइटम 2 में तालिका और आरेख देखें।
- (3) हम पोजिशनिंग के लिए केस के पायलट जॉइंट का उपयोग करने की सलाह देते हैं। (SWJ25 में पायलट जॉइंट नहीं है।)
नोट: फ्लैंज माउंटिंग के लिए अंत प्लेटों की आवश्यकता नहीं है।
यदि खोखले आउटपुट शाफ्ट को एक अंत प्लेट के साथ तय किया जाता है, तो खोखले आउटपुट शाफ्ट बीयरिंग पर थ्रस्ट बल लगाया जाएगा, जो बीयरिंग को नुकसान पहुंचा सकता है।
फ्लैंज माउंटिंग द्वारा रिड्यूसर को संचालित मशीन पर स्थिर करते समय (जब रिड्यूसर पर रेडियल लोड कार्य करता है)
- (1) संचालित शाफ्ट पर रिड्यूसर डालें।
- (2) संचालित शाफ्ट के रेडियल रनआउट को समायोजित करें, अक्षीय दिशा को मुक्त छोड़ दें, और फिर रिड्यूसर स्थापित करें।
- (3) हम रिड्यूसर को सुरक्षित करने के लिए केस की फ्लैंज सतह पर लगे टैप और स्थिति निर्धारण के लिए केस पर लगे स्पिगोट का उपयोग करने की सलाह देते हैं। (SWJ25 में स्पिगोट नहीं है।)
- (4) रिड्यूसर को ठीक करने के बाद, संचालित शाफ्ट की अक्षीय दिशा को ठीक करें।
नोट: यदि संचालित शाफ्ट की अक्षीय दिशा पहले तय की जाती है, तो खोखले शाफ्ट बेयरिंग पर एक थ्रस्ट बल लगाया जाएगा, जो बेयरिंग को नुकसान पहुंचा सकता है।
2. निष्कासन प्रक्रिया
जब रिड्यूसर को चालित मशीन पर स्थिर कर दिया जाता है (जब रिड्यूसर पर कोई रेडियल भार कार्य नहीं करता है)
- (1) चालित मशीन और रिड्यूसर को सुरक्षित करने वाले फ्लैंज बोल्ट को ढीला करें।
- (2) खोखले आउटपुट शाफ्ट को चालित शाफ्ट से हटाएँ ताकि केस और खोखले आउटपुट शाफ्ट के बीच कोई अतिरिक्त बल न लगे। निष्कासन प्लेट (सारणी 1) और जैक बोल्ट (सारणी 2) तैयार करें और सुचारू निष्कासन सुनिश्चित करने के लिए चित्र 3 में दिखाए अनुसार जैक बोल्ट लगाएँ।
फ्लैंज माउंटिंग द्वारा रिड्यूसर को संचालित मशीन पर स्थिर करते समय (जब रिड्यूसर पर रेडियल लोड कार्य करता है)
- (1) संचालित शाफ्ट को संतुलित और स्थिर अवस्था में रखें।
- (2) चालित मशीन और रिड्यूसर को सुरक्षित करने वाले फ्लैंज बोल्ट को ढीला करें।
- (3) खोखले आउटपुट शाफ्ट को चालित शाफ्ट से हटाएँ ताकि केस और खोखले आउटपुट शाफ्ट के बीच कोई अतिरिक्त बल न लगे। निष्कासन प्लेट (सारणी 1) और जैक बोल्ट (सारणी 2) तैयार करें और सुचारू निष्कासन सुनिश्चित करने के लिए चित्र 3 में दिखाए अनुसार जैक बोल्ट लगाएँ।
4-2-3. लेग माउंटिंग को जोड़ना और हटाना (EW-H खोखला आउटपुट शाफ्ट प्रकार)
स्थापित करते और हटाते समय, पैर स्थापना के लिए धारा 4-1-1, टॉर्क आर्म स्थापना के लिए धारा 4-2-1, और फ्लैंज स्थापना के लिए धारा 4-2-2 का संदर्भ लेकर संचालित मशीन और रिड्यूसर को केंद्र में रखना सुनिश्चित करें।
यदि केन्द्रीकरण गलत है, तो अप्रत्याशित भार पड़ सकता है, जिससे बीयरिंग, शाफ्ट आदि को नुकसान हो सकता है।
