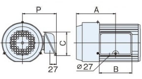
तकनीकी डेटा रेड्यूसर वर्म रेड्यूसर मोटर विनिर्देश
मानक टर्मिनल बॉक्स विनिर्देश
1. मोटर आउटपुट: 0.1kW से 0.4kW [प्लास्टिक]
| टर्मिनल आयाम | टर्मिनल बॉक्स की स्थिति | |||||||||||||
|---|---|---|---|---|---|---|---|---|---|---|---|---|---|---|
| कोई ब्रेक नहीं | ![]() |
|
||||||||||||
| ब्रेक के साथ | ![]() |
|
2. मोटर आउटपुट: 0.75kW [स्टील प्लेट]
| टर्मिनल आयाम | टर्मिनल बॉक्स की स्थिति | |||||||||||
|---|---|---|---|---|---|---|---|---|---|---|---|---|
| कोई ब्रेक नहीं | ![]() |
|
||||||||||
| ब्रेक के साथ | ![]() |
|
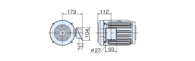
3. मोटर आउटपुट: 1.5kW से 2.2kW [स्टील प्लेट]
| टर्मिनल आयाम | टर्मिनल बॉक्स की स्थिति | ||||||||||||||||
|---|---|---|---|---|---|---|---|---|---|---|---|---|---|---|---|---|---|
| कोई ब्रेक नहीं | ![]() |
|
|||||||||||||||
| ब्रेक के साथ | ![]() |
|
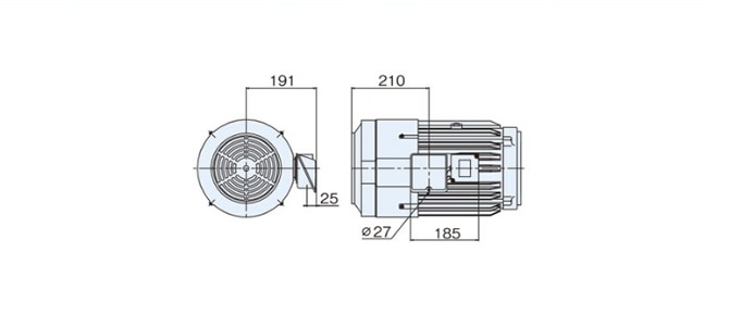
4. मोटर आउटपुट: 3.7kW [स्टील प्लेट]
| टर्मिनल आयाम | टर्मिनल बॉक्स की स्थिति | |
|---|---|---|
| कोई ब्रेक नहीं | ![]() |
![]() |
| ब्रेक के साथ | ![]() |
![]() |
5. मोटर आउटपुट: 5.5kW [स्टील प्लेट]
| टर्मिनल आयाम | टर्मिनल बॉक्स की स्थिति | |
|---|---|---|
| कोई ब्रेक नहीं | ![]() |
![]() |
| ब्रेक के साथ | ![]() |
![]() |
टर्मिनल बॉक्स स्थापना निर्देश
टर्मिनल बॉक्स की माउंटिंग दिशा 90° के अंतराल पर बदली जा सकती है। कृपया ऑर्डर करते समय इसकी जानकारी दें।
वैकल्पिक रूप से, ग्राहक मोटर माउंटिंग बोल्ट को हटाकर और मोटर को घुमाकर माउंटिंग दिशा बदल सकते हैं।
टर्मिनल बॉक्स आउटलेट दिशा
इसे 90° के अंतराल में बदला जा सकता है।
(5.5kW ब्रेक मॉडल को बदला नहीं जा सकता)
कृपया ऑर्डर करते समय हमें बताएं।
(उदाहरण: टर्मिनल पोर्ट दिशा F1)














