तकनीकी डेटा रिड्यूसर छोटा गियर मोटर मोटर विनिर्देश
तारों और घूर्णन दिशा
1. वायरिंग
| तीन-चरण मोटर (40W से 5.5kW) | एकल-चरण मोटर (40W से 90W) | ||
|---|---|---|---|
![]() |
![]() |
![]() |
![]() |
| A | B | A | B |
नोट: सिंगल-फ़ेज़ मोटर कैपेसिटर स्टार्ट प्रकार की है। उत्पाद के साथ एक कैपेसिटर भी शामिल है, इसलिए कृपया उपयोग से पहले इसे कनेक्ट कर लें।
2.घूर्णन दिशा
नीचे दिए गए आरेख में तीर कनेक्शन A के मामले में आउटपुट शाफ्ट से देखे गए घूर्णन की दिशा को इंगित करता है।
कनेक्शन B के लिए, तीर के विपरीत दिशा में घुमाएँ।
गियर मोटर
| 2-चरणीय कमी |
|---|
![]() |
| 3-चरणीय कमी |
![]() |
हाइपॉइड मोटर
| 2-चरण/4-चरण कमी |
|---|
![]() |
| 3-चरणीय कमी |
![]() |
क्रोइस मोटर
| सीएसएमए श्रृंखला |
|---|
![]() |
| HCMA श्रृंखला |
![]() |
हाइपॉइड मोटर मिनी
| 2-चरणीय कमी |
|---|
![]() |
| 3-चरणीय कमी |
![]() |
ब्रेक मोटर वायरिंग
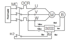
1. 200V वर्ग: 0.1kW से 5.5kW [गियर मोटर, हाइपॉइड मोटर, क्रोइस मोटर]
- ・मानक उत्पादों को एसी आंतरिक वायरिंग के साथ भेज दिया जाता है।
- ・प्रतिक्रिया समय वायरिंग के आधार पर भिन्न होता है, इसलिए नीचे दिए गए आरेख को देखें और अपने अनुप्रयोग के अनुसार उपयुक्त सेटिंग का चयन करें।
| उपयोग | गियर मोटर, हाइपॉइड मोटर, क्रोइस मोटर्स | |||
|---|---|---|---|---|
| तीन चरण 200V 0.1 किलोवाट से 0.55 किलोवाट |
तीन चरण 200V 0.75 किलोवाट से 3.7 किलोवाट |
तीन चरण 200V 5.5 kw |
||
| एसी आंतरिक वायरिंग |
|
![]() |
![]() |
![]() |
| एसी बाहरी वायरिंग |
|
![]() |
![]() |
![]() |
| एसी बाहरी संचालन |
|
*3 ब्रेक आपूर्ति वोल्टेज है |
*3 ब्रेक आपूर्ति वोल्टेज है |
![]() |
| डीसी बाहरी वायरिंग |
|
![]() |
![]() |
- |
- एम: मोटर
- बी: ब्रेक
- MC: चुंबकीय संपर्कक
- एमसीए: सहायक रिले
- ओसीआर: ओवरकरंट रिले
- DM200D, PM180B: डीसी रिक्टिफ़ायर
- -N-: सुरक्षा तत्व (वैरिस्टर)
- नोट 1) ब्रेक वोल्टेज DC 90V है (जब AC 200V DM200D और PM180B में इनपुट होता है)।
- नोट 2) डीसी बाहरी वायरिंग उपयोग करते समय, ब्रेक पावर सप्लाई मॉड्यूल वायरिंग की लंबाई, वायरिंग विधि, रिले के प्रकार आदि के आधार पर क्षतिग्रस्त हो सकता है, इसलिए डीसी बाहरी वायरिंग टर्मिनलों के बीच एक वैरिस्टर कनेक्ट करें। इसे ब्रेक पावर सप्लाई मॉड्यूल के पास (नीले लीड वायर से) जोड़ना अधिक प्रभावी होता है। विशिष्ट वैरिस्टर मॉडल नंबर नीचे सूचीबद्ध हैं, लेकिन समतुल्य वैरिस्टर का भी उपयोग किया जा सकता है। DM200D के लिए, 470V का वैरिस्टर वोल्टेज चुनें।
प्रोडक्ट का नाम उत्पादक मॉडल संख्या DM200D का उपयोग करते समय सर्ज अवशोषक पैनासोनिक कॉर्पोरेशन ERZV14D471 सिरेमिक वैरिस्टर निप्पोन केमि-कॉन TND14V-471KB00AAA0 - नोट 3) *1 में सहायक रिले (MCa) की संपर्क क्षमता AC200V7A या उससे अधिक (प्रतिरोधक भार) होनी चाहिए।
*2 यदि आप MC सहायक संपर्क या सहायक रिले का उपयोग करते हैं, तो संपर्क क्षमता AC200V10A या अधिक (प्रतिरोधक भार) होनी चाहिए।
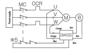
2. 400V वर्ग: 0.1kW से 5.5kW [गियर मोटर, हाइपॉइड मोटर, क्रोइस मोटर]
- ・मानक उत्पाद एसी आंतरिक वायरिंग के साथ भेजे जाते हैं। (*5.5kW के लिए कृपया हमसे अलग से परामर्श करें।)
- ・प्रतिक्रिया समय वायरिंग के आधार पर भिन्न होता है, इसलिए नीचे दिए गए आरेख को देखें और अपने अनुप्रयोग के अनुसार उपयुक्त सेटिंग का चयन करें।
| उपयोग | गियर मोटर, हाइपॉइड मोटर, क्रोइस मोटर्स | |||
|---|---|---|---|---|
| तीन चरण 400V 0.1 किलोवाट से 0.55 किलोवाट |
तीन चरण 400V 0.75 किलोवाट से 3.7 किलोवाट |
तीन चरण 400V 5.5 kw |
||
| एसी आंतरिक वायरिंग |
|
![]() |
![]() |
- |
| एसी बाहरी वायरिंग |
|
![]() |
![]() |
- |
| एसी बाहरी संचालन |
|
नोट: टर्मिनल ब्लॉक से बंद-अंत कनेक्टर के साथ भूरे रंग (एन) तार को इन्सुलेट करना सुनिश्चित करें। |
0.75kW और 3.7kW AC380V से AC440V हैं |
![]() |
| डीसी बाहरी वायरिंग |
|
![]() |
![]() |
- |
- एम: मोटर
- बी: ब्रेक
- MC: चुंबकीय संपर्कक
- एमसीए: सहायक रिले
- ओसीआर: ओवरकरंट रिले
- DM200D, DM400D, PM180B: डीसी रिक्टिफ़ायर
- -N-: सुरक्षा तत्व (वैरिस्टर)
- नोट 1) ब्रेक वोल्टेज DC 90V है (जब AC 200V DM200D में इनपुट होता है)।
- नोट 2) डीसी बाहरी वायरिंग उपयोग करते समय, ब्रेक पावर सप्लाई मॉड्यूल वायरिंग की लंबाई, वायरिंग विधि, रिले के प्रकार आदि के आधार पर क्षतिग्रस्त हो सकता है, इसलिए डीसी बाहरी वायरिंग टर्मिनलों के बीच एक वैरिस्टर लगाएँ। इसे ब्रेक पावर सप्लाई मॉड्यूल के पास (नीले लीड वायर से) लगाना अधिक प्रभावी होता है। विशिष्ट वैरिस्टर मॉडल नंबर नीचे दिए गए हैं, लेकिन समतुल्य वैरिस्टर भी इस्तेमाल किए जा सकते हैं। DM200D के लिए, 470V का वैरिस्टर वोल्टेज चुनें। (DM400D में एक अंतर्निर्मित वैरिस्टर है, इसलिए किसी बाहरी इंस्टॉलेशन की आवश्यकता नहीं है।)
प्रोडक्ट का नाम उत्पादक मॉडल संख्या DM200D का उपयोग करते समय सर्ज अवशोषक पैनासोनिक कॉर्पोरेशन ERZV14D471 सिरेमिक वैरिस्टर निप्पोन केमि-कॉन TND14V-471KB00AAA0 - नोट 3) 5.5kW डीसी रिक्टिफ़ायर PM180B एक सहायक उपकरण के रूप में भेजा जाता है, इसलिए ग्राहक को इसे स्वयं वायर करना होगा। आयामी चित्र यहाँ पोस्ट किया गया है।
- नोट 4) *2 में सहायक रिले (MCa) की संपर्क क्षमता AC200V7A या उससे अधिक (प्रतिरोधक भार) होनी चाहिए।
*3 यदि आप MC सहायक संपर्क या सहायक रिले उपयोग करते हैं, तो संपर्क क्षमता AC200V10A या अधिक (प्रतिरोधक भार) होनी चाहिए।
*4 सहायक रिले (MCa) के लिए, AC400 से 440V के संपर्क वोल्टेज और 1A या अधिक के प्रेरक भार वाले रिले का उपयोग करें।
*5 सहायक रिले (MCa) का उपयोग AC400 से 440V के संपर्क वोल्टेज और 1A या अधिक के प्रेरक भार के साथ श्रृंखला में दो या तीन इकाइयों को जोड़कर किया जाना चाहिए।
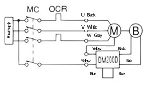
3. 40W, 60W, 90W [हाइपॉइड मोटर मिनी सीरीज़]
- ・मानक उत्पादों को एसी आंतरिक वायरिंग के साथ भेज दिया जाता है।
- ・प्रतिक्रिया समय वायरिंग के आधार पर भिन्न होता है, इसलिए नीचे दिए गए आरेख को देखें और अपने अनुप्रयोग के अनुसार उपयुक्त सेटिंग का चयन करें।
| उपयोग | तीन-चरण मोटर मानक वोल्टेज 200V वर्ग |
तीन-चरण मोटर वोल्टेज डबलर 400V वर्ग |
एकल-चरण मोटर 100 वोल्ट |
|
|---|---|---|---|---|
| एसी आंतरिक वायरिंग |
|
![]() |
![]() |
![]() |
| एसी बाहरी वायरिंग |
|
![]() |
![]() |
![]() |
| एसी बाहरी संचालन |
|
![]() |
नोट: बंद सिरे वाले कनेक्टर से जुड़े N भाग को काटना सुनिश्चित करें और N भाग को इंसुलेट करें। |
![]() |
| डीसी बाहरी वायरिंग |
|
![]() |
![]() |
![]() |
- एम: मोटर
- बी: ब्रेक
- MC: चुंबकीय संपर्कक
- एमसीए: सहायक रिले
- ओसीआर: ओवरकरंट रिले
- C: संधारित्र (सहायक उपकरण)
- DM200D, DM100A: डीसी रिक्टिफ़ायर
- -N-: सुरक्षा तत्व (वैरिस्टर)
- नोट 1) वायरिंग के बाद और बिजली चालू करने से पहले, सुनिश्चित करें कि डीसी रिक्टिफ़ायर का पीला (या लाल) लीड तार बिजली आपूर्ति की तरफ है और काला ब्रेक की तरफ है।
- नोट 2) डीसी रिक्टिफ़ायर एक अंतर्निर्मित डायोड होता है, इसलिए यदि गलत वायरिंग के कारण यह शॉर्ट हो जाता है, डीसी रिक्टिफ़ायर क्षतिग्रस्त हो जाएगा।
- नोट 3) आवश्यकतानुसार प्रत्येक संपर्क में सुरक्षात्मक तत्व जोड़ें।
- नोट 4) इन्वर्टर का उपयोग करते समय, इसे एसी बाहरी संचालन के अलावा किसी अन्य सर्किट पर उपयोग न करें।
- नोट 5) डीसी बाहरी वायरिंग उपयोग करते समय, ब्रेक पावर सप्लाई मॉड्यूल वायरिंग की लंबाई, वायरिंग विधि, रिले के प्रकार आदि के आधार पर क्षतिग्रस्त हो सकता है, इसलिए डीसी बाहरी वायरिंग टर्मिनलों के बीच एक वैरिस्टर लगाएँ। इसे ब्रेक पावर सप्लाई मॉड्यूल के पास (नीले लीड वायर से) लगाना अधिक प्रभावी होता है। विशिष्ट वैरिस्टर मॉडल संख्याएँ इस प्रकार हैं, लेकिन समतुल्य वैरिस्टर का भी उपयोग किया जा सकता है। DM200D के लिए, 470V का वैरिस्टर वोल्टेज चुनें।
प्रोडक्ट का नाम उत्पादक मॉडल संख्या DM100A और DM200D के लिए सर्ज अवशोषक पैनासोनिक कॉर्पोरेशन ERZV14D471 सिरेमिक वैरिस्टर निप्पोन केमि-कॉन TND14V-471KB00AAA0 - नोट 6) एकल-चरण मोटर संचालन के लिए संधारित्र
40W: 15μF, 60W: 18μF, 90W: 27μF (सभी 220V वोल्टेज का सामना कर सकते हैं)। - नोट 7) कृपया एकल-चरण 200V पर जानकारी के लिए हमसे संपर्क करें।
*मोटर द्वारा उत्पन्न ऊष्मा
जब कोई मोटर चलती है, तो उसकी सभी आंतरिक हानियां ऊष्मा में बदल जाती हैं, जिसके कारण मोटर ऊष्मा उत्पन्न करती है।
विशेष रूप से, एकल-चरण संधारित्र-चालित मोटरें, लोड फैक्टर कम होने पर बहुत अधिक गर्मी उत्पन्न करती हैं, और परिस्थितियों के आधार पर, संचालन के दौरान मोटर आवरण 90°C से अधिक हो सकता है, लेकिन यह असामान्य नहीं है।
कृपया सावधान रहें क्योंकि मोटर को लापरवाही से छूने या उसके आस-पास ज्वलनशील पदार्थ रखने से अप्रत्याशित दुर्घटना हो सकती है।







































